首页 > 电子行业标准(SJ) > SJ 2241.5-1982 CWT7L型同心型微调电容器
SJ 2241.5-1982

基本信息

标准号: SJ 2241.5-1982

中文名称:CWT7L型同心型微调电容器

标准类别:电子行业标准(SJ)

标准状态:现行

发布日期:1982-12-14

实施日期:1983-07-01

出版语种:简体中文

下载格式:.rar.pdf

下载大小:187238

相关标签: 同心 微调 电容器

标准分类号

中标分类号:矿业>>矿业综合>>D01技术管理

关联标准

出版信息

页数:3页

标准价格:8.0 元

相关单位信息

标准简介

SJ 2241.5-1982 CWT7L型同心型微调电容器 SJ2241.5-1982 标准下载解压密码:www.bzxz.net

标准图片预览

SJ 2241.5-1982 CWT7L型同心型微调电容器
SJ 2241.5-1982 CWT7L型同心型微调电容器
SJ 2241.5-1982 CWT7L型同心型微调电容器

标准内容

中华人民共和国电子工业部部标准CWT7L型同心型微调电容器
SJ2241.5—82
本标准是对CWT7L型同心型微调电容器(以下简称电容器)的技术规定。该电容器用于无线电通讯和电子设备中。CWT7L型电容器除本标准规定外,应符合SJ2241-82《同心型微调电容器总技术条件》的有关规定。
1电容器的使用环境条件为:
环境温度;—40~+85℃;
相对湿度:温度为十40℃时、达96%;大气压力:达350mmHg;
振动:振频10~55Hz、振幅0.75mm碰撞:加速度40g。
2型号及标记
2.1电容器的型号为CWT7L。
2.2电容器的规格代号为CWT7L一C一202.3电容器在技术文件中标记为:微调电容器CWT7L-C--20
SJ2241.5--82。
3结构和尺寸、电容器的外形结构和安装尺寸如图所示。CWT7L型
安装开乱尺中12.5
中华人民共和国电子工业部1982-12-14发布1983-07-01实施
试验项目及要求
4.1交收试验
SJ2241.5—82
4.1.1交收试验的抽样方案及合格质量水平AQL值应符合SJ2241--82第3.4.1和3.4.2条的规定。
4.1.2交收试验的项目、顺序及要求如表1。表1
结构和尺寸
转动力矩
电容量
损耗角正切值
绝缘电阻
动子接触电阻
耐电压
4.2例行试验
的规定。
SJ2241-82
条款号
试验条件
测试频率
1000±200Hz
测试频率1MHz
于10pF处
测试电压100V(DC)
试验电压300V
(50Hz、有效值)
参数要求
应符合本标准第3条规定
0.35~1.0kgf-cm
最小电容量<8pF
最大电容量≥20pF
不大于20×10-4
不小于1000M9
不大于0.012
无击穿飞弧
例行试验的抽样方案,样品数及允许失效数按SJ2241一82第3.5.2和3.5.3条4.2.2
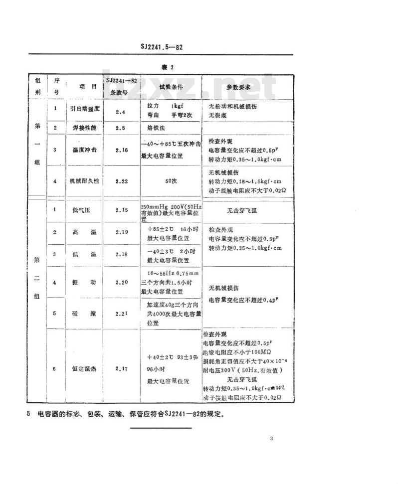
例行试验的项目、顺序、分组如表2。2
引出端强度
焊接性能
温度冲击
机械耐久性
低气压
恒定湿热
SJ2241-82
条款号
SJ2241.5—82
试验条件
烙铁法
手弯2次
-40~+85五次冲击
最大电容量位置
350mmHg200V(50Hz
有效值)最大电容量位
+85±2℃16小时
最大电容量位置
-40±3℃2小时
最大电容量位置
10~55Hz0.75mm
三个方向共1.5小时
最大电容量位置
加速度40g三个方向
共4000次最大电容量
+40±2℃93±3%
96小时
最大电容量位
参数要求免费标准bzxz.net
无松动和机械损伤
无裂痕
检查外观
电容量变化应不超过0.5pP
转动力矩0.35~1.0kgf.cm
无机械损伤
转动力矩0.18~1.5kgf.cm
动子接触电阻应不大于0.022
无击穿飞弧
检查外观
电容量变化应不超过0.5pP
转动力矩0.35~1.0kgf.cm
无机械损伤
电容量变化应不超过0.4pF
检查外观
电容量变化应不超过0.5pF
绝缘电阻应不小于100M2
损耗角正切值应不大于40×10-4耐电压300V(50Hz、有效值)
无击穿飞弧
转动力矩0.35~1.0kgf.cm
动子按触电阻应不大于0.029
5电容器的标志、包装、运输、保管应符合SJ2241一82的规定。
小提示:此标准内容仅展示完整标准里的部分截取内容,若需要完整标准请到上方自行免费下载完整标准文档。