标准号: SJ 2349-1983
中文名称:磁鼓存储器总技术条件
标准类别:电子行业标准(SJ)
标准状态:现行
发布日期:1983-08-08
实施日期:1984-01-01
出版语种:简体中文
下载格式:.rar.pdf
下载大小:572688
中标分类号:矿业>>矿业综合>>D01技术管理
出版社:电子工业出版社
页数:17页
标准价格:17.0 元
出版日期:1984-01-01
起草人:林绪坚、王林通、李天才
起草单位:北京有线电厂
发布部门:中华人民共和国电子工业部





3.1.2磁鼓总容量按公式(1)计算Q.=Car.S..
式中:Q.—-总容量,bit
-每道最大容量,bit;
总磁道数。
3.1.3每道容量按公式(2)计算C=元DinD,(I -K)
式中:C-
每道容量,bit(当K=o时,C=Cm)鼓轮最小直径,mm;
圆周率;
K—空白区系数;
D—-线密度,bit/mm。
3.1.4总磁道数包括数码道数,同步道数、备用道数等。中华人民共和国电子工业部1983-08-08发布大
Q>1.6Mbit
(2)
1984-01-01实施
SJ2349-—83
3.1.5数码道数应优先选用2(n为正整数)。3.1.6备用道数量宜为每组磁道数的整数倍,注,同一磁头驱动电路上联接的磁头集合称为组。3.2存储密度
3.2.1存储密度分线密度和道密度线密度为磁道上每单位长度存储信息的数量。按公式(3)计算Tf
元Daia
式中:D.一线密度,bit/mm;
一圆周率;
T——磁鼓转一周所需时间,s;
f-信息脉冲的频率,Hz;
鼓轮最小直径,mm。
道密度为沿鼓轮轴向单位长度磁道的数量按公式(4)计算D.
式中:D.—道密度,道/mm;
B磁头铁芯宽度,mm;
G一相邻铁芯间的间隙,mm。
3.2.2存储密度分为两种类型,见表2。B+G
存储密度
线密度bit/mm
道密度道/mm
低密度
3.3磁鼓直读信号幅值U(单边线圈峰峰值)分为四组见表3。表3
U≤6mV
6mVU≤15m
3.4信息传送方式应优先从下列几种中选取:串行,2并,4并,8并。
3.5鼓轮直径采用下列尺寸系列
15mVU≤30mV
60,100,150,200,220,250,310,350,400,500,750mm3.6磁鼓电机同步转速采用下列转速系列:750,1000,1500,30006000,12000rpm4技术要求
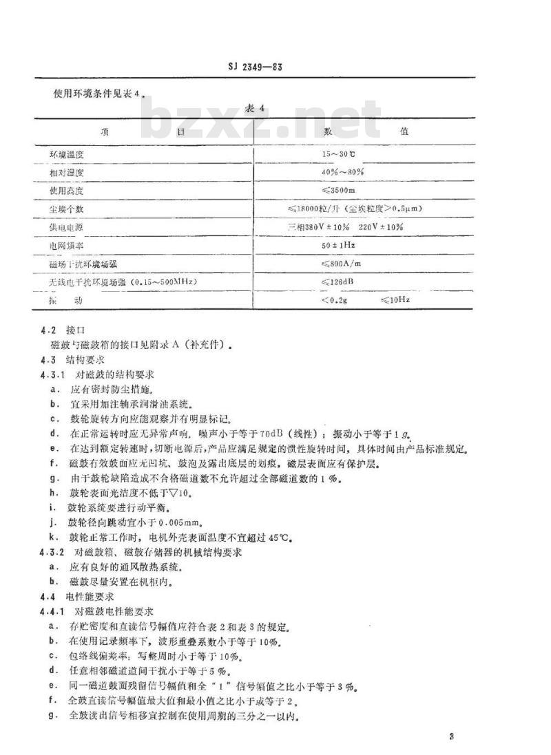
4.1使用环境条件
高密度
IV组(尽量不采用)
30mV使用环境条件见表4。
环境温度
相对湿度
使用高度
尘埃个数
供电电源
电网频率
磁场下扰环境场强
无线电干扰环境场强(0.15~500MHz)振
4.2接口
SJ2349—83
磁鼓与磁鼓箱的接口见附求A(补充件)。4.3结构要求
对磁鼓的结构要求
应有密封防尘措施。
宜采用加注轴承润滑油系统。
鼓轮旋转方向应能观察并有明显标记。数
15~30℃
40%~80%
≤18000粒/升(尘埃粒度>0.5μm)三相380V±10%220V+10%
50±1Hz
≤800A/m
A126dB
在正常运转时应无异常声响。噪声小于等于70dB(线性):振动小于等于19。在达到额定转速时,切断电源后,产品应满足规定的惯性旋转时问,具体时间由产品标准规定。磁鼓有效鼓面应无凹坑、鼓泡及露出底层的划痕,磁层表面应有保护层。由于鼓轮缺陷造成不合格磁道数不允许超过全部磁道数的1%。鼓轮表面光洁度不低下√10。
鼓轮系统要进行动平衡。
鼓轮径向跳动宜小于0.005mm。
鼓轮正常工作时,电机外壳表面温度不宜超过45℃,k.
对磁鼓箱、磁鼓存储器的机械结构要求a.
应有良好的通风散热系统。
磁鼓尽量安置在机柜内。
电性能要求
对磁鼓电性能要求
存贮密度和直读信号幅值应符合表2和表3的规定在使用记录频率下,波形重叠系数小于等于10%b.bZxz.net
包络线偏差率:写整周时小于等于10%。任意相邻磁道道间干扰小于等于5%。同一磁道鼓面残留信号幅值和全“1”信号幅值之比小于等于3%。全鼓直读信号幅值最大值和最小值之比小于或等于2。全鼓读出信号相移宜控制在使用周期的三分之一以内。3
SJ2349—-83
h,为提高记录密度,在供应磁鼓箱和磁鼓存储器时,可不受磁鼓电性能要求约束。4.4.2对磁鼓箱、磁鼓存储器电性能要求4.4.2.1应向用广提供如下技术指标:a,数据传送速度。
数据传送宽度
数据传送时,允许主机的传输处理时间,c.
平均等待时间,
实际存储容量。
校错方式。
9.特读转换时间和转组时间。
h。信息存储格式,
1.磁记录方式。
4.4.2.2设备间接口采用低电位传送。4.4.2.3信号要求:高电位3~5V;低电位0~0.4V4.4.2.4设备应有自动保护电路、无论是故障断电还是正常加电、断电情况下,都应保证写好的信息不受破坏。在写状态下,允许在进行写的磁道上信息被破坏。4.5可靠性要求
4.5.1磁鼓存储器可靠性指标
4.5.1.1平均无故障工作时间:
a:磁鼓平均无故障工作时间在下列数值中选择:1000,1500,3000,10000小时
b:磁鼓箱、磁鼓存储器平均无故障工作时间在下列数值中选择:600,800,1200,1600,2000,3000小时4.5.1.2服务期限:磁鼓存储器服务期限不少于10年。4.6安全要求
4.6.1设备运行时应保证操作人员的人身安全,4.6.2设备上所有大于36V易与人员接触的部位均应加以防护。4.6.3交流电源线与机壳之间的绝缘电阻不应小于500M2,磁鼓电机的定子与鼓体之间应绝缘,其绝缘电阻不应小于500M2
4.6.4磁鼓箱应有磁鼓电动机的断相保护装置。4.6.5安装时严禁将信号电缆与动力电缆装在一起。4.7配套要求
4.7.1设备在设计时,必须考虑系统的配套性,以保证用户组成最基本的可用系统。4.7.2应提供成套的使用、维修性技术文件。4.7.3应提供成套备附件、工具和安装器材,4.7.4应提供产品的测试记录
4.8保修期限
自到货日期十二个月内,凡用户遵守运输、些存和使用规定而出现的产品质量问题,制造厂应负责免费修理。
5试验方法
5.1试验环境条件
除有特殊规定外,所有测试均应在表4规定的温度、避度、高度条件下进行。4
5.2外观检验
SJ2349—-83
5.2.1日测检验产品外表有无涂覆层剥落、划痕等损伤,文字符号和标志是否清晰,装配是否正确齐全等。
5.2.2目测检验磁鼓鼓面有无凹坑、鼓泡及露底层等划痕。5.3机械结构检验
5.3.1转速用转速表和闪光测速仪测试。5.3.2鼓轮径向跳动用扭贫表测量。5.3.3噪音测试用2型声级计距离磁鼓轴线1米处测量,5.3.4振动测试用测振仪在磁鼓外壳径向和轴向各任选四点测量,取最大值。测振仪的测量误差不应超过±10%。
5.3.5惯性旋转时间用秒表测量。5.3.6电机外壳表面温度用点温度计测量。5.3.7表面光洁度用比较法或轮廓仪测量。5.4工作性能检验
5.4.1电信号测试用仪器和要求
电信号测试所用的仪器包括:示波器、专用考验台、稳压电源等应满足测试要求,具体要求由产品标准规定。
5.4.2测试条件
测试记录特性时,要从产品中选用具有普遍代表性的磁鼓和磁头作为基准的标准鼓和标准头。a.
b,应明确规定写电流上升、下降特性、过冲量、频率和读出电路的负载条件。具体规定由产品标准给出。
5.4.3直读信号幅值
在磁道上整周写全“1”信号后,立读信号幅值应符合表3的规定。5.4.4波形重叠系数
用直流清除鼓面,然后用不归零制写4个“1”和4个0”或8个“1”和8个“0”。波形重叠系数按公式(5)计算,读出波形见图1。U.-UL×100%
重叠系数=
式中:U——不重叠读出信号幅度;U—重叠后读出信号幅度。
(5)
5.4.5线密度
SJ2349—83
用重叠系数等于10%时的记录频率,按公式(3)计算。5.4.6包络线偏差率
在任意磁道上写整周全“1”信号,并按公式(6)计算。包络线偏差率=
式中:Ux-——读出信号的最大幅值;U.i—读出信号的最小幅值。
5.4.7道间下扰
Umax-Umin
(Ur+U)
(6)
道间干扰必须全部测试,取相邻三磁道,清中间磁道,在两边相邻磁道写入信息,从中间磁道读出,并按公式(7)计算
U手晚mz—×100..
道间干扰一—
U本道min
5.4.8绝缘电阻检验
(7)
测试绝缘电阻所施加的试验电压不应小于额定电压的2.5倍。施加测试电压1分钟后,读取绝缘电阻的数值。检验时应保证接触点的可靠接触,引线间绝缘电阻应足够大,以保证读数的正确,绝缘电阻测试仪的测量误差不应超过±10%。5.4.9使用环境上限温度试验
将产品放入恒温箱内升温到30土2℃恒温8小时后接通电源,运转4小时后,应正常工作1小时。注:正常工作一对磁鼓、磁鼓箱是指与考验台联机运行不出错,对磁鼓存储器是指分调运行不出错。5.4.10些存运输条件高温试验
将已包装的产品放入恒温箱内升温到40土2℃,恒温8小时后取出,去掉包装,在使用环境条件下,静置8小时,加电运转4小时后应正常工作1小时。5.4.11使用环境上限潮湿试验
a,将产品电源置于断开位置,放入潮湿箱内,先将箱内温度调至30土2℃,保持8小时,使之达热平衡,然后开始输入水汽,在1小时内湿度达到80%±3%,保持48小时b。试验期满后立即在箱内检查绝缘电阻和外表,然后接通电源,运转4小时后应正常工作1小时。5.4.12贮存运输条件上限潮湿试验a,将已包装的产品放入潮湿箱内,将产品电源置于断开位置,按5.4.11中a项办法将潮箱内的温度调至40±2℃,湿度调至93±3%,在箱内存放48小时。b:试验期满后取出产品放在使用环境下恢复24小时。检查绝缘电阻、外观并接通电源运转4小时后应正常工作1小时。
5.4.13使用环境下限温度试验
将产品放入低温箱内,降温到15土2℃,恒温8小时,接通电源运转4小时后正常工作1小时。5.4.14贮存运输条件低温试验
a:将产品电源置于断开位置,在低温箱内将温度降到-40±2℃,恒温保持24小时。b。试验期满后,停止致冷,取出产品,也可以在箱内使温度逐渐上升到15℃后取出,但箱内升温时间应记入恢复时间。产品在使用环境条件下恢复48小时,接通电源,运转4小时后应正常工作1小时。C,为了防止在试验时产品结冰和凝水现象,产品用聚氯乙烯薄膜密封后进行试验,必要时还可以在密封套内装存吸湿剂。
5.4.15使用高度试验
将产品置于低压试验舱内,升到表4规定的高度数值,接通电源,运转4小时后应正常工作1小时。6
试验时上升和下降的速度不应超过10米/秒。5.4.16运输试验
SJ2349—83
a。进行运输试验时,将产品按出厂方式包装,固定在载重汽车后部。b.在载重汽车上试验:行车路面为土路和碎石路,行车距离200公里以上,行车速度20~40公里/小时,试验时汽车的负荷为额定载重量的二分之一c.试验后检查外观,不应有机械损伤,并加电观察机械运转状态,运转4小时后应正常工作1小时。5.4.17在设备正常工作情况下对供电电源适应能力试验a.
调节供电交流电压为表4规定的上限值,应正常工作30分钟,然后将电源连续调节到表4规定的下限值,应正常工作30分钟。b,供电电压在额定电压情况下,改变频率分别为49Hz和51Hz,应分别正常工作30分钟5.4.18可靠性试验
a,可靠性试验时的环境温度为30±2℃b,试验方案采用SJ2064一82《电子设备可靠性验证试验(统计试验方案)》中的标准型概率比序贯试验方案3:4试验,见表5。表5
方案的特征值
方案编号
规定的风险率%
当0=0。时作出判断所需的时间
(9.的倍数)
序贯试验方案3:4的判决标准图,见图2。拒收
继续试验
MTBF=e的预期判决点
总试验时间(0,的倍数)
理论风险率%
0=9。
试验方案3:4的判决表,见表6。失效数
SJ2349-83
总试验时间(9,的倍数)
拒收(等于或少于)
不适用
不适用
接收(等于或大丁)
不适用
批步生产的产品应每批进行一次可靠性试验,连续生产的产品每年至少进行两次可靠性试验。受试产品样品总数,根据批生产台数或连续生产台数按表7的规定在生产批中随机抽取。表7
批量或连续生产数量
样品数
批量或连续生产数量
96~200
200以上
样品数
试验时间应延续到能作出合格与否的判决时为止。对试验中累积试验时间的理解应符合GBe.
3187-—82《可靠性基本名词术语及定义》中规定的术语和定义。失效数应理解为试验过程中所有受试设备在总试验时间内出现失效的累计数。各台受试设备相应的试验时间可以按照用于受试设备的计时器的读数计量。在这种情况下,第K次失效的相应累积试验时间T应为计时器读数的总数。Tr=
式中:n——为受试设备总数:
一为第K次失效时,受试设备中的第1台设备的相应试验时间的读数。(8)
试验中发生故障应理解为设备不能完成所规定的功能,应停止试验进行修复,在修复中不得更换与该故障无关的零部件,修复后立即恢复试验。9。试验中不属于受试设备故障造成的意外停机,试验时间可累计。6验收规则
6.1设备在定型和生产时,必须通过规定的试验,以确定产品是否符合标准之规定。6.2试验分类:定型试验、交收试验和例行试验。8
6.3定型试验
SJ2349-83
6.3.1设备在设计定型和生产定型时应进行定型试验,6.3.2定型试验应根据本标准及产品标准进行全面检验。6.3.3试验后要提出定型试验报告。6.3.4产品定型须经主管部门批准。6.4交收试验
6.4.1交收试验由制造厂质量检验部门负责进行使用方可派代表参加。交收试验须逐台进行。进行外观,机械结构,安全和工作性能检查,具体项日产品标准规定,6.4.2
6.4.3试验中出现故障,应停止试验,查出故障原因并排除后再进行试验。6.4.4检验合格的产品,库存超过6个月者,在出厂前应重新进行交收试验。6.5例行试验
6.5.1产品在连续生产情况下,每年进行一次例行试验,年产最不足50台时每二年进行一次例行试验,例行试验样品应在交收试验合格产品中随机抽取台。6.5.2进行重人设计政进、改进主要工艺,更换主要元器件时应进行例行试验。6.5.3例行试验由制造厂质量检验部门持,设计、生产部门参加,并提出例行试验报告。6.5.4例行试验过程中,样品中的任一项试验不符合本标准和产品标准规定时,应全面分析原因,采取措施予以消除后,从该项日起继续试验,或另行抽取同样数量的样品,重新进行全面试验,经复验后仍不符合本标准和产品标准规定时,则判该批产品不合格应停止验收,查明故障的程度和原因,对该批产品全部进行返修,
经过返修的产品,应重新进行交收试验和例行试验。6.5.5例行试验项目和顺序
a,对设备进行外观、机械结构、安全和工作性能检查使用环境上限温度试验。
凭存运输条作高温试验。
使用环境上限潮湿试验。
贮存运输条件上限潮壶试验,
使用环境下限温度试验。
此存运输条件低温试验,
使用高度试验。
i。运输试验。
对供电电源适应能力试验,
可靠性试验。
7标志、包装、运输和保管
7.1产品应有制造厂名称,产品型号、编号,生产年、月的铭牌标记,7.2包装箱应符合防潮、防尘、防震的要求。磁鼓应单独密封包装,磁鼓包装箱宜采用便于拆卸的多次重复使用的结构。包装箱内应有装箱清单、包装人员代号、包装日期、产品合格证,7.3包装箱均应有下列标志:
a,产品的型号及名称。
b,制造厂名称、重量、发货日期。C.包装箱上应有符合国家标准GB191--73《包装储运指示标志》规定的有关标志。标志内容出产品标准规定
7.4包装好的产品,均应能以公路,铁路、航空、水路等形式运输。9
SJ2349—83
5存放产品的库房应保持干燥、无酸、碱等腐蚀性气体,在温度0~40℃,相对湿度小于80%情7.5
况下存放期不得超过6个月。按本规定条件存放出现质量问题,由制造厂免费修理,如未按本规定条件存放出现质量问题由用户自已负责。10
小提示:此标准内容仅展示完整标准里的部分截取内容,若需要完整标准请到上方自行免费下载完整标准文档。