首页 > 电子行业标准(SJ) > SJ 2379-1983 3CD553、3CD554、3CD653型PNP硅外延平面低频大功率三极管
SJ 2379-1983

基本信息

标准号: SJ 2379-1983

中文名称:3CD553、3CD554、3CD653型PNP硅外延平面低频大功率三极管

标准类别:电子行业标准(SJ)

标准状态:现行

发布日期:1983-08-19

实施日期:1984-03-01

出版语种:简体中文

下载格式:.rar.pdf

下载大小:196440

相关标签: 外延 平面 低频 大功率 三极管

标准分类号

中标分类号:能源、核技术>>能源、核技术综合>>F01技术管理

关联标准

采标情况:美RCA标准 NEQ

出版信息

页数:3页

标准价格:8.0 元

相关单位信息

标准简介

SJ 2379-1983 3CD553、3CD554、3CD653型PNP硅外延平面低频大功率三极管 SJ2379-1983 标准下载解压密码:www.bzxz.net

标准图片预览

SJ 2379-1983 3CD553、3CD554、3CD653型PNP硅外延平面低频大功率三极管
SJ 2379-1983 3CD553、3CD554、3CD653型PNP硅外延平面低频大功率三极管
SJ 2379-1983 3CD553、3CD554、3CD653型PNP硅外延平面低频大功率三极管

标准内容

中华人民共和国电子工业部部标准3CD553型、3CD554型、3CD653型PNP硅外延平面低频大功率三极管SJ2379—83
1本标准适用于耗散功率为15W的3CD553型、3CD554型、3CD653型PNP硅外延平面工艺的低频大功率三极管(以下简称三极管)。三极管除应符合本标准规定外,还应符合SJ614一73《半导体三极管总技术条件》的规定。2本标准采用的参数符号一般符合SJ1400一78《半导体器件参数符号》的规定,并补充如下符号:VcEO<)——集电极一发射极(基极开路时)的维持电压;-集电极一发射极(基极一发射极接电阻时)的维持电压。VCER(ss)
3三极管的外形结构和尺寸应符合SJ139一78《半导体三极管外形尺寸》的规定。4三极管的参数应符合本标准8.1和8.2条的要求。其测量方法应符合SJ300~314—72《半导体三极管测试方法》的规定。本标准参数规范表中的电参数除注明外,均以管壳温度Tc为25℃时为准。5环境试验后,三极管的集电极一基极电压VcBO、集电极一发射极电压VcEO、发射极一基极电压VEBO应符合本标准8.1条的规定。其中VcBO、VcEo不许降档,电流放大系数hFE的相对变化应不超过±35%。
6功率试验和高温贮存试验后,三极管应符合本标准8.1和8.2条的规定。集电极一基极电压VcBO、集电极一发射极电压VcEO、发射极一基极电压VeBo应符合要求,其中VcBO、VcEo不许降档,反向电流IcEo不超过规范值的2倍,饱和压降VcE7生产单位在产品目录(或说明书)中提供以下特性曲线:a。安全工作区(包括直流、脉冲宽度t为1s、100ms、10ms、1ms等)曲线;b.热循环特性曲线:
c,PcMTc的关系曲线;
d.hFE一Tc的关系曲线(Tc为-55、25、100℃时),IBVBE的关系曲线,
Ic-VcE的关系曲线(Tc为25C时);g.
Ic一VBE的关系曲线。
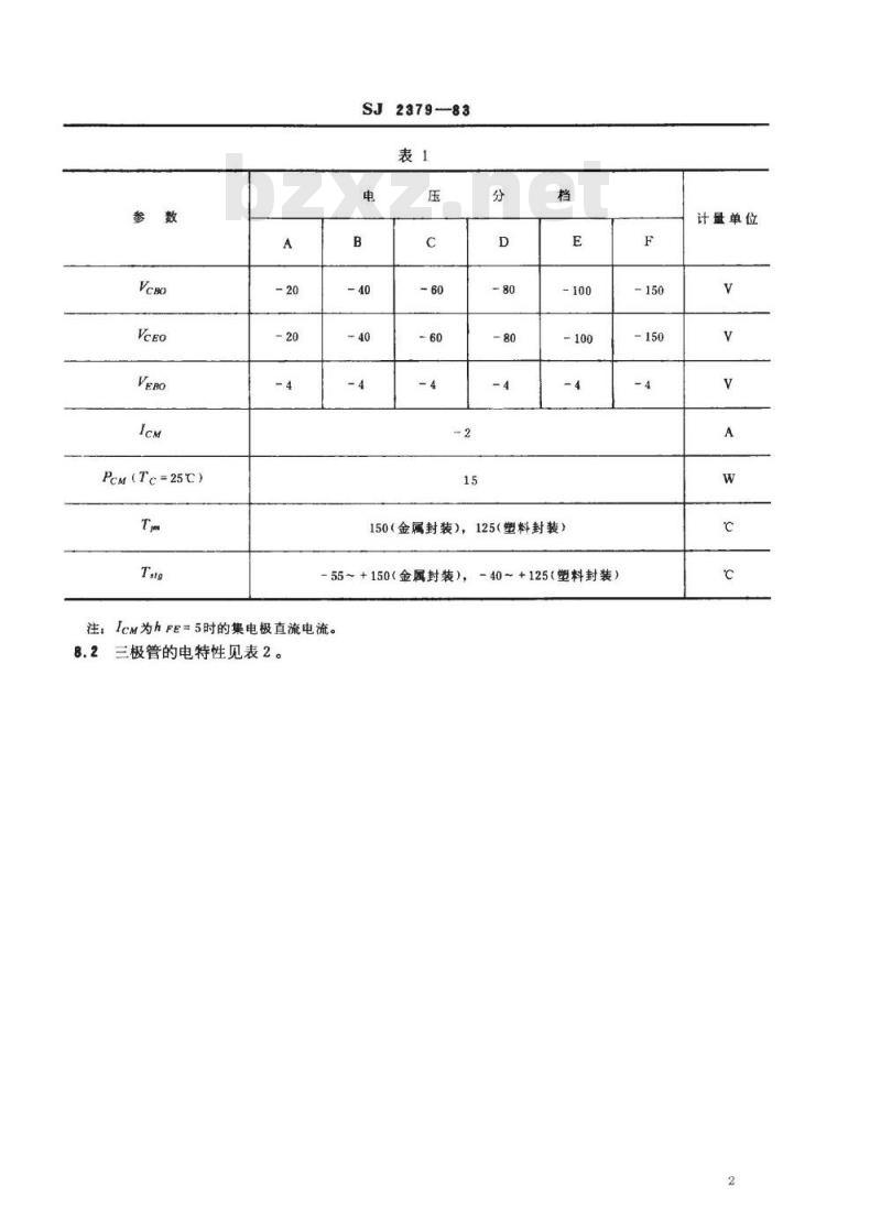
83CD553型、3CD554型、3CD653型PNP硅外延平面低频大功率三极管参数规范见表1、表2。8.1三极管的最大极限值见表1。中华人民共和国电子工业部1983-08-19发布1
1984-03-01实施
Pcm(Tc=25)
SJ2379-83
150(金属封装),125(塑料封装)-55~~+150(金属封装),-40~+125(塑料封装)注:IcM为hFE=5时的集电极直流电流。8.2三极管的电特性见表2。
计量单位
(Tc=100℃)
Vceoumn
(Tc=-55℃)
VeEAsn
(fo-10MHz)
fw=1s或直流
Rarye(金属封装)
Rmje(塑料封装)免费标准bzxz.net
试验条件
测试条件
Vee=0.9Veeo
Te=75C(金属封装)
Tc=75℃(塑料封装)
VcE=-10V
VCE--10V
Ic=-0.75A
120~240,
1530,25~50,40~80,70~140,
VcE=-20V
VcE=-20V
注:①B档以上的器件第一个测试点的VcE选在Pem线与Ps/B线的交点处,Vce×Is:B>PeM。②B档以上的器件第二个测试点的VcE>0.9VcEO,此点不应发生二次击穿。-0.5
Ic=-0.45A
Ic*-0.38A
3CD553
F-1型
铜底座、
3CD554
F-1型
铁底座、
3CD653
S-7型
塑料封装
2379—83
小提示:此标准内容仅展示完整标准里的部分截取内容,若需要完整标准请到上方自行免费下载完整标准文档。