首页 > 电子行业标准(SJ) > SJ 2672.1-1986 电子器件详细规范 3DA301型175MHz管壳额定的低电压双极型功率晶体管
SJ 2672.1-1986

基本信息

标准号: SJ 2672.1-1986

中文名称:电子器件详细规范 3DA301型175MHz管壳额定的低电压双极型功率晶体管

标准类别:电子行业标准(SJ)

标准状态:现行

发布日期:1986-02-17

实施日期:1987-06-01

出版语种:简体中文

下载格式:.rar.pdf

下载大小:576966

相关标签: 电子器件 详细 规范 管壳 额定 低电压 双极型 功率 晶体管

标准分类号

中标分类号:能源、核技术>>能源、核技术综合>>F01技术管理

关联标准

出版信息

页数:9页

标准价格:14.0 元

相关单位信息

标准简介

SJ 2672.1-1986 电子器件详细规范 3DA301型175MHz管壳额定的低电压双极型功率晶体管 SJ2672.1-1986 标准下载解压密码:www.bzxz.net

标准图片预览

SJ 2672.1-1986 电子器件详细规范 3DA301型175MHz管壳额定的低电压双极型功率晶体管
SJ 2672.1-1986 电子器件详细规范 3DA301型175MHz管壳额定的低电压双极型功率晶体管
SJ 2672.1-1986 电子器件详细规范 3DA301型175MHz管壳额定的低电压双极型功率晶体管
SJ 2672.1-1986 电子器件详细规范 3DA301型175MHz管壳额定的低电压双极型功率晶体管
SJ 2672.1-1986 电子器件详细规范 3DA301型175MHz管壳额定的低电压双极型功率晶体管

标准内容

中华人民共和国电子工业部部标准SJ2672.1-86
电子元器件详细规范
175MHz管壳额定的低电压双极型功率晶体管1986-02-17发布
1987-06-01实施
中华人民共和国电子工业部批准中华人民共和国电子工业部部标准电子元器件详细规范3DA301型
SJ2672.1-86
175MHz管壳额定的低电压双极型功率晶体管中国电子技术标准化研究所
电子元器件质量评定是根据:
GB4936.1-85
《半导体分立器件总规范》
SJ2672.1-86
3DA301型175MHz管壳额定的低电压双极型功率晶体管。定货资料:见本规范7机械说明
电子工业部1986-02-17发布
2简略说明
该管系NPN外延平面晶体管,在低压电台中作末前级和未级功率放大。材料:硅NN+外延片
封装:金属封装
3质量评定类别
参考数据
f.-175MHz
Vce-12.5V
Pout≥0.3W
Gp≥10dB
1987-06-01实施
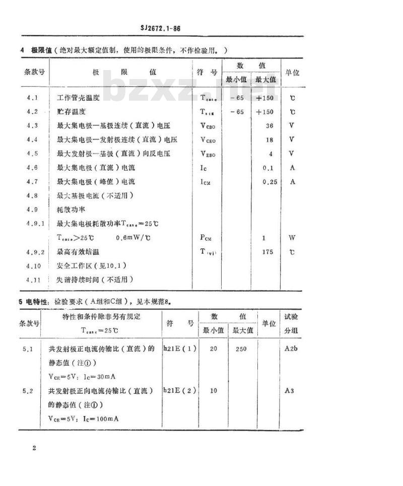
极限值(绝对最大额定值制。
条款号
工作管壳温度
肥存温度
SJ2672.1-86
使用的极限条件,不作检验用。限
最大集电极一基极连续(直流)电压最大集电极一发射极连续(直流)电压最大发射极基极(直流)向反电压最大集电极(直流)电流
最大集电极(峰值)电流
最大基极电流(不适用)
耗激功率
最大集电极耗散功率T。。—25℃Te>25℃
最高有效结温
0.6mW/℃
安全工作区(见10.1)
失谐持续时间(不适用)
5电特性:检验要求(A组和C组),见本规范8条款号
特性和条件除非另有规定
Tes。=25℃
共发射极正电流传输比(直流)的静态值(注①)
VcE=5V:Ic-30mA
共发射极正向电流传输比(直流)的静态值(注①)
VcE=5V:Ic=100mA
最小值
最小值
h21E(1)
h21E(2)
最大值
最大值
条款号
.5.4.2
SJ2672.1-86
特性和条件除非另有规定
Tease25℃
特征频率
正向散射参数(不适用)
截止电流
集电极一基极截止电流
VcB=36V
集电极一发射极截止电流
VcE=18V
集电极一基极截止电流(高温)VcB=25V;T..-+125C
集电极一发射极饱和压降
Ic=100mA,Ig=10mA
输出功率P=0.03w:f=175MHz
功率增益VcE=12.5V
集电极效率(条件同5.7)(注②)输出电容
Vc-12.5V.f=1MHz:Ie-0
互调系数(不适用)
注:①hFE的允许测试误差为士10%n
6标志
6.1器件上的标志
6.1.1型号、质量类别及等级标志;6.1.2制造厂厂名、代号或商标;6.1.3检验批识别代码;
IcBo(a)
VcE (Sat)
P。ut
最小值
最大值
6.1.4认证合格标志(适用时)。6.2包装箱上的标志
6.2.1重复器件上的标志;
SJ2672.1-86
6.2.2按GB191-73《包装储运指示标志》标上*防*等标志;6.2.3特殊供货时,标上“协议”编号。7定货资料
7.1型号:
7.2本详细规范号:
7.3其他技术协议号或工程代号(适用时)。8试验条件和检验要求
在本章中除非另有规定,引用的条款号对应于GB4936.1-85的条款号,测试方法引自GB4587-84的6.1.1款。
A组—
一逐批
全部试验都是非破坏性的(见GB4936.1-85的3.6.6)检验
或试验
A1分组
外观检验
A2a分组
不工作器
A2b分组
A3分组
Icno(n)
IcBo(i)
VcE(aat)
hFE(a)
-85的5.1.1
除非另有规定T。。=25℃
(见GB4936.1-85的4)
Vcg=5V,Ic=-30mA
VcB=36V
Vce18V
Vce=-36V,I-0
Vcr-18V,Ig-0
Vce=5V.Ic=30mA
Vc=12.5V,f-175MHz
P..=0.03w
Vc=12.5V、f=175MHz
Pi.=0.03w
Ic=100mAIg=10mA
VcE=5V.I=100mA
最小值最大值
SJ2672.1-86
B组———逐批
只有标明(D)的试验是破坏性的(见GB49361-85的3.6.6)检验
或试验
B1分组
B3分组
引线弯
曲(D)
B4分组
可焊性
B5分组
温度快
速变化
继之以
GB4936.1-
85的5.2和
附录C
GB4937-85
GB4937-85
GB4937-85
GB4937-85
GB4937-85
除非另有规定,T....-25℃
(见GB4936.1-85的4)
本试验采用方法1:
受试引出端数:3
外加力:2.5N
本试验采用方法b;
受试引出端数:3
冷槽温度:55℃
热槽温度:+125℃
循环次数:5
严格度:2
细检漏采用方法1
粗检漏采用方法3
试验液体:氟油
干燥时间:3±1m1n
方法3的第2步温度:+125℃
检要求验
极限值
最小值最大值
无损坏
润湿良好
最后测试
B8分组
电耐久性
最后测试
IcBO (1)
B9分组
高温贮存
最后测试
CRRL分
GB4938-85
GB4937-85
SJ2672.1-86
除非另有规定,T9.。=25℃
(见GB4936.1-85的4)
VcB=36V、Ie-0
Vce-5V,Ic=30mA
时间:168h
VcE=12.5V、Pc-0.66W
Tc-+75℃
VcB=36V、Ie=0
Vce=5V、lc=30mA
T..=+150℃
时间:168h
同B8分组
B3、B4、B5、B8、B9分组的属性资料C组—周期
续上表
检验要求
极限值
最小值最大值
只有标明(D)的试验是破坏性的(见GB4936.1-85的3.6.6)检验
Ci分组
GB4936.1-
85的5.2和
附录C
除非另有规定,T。a。=25℃
(见GB4936.1-85的4)
极限值
最小值最大值
C2a分组
C2b分组
C2d分组
C3分组
拉力(D)
C4分组
耐焊接热
最后测试
C6分组
IcBO(2)
Rthei-
GB4937-85
GB4937-85
GB4937-85
SJ2672.1-86
除非另有规定,T。a..=25℃
(见GB4936.1-85的4)
Vc-12.5V.f=1MHz
Teas.—+125℃
受试引出端数:3
外加力:5N
本试验采用方法1AWww.bzxZ.net
浸润时间:10±1s
恢复时间:30min
(周期为6个月)
Vc=36V
Vc-5V、Ic-30mA
本试验采用程序B4
振动方向:X、Y、Z
安装方法:引线和本体
同时固定
频率范围:100~2000Hz
加速度:196m/s*(20g)
极限值
续上表
最小值最大值
继之以恒
定加速度
最后测试
C8分组
电耐久性
最后测试
C9分组
高温贮存
最后测试
CRRL分
IcBo(n)
GB4937-85
GB4938-85
GB4937-85
SJ2672.1-86
除非另有规定,T。—25℃
(见GB4936.1-85的4)
时间:3个方向、各进行4次
循环、每次8.5min
严格度:196000m/s2
(20000g)
加速度轴和方向:X、Y方向:
Y方向为管脚向内
同C4分组
时间:1000h
Vce-12.5V,Pc-0.66W
Tc=+75℃
同B8分组
T...=+150℃
时间:1000h
同B8分组
极限值
续上表
最小值最大值
C3、C6和C9分组的属性资料、C8分组前后的测试数据9
D组一
鉴定批准试验
D组试验每2年至少进行一次,项目为电耐久性试验,试验时间至少为3000h。可以用任一批C8分组的样管,将时间由1000h延长到3000h。本试验不作为验收依据。10附加资料(非检验用)
10.1特性曲线:
SJ2672.1-86
制造厂至少应给出下列特性曲线(典型值)Pout~Vc曲线:
P。.t~Pi曲线;
C22h~VcB曲线:
IcVcE曲线。
10.2输出功率P。的测试电路和要求L
-00×5
图中:
C1电容量为5~47pF
C2电容量为4~26pF
C3电容量为4~20pF
C4电容量为4~20p
C5电容量为3300pm
C6电容量为0.47pF;
L1电感量材料为银铜线、线径为1mm,外径为4mm、匝数为15L2电感量材料为银铜线、线径为1mm、外径为4mm、通数为2.5;+R6Y
LA、LB、Lc微带介质板衬底材料为聚四氟乙烯、相对介电常数812.55、厚度为1.5mm:
La长度为10mm;宽度为5mm:
L长度为10mm;宽度为5mm;
Lc长度为65mm;宽度为5mm;
R,电阻值为1.1k9;
R,电阻值为102。
附加说明:
本标准由电子工业部标准化研究所提出。本标准由北京电子管厂责责起草。8
小提示:此标准内容仅展示完整标准里的部分截取内容,若需要完整标准请到上方自行免费下载完整标准文档。