首页 > 电子行业标准(SJ) > SJ 2672.2-1986 电子器件详细规范 3DA302型175MHz管壳额定的低电压双极型功率晶体管
SJ 2672.2-1986

基本信息

标准号: SJ 2672.2-1986

中文名称:电子器件详细规范 3DA302型175MHz管壳额定的低电压双极型功率晶体管

标准类别:电子行业标准(SJ)

标准状态:现行

发布日期:1986-02-17

实施日期:1987-06-01

出版语种:简体中文

下载格式:.rar.pdf

下载大小:540550

相关标签: 电子器件 详细 规范 管壳 额定 低电压 双极型 功率 晶体管

标准分类号

中标分类号:能源、核技术>>能源、核技术综合>>F01技术管理

关联标准

出版信息

页数:10页

标准价格:15.0 元

相关单位信息

标准简介

SJ 2672.2-1986 电子器件详细规范 3DA302型175MHz管壳额定的低电压双极型功率晶体管 SJ2672.2-1986 标准下载解压密码:www.bzxz.net

标准图片预览

SJ 2672.2-1986 电子器件详细规范 3DA302型175MHz管壳额定的低电压双极型功率晶体管
SJ 2672.2-1986 电子器件详细规范 3DA302型175MHz管壳额定的低电压双极型功率晶体管
SJ 2672.2-1986 电子器件详细规范 3DA302型175MHz管壳额定的低电压双极型功率晶体管
SJ 2672.2-1986 电子器件详细规范 3DA302型175MHz管壳额定的低电压双极型功率晶体管
SJ 2672.2-1986 电子器件详细规范 3DA302型175MHz管壳额定的低电压双极型功率晶体管

标准内容

中华人民共和国电子工业部部标准电子元器件详细规范3DA302型
SJ2672.2-86
175MHz管壳额定的低电压双极型功率晶体管中国电子技术标准化研究所
电子元器件质量评定是根据:
GB4936.1-85
《半导体分立器件总规范》
SJ2672.2-86
3DA302型175MHz管壳额定的低电压双极型功率晶体管。定货资料:见本规范71机械说明
电子工业部1986-02-17发布
简略说明
该管系NPN外延平面晶体管,在低压电台中作末前级和未级功率放大。材料:硅NN+外延片
封装:金属封装
质量评定类别
参考数据
f。-175MHz
VcE-12.5V
Pot≥1.ow
Gp≥10dB
987-06-01实施
SJ2672.2-86
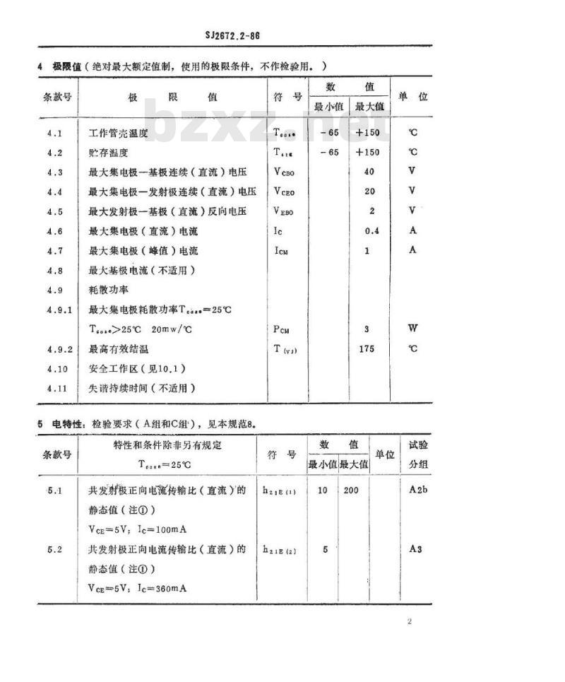
极限值(绝对最大额定值制,
使用的极限条件,不作检验用。条款号
工作管壳温度
贮存温度
最大集电极一基极连续(直流)电压最大集电极一发射极连续(直流)电压最大发射极一基极(直流)反向电压最大集电极(直流)电流
最大集电极(峰值)电流
最大基极电流(不适用)
耗散功率
最大集电极耗散功率T。a..=25℃T.a..>25℃20mw/℃
最高有效结温
安全工作区(见10.1)
失谐持续时间(不适用)
5电特性:检验要求(A组和C组),见本规范8条款号
特性和条件除非另有规定
Te.=25℃
共发射极正向电流传输比(直流)的静态值(注①)
VcE=5V.Ic=100mA
共发射极正向电流传输比(直流)的静态值(注①)
VcE=5VIc=360mA
最小值
h21E(2)
最大值
最小值最大值
条款号
SJ2672.2-86
特性和条件除非另有规定
TR...-25℃
特征频率
正向散射参数(不适用)
截止电流
集电极一基极截止电流
VcR=40V
集电极一发射极截止电流
Vce=20V
集电极一基极截止电流(高温)VcB-30V,T...=+125℃
集电极一发射极饱和压降
Ic=100mA;In=20mA
输出功率Pia=0.1W:f=175MHz
功率增益VcR=12.5V
集电极效率(条件同5.7)(注②)输出电容
Vc=12.5V.
f=1MHz;
互调系数(不适用)
注:①h的允许测试误差为士10%Pout
6标志
6.1器件上的标志
6.1,1型号、质量类别及等级标志;3
IcBO(n)
IcBO(2)
VcE(sat)
最小值最大值
6.1.2制造厂厂名、代号或商标;6,1.3检验批识别代码;
6.1.4认证合格标志(适用时),6.2包装箱上的标志
SJ2672.2-86
6.2.1重复器件上的标志;
6.2.2按GB191-73《包装储运指示标志》标上“防湿”等标志:6.2.3特殊供货时,标上“协议”编号。7定货资料
7.1型号:
7.2本详细规范号;
7.3其他技术协议号或工程代号(适用时)。8试验紊件和检验要求
在本章中除非另有规定,引用的条款号对应于GB4936.1-85的条款号,测试方法引自GB4587-84的6.1.1款
A组—逐批
全部试验都是非破坏性的(见GB4936.1-85的3.6.6)检验
A1分组
外观检验
A2a分组
不工作器
A2b分组
A3分组
VcE(uat)
hpE(2)
GB4936.1-
85的5.1.1
T--009
T—003
除非另有规定Tete=25℃
(见GB4936:1-85的4)
Vce=5V、
VeB--40V
VcE-20V
VeB=40V
VEc-20V、
VcE=5V、
Ic=100mA
Vc=12.5V、f=175MHz
Vc=12.5V.f=175MHz
Ic100mA,Ig=20mA
VcE=5V.Ic-360mA
最小值最大值
SJ2672.2-86
B组一
一逐批
只有标明(D)的试验是破坏性的(见GB4936.1-85的3.6.6)检验
B1分组
B3分组
引线弯曲
B4分组
可焊性
B5分组
温度快速
继之以
GB4936.1-
85的5.2和
GB4937-85
GB4937-85
GB4937-85
GB4937-85
GB4937-85
除非另有规定,T.a=25℃
(见GB4936.1-85的4)
本试验采用方法1:
受试引出端数:3
外加力:2.5N
本试验采用方法b;
受试引出端数:3
冷槽温度:-55℃wwW.bzxz.Net
热槽温度:+125℃
循环次数:5次
严格度:2
细检漏采用方法1
粗检漏采用方法3
试验液体:氟油
干燥时间:3±1min
方法3的第2步温度:+125℃
极限值
最小值最大值
无损坏
润湿良好
最后测试
B8分组
电耐久性
最后测试
B9分组
高温贮存
最后测试
CRRT分
GB4938-85
GB4937-85
SJ2672.2-86
除非另有规定,T25℃
(见GB4936.1-85的4)
VcB=40V.Ig=0
VcE=5VIc=100mA
时间:168h
Ve=12.5V、Pc=2W
Tc=+75℃
VcB-40V,Ig=0
Vc=5V.Ic=100mA
Ts.=+150℃
时间:168h
同B8分组
B3、B4、B5、B8、B9分组的属性资料续上表
极限值
最小值最大值
SJ2672.2-86
一周期
只有标明(D)的试验是破坏性的(见GB4936.1-85的3.6.6)检验
C1分组
C2a分组
C2b分组
C2d分组
C3分组
拉力(D)
C4分组
耐焊接热
最后测试
GB4936-85
的5.2和
附录C
GB4937-85
GB4937-85
除非另有规定,T.。。=25℃
(见GB4936.1-85的4)
Vc-12.5V、f=1MHz
Ver=5V、
Taae=+125℃
受试引出端数:3
外加力:5N
本试验采用方法1A
浸润时间:10土1s
恢复时间:30min
(周期为6个月)
Vce=5V、Ic=100mA
极限值
最小值最大值
C6分组
继之以恒
定加速度
最后测试
C8分组
电耐久性
最后测试
C9分组
高温贮存
最后测试
CRRL分
IcBOa)
GB4937-85
GB4937-85
GB4938-85
GB4937-85
SJ2672.2-86
除非另有规定,Tca*=25℃
(见GB4936,1-85的4)
本试验采用程序B4
振动方向:X、Y、Z
安装方法:引线和本体
同时固定
频率范围:100~2000Hz
加速度:196m/s(20g)
时间:3个方向、各进行4次
循环,每次8.5min
严格度:196000m/s2
(20000g)
加速度轴和方向,X、Y
方向、Y方向为管脚向内
同C4分组
时间:1000h
VeE=12.5V.Pc-2W
Tc=+75℃
同B8分组
T.=+150℃
时间:1000h
同B8分组
续上表
检验要求
极限值
最小值最大值
C3、C6和C9分组的属性资料、C8分组前后的测试数据单
9D组鉴定批准试验
SJ2672.2-86
D组试验每2年至少进行一次,项目为电耐久性试验。试验时间至少为3000h,可以用在一批C8分组的样管,将时间由1000五延长到3000h。本试验不作为验收依据。10附加资料(非检验用)
10.1特性曲线:
制造厂至少应给出下列特性曲线(典型值)P.~Ve曲线;
Pot~Pi曲线:
C22h~VcB曲线:
ic~Vee曲线
10.2输出功率P。t的测试电路和要求C
图中:
115×4
C1电容量为5~47pF;
C2电容量为5~47pF
C3电容量为2~10pF;
C4电容量为5~47pE:
C5电容量为0.01μF,
C6电容量为3300μF,
C7电容量为100pF,
C8电容量为100μF,
L1电感量材材为漆包线、线径为1mm、外径为6mm、匝数为5:L2电感量材料为漆包线、线径为1mm、外径为6mm、匝数为5;L3电感量为2nH,
LA、LB、Lc微带介质板衬底材料为四氟乙烯、相对介电常数&.=2.55、厚度为1.5mm
L长度为115mm;
宽度为4mm,
Ls长度为80mm,宽度为4mm,
Lc长度为18mm;宽度为4mm;
附加说明:
SJ2672.2-86
本标准由电子工业部标准化研究所提出。本标准由北京电子管厂负责起草,10
小提示:此标准内容仅展示完整标准里的部分截取内容,若需要完整标准请到上方自行免费下载完整标准文档。