首页 > 电子行业标准(SJ) > SJ 2672.8-1986 电子器件详细规范 3DA308型175MHz管壳额定的低电压双极型功率晶体管
SJ 2672.8-1986

基本信息

标准号: SJ 2672.8-1986

中文名称:电子器件详细规范 3DA308型175MHz管壳额定的低电压双极型功率晶体管

标准类别:电子行业标准(SJ)

标准状态:现行

发布日期:1986-02-17

实施日期:1987-06-01

出版语种:简体中文

下载格式:.rar.pdf

下载大小:551670

相关标签: 电子器件 详细 规范 管壳 额定 低电压 双极型 功率 晶体管

标准分类号

中标分类号:能源、核技术>>能源、核技术综合>>F01技术管理

关联标准

出版信息

页数:9页

标准价格:14.0 元

相关单位信息

标准简介

SJ 2672.8-1986 电子器件详细规范 3DA308型175MHz管壳额定的低电压双极型功率晶体管 SJ2672.8-1986 标准下载解压密码:www.bzxz.net

标准图片预览

SJ 2672.8-1986 电子器件详细规范 3DA308型175MHz管壳额定的低电压双极型功率晶体管
SJ 2672.8-1986 电子器件详细规范 3DA308型175MHz管壳额定的低电压双极型功率晶体管
SJ 2672.8-1986 电子器件详细规范 3DA308型175MHz管壳额定的低电压双极型功率晶体管
SJ 2672.8-1986 电子器件详细规范 3DA308型175MHz管壳额定的低电压双极型功率晶体管
SJ 2672.8-1986 电子器件详细规范 3DA308型175MHz管壳额定的低电压双极型功率晶体管

标准内容

中华人民共和国电子工业部部标准电子元器件详细规范
3DA308型
SJ2672.8-86
175MHz管壳额定的低电压双极型功率晶体管中国电子技术标准化研究所
电子元器件质量评定是根据:
GB4936.1-85
《半导体分立器件总规范》
SJ2672.8-86
3DA308型175MHz管壳额定的低电压双极型功率晶体管。定货资料:见本规范7机械说明:
电子工业部1986-02-17发布
简略说明
该管系NPN外延平面晶体管,在低压电台中作末前级和未级功率放大。材料:硅NN+外延片
封装:金属陶瓷封装
质量许定类别
参考数据
fo-175MHz
VcE=-12.5v
Pout≥20W
1987-06-01实施
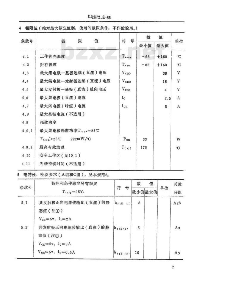
极限值(绝对最大额定值制,
条款号
工作管壳温度
贮存温度
SJ2672.8-86
使用的极限条件,不作检验用。)限
最大集电极一基极连续(直流)电压最大集电极一发射极连续(直流)电压最大发射极一基极(直流)反向电压最大集电极(直流)电流
最大集电极(峰值)电流
最大基极电流(不适用)
耗散功率
最大集电极耗散功率T.a:.=25℃Teate>25℃
最高有效结温
222mW/℃
安全工作区(见10.1)
失谐持续时间(不适用)
电特性:检验要求(A组和C组),见本规范8条款号
特性和条件除非另有规定
Tearg25℃
共发射极正向电流传输比(直流)的静态值(注①)
VcE=5V;I。=2A
共发射极正向电流传输比(直流)的静态值(注①)
VcE-5V:Ic-3A
VcE-5V,Ic0.5A
hz1E(1)
最小值
最大值
最小值最大值
条款号
SJ2672.8-8R
特性和条件除非另有规定
Teare-25℃
特征频率
正向散射参数(不适用)
截止电流
集电极一基级截止电流
Vc=36v
集电极一发射极截止电流
Vce=18v
集电极一基极截止电流(高温)VBc=25V:Tccs.=+125℃
集电极一发射极饱和压降
VcB-2.5A,Ig=0.5A
输出功率Pin—4W:f=175MHz
功率增益VcE=12.5v
集电极效率(条件同5.7)(注②)输出电容
VcB-15V,f--1MHz
互调系数(不适用)
注:①hFE的允许测试误差为土10%Peat
6标志
器件上的标志
型号、质量类别及等级标志;
制造厂厂名、代号或商标:
IcBO(1)
IcBO《2)
最小值最大值
Rthti-
6.1.3检验批识别代码;
6.1.4认证合格标志(适用时)。6.2包装箱上的标志
6.2.1重复器件上的标志:
SJ2672.8-86
6.2.2按GB191-73《包装储运指示标志》标上“防湿”等标志;6.2.3特殊供货时,标上“协议”编号。7定货资料
7.1型号:
7.2本详细规范号:
7.3其他技术协议号或工程代号(适用时),8试验条件和检验要求
在本章中除非另有规定,引用的条款号对应于GB4936.1-85的条款号,测试方法引自GB4587-84的6.1.1款。
一逐批
全部试验都是非破坏性的(见GB4936,1-85的3.6.6)检验
AI分组
外观检验
A2a分组
不工作
A2b分组
IcBo (n)
IcBou)
A3分组
hpE(1?
GB4936.1-
85的5.1.1
除非另有规定。Teate-25℃
(见GB4936.1-85的4)
VcE=5V,Ic-2A
VcB-36v
VcE=18v
VcB36V
VcE-18VIB-0
Vc-5V Ic-2A
Vc-12.5v.f=175MHZ
Pic-4W
Vc-12.5v,f=175MHz
Pin=4W
Ic=2.5A、IB0.5A
VcE-5V,Ic=3A
检验要求
最小值最大值
SJ2672.8-86
B组逐批
只有标明(D)的试验是破坏性的(见GB4936.1-85的3.6.6)引用
B1分组
B3分组
引线弯曲
B4分组
可焊性
B5分组
温度快速
继之以
最后测试
IcBou)
GB4936.J-
85的5.2和
附录C
GB4937-85
GB4937-85
GB4937-85
GB4937-85
GB4937-85
除非另有规定,T。a.—25℃
(见GB4936.1-85的4)
本试验采用方法1
受试引出端数:4
本试验采用方法b:
受试引出端数:4
冷槽温度:-55℃
热槽温度:+125℃wwW.bzxz.Net
循环次数:5次
严格度:2
细检漏采用方法1
粗检漏采用方法3
试验液体:氟油
干燥时间:3±1mia
方法3的第2步温度:+125℃
VcB36V,Ig-0
VcE=5V、Ic=2A
极限值
最小值最大值
无损坏
润湿良好
B8分组
电耐久性
最后测试
B9分组
高温贮存
最后测试
CRRL分
GB4938-85
GB4937-85
SJ2672.8-86
除非另有规定,Tea.25℃
(见GB4936.1-85的4)
时间:168h
VcE-125V,Pc=22W
Tc=+75℃
VcB-36V、IE-0
VcE=5V、Ic=2A
T.=+150℃
时间:168h
同B8分组
B3、B4、D5、B8、B9分组的属性资料C组—周期
极限值
最小值最大值
只有标明(D)的试验是破坏性的(见GB4936.1-85的3.6.6)检验
C1分组
C2a分组
GB4936.1-
85的5.2和
附录C
除非另有规定,T。s。=25℃
(见GB4936.1-85的4)
VcB=15V,f-1MHz
续上表
检验要求
极限值
最小值最大值
C2b分组
C2d分组
C3分组
转矩(D)
C4分组
耐焊接热
最后测试
C6分组
GB4937-85
GB4937-85
GB4937-85
SJ2672.8-86
除非另有规定,T。ae-25℃
(见GB4936.1-85的4)
Vc—15V、
Tea-+15℃
严格度:1
本试验采用方法1A
浸润时间,10±1s
恢复时间:30mlm
(周期为6个月)
VcB=36 V
VcE-5V.Ic=2A
本试验采用程序B4
振动方向:X、Y、Z
安装方法:引线和本体
同时固定
频率范围:100~2000Hz
加速度:196m/s2(20g)
时间:3个方向、各进行4次
循环、每次8.5min
极限值
最小值最大值
续上表
继之以
恒定加速
最后测试
C8分组
耐久性
最后测试I℃Bo)
C9分组
高温贮存
最后测试
CRRL分
GB4937-85
GB4938-85
GB4937-85
的3,2
SJ2672.8-86
除非另有规定,Tease-25℃
(见GB4936.1-85的4)
严格度:196000m/s2
(20000g)
加速度轴和方向:X、Y
方向、Y方向为管脚向内
同C4分组
时间:1000h
VcE=12.5v,Pc-22W
Tc=+75℃
同B8分组
T.=+150℃
时间:1000h
同B8分组
极限值
最小值最大值
C3、C6和C9分组的属性资料、C8分组前后的测试数据D组—鉴定批准试验
续上表
D组试验每2年至少进行一次,项目为电耐久性试验,试验时间至少为3000h。可以用任一批C8分组的样管,将时间由1000h延长到3000h。本试验不作为验收依据。10附加资料(非检验用)
10.1特性曲线:
制造厂至少应给出下列特性典线(典型值)P.t~V.曲线:
P..~Pin曲线:
C226~VtB曲线
Ic~Vce曲线。
SJ2972.8-86
10.2输出功率P的测试电路和要求LA
图中:
158×8
C1电容量为.5~47pF:
C2电容量为5~47PF
C3电容量为5~47PF;
C4电容量为5~56PF
C5电容量为0.01μF:
C6电容量为3300PF:
C7电容量为100PF;
C8电容量为100PF,
L1电感量材料为漆包线、线径为1.2mm、外径为6mm、匝数为4.5;L2电感量材料为漆包线、线径为1.2mm、外径为6mm、匝数为11;L3电感量材料为银铜片厚度为0.1mm、长度为10mm、宽度为3mm;LA、L:、Lc微带介质板衬底材料为聚四氟乙烯、相对介电常数8r=2.55、厚度为1.5mm;
LA长度为158mm;宽度为8mm:
L长度为95mm:宽度为7.8mm;
附加说明:
本标准由电子工业部标准化研究所提出。本标准由北京电子管厂负责起草。9
小提示:此标准内容仅展示完整标准里的部分截取内容,若需要完整标准请到上方自行免费下载完整标准文档。