首页 > 电子行业标准(SJ) > SJ 2673.2-1986 电子器件详细规范 3DA312型470MHz管壳额定的低电压双极型功率晶体管
SJ 2673.2-1986

基本信息

标准号: SJ 2673.2-1986

中文名称:电子器件详细规范 3DA312型470MHz管壳额定的低电压双极型功率晶体管

标准类别:电子行业标准(SJ)

标准状态:现行

发布日期:1986-02-17

实施日期:1987-06-01

出版语种:简体中文

下载格式:.rar.pdf

下载大小:571558

相关标签: 电子器件 详细 规范 管壳 额定 低电压 双极型 功率 晶体管

标准分类号

中标分类号:能源、核技术>>能源、核技术综合>>F01技术管理

关联标准

出版信息

页数:3页

标准价格:8.0 元

相关单位信息

标准简介

SJ 2673.2-1986 电子器件详细规范 3DA312型470MHz管壳额定的低电压双极型功率晶体管 SJ2673.2-1986 标准下载解压密码:www.bzxz.net

标准图片预览

SJ 2673.2-1986 电子器件详细规范 3DA312型470MHz管壳额定的低电压双极型功率晶体管
SJ 2673.2-1986 电子器件详细规范 3DA312型470MHz管壳额定的低电压双极型功率晶体管
SJ 2673.2-1986 电子器件详细规范 3DA312型470MHz管壳额定的低电压双极型功率晶体管
SJ 2673.2-1986 电子器件详细规范 3DA312型470MHz管壳额定的低电压双极型功率晶体管
SJ 2673.2-1986 电子器件详细规范 3DA312型470MHz管壳额定的低电压双极型功率晶体管

标准内容

中华人民共和国电子工业部部标准电子元器件详细规范
3DA312型
SJ2673.2-86
470MHz管壳额定的低电压双极型功率晶体管中国电子技术标准化研究所
电子元器件质量评定是根据:
GB4936.1-85
《半导体分立器件总规范》
SJ2673.2-86
3DA312型470MH管壳额定的低电压双极型功率晶体管。定货资料:见本规范7机械说明:
电子工业部1986-02-17发布
简略说明:
该管系NPN外延平面晶体管,
在低压电台中作末前级和末级功率放大。
材料:硅NN+外延片
封装:金属陶瓷封装
质量评定类别
参考数据
f,=470MHz
VcE-12.5V
Pout≥1W
G,≥8.2dB
1987-06-01实施
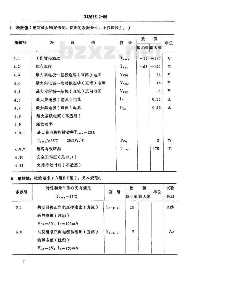
极限值(绝对最大额定值制,
条款号
工作管壳温度
此存温度
SJ2673.2-86
使用的极限条件,
不作检验用。)
最大集电极一基极连续(直流)电压最大集电极一发射极连续(直流)电压最大发射极一基极(直流)反向电压最大集电极(直流)电流
最大集电极(峰值)电流
最大基极电流(不适用)
耗散功率
最大集电极耗散功率T。。=25℃T...>25℃
最高有效结温
20mW/℃
安全工作区(见10.1)
失谐持续时间(不适用)
电特性:检验要求(A组和C组),见本规范8.条款号
特性和条件除非另有规定
T....-25℃
共发射极正向电流传输比(直流)的静态值(注①)
VcR=5V.Ic=100mA
共发射极正向电流传输比(直流)的静态值(注①)
Vce=-5V:1c-250mA
hz1E(2)
最小值最大值
最小值最大值
条款号
SJ2673.2-86
特性和条件除非另有规定
T..*。25℃
特征频率
正向散射参数(不适用)
截止电流
集电极一基极截止电流
VcB=36V
集电极一发射极截止电流
Vce=18V
集电极一基极截止电流(高温)VcB=25V,T....=+25c
集电极一发射极饱和压降
Ic=150mA:Ig=30mA
Ico(2)
VcE(sat)
输出功率Pin=0.15W:f=470MHz
功率增益VcE=12.5V
集电极效率(条件同5.7)(注②)输出电容
Vc=12.5V:f=1MHz;Ig=0
互调系数(不适用)
注:①hr的允许测试误差为士10%Poat
?ne=Pe(d.c)
6标志
6.1器件上的标志
6.1.1型号、质最类别及等级标志;6.1.2制造厂厂名、代号或商标;Gp
最小值最大值
6.1.3检验批识别代码;
6.1.4认证合格标志(适用时)。6.2包装箱上的标志
6.2.1重复器件上的标志:
SJ2673.2-86
6.2.2按GB191-73《包装储运指示标志》标上“防湿”等标志;6.2.3特殊供货时,标上协议”编号。7定货资料
7.1型号;
7.2本详细规范号
7.3其他技术协议号或工程代号(适用时)。8试验条件和检验要求
在本章中除非另有规定,引用的条款号对应于GB4936.1一85的条款号,测试方法引自GB4587—84的6.1.1款。
A组一逐批
全部试验都是非破坏性的(见GB4936.1-85的3.6.6)检验
或试验
A1分组
外观检验
A2a分组
不工作器
A2b分组
A3分组
hFE(1)
IcBo()
IcBo(1)
VcE (CEO)
heE(2)
引用标准
一85的
条件除非另有规定,
Tes—25℃
(见GB4936.1-85的4)
VcE=5V
Ic=100mA
VcB36V
VcE-18V
VcB-36V、Ie=0
Vcz=18V.IB=0
VcE-5V.Ic-100mA
Vc-12.5V、f=470MHz
P..=0.15W
Vc=12.5V、f=470MHz
P..-0.15W
Ic150mAIg=30mA
VcE-5V,Ic-250mA
检验要求
最小值最大值
SJ2673.2-86
B组—逐批
只有标明(D)的试验是破坏性的(见GB4936.1-85的3.6.6)检验
或试验
B1分组
B3分组
引线弯曲
B4分组
可焊性
B5分组
温度快速
继之以
最后测试
引用标准
-85的5.2
和附录C
GB4937-
85的2.1.2
GB4937-
85的2.2.1
GB4937-
85的3.1.2
GB4937-
85的3.7.4
GB4937~
85的3.7.5
条件除非另有规定
(见GB4936.1-85的4)
本试验采用方法1;
受试引出端数:4
本试验采用方法b:
受试引出端数:4
冷槽温度:-55℃
热槽温度:+125℃
循环次数:5次
严格度:2
细检漏采用方法1
粗检漏采用方法3
试验液体:氟油
干燥时间:3±1min
方法3的第2步温度:
+125℃
极限值
最小值最大值
无损坏
润湿良好
或试验
最后测试
B8分组
电耐久性
最后测试
B9分组
高温贮存
最后测试
CRRL分
引用标准
SJ2673.2-86
条件除非另有规定,
Tea5-5℃
(见GB49360.1-85的4)
Vcg-36V,IE=0
VcE=5V、le-100mA
GB4938-1时间:168h
GB4937-
Vce-125V,Pc-2W
Te-75℃
VcB-36V.I-0
VcE=5VIc=100mAWww.bzxZ.net
Tstg=+150c
时间:168h
同B8分组
B3、B1、B5、B8、B9分组的属性资料C组——周期
续上表
检验要求
极限值
最小值最大值
只有标明(D)的试验是破坏性的(见GB4936.1-85的3.6.6)检验
或试验
Ci分组
引用标准
-85的5.2
和附录C
条件除非另有规定,
Tease25℃
(见GB4936.1—85的4)
检验要求
极限值
最小值最大值
或试验
C2a分组
C2b分组
C2b分组
C3分组
转矩(D)
C4分组
耐焊接热
最后测试
C6分组
IcBO2)
IcBO:t
引用标准
T007—
T—001
GB4937-
SJ2673.2-86
条件除非另有规定,
T...25℃
(见GB4936.1-85的4)
Vc12.5V、f=1MHz
VcBm25V、
Toas.-+125℃
严格度:1
85的2.1.4
GB4937-
85的2.2.2
T—006
GB4937-
本试验采用方法1A
浸润时间:10±15
恢复时间:30min
(周期为6个月)
VcB-36V
Vc=5V.Ic=100mA
本试验采用程序B4
振动方向:X、Y、Z
安装方法:引线和本体同
时固定
频率范围:100~2000Hz
续上表
检验要求
最小值最大值
加速度:196m/s2(20g)
时间:3个方向、各进行
4次循环、每次8.5min
或试验
继之以
恒定加速
最后测试
C8分组
电耐久性
最后测试
C9分组
高温贮存
最后测试
CRRL分
hpe()
引用标准
GB4937-
SJ2673.2-86
条件除非另有规定,
(见GB4936.1-85的4)
严格度:196000m/s2
(20000g)
加速度轴和方向:X、Y
方向、Y方向为管脚向内
同C4分组
GB4938-
时间:1000h
GB4937-
VcE=12.5V.Pc=2W
Tc=+75r
同B8分组
T.-+150℃
时间:1000h
同B8分组
续上表
最小值最大值
C3、C6和C9分组的屑性资料、C8分组前后的测试数据9D组—鉴定批准试验
D组试验每2年至少进行一次,项目为电耐久性试验,试验时间至少为3000h,可以用任一批C8分组的样管,将时间由1000h延长到3000h,本试验不作为验收依据。10附加资料(非检验用)
10.1特性曲线:
制造厂至少应给出下列特性曲线(典型值)8
P。t~V.曲线;
Pout~Pin曲线;
C.26VcB曲线:
T~Vc曲线。
SJ2673.2-86
10.2输出功率P.的测试电路和要求28
图中:
C1电容量为
C2电容量为
C3.电容量为
C4电容量为
C5电容量为
C6电容量为
C7电容量为
C8电容量为
1800pF
L1电感量材料为银铜线、线径为0.8mm、外径为10mm、数为7;L2电感量材料为漆包线、线径为1mm、外径为6mm、匝数为5;L3电感量为1.5nH,
LA、LB、Lc微带介质板衬底材料为聚四氟乙烯、相对介电常数EY=2.05、厚度为2mm;
L^长度为17mm;宽度为6.6mm
L长度为40mm;宽度为20mm;
Lc长度为34.5mm;宽度为5.2mm
附加说明
本标准由电子工业部标准化研究所提出。本标准由北京电子管厂负责起草,9
小提示:此标准内容仅展示完整标准里的部分截取内容,若需要完整标准请到上方自行免费下载完整标准文档。