首页 > 电子行业标准(SJ) > SJ 2702-1986 3DG458型NPN硅高频小功率晶体管详细规范
SJ 2702-1986

基本信息

标准号: SJ 2702-1986

中文名称:3DG458型NPN硅高频小功率晶体管详细规范

标准类别:电子行业标准(SJ)

标准状态:现行

发布日期:1986-03-15

实施日期:1986-10-01

出版语种:简体中文

下载格式:.rar.pdf

下载大小:499198

相关标签: 高频 功率 晶体管 详细 规范

标准分类号

中标分类号:能源、核技术>>能源、核技术综合>>F01技术管理

关联标准

出版信息

页数:10页

标准价格:15.0 元

相关单位信息

标准简介

SJ 2702-1986 3DG458型NPN硅高频小功率晶体管详细规范 SJ2702-1986 标准下载解压密码:www.bzxz.net

标准图片预览

SJ 2702-1986 3DG458型NPN硅高频小功率晶体管详细规范
SJ 2702-1986 3DG458型NPN硅高频小功率晶体管详细规范
SJ 2702-1986 3DG458型NPN硅高频小功率晶体管详细规范
SJ 2702-1986 3DG458型NPN硅高频小功率晶体管详细规范
SJ 2702-1986 3DG458型NPN硅高频小功率晶体管详细规范

标准内容

中华人民共和国电子工业部部标准3DG458型NPN硅高频
小功率晶体管详细规范
中国电子技术标准化研究所
电子元器件质量评定是根据:
GB4936.1-85
半导体分立馨件总规范
SJ2702-86
3DG458型NPN硅高频小功率鼻体管详细规范订货资料:见本规范第7章。
1.机械说明
外形符合CB7581-87中A8-07A的
要求(见本规范10.2条)。
中华人民共和国电子工业部1986-03-15发布1
简略说明
半导体材料:硅(N型)
封装:塑料封装
应用,高频小信号放大
质量评定类别
参考数据:
Ptot≥200mW
Ic100mA
SJ2702-86
1986-10-01实施
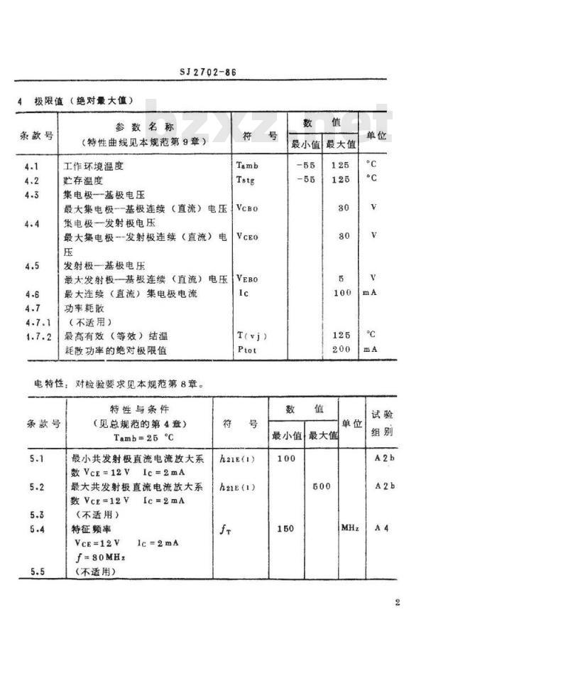
极限值(绝对最大值)
参数名称
条款号
SJ2702-86
(特性典线见本规范第9章)
工作环境温度
存温度
集电极-基极电压
最大集电极一一基极连续(直流)电压集电极一发射极电压
最大集电极发射极连续(直流)电
发射极一基极电压
最大发射极一基极连续(直流)电压最大连续(直流)集电极电流
功率耗散
(不适用)
最高有效(等效)结温
耗散功率的绝对极限值
电特性:对检验要求见本规范第8章。特性与条件
条款号
(见总规范的第4章)
Tamb=26°℃
最小共发射极直流电流放大系
数VcE=12V
Ic=2mA
最大共发射极直流电流放大系
数VCE=12V
(不适用)
特征频率
VCE=12V
f=80MHz
(不适用)
Ic=2mA
Ic=2mA
h21E(1)
h21E(1)
最小值
最小值
最大值
最大值
条款号
6标志
SJ2702-86
特性和条件
(见总规范的第4章)
Tamb=25°℃
截止电流
最大集电极一基极截止电流
VcB=30V
最大集电极一发射极截止电流
VcE=80VIB=0
高温截止电流
最大集电极一基极截止电流
VCB=20V
Tamb=100°C
最大发射极一基极截止电流
VEB=5V
最大基极一发射极电压
VcE=12VIc=2mA
集电极一发射极饱和电压
Ic=10mAIB=1mA
(不适用)
噪声系数
VcE=6V
f=1kHz
RL=5000
共基极输出电容
VcB=10V
f=1MHz
(不适用)
(不适用)
结到环境的热阻
6.1器件上的标志
IcBO(1)
IcEO(1)
IcBO(2)
VcE(Sat)
最大值
最小值
'Rth(j-a)
6.1.1产品型号8DG458,允许省略引出端代码“8”,即DG458。8
SJ2702-86
h21E分档标志:B(100~200)、C(160~820)、D(250~500)。类别标志:放在h21E分档标志后面。制造厂商标。
包装盒上的标志
重复器件上的标志,其中产品型号应是完整的产品型号。6.2.3
检验批识别代码。
标上“防湿”等字样。
定货单
准确的产品型号
h21E分档标志
本规范编号
试验条件和检验要求,见下表
在本章中,除非另有规定,引用的条款号对应于GB4986.1-85的条款号,测试方法引自GB4986.1-85的6.1.1款。4
SJ2702-86
A组一逐批
A组全部试验都是非破坏性的(3.6.6)条
检查或试验
A1分组
外观目检
A2每分组
不工作器件
IcBO(1)
h21E()
A2b分组
IcBO()
VCE(SE)
A4分组
引用标准
CB4936.1-85
Tamb=25°C
(见总规范的第4章)
VCB=80V
VcE=12V
VCB-80V
VcE-gOV
VeB-EY
VeE-12V
IrEalay
Ic=2mA
fcu2mA
Ic=2mA
Ic10ma
VcE=12VIc=&mA
F80MH2
f=1kHzRL=5000
最小值
最大值
检验或试验
B1分组
B3分组此内容来自标准下载网
引线弯曲
B4分组
可焊性
B5分组
温度变化
继之以
交变湿热
最后测试
IcBo(1)
h21E(1)
B8分组
电耐久性
引用标准
附录C
GB4937
GB4987
GB4937
IEC68-2
GB4988
SJ2702-86
B组逐批
Tamb=25°℃
(见总规范的第4章)
本试验采用方法1
受试引出端数:8
外加力:2.5N
本试验采用试验b
受试引出端数:8
其它规定见规范10.1条
TB=100℃
循环次数:10次。
严格度:1
试验Db
采用方式2
严格度:55℃
循环次数:6次
VcB=80V
VcE=12VIc=2mA
工作寿命
VcE=20V
Ic=10mA
时间:168h
最小值
最大值
见本规范10.2条
无损坏
按GB4937-85
检验或试验
最后测试
IcBO(1)
h21E(1)
B9分组
引用标准
高温贮存(D)GB4987
最后测试
同B8分组
CRRL分组
SJ2702-86
Tamb=25℃
(见总规范的第4章)
VcB=80V
VcE=12V
Ic=2mA
Tstg=125℃
时间:168h
最小值最大值
B3、B4、B5、B8、B9的属性资料C组周期
只有标明(D)的试验是破坏性的(3.6.6)条
检验或试验
C1分组
C2a分组
引用标准
附录C
Tamb=25℃
(见总规范的第4章)
VcB=10V
f=1MHz
最小值
最大值
见本规范10.2条
检验或试验
C2b分组
IcB0(2)
C3分组
拉力(D)
C4分组
引用标准
GB4987
耐焊接热(D)
GB4937
最后测试
同B5分组
C7分组
稳态湿热
最后测试
同B8分组
C8分组
电耐久性
最后测试
同B8分组
c9分组
GB4987
GB4988
高温贮存(D)GB4987
最后测试
同B8分组
C11分组
标志耐久件
GB4987
SJ2702-86
Tamb=25℃
(见总规范的第4章)
VCB=20VIE=0
Tamb=100℃
受试引出端数:3
外加力:5N
周期为6个月
试验采用方法1A
Tamb=85°℃
相对湿度:85%
VCB=24V
时间:168h
VcB=20V
Pto1=200mW
时间:1000h
Teig=125°℃
时间:1000h
试验采用方法2
最小值
最大值
按GB4987-85
检验或试验
C12分组
易燃性
CRRL分组
引用标准
GB4987
SJ2702-86
除非另有规定
Tamh=25°℃
(见总规范的第4章)
最小值
最大值
C2、C3、C4、C7、C9、C11和C12分组的属性资料,C8分组试验前后的测量数据
D组检验(不适用)
10附加资料
可焊性试验的补充要求
10.1.1加速老化
对于在器件制成后,又进行沾锡(或镀锡)的器件,需做加速老化。其条件是:100c水蒸汽中置放1小时。
10.1.2试验方法。
10.1.2.1°优先采用焊槽祛。
10.1.2.2必要时,可采用润湿称量法。按国家标准GB2428.32-85《电工电子产品基本环境试验规程润湿称量法的可焊性试验方法》进行,按使用非活性焊剂时,在秒钟内达到理论润湿力的%。
外形图
附加说明
见详照
SJ2702-86
详图(三撮引线载面)
本标准由中国电子技术标准化研究所提出。本标准由上海无线电廿九厂负责起草:本标准主要起草人:高维善、李新华。符
A3-07A
小提示:此标准内容仅展示完整标准里的部分截取内容,若需要完整标准请到上方自行免费下载完整标准文档。