首页 > 电子行业标准(SJ) > SJ 2703-1986 CBM-443DF型调频调幅四联薄膜介质可变电容器
SJ 2703-1986

基本信息

标准号: SJ 2703-1986

中文名称:CBM-443DF型调频调幅四联薄膜介质可变电容器

标准类别:电子行业标准(SJ)

标准状态:现行

发布日期:1986-03-26

实施日期:1986-10-01

出版语种:简体中文

下载格式:.rar.pdf

下载大小:788883

相关标签: 调频 调幅 薄膜 介质 可变 电容器

标准分类号

中标分类号:矿业>>矿业综合>>D01技术管理

关联标准

采标情况:IEC 418-2 日本三川三相应标准 NEQ

出版信息

出版社:电子工业出版社

页数:16页

标准价格:17.0 元

出版日期:1986-09-01

相关单位信息

发布部门:中华人民共和国电子工业部

标准简介

本标准是对CBM-443DF型(带有电连接C类预调电容器)调频调四联薄膜介质可变电容器(以下简称电容器)的技术规定。该类电容器主要是在半导体管调频调幅广播收音机和类似技术的电子设备中作调谐用。 SJ 2703-1986 CBM-443DF型调频调幅四联薄膜介质可变电容器 SJ2703-1986 标准下载解压密码:www.bzxz.net

标准图片预览

SJ 2703-1986 CBM-443DF型调频调幅四联薄膜介质可变电容器
SJ 2703-1986 CBM-443DF型调频调幅四联薄膜介质可变电容器
SJ 2703-1986 CBM-443DF型调频调幅四联薄膜介质可变电容器
SJ 2703-1986 CBM-443DF型调频调幅四联薄膜介质可变电容器
SJ 2703-1986 CBM-443DF型调频调幅四联薄膜介质可变电容器

标准内容

中华人民共和国电子工业部部标准SJ2703-86
薄膜介质调谐可变电容器
产品标准
1986-03-26发布
1986-10-01实施
中华人民共和国电子工业部
3批准
中华人民共和国电子工业部部标准CBM-443DF型
调频调幅四联薄膜介质可变电容器SJ2703-86
本标准是对CBM-443DF型(带有电连接C类预调电容器)调频调幅四联薄膜介质可变电容器(以下简称电容器)的技术规定。该类电容器主要是在半导体管调频调幅广播收音机和类似技术的电子设备中作调谐用。本标准与部标准SJ266586《薄膜介质调谐可变电容器总技术条件》并用。1外形图和尺寸
见图1~4和表1~4的规定
图示位置为最大电容量位置。
驱动机构逆时针旋转方向为电容量增加方向。2A
电子工业部1986-03-26发布
CBM-443DF型(安装螺孔型)
为套考尺寸
1986-10-01实施
轴端代号
SJ2703-86
安装开孔尺寸(参考)
菲:未注公差的尺于约按IT14级公差图2
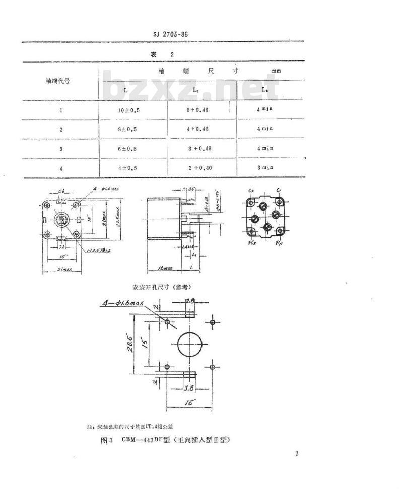
CBM一443DF型(正向插入型I型)mm
轴端代号
M2.5涨12
SJ2703-86
安装开孔尺寸(参考)
4-sbl.6max
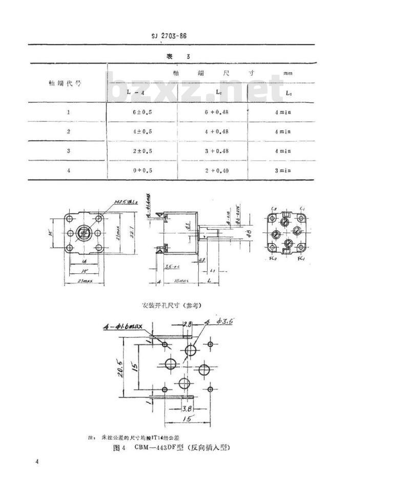
注,未注公差的尺寸均按IT14级公差图3
CBM-443DF型(正向插人型Ⅱ型)寸
轴端代号
SJ2703-86
M25源上
装开孔尺寸(参考)
-lbmax
注:未注公差的尺小均按IT14级公差图4
CBM-443DF型(反向插入型)
轴端代号
参数和特性
最大标称电容量(见表5)
最小标称电容量(见表5)
2.3气候类别25/055/04
3电气参数(见表5)
电气参量值和特性细则
最大电容量
AM联:
标称值(pF)
FM联:
标称值(pF)
最小电容量(电容量减小方向的止端处)AM联:
标称值(pF)
极限值(pF)
FM联:
标称值(pF)
极限值(pF)
SJ2703-86
电气参量修利特性细购
电容量范围:
调器电容器:
AM联:标称微(pF)
FM联:标称(pF)
预调电容器:
标称髓(pF)
极限(pF)
基准联
同步联
电容量想律福美(甚准联)
同步偏管
电容量现待:
电容量想待代号-A.B
辖角系
数(%)
电容最
SJ2703-86
85.5575.665.953.0
14.6713.412.310.08
±(2%+
±(1.5%AC+
±(1%AC
33.0121.4212.859.546.692.19
3.452.621.05
=(1.5%AC+
电容量
规律代号
电容量规律代号-D.B
数(%)
电容匙
AM126108.689.7
SJ2703-86
12.99.56.82.6
80.2 71.1 53.0,36.422.2
17.24 14.67 13:4612.3
电容盘规律代号-D.F
瓣角系
数(%)
AMli26
89.780.271.153.0
17.214.212.711.3
4.3 3.452.6 1.05
电容量规律和同步考核点为:25%、50%、75%、100%摔角系数处。AC表示考核点上基准联电容量增量标称值、注:如转角范围小于97%,期以股小电容器北端位置为零点基准电容量位阅,型号、标志、包装、运输、贮存4
4.1型号:由基本型号和规格代号组成。4.1.1基本型号:电容器的基本型号为CBM--443DF。4.1.2规格代号:电容器的规格代号见表60
电容量
规律代号
电容量
规律代号
4.1.3示例:电容器的基本型号为CBM--443DF,规格代号为1AB2,其型号为CBM一443DF-—1AB2。
4.2标志:在每个电容器上应清晰、牢固地标上产品的基本型号(CBM可省略)、制造厂商标及引出端符号(C1、Cz、FC1、FC)4.3包装、运输、贴存
按SJ2665-86第6.2、6.3、6.4条规定。SJ2703-86
电容量规律代号
轴端代号
安装型式代号
规格代号
SJ2703-86
电容量规律代号
轴端代号bzxZ.net
安装型式代号
SJ2703-86
轴端代号
电容量规律代号
安装型式代号
试验要求
除非表7另有规定,否则试验要求按SJ2665一86《薄膜介质调谐可变电容器总技术条件》标准规定,表7第二栏中的条款相对应SJ2665-86标准第4条试验的条款7
试验的补充条件
条款号
武验项目
塑料件应无断裂和显著划伤,金愿件应无矫触。
外观检查
武黔项目
有效转角
电容冠
最大电容量
最小电容盈
电容量规律
电容盘范围
损耗角正切碱
绝缘电阻
谢电压
动片接触电阻
聘动力知
条款号
SJ2703-86
献验的补充条件
调慧电容器:100%角处,预调电容器在最小电容量位置。
预调电容器,在最大电容量位置,翻脑电容器在电容量减少方向的止端位置调电容器在电容量减少方向的止端位置,预调电容器在最小电容量位置。厚动机构竭节到表5定的考核点位置进行測量。
测武率和容量:
AM联,1MHz;最大和最小电容最位FM联:100MHz:10pF位置。
预调电容器:置最小电容量位
调电容器:
预調电容器:
最大和最小电容量位置
最大电容量位置
試验电压:100V(dc)或70V(50Hz、效值)。
调器电容器
器电容器
预电容器
符合本标准第1条
调譜电容器96%-99%;预调电容器180°符合表5规定
预调电容器应符合表5规定
tgo值
AM联:≤7×10-a
FM联:≤10×10-s
≥250MQ
应无击穿
5~40mN*m力矩比≤3
3~40mN?m
小提示:此标准内容仅展示完整标准里的部分截取内容,若需要完整标准请到上方自行免费下载完整标准文档。