首页 > 电子行业标准(SJ) > SJ 2708-1986 声音和电视信号的电缆分配系统图形符号
SJ 2708-1986

基本信息

标准号: SJ 2708-1986

中文名称:声音和电视信号的电缆分配系统图形符号

标准类别:电子行业标准(SJ)

标准状态:现行

发布日期:1986-07-15

实施日期:1986-07-15

出版语种:简体中文

下载格式:.rar.pdf

下载大小:101730

相关标签: 声音 电视信号 电缆 分配 系统 图形符号

标准分类号

中标分类号:能源、核技术>>能源、核技术综合>>F01技术管理

关联标准

出版信息

页数:8页

标准价格:15.0 元

出版日期:1986-06-15

相关单位信息

起草单位:武汉市无线电天线厂和电子工业部标准化研究所

提出单位:电子工业部标准化研究所

发布部门:中华人民共和国电子工业部

标准简介

本标准规定了图形符号适用于“声音和电视信号的电缆分配系统”的电气图 SJ 2708-1986 声音和电视信号的电缆分配系统图形符号 SJ2708-1986 标准下载解压密码:www.bzxz.net

标准图片预览

SJ 2708-1986 声音和电视信号的电缆分配系统图形符号
SJ 2708-1986 声音和电视信号的电缆分配系统图形符号
SJ 2708-1986 声音和电视信号的电缆分配系统图形符号
SJ 2708-1986 声音和电视信号的电缆分配系统图形符号
SJ 2708-1986 声音和电视信号的电缆分配系统图形符号

标准内容

1总则
中华人民共和国电子工业部部标准声音和电视信号的电缆分配系统图形符号
SJ 2708—86
1.1本标准规定的图形符号适用于“声音和电视信号的电缆分配系统”的电气图。1.2本标准所示图形符号的方位可按图面布置需要旋转或成镜像放置,但文字和指示方向不得倒置。1.3本标准所示图形符号的大小可按需要缩小或放大,但符号各组成部分之间的比例应保持不变。1.4根据需要可以对本标准的图形符号补充附加信息,附加信息一般标在该图形符号附近,也可标在图形符号内,但此时应加方括号。1.5本标准未规定的图形符号可采用国标GB4728《电气图用图形符号》中规定的符号或按标准所示符号进行组合派生。
1.6本标准中的图形符号凡与GB4728相同者均标出相应的符号序号。2天线
图形符号
图形符号
天线(VHF、UHF、FM频段用)
矩形波导馈电的抛物面天线
带本地天线的前端(示出一路天线)注:支线可在圆上任意点画出。无本地天线的前端(示出路干线输人,一路干线输出)
中华人民共和国电子工业部1986-07-15发布GB4728
10-04-01
10-05-13
GB4728
11-09-01
11-09-02
1986-07-15实施
4放大器
图形符号
5混合器或分路器
图形符号
SJ 2708--86
放大器,一般符号
具有反向通路的放大器
带自动增益和/或自动斜率控制的放大器
具有反向通路并带自动增益和/或自动斜率控制的放大器
桥接放大器(示出三路支线或分支线输出)
注:①其中标有小圆点的一端输出电平较高。
②符号中,支线或分支线可按任意适当角度画出。
干线桥接放大器(示出三路支线输出)线路(支线或分支线)末端放大器(示出两路分支线输出)
干线分配放大器(示出两路干线输出)说
混合器(示出五路输入)
有源混合器(示出五路输入)
分路器(示出五路输出)
GB4728
10-15-01
11-10-04
11-10-01
11-10-02
GB4728
分配器
图形符号
用户分支器与系统输出口
图形符号
SJ 2708-86
二分配器
三分配器
注:同符号4.5的注①。
四分配器
定问耦合器
用户一分支器
注:①圆内允许不画直线面标注分支量。②当不会引起混滑时,用户线可省去不画。
③用户线可按任意适当角度画出。示例:标有分支量的用户分支器(未示出用户线)
用户二分支器
用户四分支器
系统输出口
串接式系统输出口
具有一路外接输出的串接式系统输出GB4728
11-11-01
11-11-02www.bzxz.net
11-11-03
GB 4728
11-12-01
11-12-02
11-12-03
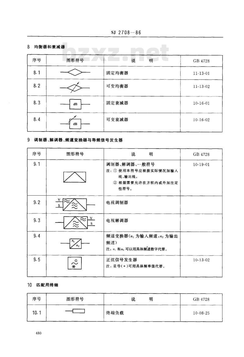
8均衡器和衰减器
图形符号
SJ 2708—86
固定均衡器
可变均衡器
固定衰减器
可变衰减器
调制器、解调器、频道变换器与导频信号发生器序号
匹配用终端
图形符号
图形符号
调制器、解调器、般符号
注:①使用本符号应根据实际情况加输人线、输出线。
②根据需要允许在方框内或外加注定性符号。
电视调制器
电视解调器
频道变换器(nl为输入频道,n2为输出频道)
注:n和n2可以用具体频道数字代替。正弦信号发生器
注:星号(*)可用具体频率值代替。说
终端负载
GB4728
11-13-01
11-13-02
10-16-01
10-16-02
GB4728
10-19-01
10-13-02
GB4728
10-08-25
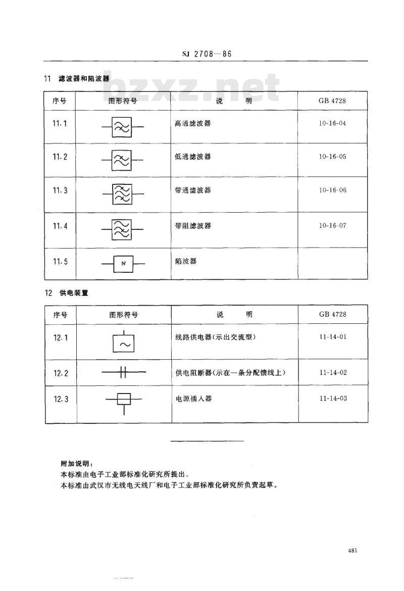
滤波器和陷波器
12供电装置
附加说明:
图形符号
图形符号
SJ 2708
高通滤波器
低通滤波器
带通滤波器
带阻滤波器
陷波器
线路供电器(示出交流型)
供电阻断器(示在一条分配馈线上)电源插入器
本标准由电子工业部标准化研究所提出。本标准由武汉市无线电天线厂和电子工业部标准化研究所负责起草。GB 4728
10-16-04
10-16-05
10-16-06
10-16-07
GB4728
11-14-01
11-14-02
11-14-03
小提示:此标准内容仅展示完整标准里的部分截取内容,若需要完整标准请到上方自行免费下载完整标准文档。