首页 > 电子行业标准(SJ) > SJ 2727-1986 2CZ313型硅普通整流二极管详细规范
SJ 2727-1986

基本信息

标准号: SJ 2727-1986

中文名称:2CZ313型硅普通整流二极管详细规范

标准类别:电子行业标准(SJ)

标准状态:现行

发布日期:1986-10-24

实施日期:1987-10-01

出版语种:简体中文

下载格式:.rar.pdf

下载大小:477044

相关标签: 整流 二极管 详细 规范

标准分类号

中标分类号:能源、核技术>>能源、核技术综合>>F01技术管理

关联标准

采标情况:IEC/TC47(CO)959 NEQ

出版信息

出版社:电子工业出版社

页数:10页

标准价格:15.0 元

出版日期:1987-09-01

相关单位信息

起草人:王思平、孙成昌、黄宗芬、李新华

起草单位:天津第三半导体器件厂

归口单位:中国电子技术标准化研究所

发布部门:中华人民共和国电子工业部

标准简介

在彩色电视机及其它无线电电子设备中作中速开关或整流用。 SJ 2727-1986 2CZ313型硅普通整流二极管详细规范 SJ2727-1986 标准下载解压密码:www.bzxz.net

标准图片预览

SJ 2727-1986 2CZ313型硅普通整流二极管详细规范
SJ 2727-1986 2CZ313型硅普通整流二极管详细规范
SJ 2727-1986 2CZ313型硅普通整流二极管详细规范
SJ 2727-1986 2CZ313型硅普通整流二极管详细规范
SJ 2727-1986 2CZ313型硅普通整流二极管详细规范

标准内容

中华人民共和国电子工业部部标准2CZ313型硅普通整流二极管详细规范中华人民共和国电子工业部
器件费置评定是根据:
GB4936.1—85
《半导体分立器件总规范》
2CZ313硅普通整流二极管详细规范订货资料,见本规范第7章
1机械说明
外形符合GB7581—87中D2—05C的要求(见本规范第10.2条)
SJ2727-86
2简略说明
半导体材料:N型硅单晶
封装:非空腔塑料封装
SJ2727-86
应用:在彩色电视机及其它无线电电子设备中作普通整流用。
3质量评定类别
参考数据:
2CZ313C
2CZ313E
2CZ313G
2CZ313H
中华人民共和国电子工业部1986-10—24发布1
Ip(AV)
1986—10—01实施
极限值(绝对最大额定值)
SJ2727—86
除非另有规定,这些极限值在整个工作环境温度范围内适用。条款号
参数名称
工作环境温度
贮存温度
有效结温
反向需复峰值电压
2CZ313C
2CZ313E
2CZ313G
2CZ313H
反向工作峰值电压
2CZ313C
2CZ313E
2CZ313G
2CZ313H
反向不重复峡值电压
2CZ313C免费标准bzxz.net
2CZ313E
2CZ313G
2CZ313H
正向平均电流
在规定的转折点温度Ta下的平均正向电流(见本规范图1)
测试电路为电阻性负载的单相电路。正弦波的导通角为180
正向(不童复)浪涌电
正向(不重复)浪涌电流额定值为:在最大平均正向电流下连续工作之后所加的正弦半波电流(50Hz、10ms)的聂大值。
试验时不加反向电压
IP(AV)
最小值
最大值
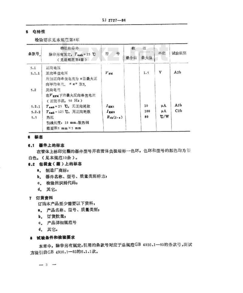
5电特性
检验要求见本规范第8章
特性和条件
条款号
8标志
除非另有规定,Tamb=25℃
(见总规范第4章)
正向电压
正向峰值电压
所加正向峰值电流为元倍最大正向平均电流。“元”取3
反向电流
在VRRM下的最大反向峰值电流
(正弦半波,50Hz)
Tamb=25℃,无正向耗散
T=125℃,无正向耗散
引线长度:10mm,散热铜
箔面积5mm×5mm
器件上的标志
SJ2727—86
Rth(i-a)
最小值
最大值
试验组别
在管体上标印完整的器件型号并在管体负极端标一色环,色环和型号的颜色均为银白色。(见本规范10条)。
6.2包装盒(箱)上的标志
a。制造厂商标,
b。器件名称、型号、质量类别标志,C,检验批识别代码,
d,其它。
7订货资料
订购本产品至少需要以下资料:。产品名称、型号、质量类别,订货数量,
c。产品详细规范号
d.其它。
试验条件和检验要求
本章中,除非另有规定,引用的条款号对应于总规范GB4936.1一85的条款号,测试方法引自GB4936.1—85的6.1.1款。3
SJ2727-86
A组一逐抵
所有试验都是非破坏性的(3.6.6)条
检验或试验
A1^组
外观查检
Aza分组
不工作器件
A2b分组
引用标准
除非另有规定,T.b=25℃
(见总规范第4章)
IgM=1.5A,to=1ms,8=2%
VRM=VRRM(正弦半波,50Hz)
IpM=1.5A,t=1ms,8=2%
VRM=VRRM(正弦半波,50Hz)
B组一邀批
只有标明(D)的试验是破坏性的(3.6.6)条
检验或试验
B3分组
引用标准
引线查曲(D)GB4937—85
除非另有规定,Tamb=25
(见总规范第4章)
试验采用方法1
受试引线数:2
外加力:5N
检验要求
极限值
最小值最大值
极性颠倒
极限值
最小值最大值
无损坏
检验或试验
B4分组
可焊性
B5分组
温度变化
继之以
引用标准
GB4937—85
GB4937—85
交变湿热(D)IEC68-2-30
最后测试
同A2b分组
B8分组
电耐久性
最后测试
CRRL分组
GB4938-85
SJ2727—86
除非另有规定,T,b=25
(见总规范第4章)
优先采用焊槽法
受试引线数:2
其它要求见本规范附录人
TB=100C
循环次数:10次
严格度:1
采用方式2
严格度:55℃
循环次数:2次
工作寿命
Ig(AV)=0.5 A
VRM=VRRM
时间:168h
试验时,夹具夹在距管体
1015mm的引线上,
Igm=1.5A,tg=1ms,8=2%
VM=VRRM(正弦半波,50Hz)
B3、B4、B5和B8分组的属性资料检验要求
极限值
最小值
最大值
润湿良好
SJ2727-86
C组一周期
只有标明(D)的试验是破坏性的(3.6.6)条
检验或试验
C1分组
C2b分组
C2e分组
最后测试
同A2b分组
引用标准
本规范
C4分组
耐焊接热(D)GB4937—85
最后测试
同A2b分组
C7分组
交变湿热(D)IEC68—2—
最后测试
同B8分组
C8分组
电耐久性
最后测试
同B8分组
GB4938-85
C9分组
高温贮存(D)GB4937-85
最后测试
同B8分组
C11分组
GB4937-85
标志耐久性
C12分组
易燃性
CRRL分组
GB4937-85
除非另有规定,T.m=25℃
(见总规范第4章)
Tamb=125C
VRM=VRRM(正弦半波50Hz)
Tamb=60℃
IFSM=20A
周波数和浪涌数均为1
采用方法1A
采用方式2
严格度:55℃
循环次数:6次
工作寿命
时间不小于1000h
其它条件同B8分组
Tstg=140C
时间不小于1000h
试验采用方法2
溶液:100%三氯艺烯
检验要求
极限值
最小值最大值
见GB4937-85
C4、C5、C7、C8、C9、C11和C12分组的属性资料单位
9D组检验(不适用)
10附加资料
电流降额曲线
F(AY)(A)
外形图
最小值
SJ2727-86
电流降额曲线
Tamb(c)
负极标志
单位:mm
标称值
图2外形尺寸
最大值
A.1加速老化
SJ2727—86
附录A
可焊性试验的补充要求
(补充件)
对于在器件制成后,又进行沾锡(或镀锡)的器件,需做加速老化。其条件是,100℃水蒸气中置放1小时。
A.2、试验方法
a:优先采用焊槽法。
b。必要时,可采用润湿称盟法。按国家标准GB2423.32-85《电工电子产品基本环境试验规程润湿称量法的可焊性试验方法》进行。润湿过程,按使用非活性焊剂时,在3秒钟内达到理论润湿力的35%。附录B
正向(不重复)浪涌电流测试方法(补充件)
B.1目的
在规定条件下,验证二极管正向(不重复)浪涌电流的额定值。B.2电路图
正向(不重复)浪涌电流测试电原理图如下,R1
电路说明和要求
图1电路图
电路说明
P1为测试通过被测二极管正向平均电流的仪表P2为峰值读数仪表或示波器等
为被测二极管。
为取样电阻。
为正向平均电流调定电阻。
R2为浪涌电流的调定电阻。
S为控制器
SJ2727-86
G1为向被测管提供正向平均电流的电源G2为向被测管提供正向浪涌电流的电源。B.8.2电路要求
流过被测管的正向平均电流应与正向浪涌电流相位一致(见图B2)IA)
图B2IFs与pM的相位示意图
IFSM——正向浪浦电流
IFM-正向峰值电流
B.4测试步骤
将G1此G2两电源都调至零。
将被测管按其极性标志插入测试台的管座,并检查环境温度。调节G1和R1,使P1上测得的正向平均电流达到规定值。调节G2和R2,使P2上测得的峰值电压达到规定值,此时正向浪涌电流也达到规定。
开启控制器,按B.5规定的条件对被测管施加正向浪涌电流。根据试验后的测试来验证被测管承受正向浪涌电流额定值的能力。B.5规定条件
正向浪涌电流的数值:
每次浪涌的周波数,浪涌次数和重复率,环境温度
试验后测试项目、极限值、测试条件。9
附加说明,
国内型号
2CZ313C
2CZ313E
2CZ313G
SJ2727—86
附录C
国内外型号参考对照轰
(参考件)
本标准由中国电子技术标准化研究所提出。本标准由天津第三半导体器件厂负责起草。国外型号
本标准主要起草人:王思平、孙志昌、黄宗芬、李新华。-10
小提示:此标准内容仅展示完整标准里的部分截取内容,若需要完整标准请到上方自行免费下载完整标准文档。