首页 > 电子行业标准(SJ) > SJ 2726-1986 2CZ312型硅普通整流二极管详细规范
SJ 2726-1986

基本信息

标准号: SJ 2726-1986

中文名称:2CZ312型硅普通整流二极管详细规范

标准类别:电子行业标准(SJ)

标准状态:现行

发布日期:1986-10-24

实施日期:1987-10-01

出版语种:简体中文

下载格式:.rar.pdf

下载大小:459316

相关标签: 整流 二极管 详细 规范

标准分类号

中标分类号:能源、核技术>>能源、核技术综合>>F01技术管理

关联标准

采标情况:IEC/TC47(CO)959 NEQ

出版信息

出版社:电子工业出版社

页数:10页

标准价格:15.0 元

出版日期:1987-09-01

相关单位信息

起草人:王恩平、孙志昌、黄宗芬、李新华

起草单位:天津第三半导体器件厂

归口单位:中国电子技术标准化研究所

发布部门:中华人民共和国电子工业部

标准简介

半导体材料:N型硅单晶 封装:非空腔塑料封装应用:在彩色电视机及其它无线电电子设备中作普通整流用。 SJ 2726-1986 2CZ312型硅普通整流二极管详细规范 SJ2726-1986 标准下载解压密码:www.bzxz.net

标准图片预览

SJ 2726-1986 2CZ312型硅普通整流二极管详细规范
SJ 2726-1986 2CZ312型硅普通整流二极管详细规范
SJ 2726-1986 2CZ312型硅普通整流二极管详细规范
SJ 2726-1986 2CZ312型硅普通整流二极管详细规范
SJ 2726-1986 2CZ312型硅普通整流二极管详细规范

标准内容

中华人民共和国电子工业部部标准2CZ312型硅普通整流二极管详细规范中华人民共和国电子工业部
器件质量评定是根据:
GB4936.1—85
《半导体分立器件总规范》
2CZ312型硅普通整流二极管详细规范订货资料:见本规范第7章
1机械说明
外形符合GB7581-87中D2—05C
的要求。(见本规范第10.2条)SJ2726—86
2简略说明
半导体材料:N型硅单晶
封装:非空腔塑料封装
SJ2726-86
应用:在彩色电视机及其它无线电电子设备中作普通整流用
3质量评定类别:
参者数据:
2CZ312C
2CZ312E
2CZ312G
2CZ312H
中华人民共和国电子工业部1986—10-24发布—1
1987-10—01实施
极限值(绝对最大额定值)
SJ2726-86
除非另有规定,这些极限值在整个工作环境温度范围内适用。条款号
工作环境温度
贮存温度
有效结温
反向重复峰值电压
反向工作峰值电压
反向不重复蜂值电压
正向平均电流
在规定的转折点温度Tbreak下的平均正向电流(见本规范图1)
测试电路为电阻性负载的单相电路。正弦波的导通角为180
正向(不重复)浪涌电流
正向(不重复)浪涌电流额定值为:在最大平均正向电流下连续工作之后所加的正弦半波电流(50Hz、
10 ms)的最大值。
试验时不加反向电压
Ip(Ar)
最小值
最大值
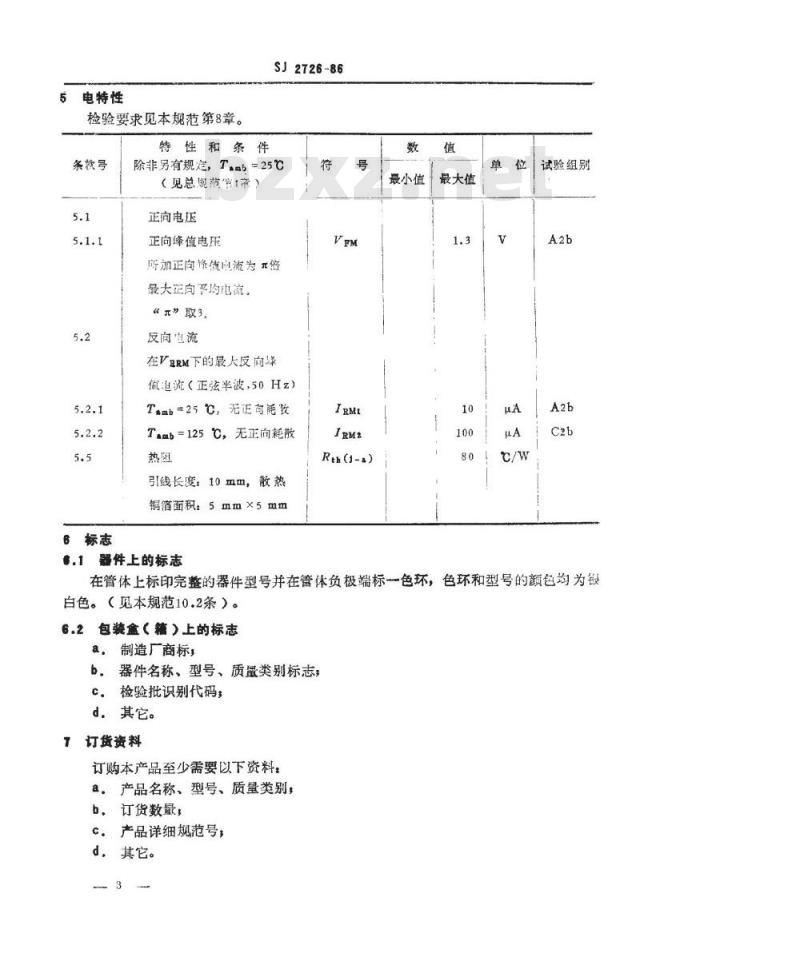
电特性
检验要求见本规范第8章。
特性和条件
条款号
6标志
SJ2726-86
除非另有规定,Tm5=25℃
(见总现范常1市)
正间电压
正向峰值电压
所加正向择值电流为元您
最大正向平均电流。
“元”取3,
反向电流
在VRM下的最大反向峰
值流(正弦半波,50Hz)
Tm=25C,无正可耗牧
T.ab=125℃,无正向耗散
引线长度:10mm,散热
铜酒面积:5mm×5mm
6.1器件上的标志
Reh(j-a)
最小值
最大值
试验组别
在管体上标印完整的器件型号并在管体负极端标一色环,色环和型号的颜色均为敏白色。(见本规范10.2条)。
6.2包装盒(籍)上的标志
a,制造厂商标,
b。器件名称、型号、质量类别标志,C。检验批识别代码
d.其它。
订货资料
订购本产品至少需要以下资料:a,产品名称、型号、质量类别
b订货数量,
c:产品详细规范号:
d,其它。
试验条件和检验要求
SJ2726-86
本章中,除非另有规定,引用的条款号对应于总规范GB4936.1-85的条款号,测试方法引自GB4936.1一85的6.1.1款。A组一逐批
所有试验都是非破坏性的(3.6.6)条
检验或试验
A1分组
外观检查
A2a分组
不工作器件
A2b分组
引用标准
除非另有规定,Tamb=25℃
(见总规范第4章)
Ipm=3.0A,to=1ms,8=2%
VRM=VRRM(正弦半
波,50Hz)
IFM=3.0A,to=1ms
VRM=VRRM(正弦半
波,50Hz)
最小值
最大值
极性颠倒
SJ2726-86
B组一逐批
只有标明(D)的试验是破坏性的(3.6.6)条
除非另有规定,Tamb=25℃
检验或试验
B1分组
引用标准
B3分组
引线弯出D)GB4937-85
B4分组
可焊性
B5分组
温度变化
继之以
交变湿热(D)
最后测试
同A2B分组
B8分组
电耐久性
最后测试
CRRL分组
GB4937—85
GB4937—85
IEC68—2-30
GB4938--85
D--041
(见总规范第4章)
试验采用方法1
受试引线数:2
外加力,5N
优先采用焊槽法
受试引线数:4
其它要求见本规范附录A
TA=0℃TB=100C
循环次数:10次
严格度,1
采用方式2
严格度:55℃
需环次数:2次
工作寿命
I(PV)=1.0A
VRM=VRRM
时间:168h
试验时,夹具夹在距管
体10~15mm引线的上。
IM=3.0Atp=1ms
VRM-VRRM(正弦半波)
B3、B4、B5和B8分组的属性资料检
极限值
最小值|最大值
无损坏
润湿良好
SJ2726-86
C组一周期
只有标明(D)的试验是破坏性的(3.6.6)条
检验或试验
C1分组
C2b分组
C2c分组
最居测试
同A2b分组
C4分组
耐辉热(D)
公后测试
A2b分组
CT分组
交变湿热(D)
最后测试
同B8分组
C8分组
电耐久性
最后测试
同B8分组
C9分组
高温荐(D)
最后测试
高B8分组
C11分组
标志耐久性
C12分组
易燃性
CRRL分组
引用标准
本规范
除非另有规定,Tab=25℃
(见总规范第4章)
Temb=125℃
RM=VRRM(正弦半波,50Hz)
Tamb=40
IFSM-30A
周波数和浪涌数均为1
GB4937-85采用方法1A
IEC68—2-采用方式2
严格度,55℃
循环次数:6次
GB4938--85工作寿命
时间不少于1000h
其它条件同B8分组
GB4937-85T=140C
时简不少于1000h
GB4937—85试验采用方法2
溶液,100%三氯乙烯
GB4937-85
极限值
最小值最大值
见GB4937-85
C4、C5、C7、C8、C9、C11和C12分组的属性资料要
9D组检验(不适用)
10附加资料
电流降额曲线
10.2外形图
SJ2726-86
图1电流降额曲线
最小值
标称值
图2外形图
Tamsc)
负极标态
单位:mm
最大值
A.1加速老化
SJ2726-86
附录A
可爆性试验补充的要求
(补充件)
对于在器件制成后,又进行沾锡(或镀锡)的器件,需做加速老化。其条件是:100水蒸汽中置放1小时。
A.2试验方法
优先采用焊槽法。
b必要时,可采用润湿称法。按国家标准GB2423.32-85《电工电子产品基本环境试验规程润湿称量法的可焊性试验方法》进行。润湿过程,按使用非活性焊剂时,在3秒钟内达到理论润湿力的35%。
附录B
正向(不重复)浪涌电流方法
(补充件)
.B.1目的
在规定条件下,验证二极管正向(不重复)浪涌电流的额定值。2电路图下载标准就来标准下载网
正向(不重复)浪涌电流测试电原理图如下,A
B.8电路说明和要求
B.3.1电路说明
电路图
P1为测试通过被测二极管正向平均电流的仪表P2为峰值读数仪表或示波器等
为被测二极管,
为取样电阻。
为正向平均电流调定电阻。
为浪涌电流调定电阻。
为控制器
SJ2726-86
1为向被测管提供正向平均电流的电源。G1
G2为向被测管提供正向浪涌电流的电源。B.3.2电路要求
流过被测管的正向平均电流应与正向浪涌电流相位一致(见图B2)A)
1(℃)
图B21FS%与IFM的相位示意图
IFSM——正向浪涌电流
IFM-—正向峰值电流
B.4测试步骤
将G1和G2两电源都调至零。
将被测管按其极性标志插入测试台的管座,并检查环境温度。调节G1和R1,使P1上测得的正向平均电流达到规定值。调节G2和R2,使P2上测得的峰值电压达到规定值。时此正向浪涌电流也达到规定值。
开启控制器,按规定的条件对被测管施加正向浪涌电流。根据试验后的测试来验证被测管承受正向浪涌电流额定值的能力。B,5规定条件
正向浪涌电流的数值,
每次浪涌的周波数、浪涌次数和重复率,环境温度;
试验后测试项目、极限值、测试条件。附加说明:
SJ2726-86
附录C
国内外型号参考对照表
(参考件)
国内型号
2CZ312
本标准由中国电子技术标准化研究所提出。本标准由天津第三半导体器件厂负责起草。国外型号
1S1886
1S1887
1S1888
本标准主要起草人:王思平、孙志昌、黄宗芬、李新华。10
小提示:此标准内容仅展示完整标准里的部分截取内容,若需要完整标准请到上方自行免费下载完整标准文档。