首页 > 电子行业标准(SJ) > SJ 20199-1992 CCK4101型有可靠性指标的非密封多层片状瓷介固定电容器详细规范
SJ 20199-1992

基本信息

标准号: SJ 20199-1992

中文名称:CCK4101型有可靠性指标的非密封多层片状瓷介固定电容器详细规范

标准类别:电子行业标准(SJ)

标准状态:已作废

发布日期:1992-11-19

实施日期:1993-05-01

出版语种:简体中文

下载格式:.rar.pdf

下载大小:60483

相关标签: 可靠性 指标 密封 多层 片状 瓷介 固定 电容器 详细 规范

标准分类号

中标分类号:电子元器件与信息技术>>电子元件>>L11电容器

关联标准

替代情况:被SJ 50192/1-2002代替

出版信息

页数:2页

标准价格:8.0 元

相关单位信息

起草单位:中国电子技术标准化研究所

标准简介

本规范规定了CCK410l型有可靠性指标的非密封多层片状瓷介固定电容器的适用外形结构、尺寸、主要参数和要求.本规范适用于低损耗、电容量稳定并有确定温度系数的谐振回路和需要补偿温度效应的电路中使用的瓷介电容器。本规范规定的电容器的完整要求由本规范和总规范GJB468组成。 SJ 20199-1992 CCK4101型有可靠性指标的非密封多层片状瓷介固定电容器详细规范 SJ20199-1992 标准下载解压密码:www.bzxz.net

标准图片预览

SJ 20199-1992 CCK4101型有可靠性指标的非密封多层片状瓷介固定电容器详细规范
SJ 20199-1992 CCK4101型有可靠性指标的非密封多层片状瓷介固定电容器详细规范

标准内容

中华人民共和国电子行业军用标准CCK4101型
有可靠性指标的非密封多层片状瓷介固定电容器详细规范
Detail specification capacitors,chip,multiple layerfixed,unencapsulated,ceramicdielectricestablished reliability,typeCCK41011主题内容和适用范围
1.1主题内容
SJ20199—--92
本规范规定了CCK4101型有可靠性指标的非密封多层片状瓷介固定电容器的适用范围、外形结构、尺寸、主要参数和要求。1.2适用范围
本规范适用于低损耗、电容量稳定并有确定温度系数的谐振回路和需要补偿温度效应的电路中使用的多层片状瓷介固定电容器。本规范规定的电容器的完整要求由本规范和总规范GJB192组成。2引用文件
GJB192--88有可靠性指标的非密封多层片状瓷介电容器总规范:GB2471--81电子设备用电阻器的标称阻值系列和固定电容器的标称电容量系列及其允许偏差。
3电容器的结构、尺寸和主要参数3.1结构
非密封、无引线。
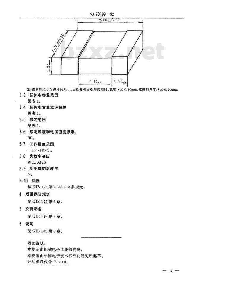
3.2尺寸和主要参数
见表1和下图。
额定电压V
标称电容量范围
510680
注:①C≤10pF电容器的充许偏差为B、C和D。②标称电容量值应符合GB2471中E24系列的值,中国电子工业总公司1992-11-19发布标称电容量允许偏差
F.G、J和K
1993-05-01实施
SJ20199-92bzxZ.net
2.00±0.20
注:图中的尺寸为棵片的尺寸,当涂覆引出端焊接层时,长度增加0.50mm,宽度和厚度增加0.30mm。3.3标称电容量范围
见表1。
3.4标称电容量允许偏差
见表1。
3.5额定电压
见表1。
6额定温度和电压温度极限。
3.7工作温度范围
-55~125℃。
3.8失效率等级
W、L.Q、B.
3.9引出端的涂覆层
3.10标志
按GJB192第2.22.1.2条规定。
4质量保证规定
见GJB192第3章。
5交货准备
见GJB192第4章。
6说明
见GJB192第5章。
附加说明:
本规范由机械电子工业部提出。本规范由中国电子技术标准化研究所起草。计划项目代号:B92001。
小提示:此标准内容仅展示完整标准里的部分截取内容,若需要完整标准请到上方自行免费下载完整标准文档。