首页 > 公共安全行业标准(GA) > GA 77.1-1994 推车式1211灭火器
GA 77.1-1994

基本信息

标准号: GA 77.1-1994

中文名称:推车式1211灭火器

标准类别:公共安全行业标准(GA)

标准状态:已作废

实施日期:2004-10-01

作废日期:2006-10-01

出版语种:简体中文

下载格式:.rar.pdf

下载大小:216700

相关标签: 灭火器

标准分类号

中标分类号:医药、卫生、劳动保护>>消防>>C84消防设备与器材

关联标准

替代情况:被GB 8109-2005代替

出版信息

页数:9页

标准价格:14.0 元

相关单位信息

标准简介

GA 77.1-1994 推车式1211灭火器 GA77.1-1994 标准下载解压密码:www.bzxz.net

标准图片预览

GA 77.1-1994 推车式1211灭火器
GA 77.1-1994 推车式1211灭火器
GA 77.1-1994 推车式1211灭火器
GA 77.1-1994 推车式1211灭火器
GA 77.1-1994 推车式1211灭火器

标准内容

中华人民共和国公共安全行业标准推车式1211灭火器
主题内容与适用范围
GA 77.1—94
本标准规定了产品的分类、技术要求、试验方法、检验规则、标志、包装、运输和贮存。本标准适用于推车式1211灭火器(以下简称灭火器)。2引用标准
液化石油气钢瓶
GB 5842
GB5099
GB8109
GB4065
GB3864
GB 1804
钢质无缝气瓶
推车式灭火器性能要求和试验方法二氟一氯一溴甲烷灭火剂
工业用气态氮
公差与配合未注公差尺寸的极限偏差普通螺纹公差与配合(直径1~355mm)GB197
标准化工作导则产品标准编写规定利用随机数般子进行随机抽样的方法GB 10111
GN11消防产品型号编制方法
3分类
3.1型式
该种灭火器为贮压式。灭火剂为二氟-氯一溴甲烷(CF2CIBr),代号\1211”,驱动气体为氮气(N2)。3.2型号
3.2.1灭火器的型号编制方法应符合GN11的规定。3.2.2标记示例
25kg推车式1211灭火器
充装灭火剂25kg
推车式
-1211灭火剂
-灭火器
3.3规格
灭火器的规格按充装的1211灭火剂重量划分,系列规格分为20,25,40kg三种。中华人民共和国公安部1994-06-20批准428
1995-05-01实施
4技术要求
4.1基本参数
GA 77. 1- 94
4.1.1灭火器在20士5℃时,其性能参数应符合表1的规定。表1
灭火器型号
灭火剂(含氮气)充装量,kg
有效喷射时间,s
有效喷射距离,m
喷射滞后时间,s
喷射剩余率,%
充装系数,kg/l
灭火器的间歇喷射滞后时间不得大于3s。4.1.2
灭火器在喷射过程中,任何连接处均不得有泄漏现象。4. 1.3
4.1.4灭火器的使用温度为-20~55℃。在使用温度范围内,灭火器的喷射性能应符合下列规定:a.
MYT 25
有效喷射时间的偏差不得大于在20士5℃时有效喷射时间的士25%。喷射后时间不得大于12 s。
喷射剩余率不得大于10%。
灭火器的灭火能力,不得小于表2的规定。表2
MYT 20
灭火级别B
4.2材料要求
MYT 25
采用焊接方法制造的灭火器简体的材料应符合GB5842中第3章的规定。采用无缝结构制造的简体的材料应符合GB5099中第3章的规定。4.3结构强度要求
4.3.1灭火器简体设计按采用结构不同,应分别符合GB5842中第4章的规定或应符合GB5099中第4.2、4.3、4.4条的规定。
4.3.2灭火器的结构强度应符合GB8109中第3.7.3和3.7.4条的规定。4.4行驶机构要求
灭火器的行驶机构应符合GB8109中第3.8条的规定。129
4.5密封性能要求
GA 77. 1--94
4.5.1灭火器的密封性能应符合GB8109中第3.4.2、3.4.3条的规定。4.5.2灭火器应能承受公称工作压力的气密性试验,不得有泄漏现象。4.6操作性能要求
灭火器的操作性能应符合GB8109中第3.5条的规定。4.7抗腐蚀性能要求
灭火器抗腐蚀性能应符合GB8109中第3.6条的规定。4.8安全装置要求
灭火器应设有卸压机构,以保证在滞压情况下能安全卸下器盖。4.9喷射软管及接头的要求
灭火器的喷射软管及接头应符合GB8109中第3.10条的规定。4.10制造要求
4.10.1采用焊接方法制造的简体应符合GB5842中第5章的规定。采用无缝结构制造的简体应符合GB5099中第5章的规定。
4.10.2其他金属零件的加工未注公差等级应符合GB1804中IT14级的规定,非金属零件的加工未注公差尺寸的公差等级应符合GB1804中IT16级的规定。螺纹的未注公差尺寸应符合GB197中内螺纹7H级,外螺纹8g级的规定。
4.10.3钣金、冲压零件表面应无重皮、皱纹及明显的机械损伤等缺陷。4.10.4铸、锻零件的表面应清洁、无毛刺、结疤等。内部不得有缩松、气孔、砂眼、裂纹等缺陷。4.11其他要求
4.11.1灭火器的喷射枪及其固定装置应符合GB8109中第3.11.1和3.11.2条的规定。4.11.2显示灭火器内部压力的装置应符合GB8109中第3.11.3条的规定。4.11.3灭火器上使用的橡胶和塑料件应符合GB8109中第3.11.4条的规定。4.11.4灭火器内充装的灭火剂质量应符合GB4065的规定。4.11.5灭火器内充装的驱动气体的质量应达到GB3864中规定的最低级。4.12外观质量
4.12.1灭火器的油漆漆膜色泽应均匀。无龟裂,无明显流痕、气泡、划伤、磕伤等缺陷。4.12.2电镀件表面应无气泡、明显划伤、碰伤等缺陷。4.12.3铭牌装贴应端正、平服,不缺边少字,无明显皱褶、气泡等缺陷。且经外部腐蚀试验后,应不脱落。
5试验方法
5.1喷射性能试验
5.1.1喷射性能试验按GB8109中第4.1条的方法进行。5.1.2有效喷射距离试验应与有效喷射时间、喷射滞后时间和喷射剩余率试验同时进行。试验时,在喷射方向上预先在离喷嘴6到10m距离之间以250mm为间隔定出标记线,标记线的零位线应于喷嘴顶端相平齐。在进行连续喷射试验时,当灭火器喷射到规定最小有效喷射时间一半时,在标记线上读出此时喷射的最远点则是有效喷射距离。喷射结束后,测灭火剂充装量和充装系数。在喷射过程中,应注意观察灭火器各连接处有无泄漏现象。5.2灭火性能试验
灭火性能试验按GB8109中第4.3条的方法进行。5.3结构强度试验(包括喷射软管及接头)结构强度试验按GB8109中第4.7条的方法进行。130
5.4行驶机构试验
GA 77. 1--94
行驶机构试验按GB8109中第4.11条的方法进行。5.5喷射枪跌落试验
喷射枪跌落试验按GB8109中第4.12条的方法进行。5.6密封性能试验
5.6.1密封性能试验按GB8109中第4.4条(除4.4.3和4.4.4.3条)的方法进行。5.6.2气密性试验方法为在灭火器中充入公称工作压力的氮气,浸没在水温不低于5℃的清水中,水面应高于被测零部件50mm以上,保持10min。试验结果应符合4.5.2条的规定。5.7操作性能试验
操作性能试验按GB8109中第4.5条的方法进行。5.8腐蚀试验
腐蚀试验按GB8109中第4.6条的方法进行。5.9显示内部压力装置试验
显示内部压力装置试验按GB8109中第4.9条的方法进行。5.10橡胶塑料件的热稳定性试验橡胶塑料件的热稳定性试验按GB8109中第4.10条的方法进行。6检验规则
产品出厂应经制造厂检验部门检验,保证产品符合本标准的规定。6.1检验分类
产品检验分出厂检验和型式检验。6.1.1产品的出厂检验项目为外观质量、灭火剂充装量、浸水法密封性能试验。6.1.2产品的型式检验项目为本标准规定的全部项目。遇GB1.3中第6.6.1条情况时,应做型式检验。6.1.3产品的逐批检查应符合GB8109中第5.3.1条的规定。6.1.4产品的周期检查应符合GB8109中第5.3.2条的规定。6.2抽样与组批规则
6.2.1产品的出厂检验为逐台检验。6.2.2产品型式检验项目的组批及抽样数量见表3。6.2.3试样的抽样方法应符合GB10111的规定。6.3判定规则
6.3.1出厂检验项目应全部合格。否则判为不合格6.3.2型式检验项目的缺陷分类见表3,其合格标准为不允许有致命缺陷,重缺陷不允许有3项,轻缺陷不允许有5项,缺陷总数不允许有6项。131
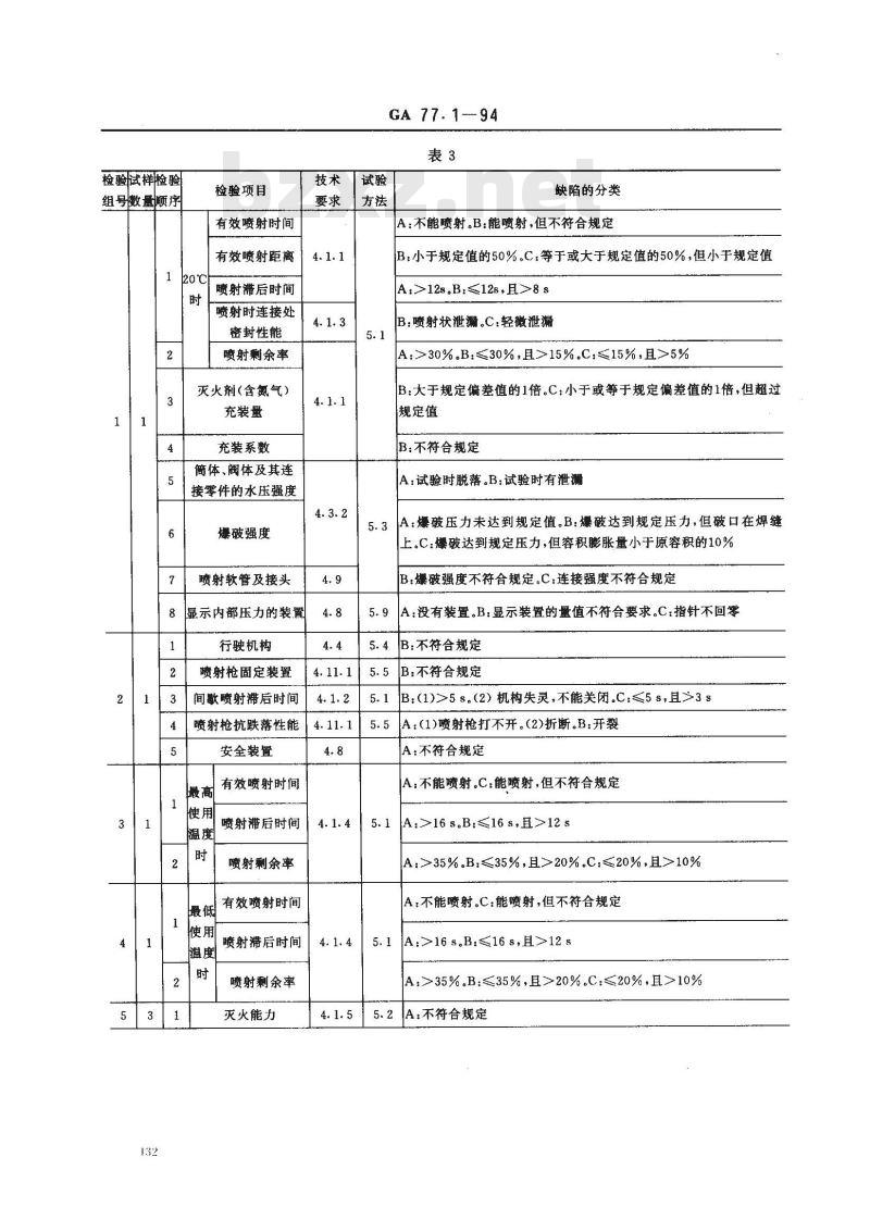
检验试样检验
组号数量顺序
检验项目
有效喷射时间
有效喷射距离
喷射滞后时间
喷射时连接处
密封性能
喷射剩余率
灭火剂(含氮气)
充装量
充装系数
简体、阀体及其连
接零件的水压强度
爆破强度
喷射软管及接头
显示内部压力的装置
行驶机构
喷射枪固定装置
间歇喷射滞后时间
喷射枪抗跌落性能
安全装置
有效喷射时间
喷射滞后时间
喷射剩余率
有效喷射时间
喷射滞后时间
喷射剩余率
灭火能力
GA 77. 1--94
缺陷的分类Www.bzxZ.net
A:不能喷射。B:能喷射,但不符合规定B:小于规定值的50%。C,等于或大于规定值的50%,但小于规定值A:>12s.B:≤12s,且>8 s
B:喷射状泄漏。C:轻微泄漏
A:>30%,B:≤30%,且≥15%。C:≤15%,且>5%B:大于规定偏差值的1倍。C;小于或等于规定偏差值的1倍,但超过规定值
B:不符合规定
A:试验时脱落。B:试验时有泄漏A:爆破压力未达到规定值。B:爆破达到规定压力,但破口在焊缝上。C:爆破达到规定压力,但容积膨胀量小于原容积的10%B:爆破强度不符合规定。C:连接强度不符合规定A:没有装置。B:显示装置的量值不符合要求。C:指针不回零5.9
B:不符合规定
B:不符合规定
B;(1)>5 s。(2)机构失灵,不能关闭。C:≤5 s,且>3s5.1
A:(1)喷射枪打不开。(2)折断。B:开裂5.5
A:不符合规定
A不能喷射。C:能喷射,但不符合规定5.1
A:>16 s.B:≤16 s,且>12 s
A;>35%.B;≤35%,且>20%。C:≤20%,且>10%A:不能喷射。C能喷射,但不符合规定A:>16 s.B:≤16 s,且>12 s
A:>35%。B:≤35%,且>20%.C:≤20%,耳>10%5.2
A:不符合规定
检验试样检验
组号数量顺序
检验项目
密封性能
间歇喷射密封性能
简体壁厚
外部腐蚀性能
保险装置解脱力
操作机构开启力
间歇喷射装置开启力
注:A
内部抗腐蚀性能
外观质量
GA 77.1—94
续表3
A:不符合规定
C.不符合规定
缺陷的分类
A,壁厚小于设计壁厚值的10%。B:壁厚小于设计整厚值,但不是致命缺陷
A:试验后(1)保险装置解脱力≥300N。(2)开启力大于等于规定值的1.5倍。(3)涂层脱落。C:(1)解脱力或开启力超过规定值,并低于重缺陷。(2)涂层龟裂
B:>300 N.C:≤300 N,耳>100 N
B:大于规定值的1.5储。C,不符合规定,并低于重缺陷B:>300N。C不符合规定,并低于重缺陷B:(1)内部涂层有落。(2)内部有锈斑。C:徐层有龟裂、气泡5.8
B:标志内容不全或有错误,且会影响使用或安全。C:(1)镀涂件表面质量不符合规定。(2)标志内容不全或有错误,但不是重缺陷。(3)铭牌装贴不符合规定
橡胶、塑料件性能
致命缺陷;B-
7标志、包装、运输、贮存
7.1 标志
重缺陷;C
灭火器筒体颜色推荐用红色。
B:(1)橡胶或塑料件开裂或断裂。(2)非金属阀体爆破低于规定值。C.塑料件或橡胶件明显变形
轻缺陷。
灭火器上应有铭牌,其内容如下:灭火器的名称、型号;
灭火器的灭火级别,
灭火器的使用方法,包括一个或多个图形的说明;灭火器的使用温度范围:
灭火剂及驱动气体的种类和数量,灭火器定期检查的说明;
灭火器水压试验压力;
灭火剂毒性或电击危险的警告,灭火器生产许可证或批准文件的编号;灭火器出厂年月;
灭火器制造厂名称或商标。
7.2包装
灭火器的包装应保证在正常运输中不损坏和散装,并符合用户的需要及运输和贮存的要求。7.2.1
灭火器包装箱外面应有下列内容:7.2.2
产品型号、名称和规格;
内装数量(台);
GA 77. 194
包装箱外形尺寸:长×宽×高(mm),整体重量(kg),
产品出厂时间或序号;
制造厂名称、地址;
“小心轻放”、“注意防潮”“严禁烈日曝晒”等字样或标记。7.3
运输和觉存
7.3.1灭火器在运输和贮存中,严禁倒放、雨淋、曦晒、强辐射热和接触腐蚀性物质等。灭火器的贮存环境温度应在10~45℃范围内。7. 3. 2
附加说明:
本标准由中华人民共和国公安部消防局提出。本标准由全国消防标准化技术委员会消防器具配件分技术委员会归口。本标准由公安部消防器材管理办公室、上海消防科学研究所、浙江消防器材总厂负责起草。本标准主要起草人王振山、高根妙、张新根、黄更新、王航。131
小提示:此标准内容仅展示完整标准里的部分截取内容,若需要完整标准请到上方自行免费下载完整标准文档。