首页 > 电子行业标准(SJ) > SJ 50033.51-1994 半导体分立器件 CS0558型砷化镓微波双栅场效应晶体管详细规范
SJ 50033.51-1994

基本信息

标准号: SJ 50033.51-1994

中文名称:半导体分立器件 CS0558型砷化镓微波双栅场效应晶体管详细规范

标准类别:电子行业标准(SJ)

标准状态:现行

发布日期:1994-09-30

实施日期:1994-12-01

出版语种:简体中文

下载格式:.rar.pdf

下载大小:172284

相关标签: 半导体 分立 器件 砷化镓 微波 场效应 晶体管 详细 规范

标准分类号

中标分类号:通信、广播>>通信、广播综合>>M01技术管理

关联标准

出版信息

出版社:中国电子工业出版社

页数:13页

标准价格:16.0 元

出版日期:1994-12-01

相关单位信息

起草人:顾振球、张俊杰、李戌德、王长福

起草单位:电子工业部第十三研究所

归口单位:中国电子技术标准化研究所

发布部门:中华人民共和国电子工业部

标准简介

本规范规定了CS0558型砷化镓微波双栅场效应晶体管(以下简称器件)的详细要求。本规范适用于器件的研制、生产和采购。 SJ 50033.51-1994 半导体分立器件 CS0558型砷化镓微波双栅场效应晶体管详细规范 SJ50033.51-1994 标准下载解压密码:www.bzxz.net

标准图片预览

SJ 50033.51-1994 半导体分立器件 CS0558型砷化镓微波双栅场效应晶体管详细规范
SJ 50033.51-1994 半导体分立器件 CS0558型砷化镓微波双栅场效应晶体管详细规范
SJ 50033.51-1994 半导体分立器件 CS0558型砷化镓微波双栅场效应晶体管详细规范
SJ 50033.51-1994 半导体分立器件 CS0558型砷化镓微波双栅场效应晶体管详细规范
SJ 50033.51-1994 半导体分立器件 CS0558型砷化镓微波双栅场效应晶体管详细规范

标准内容

中华人民共和国电子行业军用标准FL5961
SJ50033.51-94
半导体分立器件CS0558型砷化
微波双栅场效应晶体管详细规范Semiconductor discreted devices Detail spccificationfor type CS0558 GaAs microwave dual gate FET1994-09-30发布
中华人民共和国电子工业部批准1994-12-01实施
中华人民共和国电子行业军用标准半导体分立器件
CS0558型砷化缘微波双栅场效应晶体管详细规范Semiconductor discreted devicesDetail specification for type CS0558 GaAs mkrawave dual gate FET1范围
1.1主题内容
SJ 50033. 5194
本规范规定了CS0558型砷化镓微波双栅场效应晶体管(以下简称器件)的详细要求1.2适用范围
本规范适用十器件的研制、生产和采购。1.3分类
本规范根据器件质量保证等级进行分类。1.3.1器件的等级
按GJB33t半导体分立器件总规范》1.3条的规定,提供的质量探证等级为普军级、特军级和超特军级,分别用字母GP、GT和GCT表示。2引用文件
GB458684场效应晶体管测试方法GJB33—85半导体分立器件总规范GJB128—86半导体分立器件试验方法3要求
3.1详细要求
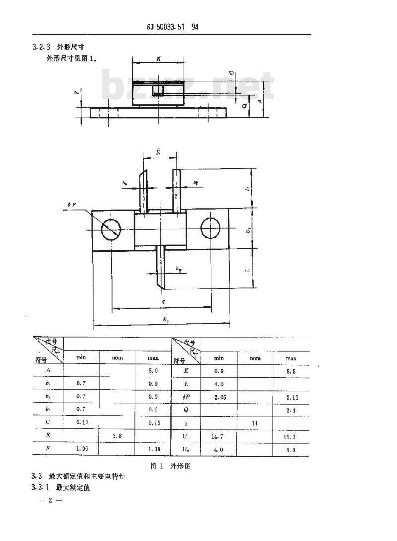
各项要求应按GJB33和本规范的规定。3.2设计、结构和外形尺寸
器件的设计,结构应按GJB33和本规范的规定。外形尺寸应符合图1的规定。
3.2.1引出端材料和涂层
引出端材料为可伐合金,引线表面链金。3.2.2器件结构
采用神化型沟道肯特基势垒双栅结构中华人民共和国电子工业部1994-0930发布1994-12-01实施
YrKAOKAca
3.2.3 外形尺寸
外形尺寸见图1.
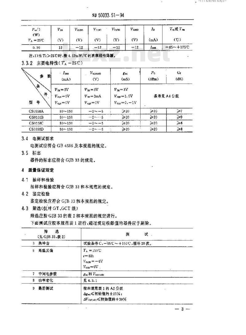
3.3最大额定值和主要电特性
3.3.1最大额定值
$J 50033. 51 94
图1外形图
T,=25r
SJ 50033. 51—94
注,1)当 Tc>25℃时,按 4. 67mW / C的速率线性降额.3.3.2生要电特性(T。=25℃)
CS0558A
CS0558B
CSn558c
CS0358D
Vrs = 3V
Vrns war ov
Vas =CV
80~150
80--150
3.4电测试要求
Vts 3V
Vm = 3mA
Vaas=oV
--2----5
-2~~—5
电测试应符合GB4586及本规范的规定。3.5标志
器件的标志应符合GJB33的规定,4质量保证规定
4.1拙样和检验
抽样和检验应符合GJB33和本规范的规定,4.2鉴定检验
鉴定检验应符合GJB33和本规范的规定。4.3筛选《仅对 GT,GCI级)
Ves = 3V
Va2s-1. 5V
Vos-0,-1V
筛选应按GJB33的表2和本规范的规定进行,(mA)
Ta或Ta
65+175C
策件见 A4 分组
下面测试应按本规范表1进行,超过规定极限值的器件应予剔除。筛选
(GJB33,表2
3热冲击
6高温反偏
7中间电参数
8功率老化
9量最后测试
试验条件C,—65V~+150℃,循环20次。Ta =150℃
Ves--6V
和VGn
按本规范表1的2分组
4g-1≤初始值的士25%
Vm吸初始值的士30%
YrKAONKAca
4.3.1功率老化条件
功率老化条件如下,
SJ 50033. 51- 94
Tc=70±5C,Pt=0.5W,V=8V,G1和G2瓶路4.4质量致性检验
质量一致性检验应按GJB 33的规定进行。4.4.1A组检验
A组检验应拨GJB33和本规范表1中的规定进行,4.4.2B组检验
B 组检验应按 GJB 33 和及本规范表 2 各试验分组规定的条件进行。最后测试和变化勘要求应符合本规范表4中适用步骤的规定。4.4.3组检验
C组检验应按GJB33及本规范表3各试验分组的规定条件进行,最后测试和变化量要求符合本规范表4中适用步猴的规定。4.5检验和试验方法
控验和试验方法应按本规范相应的表中规定的方法和下列规定进行:4.5. 1脉冲测试
脉冲测试应按GJBI28的3.3.2.1条的规定,表1A组检验
检验或试验
A1分组
外观及机械检验
A2分组
栅一源截止电压
栅一源短路下的漫极
漏一源短路下的一栅截
止电流
一栅跨导
二栅可控增益
GB 4586
GJB 128
本规范
附录A
本规范
附录B
Vrs--3V
Ig-3mA
Vaa=oV
Ves -3V
VGa=0V
Vrs=0V
Vca=0V
VGIs-—8V
Vos=0,-1V
V%=7~3V
VG--+3V~-5V
Pr-13dBm
最小值
最大值
检脸或试脸
A3分组
高温工作
通一源短略下的扭整止
低激工作
\一栅跨导
At分组
输出功动率
CS0558A
CSQ558B
CS0558C
CS055RD
功率增益
CS0558A
CS0558B
CS0558C
CS0558D
AS、AG、A7 分组
(不适用)
GB4586
本巍范
本规施
附录C
本规范
附录心
SJ 50033. 51 -- 94
TA125 C
Vrt =0V
T=-55r
VG8=0.-1V
Vus -1. 5V
Ta=25 ℃
fo-10GH2
Pi=13dBm
fo 10GHa
fo-12GH
P,14dBm
fa=12GHz
P,-12dBm
Taa25C
fa=10GH
P,13dBrm!
fo=10GHz
Pj-iidBm
fo-12GHz
P=14dBm
fn=120Hz
Pi=12dBrn
极限值
最小值
最大值
TTKAONKAca-
检验变试验
B1分组
可焊性
标志蔚久性
B2分组
(温度循环)
密封试验!
细检漏
b.粗检漏
最后测试
B3分组
稳态工作寿命
最后测
B4分组
开相内部目检
(设计检验)
巍合强度
B5 分组
《不适用)
B分组
高温寿命(不工作)
最后测试
GJB128
S.I 50033. 51 -- 94
表2B组检验
选验条件C.25次循环,
65t~+150r
试验条件 H,5mP2 em'/s
试龄象件 C
表4步骤1、2.3和4
T=70±5c
Vn=6VP0.5WGI科G2短路
现表4.步骤3.5和6
日检标准按鉴定时的设计
试验条件 A
Tx=175c
见表 4 步显 3.5 和 6
鉴定检验
质离一致性检验
{样本大小】
合格判定数)
检验或试验
C1、分组
外形尺寸
C2分组
热冲击《玻璃应力》
引出强度
a.细检漏
b.雄检漏
综合蕴变/产度周期试验
外观及机械检验
最后测试
C3分组
变频摄动
惧定谢速度
最后测试
C4分组
盐气(造用时)
C5分姐
不适用
C6分期
稳态工作寿命
最后测试
SJ 50033. 51-94
表3C组检验
GJB128
GB2036
按图 1 规定尺寸
试验条件B
试酸条件 A
试验条件 H,5mPa cm*/s
试验条件C
6个循环,前3个循环进行步骤?见表 41步骤 1,2,3 和 4
196,000m/s*(20.000g)
见表4,步薪1、2.3和4
Pa=0. 5W,Ve=6V:
G1 和 G2 短路:Ic=705℃
见表4,步骤3、5和6
TTKAONKACa-
检验或试验
漏一源凝路下的
一翻靓止电统
畅一源截止电压
相一-源短路下的
微极电统
,满一源短路下的
-栅裁止电流
CB4586
SJ 50033. 51-94
表 4B组和 C组最后测试
Va= 0V,Vas= -8V
I Vnsoy
Vr--3V,Vr-- 3mA
Vau=oV
本规范
VG8*- V,Vn-3V
Vas= oV
Yas+0,-1V,Vrs=3V
附录A
YoW-0,1V-3V
Ye2 -* 1. 5V
Ves=OV
注:1!时于本试验,超过A组极限值的器件不应接受。5交货准备
5.1,包装要求
包装要求应符会 GJB33的规定。5.2贮存要求
贮存要求应符合GJB33的规定。
5.3运输要求
运输要求应按GJB33的要求。
6说明率项
5:预定用途
Vaiatons
最小值
避大候
初婚值的±25%1)
初始的士25%1)
初始使的±30%1
初始值的100%1)
或A组的规龙值,以
大者为准
符合本规范的器件供新设备设计使用和供现有设备的后保障用。6.2订货文件内容
合间或订单应规定如下内容:
本规范的名称和编导:
等级(元1.3.1条)
e。效量,
,需要时其它要求。
6.3如对引线表面淤层有特殊要求时,可在定货合同或订货单中应教明(见3.2.1条)如需典壁特性曲线,可在订货文件中规定。6.4型号对膜
CS0558的原企业型号为CX651
A1 自的
SJ 50033. 51 94
附录A
化缘微波双栅场效应晶体管跨导g.的测试方法(补充件)
在规定条件下测试器件的跨导。A2电原理图
电原理图见图A1,
偏压概
A3测试步骤免费标准bzxz.net
.图A1砷化镓微波双栅场效应晶体管跨导测试电原理图图中D.U,为敲测器件。
RI、R:为限谨电阻,适当选取R,以保证器件不超过最大耗散功率。电压源
断开K,闭合K,和K,调节电压源A,使V=3V读出I-Ibx然后,断开K,,闭合K,调节电压源B使Ves=—!V,读出 Irn芒'。g可由下述公式计算:
A4规定亲件
--漏—-源电压Vs如果V不悬3V;Ins
—一概—源电压Vs,如果Vcs不是--IV,但此时公式(A1)之分母数值相应改变。(A1)
TTKAONKACa-
B1目的
SJ50033.51-94
附录B
砷化镓微波双栅场效应晶伟管二栅可控增益的测量方法(补充件)
在规定条件下,测量器件的二栅可控增益。B2测试电路框图
电路框图见图B1。
功率计
信号源
衰减器
耦合器
调配器
被测器件
调配器
功率计
图BI砷化嫁微波双栅场效应晶体管二栅可控增益测量电原理图B3测试步骤
给被测晶体管加Va1s其值近拟等于Vrscaf>然后再加规定的Vr和规定的工作频率o下的输入功率P,。
调节Va1s,Vo2及输入输出端的间赖调配器使输出功率最大,计算此时的功率增益,令其为Gp1.然后在其它条件不变的情况下将VGrs调到规定值,再计算此时的功率增益,令其为Gra。则二栅可控增益AGp=Gr1-Gp2。
B4规定条件
工作题率于。;
·输入功率力
—·漏源电压Vps
二栅电压 VGgs
C1目的
SJ 50033. 51-94
碑化微波救掘场效应晶体管输出功率P.和功率增益G.的测试方法(补充件)
在规定条件下,测盘器件的输出功率P和功率增益Cr。C2电路框图
测量电路框图见图C1。
隔离器
发生器
分析仪
亲减器
事减器
糖合器
功率斗1
辐合器
功率计2
偏置网络
编量网络
输入组抗
r酶网
待测癌件
翁出扭抗
匹配网络
图C1砷化镓微波双栅场效应晶体管输出功率P。和功率增益G测试电略框图C3测原理
输出功率Pa功率增益Gr出下列公式给出:P. = PI - L1
Po = P2 + L2
Gp-Pa-Pi
式中P1是功率计1和P2是功率计2给出的数值。L1和L2分别是Pi和P。在图L中以点A到点B和从点C到点D的损耗。P1和P2用dBm表示,L1和L2用dB表示。 -
TrKAONKAca-
小提示:此标准内容仅展示完整标准里的部分截取内容,若需要完整标准请到上方自行免费下载完整标准文档。