首页 > 国家标准(GB) > GB/T 70.5-2008 内六角量规
GB/T 70.5-2008

基本信息

标准号: GB/T 70.5-2008

中文名称:内六角量规

标准类别:国家标准(GB)

标准状态:现行

发布日期:2008-08-25

实施日期:2009-02-01

出版语种:简体中文

下载格式:.rar.pdf

下载大小:140498

相关标签: 内六角 量规

标准分类号

标准ICS号:机械系统和通用件>>紧固件>>21.060.10螺栓、螺钉、螺柱

中标分类号:机械>>通用零部件>>J13紧固件

关联标准

采标情况:IDT ISO 23429:2004

出版信息

出版社:中国标准出版社

页数:8页

标准价格:10.0 元

计划单号:20078096-T-604

出版日期:2009-02-01

相关单位信息

首发日期:2008-08-25

起草单位:中机生产力促进中心

归口单位:全国紧固件标准化技术委员会

提出单位:中国机械工业联合会

发布部门:中国机械工业联合会

主管部门:中国机械工业联合会

标准简介

本部分系首次发布。本部分是国家标准“内六角螺钉”产品(含量规)系列标准之一。本部分是GB/T70的第5部分。本部分等同采用ISO23429:2004《内六角量规》(英文版)。 本部分规定了内六角公差符合GB/T3103.1的内六角量规。 GB/T 70.5-2008 内六角量规 GB/T70.5-2008 标准下载解压密码:www.bzxz.net

标准图片预览

GB/T 70.5-2008 内六角量规
GB/T 70.5-2008 内六角量规
GB/T 70.5-2008 内六角量规
GB/T 70.5-2008 内六角量规
GB/T 70.5-2008 内六角量规

标准内容

ICS21.060.10
中华人民共和国国家标准
GB/T70.5-—2008/ISO23429:2004内六角量规
Gauging of hexagon sockets
(ISO23429:2004,IDT)
2008-08-25发布此内容来自标准下载网
中华人民共和国国家质量监督检验检疫总局中国国家标准化管理委员会
2009-02-01实施
KANIKAC
GB/T70.5—2008/ISO23429:2004本部分是国家标准“内六角螺钉”产品(含量规)系列标准之一。该系列包括:GB/T 70.1—2008
GB/T70.2—2008
GB/T70.3—2008
内六角圆柱头螺钉;
内六角平圆头螺钉;
内六角沉头螺钉;
GB/T70.4内六角圆柱头螺钉细牙螺纹;-GB/T70.5--2008内六角量规;
内六角平端紧定螺钉:
GB/T77—2007
GB/T78—2007
-GB/T79—2007
GB/T80--2007
内六角锥端紧定螺钉;
内六角圆柱端紧定螺钉;
内六角凹端紧定螺钉;
-GB/T5281-1985内六角圆柱头轴肩螺钉。本部分是GB/T70的第5部分。
本部分等同采用ISO23429:2004《内六角量规》(英文版)。本部分由中国机械工业联合会提出。本部分由全国紧固件标准化技术委员会(SAC/TC85)归口本部分负资起草单位:中机生产力促进中心。本部分由全国紧固件标准化技术委员会秘书处负责解释。本部分系首次发布。
1范围
内六角量规
本部分规定了内六角公差符合GB/T3103.1的内六角量规。2规范性引用文件
GB/T70.5—2008/ISO23429:2004下列文件中的条款通过本部分的引用而成为本部分的条款。凡是注日期的引用文件,其随后所有的修改单(不包括勘误的内容)或修订版均不适用于本部分,然而,鼓励根据本部分达成协议的各方研究是否可使用这些文件的最新版本。凡是不注日期的引用文件,其最新版本适用于本部分。GB/T3103.1紧固件公差螺栓、螺钉、螺柱和螺母(GB/T3103.1—2002,ISO4759-1:2000,IDT)
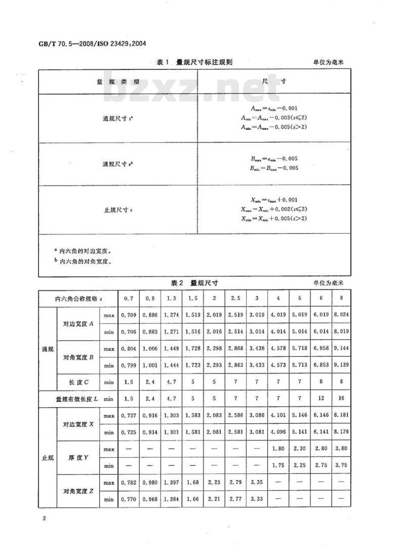
3尺寸
量规型式尺寸见图1和表2。
量规尺寸标注规则见表1。
a)标准结构
b)可任选的小规格通端和止端结构a通端.
b通端标志部位,
止端。
d正端标志部位。
e内六角规格(对边宽度).
1可任选的5'倒角。
GB/T70.5-—2008/IS023429:2004量规类型
通规尺寸s
通规尺寸
止规尺寸5
a内六角的对边宽度。
b内六角的对角宽度。
内六角公称规格5
对边宽度A
对角宽度B
长度C
盘规有效长度L
对边宽度X
厚度Y
对角宽度Z
量规尺寸标注规则
量规尺寸
Am=5mb—0.001
AmaAmx-0. 003(s≤2)
Am=Amx—0. 005(s>2)
Bmegm—0.005
BmBm-0.005
Xgh=5max+0.001
X.X.+0.002(s2)
Xma=Xmin+0.005(s>2)
单位为毫米
单位为毫米
FTIKAONYKA
内六角公称规格5
对边宽度A
对角宽度B
长度C
量规有效长度L
对边宽度X
厚度Y
对角宽度Z
标记示例
表2(续)
12.03114.031
对边宽度为10mm的内六角量规的标记:量规GB/T70.5-10
GB/T70.5-—2008/ISO23429:2004单位为毫米
32.07936.079
32.07436.074
41.07946.079
46.82652.526
46.82152.521
41.33646.336
41.33146.331
GB/T70.5-2008
中华人民共和国
国家标准
内六角量规
GB/T70.52008/ISO23429:2004
中国标准出版社出版发行
北京复兴门外三里河北街16号
邮政编码:100045
网址spc.net.cn
电话:6852394668517548
中国标准出版社秦皇岛印刷厂印刷各地新华书店经销
TTKAONKAa
开本880×12301/16印张0.5字数7千字2008年12月第一版
2008年12月第一次印刷
书号:155066:1-34861
如有印装差错由本社发行中心调换版权专有侵权必究
举报电话:(010)68533533
小提示:此标准内容仅展示完整标准里的部分截取内容,若需要完整标准请到上方自行免费下载完整标准文档。