首页 > 国家标准(GB) > GB/T 6135.1-2008 直柄麻花钻 第1部分:粗直柄小麻花钻的型式和尺寸
GB/T 6135.1-2008

基本信息

标准号: GB/T 6135.1-2008

中文名称:直柄麻花钻 第1部分:粗直柄小麻花钻的型式和尺寸

标准类别:国家标准(GB)

标准状态:现行

发布日期:1985-06-17

实施日期:2009-04-01

出版语种:简体中文

下载格式:.rar.pdf

下载大小:462710

相关标签: 麻花钻 尺寸

标准分类号

标准ICS号:机械制造>>切削工具>>25.100.30钻头、锪钻、铰刀

中标分类号:机械>>工艺装备>>J41刀具

关联标准

替代情况:替代GB/T 6135.1-1996

出版信息

出版社:中国标准出版社

页数:8页

标准价格:10.0 元

计划单号:20064263-T-604

出版日期:2009-04-01

相关单位信息

首发日期:1985-06-17

起草人:曾宇环、邓智光、励政伟、陈丽萍

起草单位:成都工具研究所、上海工具厂有限公司

归口单位:全国刀具标准化技术委员会(SAC/TC 91)

提出单位:中国机械工业联合会

发布部门:中华人民共和国国家质量监督检验检疫总局 中国国家标准化管理委员会

主管部门:中国机械工业联合会

标准简介

GB/T 6135《直柄麻花钻》分为四个部分,本部分为GB/T 6135的第1部分。本部分代替GB/T 6135.1-1996《直柄麻花钻 第1部分:粗直柄小麻花钻的型式和尺寸》。GB/T 6135的本部分规定了粗直柄小麻花钻的型式和尺寸。本部分适用于直径0.10mm~0.35mm的粗直柄小麻花钻。本部分与GB/T 6135.1-1996相比主要变化如下:———“本标准”改为“本部分”。———进行编辑性修改。 GB/T 6135.1-2008 直柄麻花钻 第1部分:粗直柄小麻花钻的型式和尺寸 GB/T6135.1-2008 标准下载解压密码:www.bzxz.net

标准图片预览

GB/T 6135.1-2008 直柄麻花钻 第1部分:粗直柄小麻花钻的型式和尺寸
GB/T 6135.1-2008 直柄麻花钻 第1部分:粗直柄小麻花钻的型式和尺寸
GB/T 6135.1-2008 直柄麻花钻 第1部分:粗直柄小麻花钻的型式和尺寸
GB/T 6135.1-2008 直柄麻花钻 第1部分:粗直柄小麻花钻的型式和尺寸

标准内容

ICS 25. 100.30
中华人民共和国国家标准
GB/T6135.1—2008
代替GB/T6135.1-1996
直柄麻花钻
第1部分:粗直柄小麻花钻的型式和尺寸Parallel shank twist drills-Part 1 : The types and dimensions for small type twist drillswith oversize parallel shank2008-11-04 发布bzxZ.net
中华人民共和国国家质量监督检验检疫总局中国国家标准化管理委员会 
2009-04-01实施
GB/T6135《直柄麻花钻》分为四个部分:第1部分:粗直柄小麻花钻的型式和尺寸;第2部分:直柄短麻花钻和直柄麻花钻的型式和尺寸;一第3部分:直柄长麻花钻的型式和尺寸;第4部分:直柄超长麻花钻的型式和尺寸。本部分为GB/T6135的第1部分
本部分代替GB/T6135.1—1996《直柄麻花钻GB/T6135.1—2008
第1部分:粗直柄小麻花钻的型式和尺寸》。本部分与GB/T6135.1一1996相比主要变化如下:“本标准”改为“本部分”。
进行编辑性修改
本部分由中国机械工业联合会提出,本部分由全国刀具标准化技术委员会(SAC/TC91)归口。本部分起草单位:成都工具研究所、上海工具厂有限公司。本部分主要起草人:曾宇环、邓智光、励政伟、陈丽萍。本部分所代替标准的历次版本发布情况为:GB6135—1985、GB/T6135.1—1996。1范围
直柄麻花钻
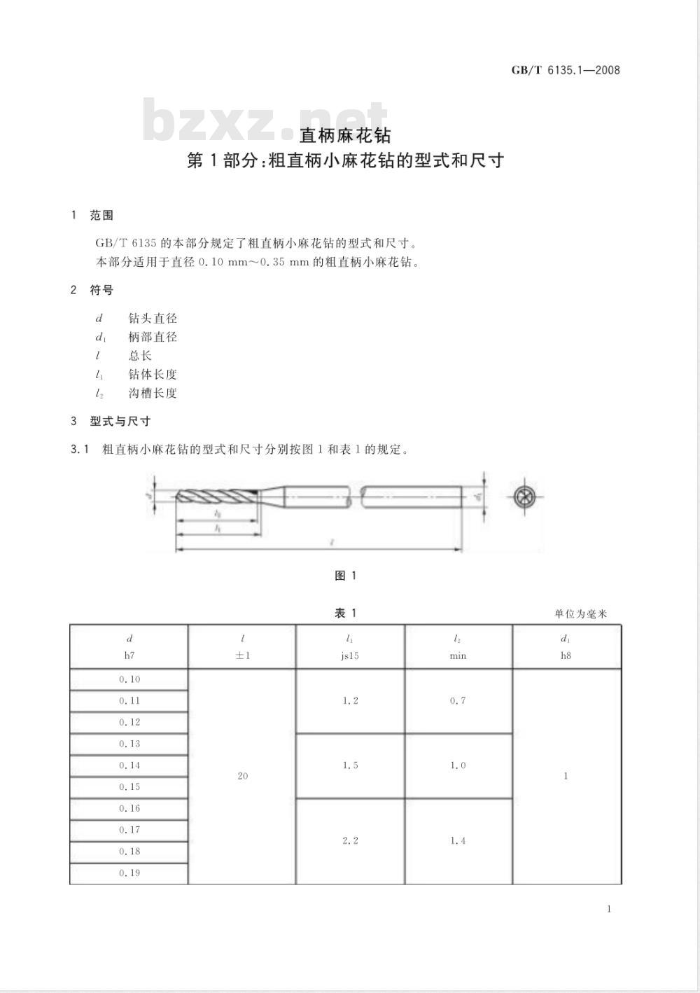
第1部分:粗直柄小麻花钻的型式和尺寸GB/T6135的本部分规定了粗直柄小麻花钻的型式和尺寸。本部分适用于直径0.10mm~0.35mm的粗直柄小麻花钻符号
钻头直径
柄部直径
钻体长度
沟槽长度
型式与尺寸
粗直柄小麻花钻的型式和尺寸分别按图1和表1的规定。图1
GB/T6135.1—2008
单位为毫米
GB/T6135.1—2008
标记示例
表1(续)
钻头直径d=0.20mm的粗直柄小麻花钻:粗直柄小麻花钻
GB/T 6135.1—2008
单位为毫米
小提示:此标准内容仅展示完整标准里的部分截取内容,若需要完整标准请到上方自行免费下载完整标准文档。