首页 >  国家标准(GB) >  GB/T 23310-2009 240级芳族聚酰亚胺薄膜绕包铜扁线

基本信息

标准号: GB/T 23310-2009

中文名称:240级芳族聚酰亚胺薄膜绕包铜扁线

标准类别:国家标准(GB)

标准状态:现行

发布日期:2009-03-19

实施日期:2009-12-01

出版语种:简体中文

下载格式:.rar .pdf

下载大小:3.18 MB

相关标签: 聚酰亚胺 薄膜 扁线

标准分类号

标准ICS号:电气工程>>电线和电缆>>29.060.10电线

中标分类号:电工>>电工材料和通用零件>>K12带绝缘层电线

关联标准

采标情况:IDT IEC 60317-44:1997

出版信息

出版社:中国标准出版社

页数:12页

标准价格:16.0 元

计划单号:20073964-T-604

出版日期:2009-12-01

相关单位信息

首发日期:2009-03-19

起草人:陈惠民、王新营、张敬平、宋安、顾新梅、杨勇、徐进法等

起草单位:上海电缆研究所、上海申茂电磁线厂、江苏豪威富集团有限公司等

提出单位:中国电器工业协会

发布部门:中华人民共和国国家质量监督检验检疫总局 中国国家标准化管理委员会

主管部门:中国电器工业协会

标准简介

本标准规定了240级芳族聚酰亚胺薄膜绕包铜扁线的要求,其中绝缘由一层或两层聚酰亚胺薄膜带组成。 GB/T 23310-2009 240级芳族聚酰亚胺薄膜绕包铜扁线 GB/T23310-2009

标准内容

ICS29.060.10
中华人民共和国国家标准
GB/T23310—2009/IEC60317-44:1997240级芳族聚酰亚胺薄膜绕包铜扁线Aromatic polyimide tape wrapped rectangular copper wire,class 240(IEC 60317-44:1997,Specifications for particular types of winding wires-Part 44:Aromatic polyimide tape wrapped rectangular copper wire,class 240,IDT)2009-03-19发布
中华人民共和国国家质量监督检验检疫总局中国国家标准化管理委员会
2009-12-01实施
GB/T23310—2009/IEC60317-44:1997本标准等同采用IEC60317-44:1997《特种绕组线产品标准绕包铜扁线》第1版(英文版)。为便于使用,本标准做了下列编辑性修改:—删除了IEC60317-44:1997的前言和引言;一用小数点“,”代替作为小数点的逗号“,”;-增加了3.3“外观”和第23章“针孔”;第44部分:240级芳族聚酰亚胺薄膜在第15章中补充了采用扁线试样进行温度指数试验的规定。本标准在等同采用IEC60317-44:1997时修正了原文如下编辑性错误:-将第10章中的“软化击穿”由“不适用”改为“试验要求正在考虑中”将第18章中的“热粘合或溶剂粘合”改为“热粘合”。本标准由中国电器工业协会提出。本标准由全国电线电缆标准化技术委员会(SAC/TC213)归口。本标准负贵起草单位:上海电缆研究所。本标准参加起草单位:上海申茂电磁线厂、江苏豪威富集团有限公司、江苏申港电磁线有限公司、无锡市锡洲电磁线有限公司、四川金瑞电工有限责任公司、沈阳市宏远电磁线有限公司、浙江宏磊铜业股份有限公司、无锡环宇电磁线有限公司、江苏迅达电磁线有限公司、浙江洪波线缆股份有限公司。本标准主要起草人:陈惠民、王新营、张敬平、宋安、顾新梅、杨勇、徐进法、俞安琼、杨绪清、魏浙强、戴涛、周志云、曹恒泰。
本标准是首次制定。
1范围
GB/T23310--2009/IEC60317-44:1997240级芳族聚酰亚胺薄膜绕包铜扁线本标准规定了240级芳族聚酰亚胺薄膜绕包铜扁线的要求,其中绝缘由一层或两层聚酰亚胺薄膜带组成。
240级表示热级,它要求最小温度指数为240,热冲击温度至少为260℃。注:有些国家,如加拿大、俄罗斯和美国,该产品为220级。薄膜带单面或双面涂覆合适的粘结剂,如全氟乙丙烯。薄膜带绕包后能够通过烧结形成连续、粘结的护套。
特殊的要求可在合同中规定。
对应于温度指数的摄氏温度并不就是推荐的绕组线使用温度,因为这取决于包括所用设备类型在内的很多因素。
本标准适用的导体标称尺寸范围为:宽度:最小2.00mm,最大16.00mm;厚度:最小0.80mm,最大5.60mm。宽度和厚度的组合以及宽/厚比见GB/T7095.1--2008的规定。当提及本标准所涉及的产品时,宜给出如下内容:-GB编号和(或)IEC编号;
一导体标称尺寸(宽度×厚度);—级。
示例GB/T23310--20091.00mmX4.00mmA2级或IEC60317-444.00mm×1.00mmgradeA22规范性引用文件
下列文件中的条款通过本标准的引用而成为本标准的条款。凡是注日期的引用文件,其随后所有的修改单(不包括勘误的内容)或修订版均不适用于本标准,然而,鼓励根据本标准达成协议的各方研究是否可使用这些文件的最新版本。凡是不注日期的引用文件,其最新版本适用于本标准。GB/T321-2005优先数和优先数系(ISO3:1973,IDT)GB/T4074.1—2008
GB/T4074.2—-2008
GB/T4074.3——2008
GB/T4074.4—2008
GB/T4074.5--2008
GB/T4074.6—2008
GB/T4074.7—2009
(IEC60172:1987,IDT)
绕组线试验方法
第1部分:一般规定(IEC60851-1:1996,IDT)绕组线试验方法
绕组线试验方法
绕组线试验方法
绕组线试验方法
绕组线试验方法
第2部分:尺寸测量(IEC60851-2:1997,IDT)第3部分:机械性能(IEC60851-3:1997,IDT)第4部分:化学性能(IEC60851-4:2005,IDT)第5部分:电性能(IEC60851-5:2004,IDT)第6部分:热性能(IEC60851-6:1996,IDT)第7部分:测定漆包绕组线温度指数的试验方法绕组线试验方法
GB/T7095.1-2008漆包铜扁绕组线3术语和定义、试验方法总则和外观3.1术语和定义
下列术语和定义适用于本标准。第1部分:一般规定(IEC60317-0-2:2005,IDT)1
GB/T23310-2009/IEC60317-44:19973. 1.1
热级class
用温度指数和热冲温度来表示绕组线的热性能。3.1.2
导体conductor
去除绝缘后的裸金属线。
包覆层
covering
缠绕、绕包或编织在裸或绝缘导体上的材料3.1.4
开裂crack
绝缘层上的裂口,在规定放尿倍数下可看到导体,3.1.5
级grade
成品线绝缘厚度(范寓
绝缘insulati
导体表面具有耐压特定功能的涂层或包覆层。3.1.7
导体标称尺
符合GB/T95
绕组线
lominalconductordimension
-2008规定的导体规格标称值,
winding lre
用于绕组以实现电磁能转换的线。3.1.9
线wire
涂覆或包覆绝缘的导
3.2试验方法总则
本标准采用的试验方法见SB/T4074.1-=2008~GB/F-4074.6-2608和GB/T4074.7—2009。本标准中章的编号与GB/T40741一2008~GB/T4074.6-2008中各试验方法编号一致。当本标准与GB/T4074.1—2008~GB/T-4074-6=2008和GB/T4074.7—2009有矛盾时,应以本标准为准。
如果某一试验项目没有规定使用的导体尺寸,则该试验适用于该产品标准包括的全部导体尺寸。除非另有规定,所有试验应在温度为15℃~35℃,相对湿度为45%~75%的条件下进行。试验前,试样应在上述环境条件下放置足够的时间进行预处理,使试样达到稳定状态。试验用绕组线从包装上取下时,不应承受张力或不必要的弯曲。每次试验前,宜除去足够的绕组线,以确保试样不包含损坏的线段。3.3外观
由供需双方协商规定。
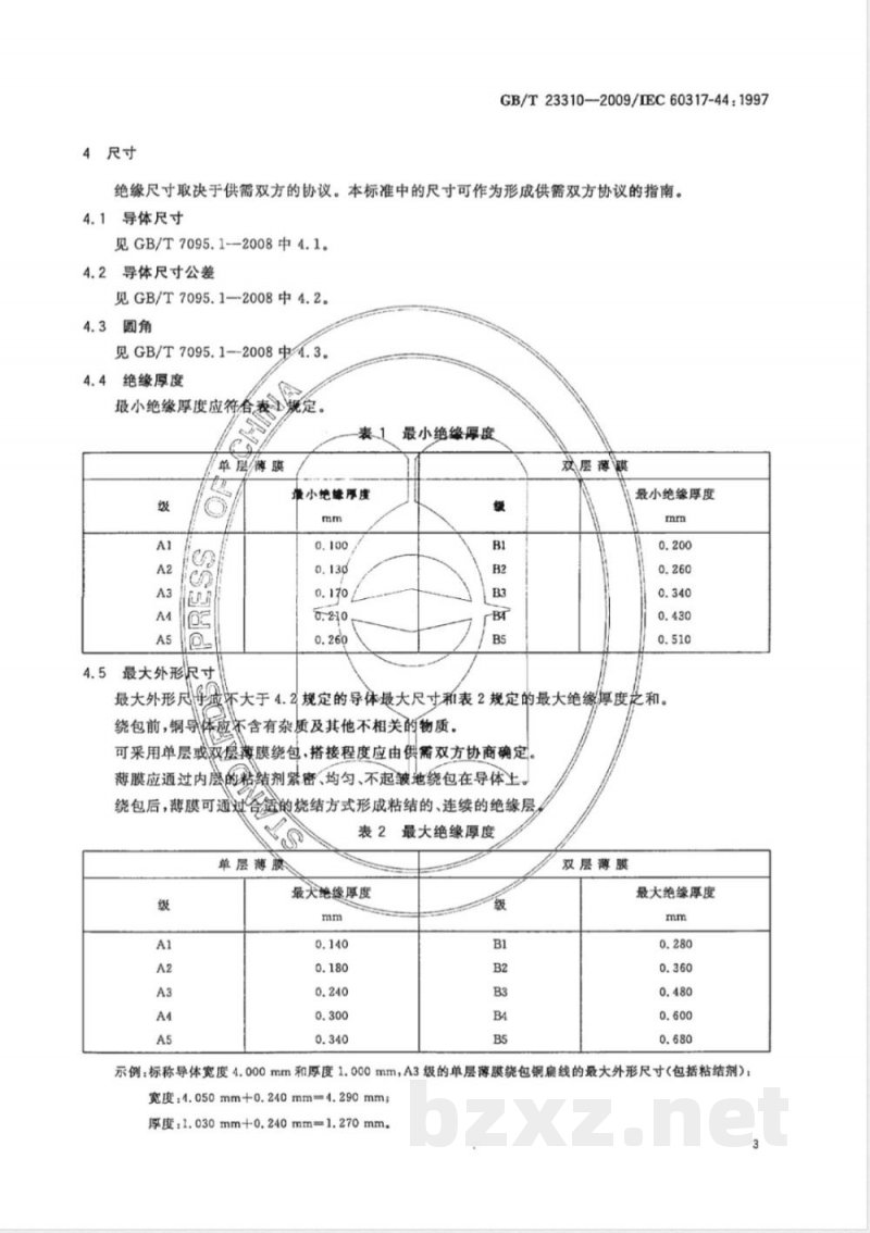
4尺寸
GB/T23310—2009/IEC60317-44:1997绝缘尺寸取决于供需双方的协议。本标准中的尺寸可作为形成供需双方协议的指南。4.1导体尺寸
见GB/T7095.1-—2008中4.1。
4.2导体尺寸公差
见GB/T7095.1—2008中4.2。
4.3圆角
见GB/T7095.1--2008中.3
4.4绝缘厚度
最小绝缘厚度应符各表规定。
单层薄膜
5最大外形尺寸
最小绝缘厚度
最小绝终厚度
双层薄膜
最小绝缘厚度
最大外形尺再应坏大于4.2规定的导体最大尺寸和表2规定的最大绝缘厚度之和。本应坏含有杂质及其他不相关的物质。绕包前,铜导沟
可采用单层或双层薄膜绕包,搭接程度应由供需双方协商确定薄膜应通过内层的粘
结剂紧密、均匀、不起皱地绕包在导体上。绕包后,薄膜可通过各适的烧结方式形成粘结的、连续的绝缘层表2最大绝缘厚度
单层海膜
最天绝缘厚度
双层薄膜
最大绝缘厚度
示例:标称导体宽度4.000mm和厚度1.000mm,A3级的单层薄膜绕包铜扁线的最大外形尺寸(包括粘结剂):宽度:1.050mm+0.240mm=4.290mm;厚度:1.030mm+0.240mm=1.270mm。3
GB/T23310—2009/IEC60317-44:19975电阻
用20℃时直流电阻来表示聚酰亚胺薄膜绕包铜扁线的电阻,测试方法的准确度应在0.5%以内。最大电阻值应不大于由最小导体截面积(根据最小厚度、最小宽度和最大圆角半径得出)和电阻系数1/580·mm2·m-1计算出来的数值。测量一次。
6伸长率
断裂伸长率应符合表3的规定。
表3伸长率
导体标称厚度
回弹性
最大回弹角应不大于5.5°
8柔韧性和附着性
8.1圆棒卷绕试验
小于或等于
最小伸长率
分别在直径为薄膜绕包线的宽度和厚度四倍的圆棒上,沿薄膜绕包线宽度和厚度方向弯曲,绕包层应不出现开裂或分层。
8.2附着性试验
将单层薄膜绕包线拉伸15%或双层薄膜绕包线拉伸10%,绕包线失去粘附距离应小于导体宽度。9热冲击
将单层薄膜绕包线拉伸15%或双层薄膜绕包线拉伸10%,最小热冲击温度应为260℃,绕包层应不并裂。
软化击穿
试验要求正在考虑中。
11耐刮试验
不适用。
12耐溶剂
不适用。
13击穿电压
五个试样中应至少有四个试样在小于或等于表4规定的电压下不发生击穿。4
导体标称厚度
大于或等于
绝缘连续性
小于或等于
表4击穿电压
GB/T23310—2009/IEC60317-44:1997最小击穿电压(方均根值)
单层薄膜
试验方法及要求可由供需双方协商确定。15
温度指数
双层薄膜
温度指数按GB/T4074.7-2009规定试验。试样可采用规定截面积的聚酰亚胺薄膜绕包铜扁线,也可用标称直径1.600mm的聚酰亚胺薄膜绕包铜圆线。最小温度指数应为240,在最低温度下的失效时间应不低于5000h。耐冷冻剂
不适用。
直焊性
不适用。
18热粘合
不适用。
介质损耗系数
不适用。
耐变压器油
不适用。
不适用。
3针孔
试验要求正在考虑中。
30包装
包装种类可能影响膜绕包线的某种性能,例如回弹性,因此包装的种类(例如交货线盘类型)应由5
GB/T23310—2009/IEC60317-44:1997供需双方协商确定。
应将薄膜绕包线均匀紧密地卷绕在交货线盘上或置于容器内。除非供需双方协商同意,交货线盘或容器中均不应有一个以上线段的薄膜绕包线。当多于一个线段时,应由供需双方协商同意在标签上标明和/或在包装上标出线段的长度。当薄膜绕包线成圈交货时,成圈的尺寸和最大质量应由供需双方协商确定。线圈上任何附加的保护应由供需双方协商确定。
应将标签牢固的粘附在线盘、容器的凸缘上,并且应包括如下内容:a)制造厂名和/或商标;
绕包线和绝缘种类;
绕包线净重;
绕包线尺寸和绝缘等级;
制造日期。
GB/T23310-2009
打印H期:2009年8月7H
中华人民共和国
国家标准
240级芳族聚酰亚胺薄膜绕包铜扁线GB/T23310-—2009/EC60317-44:1997*
中国标准出版社出版发行
北京复兴门外三里河北街16号
邮政编码:100045
网址www.spc.net.cn
电话:6852394668517548
中国标准出版社秦皇岛印刷厂印刷各地新华书店经销
开本880×12301/16免费标准bzxz.net
2009年6月第一版
印张0.75
字数13千字
2009年6月第一次印刷
书号:155066·1-37277
定价16.00元
由本社发行中心调换
如有印装差错
版权专有侵权必究
举报电话:(010)68533533

小提示:此标准内容仅展示完整标准里的部分截取内容,若需要完整标准请到上方自行免费下载完整标准文档。

标准图片预览

GB/T 23310-2009 240级芳族聚酰亚胺薄膜绕包铜扁线 GB/T 23310-2009 240级芳族聚酰亚胺薄膜绕包铜扁线 GB/T 23310-2009 240级芳族聚酰亚胺薄膜绕包铜扁线 GB/T 23310-2009 240级芳族聚酰亚胺薄膜绕包铜扁线 GB/T 23310-2009 240级芳族聚酰亚胺薄膜绕包铜扁线