首页 > 国家标准(GB) > GB/T 23597-2009 干紫菜
GB/T 23597-2009

基本信息

标准号: GB/T 23597-2009

中文名称:干紫菜

标准类别:国家标准(GB)

标准状态:现行

发布日期:2009-04-27

实施日期:2009-12-01

出版语种:简体中文

下载格式:.rar .pdf

下载大小:252456

相关标签: 紫菜

标准分类号

标准ICS号:食品技术>>肉、肉制品和其他动物类食品>>67.120.30鱼和水产品

中标分类号:食品>>食品加工与制品>>X20水产品加工与制品

关联标准

出版信息

出版社:中国标准出版社

页数:21页

标准价格:16.0 元

计划单号:20071158-T-469

出版日期:2009-12-01

相关单位信息

首发日期:2009-04-27

起草人:王全林、马家海、张新荣、黄健、戴卫平、韦超、黄湛深、李宁波、卢世良、杜绍亮、张福赐、潘峰、宋祖强、李孝新、刘霁欣、王裔增

起草单位:宁波市产品质量监督检验所、上海水产大学、清华大学分析中心等

归口单位:全国食品工业标准化技术委员会

提出单位:全国食品工业标准化技术委员会

发布部门:国家标准化管理委员会

主管部门:国家标准化管理委员会

标准简介

本标准规定了干紫菜产品的分类、技术要求、检验方法、检验规则、标签和标志、包装、运输及贮存。本标准适用于非即食干紫菜和速食干紫菜的生产、检验和销售。 GB/T 23597-2009 干紫菜 GB/T23597-2009 标准下载解压密码:www.bzxz.net

标准图片预览

GB/T 23597-2009 干紫菜
GB/T 23597-2009 干紫菜
GB/T 23597-2009 干紫菜
GB/T 23597-2009 干紫菜
GB/T 23597-2009 干紫菜

标准内容

ICS 67. 120. 30
中华人民共和国国家标准
GB/T23597--2009
干紫菜
Dried laver
2009-04-27发布
中华人民共和国国家质量监督检验检疫总局中国国家标准化管理委员会
合品秋伴网
2009-12-01实施
GB/T23597—2009此内容来自标准下载网
本标准山全国食品工业标化技术委员会提出并归口。本标准起草单位:宁波市产品质量监督检验所.上海水产大学、清华大学分析中心、福建省水产加工流通协会、江苏省紫莱协会、中国计量科学研究院化学计量与分析科学研究所、广东喜之郎集团有限公司、晋江阿-波食品工贸有限公司、宁波紫云堂水产食品有限公司、汕头市佳盛副食品有限公司、厦门新阳洲水产品工贸有限公司、温州星贝海藻食品有限公司、普江市美味强食品有限公司、浙江孝心水产有限公司、北京天仪器有限公司、福建省普江市安海三源食品实业有限公司。本标准主要起草人,王全林、马家海、张新荣、黄健、戴卫平、韦超、黄湛深、李宁波、卢世良、杜绍亮、张福赐、潘峰、米祖强、李孝新、刘荠欣、王裔增。T
http://foodm
1范围
干紫菜
GB/T 23597—2009
本标准规定了干紫菜产品的分类、技术要求、捡验方法、检验规则、标签和标志、包装、运输及贮存。本标准适用于非即食干紫菜和速食紫莱的产、检验和销售。2规范性引用文件
下列文件中的条款通过本标准的引用而成为本标准的条款。凡是注期的引用文件,其随后所有的修改单(不包括勘误的内容)或修订版均不适用于本标准,然而,鼓刷根据本标准达成协议的各方研究是否可使用这些文件的最新版本,凡是不注日期的引用文件,其最新版本适用于本标准。GB3097海水水质标准
GB/T4789.20食品卫生微生物学检验水产食品检验GH/T5009.3食品中水分的测定
GB/T5009.12食品中铅的测定
GB/T5009.17食品中总汞及有机汞的测定CB/T5009.190食品中指示性多氯联举含量的测定GB5749生活饮用水卫生标准
(H7718
颜包装食品标签通则
(319643藻类制品卫生标准
GIB/T20941水产食品加工企业良好操作规范SC/T3016水产品抽样方汰
3术语和定义
下列术语和义适用于本标准。
干坛紫菜dried porphyra haitanensis以坛紫莱原藻为原料通过消洗、去杂、切碎、成型等预处理,采用了自然风下、晒1、热风干燥、红外线于燥、微波十燥、低温冷冻于媒等工艺除去所含大部分水分制成的坛紫菜产品。3.2
干条斑紫菜driedl porphyra yezoensis以条斑紫菜原藻为原料通过清洗、去杂,切碎、成型等预处,采用了热风干燥、红外线于燥、微波干燥、低温冷冻干燥等1艺除去所含人部分水分制成的条斑紫莱产品。3.3
斑stiff speckle
在加工过程中因干燥不均衡而导致紫菜片张表面形成的佃硬斑块。3.4
菊花斑shrysanthcmm-like speckle在加工过程中因干燥不宪全而导致干紫菜片张表面形成类似菊花状的皱缩斑点。1
h
GB/T 23597—2009
死斑grayspeckle
因紫菜原藻细胞死亡后在于紫菜片张表面成的灰晴色斑点。3. 6
皱纹wrinkle
干紫菜片张表面波纹状皱褶。
孔洞 hole
于紫菜片张中未被紫莱填充的通透区域。3.8
硅藻diatom
一类细胞壁硅化并形成套合壳瓣结构的单细胞藻类。3.9
绿藻 green algac
藻类植物的一门,藻体皇绿色。4产品分类
4.1非即食干紫菜
4.1.1非即食干坛紫菜:经深度点调后才可食用或者用于精深加工原料的,以坛紫菜原为原料加工制成的干紫莱制品。
4.1.2非即食十条斑紫菜:经深度烹调后才可食用或若用于精深加T原料的,以条斑紫菜原藻为原料加工制成的干下紫制品。
4.2速食干紫菜
4.2.1速食于坛紫菜:经简单加热或者开水冲泡后可食用的,以坛紫菜原藻为原料制成的十紫菜制品。4.2.2速食干条斑紫菜:经简单加热或者开水冲泡后可食用的,以条斑紫菜原藻为原料加工制成的-紫莱制品。
5技术要求
5.1感官要求
5.1.1非即食十坛紫菜和速食干坛紫菜产品的感宫应符合表1的要求。表1干坛紫莱感官要求
气味及滋味
是方、圆形片状或其他不规则状,十煤均匀,无莓变呈褐色或熙褐色,具有坛紫菜特有光泽具有坛紫案固有的气味与滋味,无异味,无薇味求
无正常概力可见的外米机械杂质,但允许有少量的硅藻、绿藻等杂藻5. 1. 2
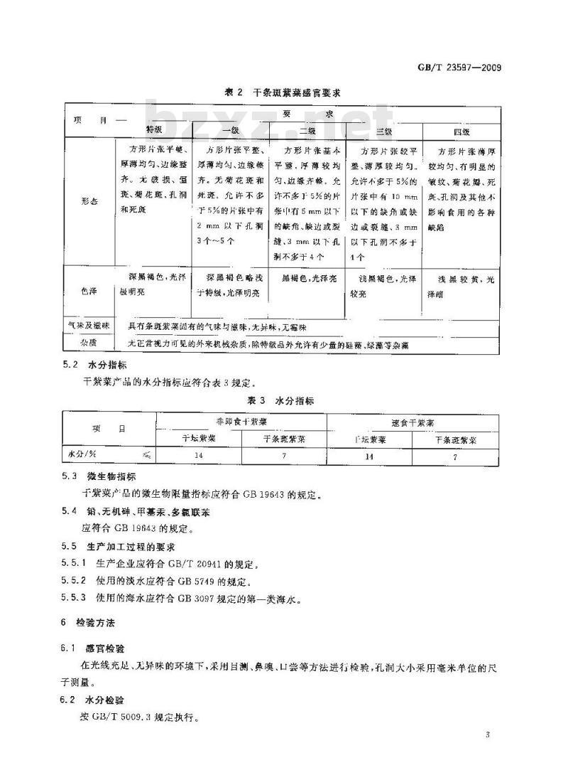
非即食十条斑紫菜和速食干条斑紫菜产品的感官应符合表2的要求。2
http:
气味及滋味
方形片张平整、
厚薄均匀、边缘整
齐。尤破损、盈
斑、菊花斑,孔洞
和死斑
深褐色,光洋
极明充
表2干条斑紫菜感官要求
方彤片张平整、
厚薄均勾、边缘整
齐。无菊花斑和
死斑。允许不多
于5%的片张中有
2mm以下孔洞
3个~~5个
探黑褐色略浅
于特毁,光泽明亮
方形片张基本
平,序薄较构
匀、边缴齐整。允
诈不多下5%的片
张中右5mm以下
的缺角,缺边或裂
缝、3mm以下孔
洞不多于 4 个
黑媽色,光择亮
具有条斑紫菜谢有的气味与滋味,无异味,无霉味兰级
方形片张较平
GB/T 23597—2009
方形片张游厚
整、薄厚较均勺.
允许不多于 5%的
片张中有 10 mtm
以下的缺角或缺
边或裂缝、3mm
」以下孔洞不多于
黑榻色,光泽
尤正常视力可见的外来机械杂质,除特级品外充许有少量的硅藻、绿藻等杂藻5.2水分指标
干紫菜产品的水分指标应符合表3规定,表 3 水分指标
水分/%
5.3微生物指标
非即食干紫菜
干坛紫菜
于条斑紫菜
于紫菜产品的微生物限量指标应符合GB19643的规定。5.4铅、无机砷、甲基汞、多氯联苯应符合GB19643的规定。
5.5生产加工过程的要求
5.5.1生产企业应符合GB/T20911的规定。5.5.2使用的淡水应符合GB5719的规定5.5.3使用的海水应符合GB3097规定的第一类海水。6检验方法
6.1感官检验
较均匀、有明显的
纹、菊花瓣、死
斑,孔洞及其他不
影响食用的各种
浅黑较黄,光
速食干紫菜
下条斑紫菜
在光线充足、无异味的环境下,采用目测、旁膜,口尝等方法进行检验,孔洞大小采用毫米单位的尺子测量。
6.2水分检验
按GB/T5009.3规定执行。
http:
GB/123597—2009
6.3铅的检测
铅的检测按 GB/T 5009.12 的规定执行。6.4甲基汞的检测
甲基汞的检测按 GB/T 5009.17的规定执行。6.5多氯联苯的检测
多氯联苯的检测按GB/T5009.190的规定热行,6.6无机砷的检测
无机的捡测按GB19643的规定执行。6.7微生物检验
每批样品同时取5个检样,按GB/T4789,20的规楚进行检测。7检验规则
7.1出广检验
7.1.1每批产品出厂前,应按本标准规是进行检验,检验含格方可出户。7.1.2出厂检验的项口包括:包装、标签、感官指标、水分,菌落总数、人肠菌群7.2型式检验
7.2.1正常生每6个月进行一次型式检验。有下列情况之一时,亦应进行型式检验a)更改主要原料时;
b)季节性生产或较长时间停产的,在恢复生时;c)更换设备后恢复生产吋;
d)出」检验结果与1:次型式检验结果有较人差异时;)国家质量监督机构或主管部门提出检验要求时。7.2.2型式检验项目包括本标准要求中的全部项目。7.3组批
同一班次,同一条生户线、同一批投料生产的同规格产品为一批。7.4抽样方法
按SC/T3016的规定执行。
7.5判定规则
7. 5. 1 出厂检验判定规则
7.5.1.1出厂检验项目全部符合标准,判为合格产品。7.5.1.2出厂检验项日如有1项不符合标准,间以加倍抽样复检,复检后仍不合格,判为不合格品,7. 5.2型式检验判定规则
7.5.2.1型式检验项口全部符合标准,判为合格品。7.5.2.2式检验顿目不超过3项不符合标,可在抽择批欢中加倍抽样复检,复检后有1项不符合标推,判为不合格品。超过3项不符合标摊,判为不合格品,不应复检,8标签和标志
8,】预包装产品销售包装应符合GB7718的规定,并按4.1、4.2标注产品类型(*非即食”、“速食”)及食用方法。
h
2标签应直接标注在最小销售单元或其预包装上。8.2
9包装
包装材料及容器
GB/T23597—2009
包装材料和容器应清洁、干煤、无毒、无异味,且符合相应的卫生标准要求和有关规定。2包装形式
销售包装应完整、严密,封口牢固。10运输
运输工具应保持清洁、卫生。不得与有毒、有污染的物品混装、混运,运输时应防止爆晒、雨淋。装卸肘应轻搬轻放。
11贮存
贮存过程应防雨、防潮、避光,贮存场所应清洁卫牛,禁正与有毒有害物品混存混放http://foodmate.neGB/T 23597-2009
打印期:2009年7月30口
中华人民共和
国家标准
干紫菜
G1/T 23597 2009
中国标准出版社出版发行
北京复兴门外三里河北街16号
邮政编码:100045
网址 spe.net.n
电话:6852391668517518
中国标推出版社秦阜岛印刷广印刷各地新华书店经销
开本 880×1230 1/16 印张 0.75,宇数10下字
2009年7月第-版2009年7月第-次印刷*
书号:155066:1-37895
如有印装差错由本社发行中心调换版权专有侵权必究
举报电话:010)68533533
品k伴网httn://wufoodmatene
小提示:此标准内容仅展示完整标准里的部分截取内容,若需要完整标准请到上方自行免费下载完整标准文档。