首页 > 国家标准(GB) > GB/T 14562-1999 V带疲劳试验方法 有扭矩法
GB/T 14562-1999

基本信息

标准号: GB/T 14562-1999

中文名称:V带疲劳试验方法 有扭矩法

标准类别:国家标准(GB)

标准状态:现行

发布日期:1999-01-02

实施日期:2000-05-01

出版语种:简体中文

下载格式:.rar.pdf

下载大小:137362

相关标签: 疲劳 试验 方法 扭矩

标准分类号

标准ICS号:机械系统和通用件>>挠性传动和传送>>21.220.10带传动及其零件

中标分类号:化工>>橡胶制品及其辅助材料>>G42胶管、胶带、胶布

关联标准

替代情况:GB/T 14562-1993

采标情况:=SAE J637 FEB89

出版信息

出版社:中国标准出版社

页数:平装16开, 页数:7, 字数:8千字

标准价格:8.0 元

相关单位信息

首发日期:1993-07-31

复审日期:2004-10-14

起草单位:无锡市橡胶厂

归口单位:中国石油和化学工业协会

发布部门:国家技术监督局

主管部门:中国石油和化学工业协会

标准简介

本标准规定了试验室检验V带疲劳寿命的方法。本标准适用于Z、A、B型普通V带和SPZ、SPA、SPB型窄V带及AV10、AV13型汽车V带。 GB/T 14562-1999 V带疲劳试验方法 有扭矩法 GB/T14562-1999 标准下载解压密码:www.bzxz.net

标准图片预览

GB/T 14562-1999 V带疲劳试验方法 有扭矩法
GB/T 14562-1999 V带疲劳试验方法 有扭矩法
GB/T 14562-1999 V带疲劳试验方法 有扭矩法
GB/T 14562-1999 V带疲劳试验方法 有扭矩法
GB/T 14562-1999 V带疲劳试验方法 有扭矩法

标准内容

GB/T14562--1999
随着工业的发展,对√带的传动性能与寿命的要求越来越高。一些厂家、尤其是引进设备的企业要求按照先进国家所普遍采用的试验方法来测定V带的疲劳寿命。因此对GB/T14562--1993《普通V带和窄V带疲劳试验方法》进行修订。修订后的新标准,在试验装置和试验程序方面等效采用了美国汽车工程师协会标准SAEJ637FEB89《汽车V带传动》。试验条件采用了德国公司的技术条件。对于以上两标准中未作规定的试验带轮轮槽部分的尺寸,则采用国际标准规定。修订后的新标准与原标谁的不同之处主要有以下几方面:试验装置由二轮试验机改为三轮试验机,主动轮转速由4000r/min增加为4700r/min及4900r/min,主动及从动轮直径有所加大,试验载荷(扭矩)除B型带略小之外,其他型号带的载荷均比原标准大,试验带的张紧力有所减小,终止试验条件之一由滑动率第三次达到6%改为第二次达到8%。本标准中关于汽车V带的疲劳试验方法与GB/T11545&汽车V带疲劳试验方法》中的规定有所不同。这也是根据用户的实际要求所规定的。本标准从生效之日起,代替GB/T14562—1993。本标准由国家石油和化学工业局提出。本标准由胶带标准化技术归口单位归口。本标准起草单位:青岛橡胶工业研究所、西北工业大学。本标准主要起草人:齐彬、武聪、韩徳深、张莉云。265
1范围
中华人民共和国国家标准
V带疲劳试验方法有扭矩法
V-belts---Fatigue test-Loaded method本标准规定了试验室检验V带疲劳寿命的方法。GB/T14562-1999
代替GB/T14562-1993
本标准适用于Z、A、B型普通V带和SPZ、SPA、SPB型窄V带及AV10、AV13型汽车V带。2 引用标准
下列标准所包含的条文,通过在本标准中引用而构成为本标准的条文。本标准出版时,所示版本均为有效。所有标准都会被修订,使用本标准的各方应探讨使用下列标准最新版本的可能性。GB/T11356.1—1997带传动普通及窄V带传动带轮(基准宽度)槽形检验GB/T11357—1989带轮的材质、表面粗糙度及平衡GB/T13405-1992汽车V带轮
3方法提要
本标准规定了采用三轮试验机测定V带疲劳寿命的试验方法。疲劳寿命是指当V带达到终止条件时所累积的正常运转小时数。试验过程中,主动轮按规定的转速运转,在从动轮上施加一定的载荷(扭矩),张紧力通过张紧装置和张紧轮作用于被试V带上,张紧轮位置锁定。4装置
4.1疲劳试验机(见图1),应包括以下几部分:a)一个主动轮及其驱动装置;
七)一个从动轮和与其相联的加载装置;c)个可以对被试V带施加张紧力的张紧轮和张紧装置;d)一个测量被试V带滑动率的装置,测量精度为士1%。a2
1从动轮(与加裁装置相联);2—张紧轮;3-主动轮:4—被试V带注:1)45°是指试验开始时的角度,在试验中经再张紧后其大小会发生变化。图1三轮试验机传动简图
国家质量技术监督局1999-12-28批准266
2000-05-01实施
4.2试验带轮
GB/T14562-—1999
4.2.1试验带轮应用45号钢或机械性能不低于45号钢的其他碳素钢制造。轮槽表面硬度为HRC40~45。
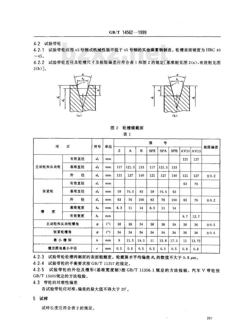
4.2.2试验带轮直径及轮槽尺寸及极限偏差应符合表1和图2的规定E基准制见图2(a),有效制见图2(b)]。
主动轮和从动轮
张紧轮
有效直径
基准直径
有效直径
基准直径
基准宽度
有效宽度
主动轮和从动轮槽角
张紧轮槽角
最小槽深
精顶圆角最小半径
图2轮槽横截面
极限偏差
4.2.3试验带轮轮槽两侧面的表面粗糙度。轮廊算术平均偏差R,的数值不大于0.8μm。4.2.4试验带轮的平衡要求按GB/T11357的规定。±0.2
4.2.5试验带轮的外径及槽形(基准宽度制)按GB/T11356.1规定的方法检验。汽车V带轮按GB/T13405规定的方法检验。
4.3带轮的对准性偏差
各试验带轮应对准,偏差的最大值不得大于20°。5试样
试样长度应符合表2的规定。
基准长度
有效长度
GB/T 14562 --1999www.bzxz.net
820~~1080
890~1100930~1100900~1120900~11201250~1400试验条件
6.1试验室温度控制在27~32℃。AV10
920-1 020920~1 020
6.2试验时,被试V带的传动装置附近不得有空气流动,但传动本身引起的空气流除外。6.3试验时主动轮的转速、从动轮的载荷及带的张紧力应符合表3的规定。表3
AV10,SPZ
AV13,SPA
7程序
7.1试验准备
主动轮转速n
r/min±2%
从动轮载P
张紧力F
185±10
240±10
410±10
410±10
495±10
820±10
将被试V带安装在试验带轮上,通过张紧轮对带施加规定的张紧力,不锁定张紧装置的位置,使其能在滑道中自由移动,开动试验机,使主动轮达到规定的转速。在上述条件下试验机运转5min士5s(不包括开机和停机时间)后,至少停止10min,然后将张紧轮中心锁定在其摆动范圈的中央位置上。7.2试验
7.2.1重新开动试验机使主动轮达到规定的转速,将规定的载荷迅速加到从动轮上。开始计时并记录主动轮和从动轮之间的滑动率。让试验机在上述条件下连续运转,直至滑动率达到8%,或者直至被试V带达到终止条件。
7.2.2每当滑动率达到8%时立即停止试验机的运转,使其至少停止20min,将锁紧装置松开,使V带重新承受规定的张紧力,然后将张紧轮锁定在其摆动范围的中央,再重新开动试验机,重复第7.2.1的试验,直至滑动率再次达到8%,或者直至被试V带达到终止条件。7.3滑动率的计算
V带的滑动率等于主动轮与从动轮的转速差除以主动轮转速。即:1-
式中:滑动率,%,
Ne——测量e值时的主动轮转速,r/min;一测量e值时的从动轮转速,r/min。7.4试验的终止
GB/T 14562—1999
当试验中出现被试V带断裂以及运转不稳定而不能均衡传递规定功率的现象或滑动率第二次达到8%时,终止试验并记录连续正常运转的累积小时数,作为疲劳试验结果。8
试验报告
试验报告应包括以下内容:
a)试验依据的标准号;
b)试验机型号;
c)试验带的型号和长度及生产厂家(或代号);d)疲劳寿命(h);
e)再次张紧次数;
f)终止试验的理由;
g)偶然情况;
h)试验期间的平均室温;
i)试验日期、试验人员及试验单位。269
小提示:此标准内容仅展示完整标准里的部分截取内容,若需要完整标准请到上方自行免费下载完整标准文档。