首页 > 国家标准(GB) > GB/T 4622.1-2009 缠绕式垫片 分类
GB/T 4622.1-2009

基本信息

标准号: GB/T 4622.1-2009

中文名称:缠绕式垫片 分类

标准类别:国家标准(GB)

标准状态:现行

发布日期:2009-11-15

出版语种:简体中文

下载格式:.rar .pdf

下载大小:1190055

相关标签: 缠绕式 垫片 分类

标准分类号

标准ICS号:流体系统和通用件>>管道部件和管道>>23.040.60法兰、管接头及其连接件

中标分类号:机械>>通用零部件>>J15管路附件

关联标准

替代情况:替代GB/T 4622.1-2003

出版信息

出版社:中国标准出版社

书号:155066·1-39767

页数:8页

标准价格:14.0 元

出版日期:2010-09-01

相关单位信息

起草人:李俊英、邱宽横、励行根

起草单位:中机生产力促进中心、慈溪市恒立密封材料有限公司、宁波天生密封件有限公司

归口单位:全国管路附件标准化技术委员会(SAC/TC 237)

提出单位:中国机械工业联合会

发布部门:中华人民共和国国家质量监督检验检疫总局 中国国家标准化管理委员会

主管部门:全国管路附件标准化技术委员会(SAC/TC 237)

标准简介

GB/T4622的本部分规定了缠绕式垫片的型式、代号、标记和标志。本部分适用于管法兰用缠绕式垫片。 GB/T 4622.1-2009 缠绕式垫片 分类 GB/T4622.1-2009 标准下载解压密码:www.bzxz.net

标准图片预览

GB/T 4622.1-2009 缠绕式垫片 分类
GB/T 4622.1-2009 缠绕式垫片 分类
GB/T 4622.1-2009 缠绕式垫片 分类
GB/T 4622.1-2009 缠绕式垫片 分类
GB/T 4622.1-2009 缠绕式垫片 分类

标准内容

ICS 23.040.60
中华人民共和国国家标准
GB/T4622.1—2009
代替GB/T4622.1-2003
缠绕式垫片
Classification for spiral wound gaskets2009-11-15发布
中华人民共和国国家质量监督检验检疫总局中国国家标准化管理委员会
2010-09-01实施
GB/T4622《缠绕式垫片》分为三个部分:分类;
管法兰用垫片尺寸;
技术条件。
本部分代替GB/T4622.1一2003《缠绕式垫片分类》。本部分与GB/T4622.1一2003相比,主要变化如下:增加了法兰密封面型式与垫片型式选用之间的对应关系;删除了两种金属带材料,增加了一种定位环材料;以“标记和标志”代替“标记”(2003版的第4章)。本部分由中国机械工业联合会提出。本部分由全国管路附件标准化技术委员会(SAC/TC237)归口。GB/T4622.1—2009
本部分起草单位:中机生产力促进中心、慈溪市恒立密封材料有限公司、宁波天生密封件有限公司。本部分主要起草人:李俊英、邱宽横、励行根。本部分所代替标准的历次版本发布情况为:-GB/T4622.1—1993、GB/T4622.1—2003。I
1范围
缠绕式垫片
GB/T4622的本部分规定了缩绕式垫片的型式、代号、标记和标志。本部分适用于管法兰用缠绕式垫片。2型式
2.1缠绕式垫片分为以下四种型式:基本型(见图1);
带内环型(见图2);
带定位环型(见图3);
带内环和定位环型(见图4)。
填充带
定位环
基本型
填充带
带内环型
填充带
图3带定位环型
定位环
填充带
带内环和定位环型
GB/T4622.1-2009
金属带
金属带
金属带
金属带
GB/T4622.1—2009
2.2缠绕式挚片的典型结构见图5。爆栓直径
定位环
凸起1.5
密封元件
内环内径D,
密封元件内径D,
密封元件外径D,
定位环外径D。
爆栓孔中心圆直径
图5缠绕式垫片典型结构
2.3用于样槽面法兰的缠绕式垫片应是基本型。2.4凹凸面法兰应选用带内环型。2.5突面和全平面法兰可选用带定位环型\单位为毫米
2.6突面和全平面法兰应优先选用带内环和定位环型。当填充带材料为聚四氟乙烯时应选用该型式。
3代号
缠绕式垫片型式的代号应按表1规定。表1型式代号
基本型
带内环型
带定位环型
带内环和定位环型
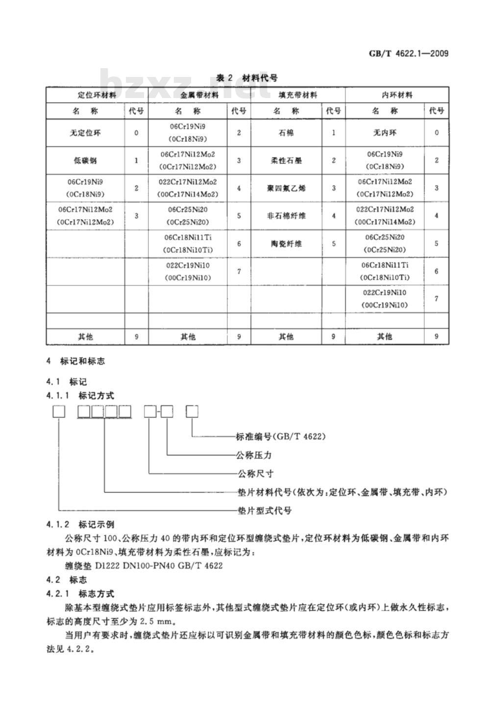
缠绕式垫片用材料的代号应按表2规定。代
适用的法兰密封面形式
棒槽面
凹凸面
全平面
标准的使用者需考虑到不带内环内径处又无约束的状况下,缠绕式垫片可能会发生径向属曲而影响正常使用1)
的风险。
定位环材料
无定位环
低碳钢
06Cr19Ni9
(0Cr18Ni9)
06Cr17Nil2Mo2
(0Cr17Ni12Mo2)
标记和标志
4.1标记
标记方式
4.1.2标记示例
表2材料代号
金属带材料
06Cr19Ni9
(0Cr18Ni9)
06Cr17Ni12Mo2
(0Cr17Ni12Mo2)
022Cr17Ni12Mo2
(00Cr17Ni14Mo2)bzxZ.net
06Cr25Ni20
(0Cr25Ni20)
06Cr18Ni11Ti
(0Cr18Ni10Ti)
022Cr19Ni10
(00Cr19Ni10)
填充带材料
柔性石型
聚四氟乙烯
非石棉纤维
陶瓷纤维
标准编号(GB/T4622)
公称压力
公称尺寸
GB/T4622.1—2009
内环材料
无内环
06Cr19Ni9
(0Cr18Ni9)
06Cr17Ni12Mo2
(0Cr17Ni12Mo2)
022Cr17Ni12Mo2
(00Cr17Ni14Mo2)
06Cr25Ni20
(0Cr25Ni20)
06Cr18Ni11Ti
(0Cr18Nil0Ti)
022Cr19Ni10
(00Cr19Ni10)
垫片材料代号(依次为:定位环、金属带、填充带、内环)垫片型式代号
公称尺寸100、公称压力40的带内环和定位环型缠绕式垫片,定位环材料为低碳钢、金属带和内环材料为0Cr18Ni9、填充带材料为柔性石墨,应标记为:缠绕垫D1222DN100-PN40GB/T46224.2标志
4.2.1标志方式
除基本型缠绕式垫片应用标签标志外,其他型式缠绕式垫片应在定位环(或内环)上做永久性标志,标志的高度尺寸至少为2.5mm。
当用户有要求时,缠绕式垫片还应标以可识别金属带和填充带材料的颜色色标,颜色色标和标志方法见4.2.2。
GB/T4622.1—2009
颜色色标
金属带材料以定位环外周边的连续颜色带表示;填充带材料以定位环外周边的间隔色条表示;DN40及以上规格的缠绕式垫片以四条间隔90°的色条、小于DN40用对称两条色条表示。所用颜色可按表3的规定或按用户要求而定。表3
06Cr19Nig
(0Cr18Ni9)
022Cr19Ni10
(00Cr19Ni10)
16Cr23Ni13
(2Cr23Ni13)
06Cr25Ni20
(0Cr25Ni20)
022Cr17Ni12Mo2
(00Cr17Ni14Mo2)
022Cr19Ni13Mo3
(00Cr19Ni13Mo3)
06Cr18Ni11Nb
(0Cr18Ni11Nb)
06Cr18Ni11Ti
(0Cr18Ni10Ti)
Monel 400b
颜色色标
无色·
无色·
无色·
青绿色
颜色色标
Hastelloy Ch
Inconel 600t
Inconel 625
Incoloy800
Incoloy825
柔性石墨
案四氟乙烯
无石棉纤维
云母“
颜色色标
灰色条纹
白色条纹
黑色条纹
粉色条纹
浅绿色条纹
为防止不同材料制成的相同型式垫片之间产生混滑,鼓励供需双方共同确定一种合适的颜色代码。b这些材料只是由特定供应商提供的产品的商品名。给出这些信息是为了方便GB/T4622的本部分的使用者,并不表示对这些产品的认可,如果其他等效产品具有相同的效果,则可使用这些等效产品。
小提示:此标准内容仅展示完整标准里的部分截取内容,若需要完整标准请到上方自行免费下载完整标准文档。