首页 > 国家标准(GB) > GB/T 14495-1993 木制件表面粗糙度比较样块
GB/T 14495-1993

基本信息

标准号: GB/T 14495-1993

中文名称:木制件表面粗糙度比较样块

标准类别:国家标准(GB)

标准状态:现行

发布日期:1993-05-05

实施日期:1994-05-01

出版语种:简体中文

下载格式:.rar.pdf

下载大小:99266

相关标签: 木制 表面 粗糙度 比较 样块

标准分类号

标准ICS号:计量学和测量、物理现象>>长度和角度测量>>17.040.20表面特征

中标分类号:机械>>机械综合>>J04基础标准与通用方法

关联标准

替代情况:被GB/T 14495-2009代替

出版信息

出版社:中国标准出版社

页数:平装16开, 页数:6, 字数:8千字

标准价格:8.0 元

相关单位信息

首发日期:1993-05-05

复审日期:2004-10-14

起草单位:机电部机械标准化所

归口单位:全国产品尺寸和几何技术规范标准化技术委员会

发布部门:国家技术监督局

主管部门:国家标准化管理委员会

标准简介

本标准规定了木制件表面粗糙度比较样块的制造方法、表面特征、样块分类、表面粗糙度参数、评定方法、结构尺寸及标志。本标准适用于砂、铣、刨、车等方法加工的木制件表面粗糙度比较样块。该样块用以与其结构纹理相近和加工方法相同的表面进行比较。通过视觉和触觉评定木制件表面粗糙度。它还可作为木制件表面粗糙度选用的参考依据。 GB/T 14495-1993 木制件表面粗糙度比较样块 GB/T14495-1993 标准下载解压密码:www.bzxz.net

标准图片预览

GB/T 14495-1993 木制件表面粗糙度比较样块
GB/T 14495-1993 木制件表面粗糙度比较样块
GB/T 14495-1993 木制件表面粗糙度比较样块
GB/T 14495-1993 木制件表面粗糙度比较样块

标准内容

中华人民共和国国家标准
木制件表面粗糙度
比较样块
Roughness comparison specimensfor wooden pieces
主题内容与适用范围
GB/T 14495--93
本标准规定了木制件表面粗糙度比较样块的制造方法、表面特征、样块分类、表面粗糙度参数、评定方法、结构尺寸及标志。
本标准适用于砂、铣、刨、车等方法加工的木制件表面粗糙度比较样块。该样块用以与其结构纹理相近和加工方法相同的表面进行比较。通过视觉和触觉评定木制件表面粗糙度。它还可作为木制件表面粗糙度选用的参考依据。
2引用标准
GB6062轮廓法触针式表面粗糙度测基仪轮廓记录仪及中线制轮廓计GB12472木制件表面粗糙度参数及其数值3定义
木制件表面粗糙度比较样块:表征木材经机械加工或其它方法加工的具有相近表面特征的已知表面轮廓算术平均偏差R。值的样块。4制造方法
样块按下列方法制造,
a.用电铸法复制的表面的阳模;b。用塑料或其它材料复制的表面的阳模;直接用特定木材按规定加工方法制造的表面。木材的含水率应等于或小于本地区年平均木材c.
平衡含水率。
5表面特征
5.1样块表面只应呈现它所要表征的特定材质和加工方法产生的表面粗糙度特征,而不应含有表面粗糙度以外的其它表面特征,如波纹度、翘曲度、木材缺陷和加工缺陷等。5.2样块裘面的色泽,应接近它所表征的特定材质表面的色泽。国家技术监督局1993-07-05批准212
1994-05-01实施
6分类及表面粗糙度参数
GB/T 14495-93
样块的分类及表面粗糙度参数公称值(按GB12472中所规定的表面轮廊算术平均偏差R.表示),应符合表1。
加工方法
木材分类
表面粗糙度
参数公称值
粗孔材
光刨类
细孔材粗孔材
细孔材
注:①光刨类包括手光刨、机光刨、刮刨。3.2
平、压创类
粗孔材
细孔材
粗孔材
细孔材Www.bzxZ.net
②平、压刨类包括铣削。
③粗孔材类指管孔直径大于200μm的木材;细孔材类指管孔直径小于或等于200)μm的木材(包括无孔材)。参见附录A(参考件)。
7粗糙度的评定
7.1评定方法
在样块表面均勾分布的位置上,按加工产生的最大粗糙度参数值的方向,取25个读数,以此计算平均值和标准偏差。根据读数的分散程度可适当增加或减少读数的个数。测量时一般应避开剖切导管较集中的局部表面。
测量仪器应符合GB6062的规定。测量仪器如果有已知和给定的误差应予以考虑。7.2取样长度
测量时,取样长度按表2选取。
平、压刨类
注:1)对于轮廊微观不平度的平均间距(Sm)大于10mm的木制件表面,在评定表面粗糙度R,参数值时,应采用在记录轮廓图形上计算的方法。
7.3平均值偏差
读数的平均值对公称值的偏离量,应不超过表3中给出的公称值百分率的范围。213
细孔材
粗孔材
细孔材
粗孔材
平均值偏差
(公称值百分率)
GB/T14495-93
评定长度所包括的取样长度个数2
标准偏差(有效值百分率),%
7.4标准偏离
偏离平均值的标准偏差,应不超过表3中所规定的有效值百分率范围。15
不同评定长度的标准偏差的最大允许值,根据评定长度所包括的取样长度的个数按下列公式计算:an
式中:an
实测时选用的评定长度所包括n个取样长度的标准偏差;s—评定长度包括5个取样长度的标准偏差一实测时选用的评定长度所包括的取样长度的个数。n
8结构与尺寸
8.1样块的结构尺寸应满足使用需要和对本身表面粗糙度测量的要求。8.2样块表面的最小尺寸应为50mm×100mm。9标志
样块必须有如下标志:
GB/T 14495—-93;
表面粗糙度参数R。及公称值um;木材分类及加工方法的类型;
制造厂厂名或注册商标;
产品序号。
GB/T14495--93
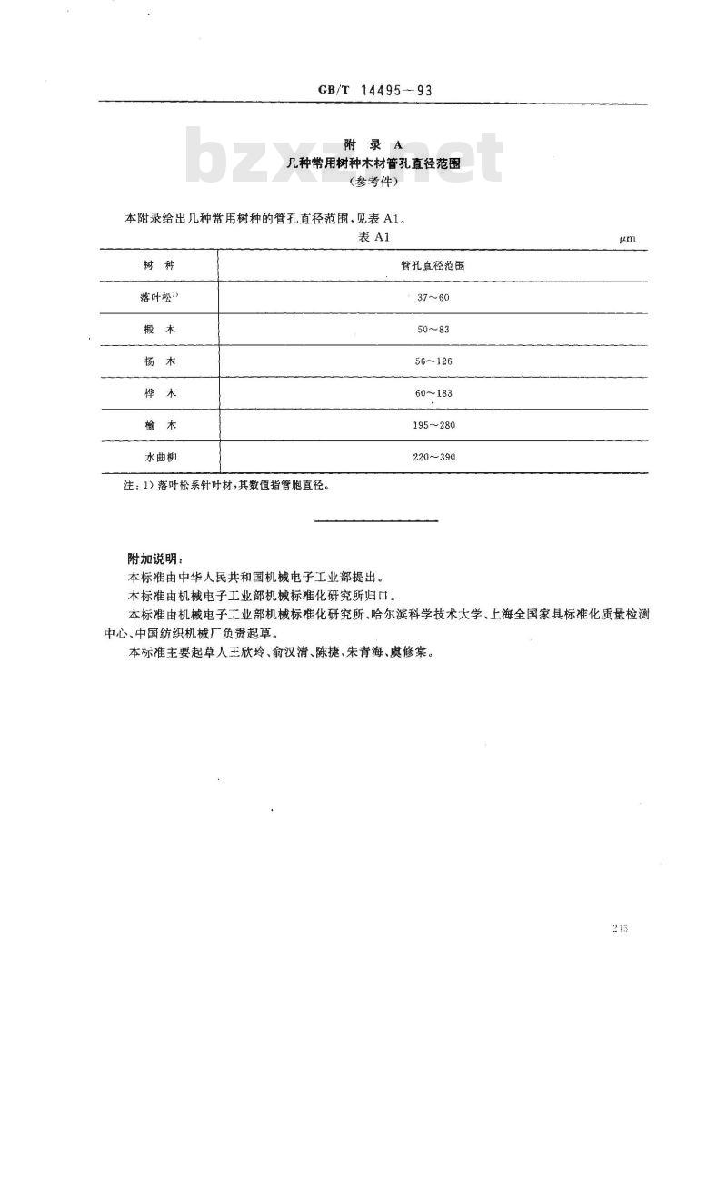
附录A
几种常用树种木材管孔直径范围(参考件)
本附录给出几种常用树种的管孔直径范围,见表A1。表A1
落叶松”
水曲柳
注:1)落叶松系针叶材,其数值指管胞直径。附加说明:
本标准由中华人民共和国机械电子工业部提出。本标推由机械电子工业部机械标推化研究所归口。管孔直径范围
:37~60
56~126
60~183
195~280
220~390
本标准由机械电子工业部机械标准化研究所、哈尔滨科学技术大学、上海全国家具标化质量检测中心、中国纺织机械厂负责起草。本标准主要起草人王欣玲、俞汉清、陈捷、朱青海、虞修棠。215
小提示:此标准内容仅展示完整标准里的部分截取内容,若需要完整标准请到上方自行免费下载完整标准文档。