首页 > 国家标准(GB) > GB/T 8628-2013 纺织品 测定尺寸变化的试验中织物试样的准备、标记及测量
GB/T 8628-2013

基本信息

标准号: GB/T 8628-2013

中文名称:纺织品 测定尺寸变化的试验中织物试样的准备、标记及测量

标准类别:国家标准(GB)

标准状态:现行

出版语种:简体中文

下载格式:.rar .pdf

下载大小:1026KB

相关标签: 纺织品 测定 尺寸 变化 试验 织物 试样 准备 标记 测量

标准分类号

关联标准

出版信息

相关单位信息

标准简介

GB/T 8628-2013 纺织品 测定尺寸变化的试验中织物试样的准备、标记及测量 GB/T8628-2013 标准压缩包解压密码:www.bzxz.net

标准图片预览

GB/T 8628-2013 纺织品 测定尺寸变化的试验中织物试样的准备、标记及测量
GB/T 8628-2013 纺织品 测定尺寸变化的试验中织物试样的准备、标记及测量
GB/T 8628-2013 纺织品 测定尺寸变化的试验中织物试样的准备、标记及测量
GB/T 8628-2013 纺织品 测定尺寸变化的试验中织物试样的准备、标记及测量
GB/T 8628-2013 纺织品 测定尺寸变化的试验中织物试样的准备、标记及测量

标准内容

码脑信
ICS59.080.30
中华人民共和国国家标准
GB/T8628—2013
代替GB/T8628--2001
纺织品
测定尺寸变化的试验中织物试样和服装的准备、标记及测量
TextilesPreparation,marking and measuring of fabric specimensand garments in tests for determination of dimensional change(ISO 3759:2011,MOD)
2013-12-17发布
中华人民共和国国家质量监督检验检疫总局中国国家标准化管理委员会
2014-10-15实施
本标准按照GB/T1.12009给出的规则起草。GB/T8628—2013
本标准代替GB/T8628—2001&纺织品测定尺寸变化的试验中织物试样和服装的准备、标记及测量》,与GB/T8628—2001相比主要技术变化如下:修改了适用范围的表述(见第1章,2001年版的第1章);删除了GB/T8170—1987的引用,增加了GB/T4666、GB/T8629,GB/T8631,GB/T19981、ISO15797、FZ/T20021的引用(见第2章、6.2、第9章,2001年版的第2章、第10章)删除了产生标准大气的设备(见2001年版的4.4);增加了对针织物的选样要求(见6.1);删除了试样的预调湿,将标记调整在调湿后面(见6.3和6.4,2001年版的6.4)增加了服装悬挂调湿的操作步骤(见7.1.4);增加了裤长的测量部位(见7.2.2);试验报告中增加了处理方法的描述(见第11章);删除了附录“胸罩、针织袜类、帽子,手套的测量”(见2001年版的附录B)。本标准使用重新起草法修改采用ISO3759:2011纺织品测定尺寸变化的试验中织物试样和服装的准备、标记及测量》(英文版)。本标准与ISO3759:2011的主要差异如下:删除国际标准的目录和前言;
规范性引用文件中的国际标准替换为相应的国家标准和行业标准(见第2章);增加了裤长的测量部位(见7.2.2);增加了计算公式中尺寸变化率的代号D和结果修约要求(见第10章);增加了窄幅织物试样的标记方法(见6.4和附录A)。本标准由中国纺织工业联合会提出。本标准由全国纺织品标准化技术委员会基础标准分技术委员会(SAC/TC209/SC1)归口。本标准起草单位:纺织工业标准化研究所、上海市纺织工业技术监督所、中山出人境检验检疫局。本标准主要起草人:姜慧霞、陈小诚、王京力。GB/T8628于1988年首次发布,2001年将GB/T8628—1988测定织物尺寸变化时试样的准备、标记和测量》与GB/T13768—1992《测定服装尺寸变化试验时试样的准备、标记和测量》合并进行第一次修订,本次为第二次修订。
1范围
纺织品测定尺寸变化的试验中织物试样和服装的准备、标记及测量
GB/T86282013
本标准规定了测定因水洗、干洗、水浸渍或汽蒸等处理程序引起尺寸变化时的纺织织物、服装和织物组件试样的准备、标记和测量方法,处理程序按照GB/T8629、GB/T19981、GB/T8631.ISO15797、FZ/T20021的规定。
本标准适用于机织物、针织物及纺织制品,不适用手某些装饰覆盖物2规范性引用文件
于本友件的应用是必不可少的。凡是注日期的引用文件,仅活日期的版本适用于本文下列文件对
件。凡是不注日期的引用文件,其最新版本(包括所有的修改单)适用于本文件。GB/T
纺织品
纺织品
纺织品
纺织品
199811
织物长度和幅宽的测定(GB/T4666-2009,ISO22198:2006IDT)调湿和试验用标准
武验用家庭洗涤利
织物玲水浸渍
纺织品
气(GB/T6529
139:005,MOD)
燥程序(GB/T8629-2001
SO6330.2000,eqv)
2001,ISO7771-1985)
十变化的测
定(GB/
织物和服装的专业维护
干洗和湿
部分干洗和整烫后性能的
评价(GB/T19981.1-2005
1.1998.MOD
ISO3175
织物和服装的专业维护干洗和湿洗第2部分:便用四氧乙烯干洗和GB/T199812
纺织品
整烫时性能试验的程序(GE
T19981.2-2005.1SO3175-2.1998,MOD)GB/T19981.3纺织品
织物和服装的专业维护手洗和湿洗第3部分使用烃类溶剂干洗和
整烫时性能试验的程序(GB/T19981.3—2009,ISO3175-3:2003,IDT)织物和服装的专业维护,干洗和使用模拟湿清洗时性能试验的程序GB/T19981.4
纺织品
(GB/T19981.4—2009ISO3175-4.2003,IDT)ISO15797
纺织品工作服的工业洗涤和整理程序FZ/T20021织物经汽蒸后尽寸变化试验方法3原理
选取具有代表性的试样。在每个试样上做数对标记点,分别在规定处理程序的前后测量每对标记点之间的距离。
4仪器
4.1直尺、钢卷尺或玻璃纤维卷尺,以毫米为刻度,其长度大于所测量的最大尺寸。玻璃纤维卷尺每6个月至少校验一次。4.2能精确标记的用具,例如:
GB/T8628—2013
a)不褪色墨水或织物标记打印器,如果必要,可使用带有测量格的模板;缝进织物做标记的细线,其颜色与织物颜色应能形成强烈对比;b)
c)在热塑材料上刺小孔做标记的热金属丝;d)订书钉,适用于在试验中不翻动(例如水中浸泡)的试样。4.3平滑测量台,足以放置整个样品。4.4工作台,用于支撑服装。
5调湿和试验大气
按照GB/T6529规定的标准大气条件对试样进行调湿和试验。6织物试样
6.1选样
对于织物类产品,试样应具有代表性。在距布匹端1m以上取样。每块试样包含不同长度和宽度上的纱线。裁样之前标出试样的长度方向。适体简径圆机加工的针织物应使用其筒状,无缝或织可穿的圆形针织物宜作为服装测试。筒状针织物宜裁开并使用平坦的单层状态,6.2尺寸
剪裁试样,每块至少500mm×500mm,各边分别与织物长度和宽度方向相平行。如果幅宽小于650mm,经有关当事方协商,可采取全幅试样进行试验。对于较大长度和宽度的纺织制品,按照GB/T4666进行测量。
如果织物在试验中可能脱散,使用尺寸稳定的缝线对试样锁边。6.3调湿
将试样放置在调湿大气中(见第5章),在自然松弛状态下,调湿至少4h或达到恒重。注:当以1h的间隔称重,质量的变化不大于0.25%时,即认为达到了恒重。6.4标记
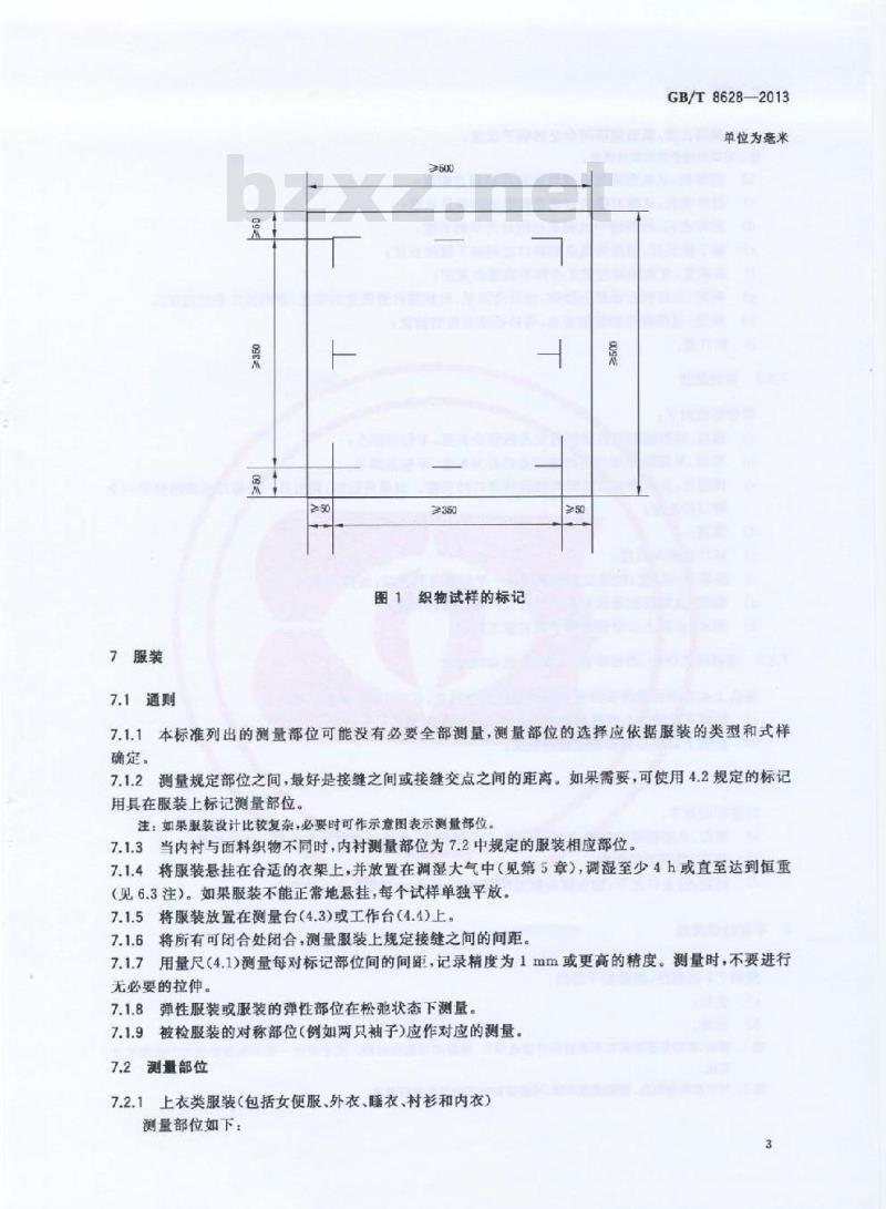
将试样放在平滑测量台上,在试样的长度和宽度方向上,至少各做三对标记。每对标记点之间的距离至少350mm,标记距离试样边缘应不小于50mm,标记在试样上的分布应均匀(见图1)。如果试样幅宽不足500mm,可采用附录A给出的方法进行标记。6.5尺寸测量
将试样平放在测量台(4.3)上,轻轻抚平折皱,避免扭曲试样。将量尺(4.1)放在试样上,测量两标记点之间的距离,记录精确至1mm。7服装
7.1通则
≥350免费标准下载网bzxz
图1织物试样的标记
GB/T8628-2013
单位为毫米
7.1.1本标准列出的测量部位可能没有必要全部测量,测量部位的选择应依据服装的类型和式样确定。
7.1.2测量规定部位之间,最好是接缝之间或接缝交点之间的距离。如果需要,可使用4.2规定的标记用具在服装上标记测量部位。
注:如果服装设计比较复杂,必要时可作示意图表示测量部位。7.1.3当内衬与面料织物不同时,内衬测量部位为7.2中规定的服装相应部位。7.1.4将服装悬挂在合适的衣架上,并放置在调湿大气中(见第5章),调湿至少4h或直至达到恒重(见6.3注)。如果服装不能正常地悬挂,每个试样单独平放7.1.5将服装放置在测量台(4.3)或工作台(4.4)上。7.1.6将所有可闭合处闭合,测量服装上规定接缝之间的间距。7.1.7用量尺(4.1)测量每对标记部位间的间距,记录精度为1mm或更高的精度。测量时,不要进行无必要的拉伸。
7.1.8弹性服装或服装的弹性部位在松弛状态下测量。7.1.9被检服装的对称部位(例如两只袖子)应作对应的测量。7.2
测量部位
7.2.1上衣类服装(包括女便服、外衣、睡衣、村衫和内衣)测量部位如下:
GB/T8628-2013
领圈长度:服装领嘴闭合处的领子长度a)
注:可以使用合适的领圈模型。b)
摆缝长:从袖最低点到服装底边的垂直距离;前片衣长:从领肩缝交点垂直到底边的前片长度;后片衣长:后领缝中点到底边的后片中线长度;袖下缝长度:袖离最低点到袖口之间袖下缝的长度总肩宽:由肩袖缝的交叉点推平横量的宽度;胸宽:扣好钮扣或拉上拉链,前后身摊平,沿袖鹰底缝横量的宽度(即胸围之半的宽度):袖宽:过摆缝与袖缝的交点、与袖长垂直处的袖宽;袖口宽。
裤类服装
测量部位如下:
前:从腰缝到腿内侧裆缝交点的前身长度,不包括腰头;后档:从腰缝到腿内侧档缝交点的后身长度,不包括腰头;裤腿长从档缝交点沿腿内侧到裤脚口的长度。如果是短裤,则为从个裤口经裤档到另一个
裤口的长度:
腰宽;
裤口或裤脑口宽;
膝部中)
宽:档缝交点至裤脚口
半距离处的宽度(短裤不测)
底处沿垂直于裤长的方向横量到裤侧边从档
上口沿侧整摊平垂直量至脚口
工装裤,连体游泳衣
连衫裤工作装,连衫裤装
综合上衣炎和裤关服装测量部位的规定进行测量,可对72.1做如下修改
前领下的中心到裤档接继或到开门末端的长度d)后领下口中心到裤裆接缝的长7.2.4裙子
测量部位如下:
裙长,从裙腰缝到底边之间的长度,不包括腰头,在前身申心线和后身中心线测量;a)
腰宽:裙腰处的腰宽;
裙宽,裙上口之下,如有腰头则为腰缝之下,至少二对等距离点的宽度。8平面纺织制品
按照7.1的程序,测量如下部位:a)全长;
b)全宽。
注1:慢、窗帘等厚重装饰布悬挂后可能会伸长,洗涤后可能会收缩。尺寸变化一般不包括受张力产生的尺寸变化。
注2:对于特殊的制品,例如成型床罩,可能需要对其他部位进行测量。9试样的处理和处理后的尺寸测量GB/T8628—2013
采用GB/T8629GB/T8631GB/T19981、ISO15797或FZ/T20021规定的程序对试样进行处理,然后按照第6、7或8章再次进行测量。10结果表示
按式(1)计算尺寸变化百分率:
式中:
尺寸变化率,%;
试样的初始尺寸,单位为毫米(mm);试样处理后的尺寸,单位为毫米(mm)。X100%
分别记录每对标记点的测量值,并计算尺寸变化量相对于初始尺寸的百分数,尺寸变化率的平均值修约至0.1%。使用“十”号表示伸长,使用“二”号表示收缩。试验报告
试验报告应包括下述内容:
试验按本标准(即GB/T8628—2013)进行:测试样品的描述、标识和尺寸;每个测量部位的描述;
处理方法的描述;
第10章计算的结果。
GB/T8628—2013
附录A
(资料性附录)
窄幅织物试样的标记
A.1织物幅宽不足500mm时,可按下述方法标记试样。根据织物宽度,在每块试样的长度方向上做至少一对标记点,每对两个标记之间的间距不小于350mm。标记距试样边,长度方向不小于50mm,宽度方向不小于35mm,各对标记相互分开,使测量值能代表整个试样,宽度方向标记距离可根据试样宽度与有关方协议确定(参见图A.1)单位为毫米
a)幅宽<70mm的织物试样测量点标记335
幅宽70mm~250mm的织物试样测量点标记>35
幅宽250mm~500mm的织物试样测量点标记图A.1窄幅织物的测量点标记
小提示:此标准内容仅展示完整标准里的部分截取内容,若需要完整标准请到上方自行免费下载完整标准文档。