首页 > 国家标准(GB) > GB 2637-1995 安瓿
GB 2637-1995

基本信息

标准号: GB 2637-1995

中文名称:安瓿

标准类别:国家标准(GB)

英文名称: Ampoule

标准状态:现行

发布日期:1995-01-02

实施日期:1996-08-01

出版语种:简体中文

下载格式:.rar.pdf

下载大小:380718

标准分类号

标准ICS号:医药卫生技术>>制药学>>11.120.20医用材料

中标分类号:医药、卫生、劳动保护>>医药、卫生、劳动保护综合>>C08标志、包装、运输、贮存

关联标准

替代情况:GB 2637-1990

采标情况:EQV ISO 4802/1-1988

出版信息

出版社:中国标准出版社

页数:平装16开, 页数:13, 字数:25千字

标准价格:12.0 元

相关单位信息

首发日期:1981-05-03

复审日期:2004-10-14

起草人:崔红菱、宋德贞、陈李娟

起草单位:上海玻璃厂

归口单位:国家玻璃搪瓷产品质量监督检验中心

提出单位:国家医院管理局

发布部门:国家技术监督局

主管部门:中国轻工业联合会

标准简介

本标准规定了易折安瓿的规格尺寸、产品标记、要求、抽样、试验方法、标志、包装。本标准适用于一次性使用的色环和点刻痕易折玻璃安瓿。 GB 2637-1995 安瓿 GB2637-1995 标准下载解压密码:www.bzxz.net

标准图片预览

GB 2637-1995 安瓿
GB 2637-1995 安瓿
GB 2637-1995 安瓿
GB 2637-1995 安瓿
GB 2637-1995 安瓿

标准内容

GB 2637—1995
本标准是 GB 2637一81≤安的第二次修订版。本标准中安内表面耐水性的试验方法引用GB12416.1一90药用玻璃容器耐水性试验方法和分级》,该国家标准等效采用1S04802-1:1988。本版本主要花卜列章节有改变:—1(适用于易折安颜;取消了安分类,分级的规定);一3.2(增加了安丝外径在极限偏差内分档的要求):—3.3(增加了产品标记):
一4.4.2(增如了安韶折断后断面应平整的要求)-5.2.2(表3中AQL的最大值由10.0提高到6.5)—6.1.3(补充了安颜折断力的试验方法);一7.2.1(增加了安颜内包装用热收缩膜封合的要求);7.2.4(增加了安包装件储存期的规定)。为积极贯彻采用国际标准的方针,尽快实现与国际接轨,本标准将IS091871:1991《医用注射设备:一注射用安瓶》和1S091872:1993《医用注射设备---易折安》两项国际标推规格尺寸等列入附录A(提小的附录)
根据用广的特殊需要将安耐碱性试验方法列人附录B(提示的附录),作为参考。出于安是直接接触药品的特殊包装产品,其质量直接影响人类用药的安全有效,此本标滩为强制性标准。
本标准的水平属国内先进水平,本标准从生效之日起,同时代替GB2637一90,本标推由国家医药管理局提出:本标准由国家玻璃塘瓷产品质量监督检验中心归本标准负责起草单位:上海坡璃厂,本标雅主要起草人:崔红菱、来德贞陈李娟。本标准首次发布十1981年,1990年第一次修订,1995年第二次修订,食品论坛交流资料WWW.FOODMATE.NET1范围免费标准下载网bzxz
中华人民共和国国家标准
Ampoule
G1 26371995
代替 GR 2637SO
本标准规定了易折安部的规格尺寸.产品标记、要求,抽样、试验方法、标志,包装,本标适用丁一次性使用的色环和点刻痕易折坡璃安部,2引用标准
下列标准所包含的条文,通过在本标准引用而构成为本标准的茶文。本标准出版时,所示版本均为有效。所有标准都会被修订,使用本标准的各,方应探讨使用下列标准最新版本的可能性,GB191—90包装诺运图示标志
(9132828一87逐批检查计数抽样程序改抽样表(适用于连续批的检查)GB654386瓦楞纸箱
GB 12414—1995药用玻璃管
GB12415—90药用玻璃容器内应力检验方法GB12416.1一90药用玻璃容器的耐水性试验方法和分级3规格尺寸和产品标记
3.1安瓶的规格尺应符合图1图2及表1的规定。食品论坛交流资料、WWPOODMATE.AET国家技术监督局1995-12-26批准1996-08-01实施
对口点
图1色环易拆安颜
GB 26371995
汪:其余尺寸图1。
图2点刻痕易折安部
3.2安的丝外径在被限偏差内,至少要求分二挡。3.3产品标记
规格为2 mL、用无色玻璃(cl)制成,符台本国家标准要求的色环易折安靓的标记示例为:安甄 GB 2637-chr-2-cl
规格为2InL、用棕色玻璃(br)制成、符合本国家标准要求的点刻痕易折资部的标记示例为:安GB2637-0PC-2-br
4要求
4.1材质
4.1.1应采用符合GB12414中有关规定的无色或综色安玻璃管制成。4.1.2玻璃材料的化学红战荠有变化,生产」应提前通知用。4.2内表面耐水性
安瓶内表面耐水性应符合GB12416.1中HCI级的要求。注:用户可根据特殊需要,将安耐碱性作为参号。其试验方法见附录B。4.3退火质量
安韶退火后的最大水久应力所造成的光程差不应超过每毫米玻璃厚度40nm。4.4折断力
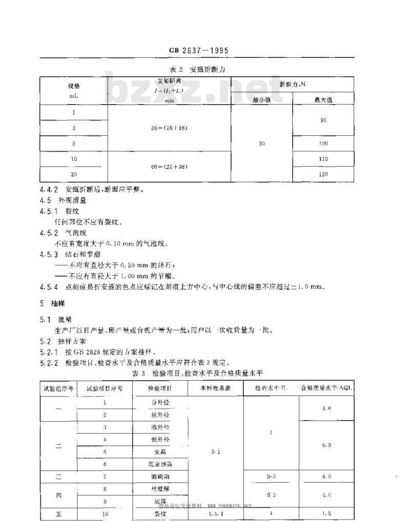
4.4.1安部折断力应符余表2规定的值。食晶论坛交流资料WWW.FOODMATE.NETGB2637-1995
19℃千
Jo=!
食品论
安折断后,断面应平整。
4.5外观质量
4.5.1裂纹
任何部位不应有裂纹,
4.5.2气泡线
GB 26371995
表2安折断力
支架原离
36=(18·f18)
60=(22·+38)
不应有宽度大于 0.10 rnm 的气泡线4.5.3结石和节瘤
一不应有直径大于0.50mm的结存,一不应有百径人于1.00mm的节瘤最小值
折断力,N
最大值
4.5.4点刻痕易折安的色点应标记在刻痕,上方中心,与中心线的偏差不应超过二1. 0 mm5抽样
5.1批量
生产厂以月产基、班量或台机产量为一批;而户以-次收货量为批。5.2抽样方策
5.2.1按GB2828规定的力案抽样
5.2.2检验项H、检查水及合格质量水平应符合表3规定,表3检验项目、检查水平及合格质量水平试验纽序号
试验项日序号
检验项目
身外径
丝外径
泡外经
锁外径
底垒颂商
圆跳动
本标推条款
成厚论坛交萍资料IL EDDIATE
检在水-TT
合格质景水平AQ1
试验组序号
试验项日序号
G 2637—1995
表3(完)
检验项目
气泡线
遵火质量
折断力
本标准条款
检忙水平IL
合格质量水半AQL
5.2.3每批产品的内表面耐水性按GB312416.1的规定抽样、试验,结果应符合4.2的规定。5.3判定规则
5.3. 1生产厂接 5.2检验时,均合格,方可出厂。5.3.2用户验收时,如有达不到5.2要求的,则用与生产厂应对该不合格项目进行会同检验,以含厕检验结果判定该批产品。
6试验方法
6. 1 理化性能
6.1.1内表面耐水性
按(B12416.1中的规定进行试验。6.1.2退火质量
按GE12415中的规定进行试验。
6. 1. 3折断力
6.1.3.1原埋
测定将安瓶颈积瓶身分开所要施加的力值。6.1.3.2仪器
精度为0.1N安瓶折力仪,应具有以下特性:试验速度:10mtm/min:
-小的测量范围:0~200 N。
试验装置必图3.
食品论坛交流资料WWW.FOODMATE.NET25
6.1. 3. 3试验步骤
GB 26371995
图3易折安颜折力试验装置
在两个金属支架之间设定一-段距离(如图3所示,并按表2规定),以便在与被测安的中心轴成90°的一个金属支架之问施加力。川安赢折力仪加力,直至安韶渐裂,记录下折断力值。注:在试验点刻痕易折安额折断力时,应将装置中的加力部件定位在刻旅:间(刻痕向下).否则折断力会增大。6.1.3.4试验报告
试验报告应包括下列内穿:
…试验仪器名称;
一试样规、数量;
一试验结果;
一试验单位、月期、试验者等名。6.2规格尺寸
6.2.1外径,高度
用精度为o.o1mm的游标卡尺测量。6.2.2厚度
用精度为 0.01 mm的测厚仪测量。6.2. 3圆跳动、底
用精度为 0. 01 mm 的仪器测定。6.3外观质量
以日力检验为主,必要时辅以10倍读数政大镜WWW.FOODMATE.NET
食品论坛交流资料
7标志、包装
7.1 标志 
GB 2637
7.1.1包装标志应符合GB191中的右关规定。7.1.2安包装应附台格证或标签,并注明下列内容:一产品名称、生产许可证号;
一生产厂厂名、厂址、商标:
一产品标记、数量;
一生产口期,包检者姓名或代号。7.2包装
7.2.1安甄内包装应采用不剥落纤维状颗粒的材料制成,并用热收缩膜封合7.2.2安外包装采用五层双比榜纸箱,应符合GH6543中的有关规定,7.2.3包装件运输的工具应清洁、无污染,并有遮篷。包装件装卸时应轻拿轻放。7.2.4包装件应贮存在清洁,通风、干懒、无污染的空内。贮存期不宜超过12个月。食品论坛交流资料WWW.FOODMATE.NETGH 2637—1995
附录A
(提尔的附录)
医用注射设备安额的规格尺寸和折断力指标本附录中图A1、图A2,图A3及表A1安瓶的规格尺小和丧A2折断力的要求摘白一注射液用安韶。
IS09187-1:1991医用注射设备一满少口
封口点
注;其余尺寸见图1。
图A」B型
曲颈割丝安瓶
圆头封二
图 A2 C型漏斗πH安 
注:其余尺见图1。
图品论有型资空脑实时日安
启外径
.± 0. 15
22 5 =
0. 25 5. 5
32 6 10.75 8. 5
泡外径
丝外径
涌为外径\”國头
1 0. 13. 7±0. K
士t,
基本级队基本限
1)如果需要缩小曲颈的多经,例如为「减少题粒,则应由生产!家和用户之自协商,2)漏斗和圆头的外轻,还能为任何一处尺寸大于瓶身延长线。3)只在下列限制时,公差有效≥十1的实际尺1。41偏心公府作封山点测量
规格尺小
底至额商
尺!!篇考
255.±0. 5
116.510.5
颈中半经
10尺寸
1. 25,±c 75
食品论坛交流资料WWW.FOODMATE.NET筑身厚
颈嘧厚
0.7 ±0.15
GB2637—1995
表A2折断力
支架距离
f-(+i)
36=(181183
60=(22+38)
最小值
最大值
本附录中图A4及表A3点刻痕易折安瓶(OPC)规格尺寸和表A4折断力要求,摘自ISO9187-2:1993双医用注射设备
易折安颜》。
图A4点刻狼易折安额(OPC)典型示例食晶论坛交流资料WWW.FOODMATE.NET规格
10--30
B1试剂
GB2637-1995
表 A3点刻痕易折安颜(OPC)规格尺计色点直径
底至色点上方高
农A4折断力
支架距离
最小值
36-(18—18)
60-(22-38)
附录B
(提示的附录)
安韶耐碱性试验方法
B1.1蒸馏水:必须新鲜煮沸,不含二氧化碳。B1.2氯氧化钠(GB629)分析纯。25
颈壁厚
0.7+0. 10
0. 71 0. 15
u. 8±. 15
折断力
最大值
B1.3<(VaOH)=0.1mo1/L和c(NaOII)=0.5mol/I,氢氧化钠标准溶液:称收约4及20g氢氧化销,分别置入1000 mL容景瓶中,用蒸馏水稀释至标线,摇匀、标定。B1.4c(NaO1I)=0.001mo1/L氢氧化钠济液:用吸管准确吸取10mI.包标定的r(NaOFI)=(.1m/1.氧氧化钠标准济液1=1000ml.容量瓶中.用蒸馏水稀释至标线,烯勾,B1.5(NaOH)=0.0075mol/品氰氨货溶液:鼠篇催确吸取15mL已标定的c(NaOH)=0.5rmol/1.氢氧化钠标准溶液于1000mL容量瓶中,用蒸馏水稀释至标线,摄约
小提示:此标准内容仅展示完整标准里的部分截取内容,若需要完整标准请到上方自行免费下载完整标准文档。