首页 > 国家标准(GB) > GB 19044-2003 普通照明用自镇流荧光灯能效限定值及能效等级
GB 19044-2003

基本信息

标准号: GB 19044-2003

中文名称:普通照明用自镇流荧光灯能效限定值及能效等级

标准类别:国家标准(GB)

标准状态:现行

出版语种:简体中文

下载格式:.zip .pdf

下载大小:192881

相关标签: 照明用 自镇流 荧光灯 能效 限定值 等级

标准分类号

关联标准

出版信息

相关单位信息

标准简介

GB 19044-2003.
1范围
GB 19044规定了普通照明用自镇流荧光灯(以下简称:自镇流荧光灯)的能效等级﹑能效限定值、节能评价值、试验方法和检验规则。
GB 19044适用于额定电压220 V、频率50 Hz交流电源,标称功率为60 W及以下,采用螺口灯头或卡口灯头,在家庭和类似场合普通照明用的,把控制启动和稳定燃点部件集成--体的自镇流荧光灯。
GB 19044不适用于带罩的自镇流荧光灯。
规范性引用文件
下列文件中的条款通过本标准的引用而成为本标准的条款。凡是注日期的引用文件,其随后所有的修改单(不包括勘误的内容)或修订版均不适用于本标准,然而,鼓励根据本标准达成协议的各方研究是否可使用这些文件的最新版本。凡是不注日期的引用文件,其最新版本适用于本标准。
GB/T 2828―逐批检查计数抽样程序及抽样表(适用于连续批的检查)
GB/T 2829
周期检验计数抽样程序及表(适用于对过程稳定性的检验)
GB/T 17263普通照明用自镇流荧光灯性能要求
3术语和定义
本标准除采用GB/T 17263中定义外,还采用下列术语和定义。
3.1
自镇流荧光灯初始光效initial luminous efficacy for self- ballasted fluorescent lamps
评定自镇流荧光灯能效水平的参数,该参数是自镇流荧光灯初始光通量与实测功率的比值,单位为流明每瓦(l m/W)。
3.2
自镇流荧光灯能效限定值limited values of energy efficiency for self一ballasted fluorescent lamps在标准规定测试条件下所允许的自镇流荧光灯的最低初始光效值。
3.3
自镇流荧光灯节能评价值
evaluating values of energy conservation of self 一 ballasted
fluorescent lamps

标准图片预览

GB 19044-2003 普通照明用自镇流荧光灯能效限定值及能效等级
GB 19044-2003 普通照明用自镇流荧光灯能效限定值及能效等级
GB 19044-2003 普通照明用自镇流荧光灯能效限定值及能效等级
GB 19044-2003 普通照明用自镇流荧光灯能效限定值及能效等级
GB 19044-2003 普通照明用自镇流荧光灯能效限定值及能效等级

标准内容

[CS 27, 010
中华人民共和国国家标准
GB 19044—2003
普通照明用自镇流荧光灯能效限定值及能效等级
L.imited values of energy efficiency and rating criteria of self -- ballasledfluorescent lamps for general lighting service2003-03-17发布
伴人民共和国
国家量篮警检验检疫总局
2003-09-01实施
本标准 4. 3 条是强制性的,其余条款是推荐性的本标准由国家经济贸易委员会、国家标准化管理委员会提出,本标准由全国能源基础与管理标准化技术委员会合理用电分委员会归口,GB19044—2003
本标推起草单位:中国标准研究中心北京电光源研究所,国家电光源质量监督检验中心(北京)、国家电光源质量监督检验中心(上海)、南京华东电子集团公司、浙江阳光集团股份有限公司、北京松下光源照明有限公司、国家计委能源研究所。本标推主要起草人:陈海红、赵嵌进、屈素辉、道德宁、华树明、俞安琪、李爱仙、刘伟、姚念,杭军、刘虹。
iYANikAca
1范围
GB 19044—2003
普通照明用自镇流荧光灯能效限定值及能效等级本标谁规定了普通照用月镇流荧光灯(以下简你:图镇流获光灯的能效等级,能效限是值,节能评价值、试验方法和检验规期。本标推适用于额定电压220V.频率50 Hz交流电源.标称功率为60W及以下,采用螺口灯头或-卡口灯头,在家庭和类似场合普通照明用的,把控制启动和稳定燃点部件集成一休的自镇流炎光灯。本标准不适用于带罩的自镇流荧光灯。2 规范性引用文件
下列文件中的条款通过本标的引用而成为本标准的条款。凡是注日期的引用文件,其随后所有的修改单(不包括勘误的内容)或修订版均不适用丁本标准,然而,鼓励根据本标推达成协议的各方研究是否可使用这些文件的最新版本,凡是不注期的非用文件,其最新版本适用于本标准。GB/T2828逐批检食计数抽样程序及抽样表(适用于连续批的检查)GB/T2829周期检验让数抽样释序及表(适用于对过程稳定性的检验)GB/117263普通照明用白镇流荧光灯性能要求3术语和定义
本标准除采用GB/T 17263 中定义外,还采用下列术语和定义,3.1
自镇流荧光灯初始光效initial luminousericacyforself-ballastedfluorescentlamps评定自镇流荧光灯能效水平的参数,该参数是自镇流荧光灯初始光通邀与实测功率的比值,单位为流明每瓦(1 m/W)
自镇流荧光灯能效限定值limited valtes of energy efflclency for self一balilasted fluorescent lamps在标准规定测试条件下所充许的自镇流荧光灯的最低初始光效值。3.3
自镇流荧光灯节能评价值evaluating valnes of energy conservation of self 一 ballastedTluorescent lamps
评价自慎流荧光灯节能水平的最低初始光效值4技术要求
4.1基本要求
本标准所适用的白镇流费光灯,其性能施符合CB/117263的要求,4.2能效等级及光通维持率www.bzxz.net
4.2.1能效等级
白镇流荧光灯能效等级分为3级,其中1级能效最高。各等级的初始光效值应不低于表1的规定。GB19044-2003
标称功率获用/
15-~到
25~-50
表1自镇流荧光灯能效等级
初始光效/Im/W>
能效能级(色调RR,RZ))
能效等级(色调:RIL.,RB,RV.RD)\2
α)表中色调应符合GB/T17263中表3色度坐标的要求。企业可以报据用户的要求谢造非标准颜色的灯,但应尚时给出非标推顔色色度出标的自标值,且其容差应在 5SIXCM的范阐之内。对于:非标准颜色的灯,其光效应按邻近标准颤色光效值较高的能效等级进行判定。4.2.2
光通维持率
各能效能级的自镇流荧光灯在燃点2000h附时·其光通维持率均不应低于80%。4.3能效限定值及光遵维持率
自镇流荧光灯能效限定值为表1中能效等级的3级。其光通维持率应符合4.2.2的规定。4.4节能评价值及光通维持率
自镇流荧光灯节能评价值为表1中能效等级的2级。其光通维持率应符合4.2.2的规定,5试验方法
试验一般求
按照GB/T1726中试验的~要求进行。5.2初始光效
自镇流荧光灯老炼100h之后,接照GB/T17263中光通量试验方法进行,光效通过计算得出。5.3色度坐标
自镇流灵光灯老炼100h之后,按照(B/T17263中颜色试验方进行。5.4光通维持率
按照GB/T17263中光通继持率试验方法进行。6
检验规则
6.1交收试验
制造厂应对本企业生产的自镇流炭光灯的能效限定值进行交收试验,经试验不合格的产品,不允许出厂、交收试验的自镇流荧光灯应从每班4:产的同一型灯中随机抽取,交收试验按GB/T2828执行,其试验项目.抽样方案、检查水乎按表2规定。表2交收试验抽样方案、检查水平及合格质量水平试验项民
韧始光效
6.2例行试验
技术要求
试验方法
拙样方案
检查水半
制造广应对本企业生产的自镇流荧光灯的能效限定值进行例行试验,每半年应不少于·次,从交收试验合格的灯中随机据取。有下列情况之一时·也应进行例行试验a)品的试制定型鉴定时;
-KAONiKAca
b)停产半年以上恢复生产时:
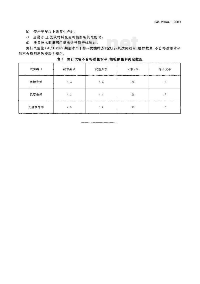
当设计、工艺或材料变更咀能影响其性能时d)质量技术监替部门提出进行例行试验时。GB19044--2003
例行试验按GR/T2829判别水!的次抽样方案执行.其试验项月、抽样数量、不合格质量水半和不合格判定数按表3规定。
例行试验不含格质量水平、抽检数最和判定数组试验琐日
初始光效
色度坐标
光道维挚筝
技术要求
武验方法
样本大小
小提示:此标准内容仅展示完整标准里的部分截取内容,若需要完整标准请到上方自行免费下载完整标准文档。