首页 > 国家标准(GB) > GB 18466-2001 医疗机构污水排放要求
GB 18466-2001

基本信息

标准号: GB 18466-2001

中文名称:医疗机构污水排放要求

标准类别:国家标准(GB)

英文名称: Requirements for wastewater discharge from medical institutions

标准状态:已作废

发布日期:2001-10-22

实施日期:2002-03-01

作废日期:2006-01-01

出版语种:简体中文

下载格式:.rar.pdf

下载大小:633720

相关标签: 医疗机构

标准分类号

标准ICS号:综合、术语学、标准化、文献>>词汇>>01.040.11医药卫生技术 (词汇)

中标分类号:医药、卫生、劳动保护>>卫生>>C51环境卫生

关联标准

替代情况:GBJ 48-1983 GB 8978-1996部分;被GB 18466-2005代替

出版信息

出版社:中国标准出版社

书号:155066.1-18241

页数:16开, 页数:20, 字数:34千字

标准价格:14.0 元

出版日期:2004-07-30

相关单位信息

复审日期:2004-10-14

起草单位:江苏省卫生监督所

归口单位:卫生部

发布部门:中华人民共和国国家质量监督检验检疫总局

标准简介

本标准规定了医疗机构污水和污泥的排放标准。本标准适用于下列医疗机构:1)污水直接排入江、河、湖、海、池塘、水库、溪、沟等地表水体的医疗机构。2)污水直接排入终端无污水处理厂的下水管理的医疗机构。3)污水无组织排放的医疗机构。4)所有的传染病和结核病医疗机构。 GB 18466-2001 医疗机构污水排放要求 GB18466-2001 标准下载解压密码:www.bzxz.net

标准图片预览

GB 18466-2001 医疗机构污水排放要求
GB 18466-2001 医疗机构污水排放要求
GB 18466-2001 医疗机构污水排放要求
GB 18466-2001 医疗机构污水排放要求
GB 18466-2001 医疗机构污水排放要求

标准内容

GB184662001
本标准中第 4章,5.1,5.4,5.5条为强制执行条文,其他为非强制执行条文。本标准是对GBJ48—1983张医疗机构污水排放标准(试行)的修订。为了贡彻执行中华人民共和国传染病防治法》,控制医疗机构污水对环境的污染,预防、控制和消除传染病的发生和流行,保障人体健康,特此对《医疗机构污水排放标准(试行)》进行修订。本标准对GBJ 48一1983 的适用范围,标准值、卫生要求和检验方法作了较大修改,增加了标准监督执行内容。
本标准从实施之日起,代替GBJ48—1983.同时代替GB8978—1996污水综合排放标准》中表2序号25和26以及表4中序号54和55中的标准值。本标准从2002年3月1日起实施。本标准的附录 A,B,C,D、E、F,G部是标准的附录。本标准由中华人民共和国卫生部提出。本标准负责起草单位:中国预防医学科学院环境卫生监测所:参加起草单位:江苏省卫生监督所。本标准主要起草人:福长庆、李霆、张漱洁、周淑玉、陈昌杰,本标准由卫生部委托中国预防医学科学院环境卫生监测所负责解释。1范围
中华人民共和国国家标准
医疗机构污水排放要求
Requirements for nedical organization sewage discharge1.1本标准规定了医疗机构污水和污泥的排放标准。1.2本标准适用于下列医疗机构:1)污水直接排人江、河、湖、海,池塘,水库、溪、沟等地表水体的医疗机构2)污水直接排人终端无污水处理广的下水管道的医疗机构。3)污水无组织排放的医疗机构。4) 所有的传染病和结核病医疗机构。2引用标准
GB 18466—2001
下列标准所包含的条文,通过在本标准中引用而构成为本标准的条文。本标难出版时,所示版本均为有效。所有标准都会被修订,便用本标推的各方应探讨使用下列标准最新版本的可能性。GB3838—1988地面水环境质量标准GB5084-1992农田薄凝水质标准
GI35749—1985生活饮用水卫生标准GB7959—1987粪便无害化卫生标准GB11607-1989鱼业水质标准
GB12941-1991
景观娱乐用水水质标准
GB/T11848—1993地下水质量标准3定义
本标准采用下列定义。
3. 1 医疗机构medical organization指依据医疗机构管理条例及《医疗机构管理条例实施细则的规定、经登记取得&医疗机构执业许可证》的机构。
3.2医疗机构污水 medical organization sewage指医疗机构门诊、病房、手术室、治疗室、各类检验室、病理解剖室、放射室、洗衣房,太平间等处排出的医疗、生活及粪便泻水。
3.3医疗机构污泌medical organization silt指医疗机构污水处理构筑物中的沉旋物和被拦截的漂浮物。4标准值
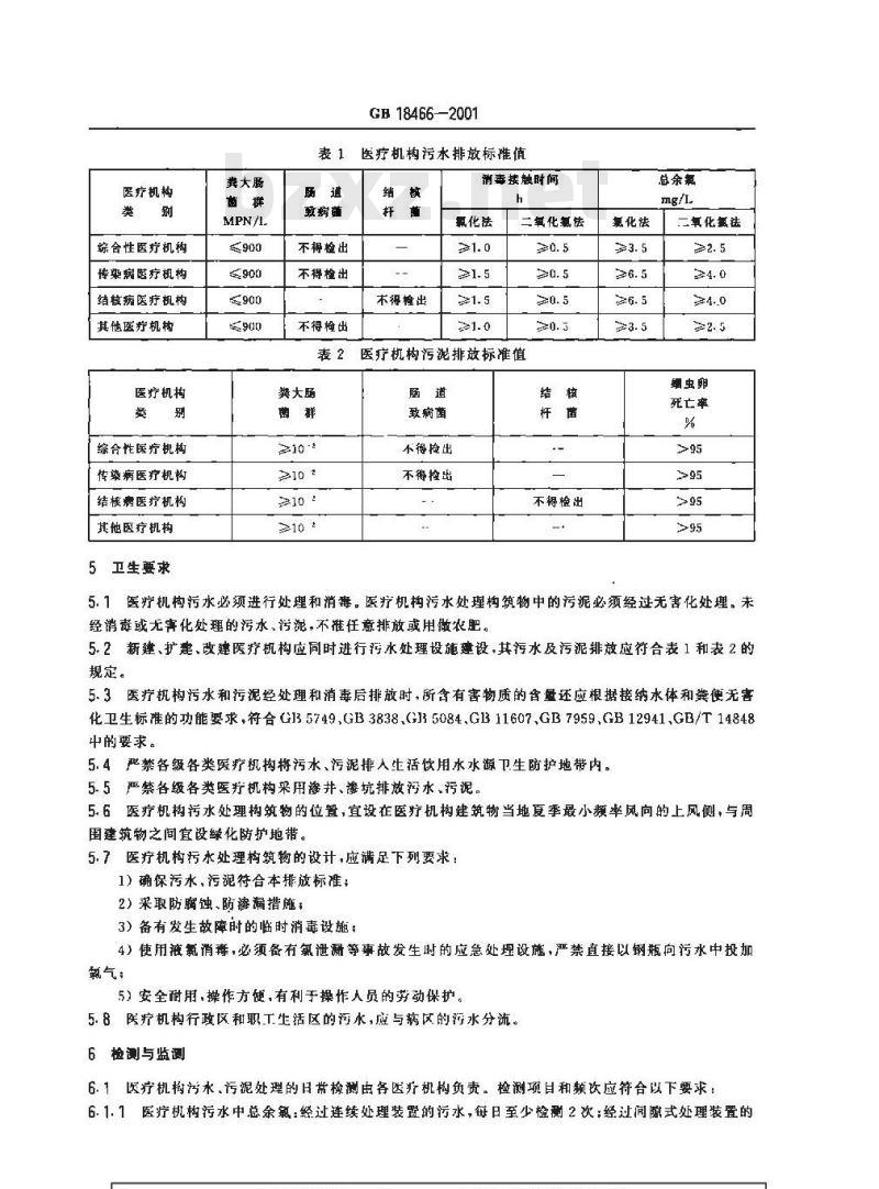
经处理和消毒后的医疗机构污水以及经无害化处理后的污泥,应该符合表」和表2的规定。中华人民共和国国家质量监督检验检总同2001-10-22批准2002-03-01实施
医疗机构
综合性医疗机构
传染病医疗机构
结核病医疗机构
其他医疗机构
医疗机构
综合性医疗机构
传染病医疗机构
结核病医疗机构
其他医疗机构
卫生要求
龚大肠
GB18466-—2001
医疗机构污水排放标推值
致病菌
不将检出
不得检出
不得检出
本得幢出
消毒按触时间
氯化法
二氧化氯法
医疗机构污泥排放标准值
樊大肠
≥10 t
致病菌
不得捡出
不得捡出
不得检出
氯化法
总余氟
二氧化氨法
姻虫卵
死亡率
5.1医疗机构污水必须进行处理和消毒。医疗机构污水处理构筑物中的污泥必须经过无害化处理。未经消毒或无害化处理的污水,污泥,不准任意排放或用做农肥。5. 2新建、扩建、改建医疗机构应同时进行污水处理设施建设,其污水及污泥排放应符合表1 和表 2 的规定。
5.3医疗机构污水和污泥经处理和消毒后排放时,所含有害物质的含量还应根据接纳水体和粪便无害化卫生标准的功能要求符合G13 5749,GB3838,GJ5084,GB11607,GB7959,GB12941,GB/T14848中的要求。
5.4严禁各级各类医疗机构将污水、污泥排人生活饮用水水源卫生防护地带内。5.5严禁各级各类医疗机构采用渗井、渗坑排放污水、污泥。5.6医疗机构污水处理构筑物的位置,宜设在医疗机构建筑物当地夏季最小频率风向的上风侧,与周围建筑物之间宜设绿化防护地带。5. 7医疗机构污水处理构筑物的设计,应满足下列要求:1)确保污水,污泥符合本排放标准:2)采取防腐蚀、防游漏措施;
3)备有发生故障时的临时消毒设施;4)使用液氮消毒,必须备有氯泄漏等事故发生时的应急处理设施,严禁直接以钢瓶向污水中投加氟气;
5)安全耐用,操作方便,有利于操作人员的劳动保护。5.8医疗机构行政区和职工生活区的污水,应与病区的污水分流。6检测与监测
6.1医疗机构污水,污泥处理的日常检测由各医疗机构负责。检测项目和频欲应符合以下要求:6. 1. 1 医疗机构污水中总余氯:经过连续处理装置的污水,每日至少检测 2 次;经过间隙式处理装置的污水,每次排放前均应检测。
GB18466—--2001
6. 1. 2医疗机构污水中粪大厨菌群:每月检测不得少于 1 饮。6. 1. 3医疗机构污水中致病菌;每年检测不得少于2次。主要检测沙门氏菌和志贺氏菌,结核病医疗机构检测结核杆菌。
6.1.4医疗机构污泥的卫生指标:每批污泥排放前,均应按衰 2 要求的项目检验。6. 2各级卫生防疫机构,应对辖区内医疗机构污水、污泥处理情况进行经常性卫生监测。并做好辖区内新建、改建、扩建医疗机构污水处理设施的预防性卫生监督工作。6. 2. 1监测赖次;传染病、结核病医疗机构污水每年监测至少 6 次,其他医疗机构污水每年监测至少 4次。 医疗机构污泥每次排放前监测。6. 2. 2污水监测项日;总余氧,粪大肠菌群,肠道致病菌;结核病医疗机构增测结核杆菌。6.2. 3污泥监测项目:烟虫卵死亡率,粪大肠菌值;传染病医疗机构增测肠道致病菌;结核病医疗机构增测结核杆菌。
7检验方法
本标推检验方法按附录 A,B、C,D、E,F,G执行。A1 位器和设备
A1.1 天平。
A1.2比色管。
A1. 3 量简。
A2试剂
GB 18466—2001
附录A
(标推的附录)
医疗机构污水中总余氧的检测方法邻联甲苯胺落液:称取1g邻联甲苯胺,溶于5ml,20%(容积/容积)盐酸中,将其调成糊状,加人150200mI.蒸馏水使其完全溶解,置于量简中补加馏水至505ml,最后加入20%盐酸495ml,储于棕色瓶中。
A3 测定步骤
A3. 1 被测样品温度宜为 15~20 C,如低于此温度.应先将样品浸人温水中使其温度升至 15~20 (后、再测定数值。
A3. 2在盛有5 ml. 样品的比色管内,滴加邻联甲苯胺溶液 2~~3滴,混勾。A3.3将样品置于黑暗处·静置15min后,与永久性余氛标准比色溶液比色测定,其结果为样品总余氣含过(比色时,眼晴从管口向下观察或由前面观察)。A3.4如余氟浓度很高时,会产生枯黄色;当样品碱度过高以及余氧浓度低时,可能产生淡蓝绿色或淡蓝色。此时,可再加人 1 ml. 1 :2 盐酸或 1 ml,邻联甲萃胺溶滋,即可产生正节的淡黄色,再进行测定。A4检验结果报告
检验结果以每升污水中含总余氯的毫克数(nig/1)报告。附景B
(标准的附录)
医疗机构污水中粪大肠菌群的检验方法B1仪器和设备
B1.1高玉蒸汽灭菌器。
1.27燥灭菌箱。
B1.3培养箱。
BT.4 电炉。
B1.5天平。
BI.6 火菌平血。
B1.7灭菌刻度吸管。
B2 培养基和试剂
B2.1乳糖-胆盐培养液
B2.1,1成分
蛋白豚
猪胆盐(或牛、羊胆盘)
0. 4%溴甲酚紫水溶液
燕馏水
B2.7.2制潜
GB 18466—2001
1000ml
将蛋白陈、胆盐及乳糖溶解于1000mL蒸馅水中,调整pH为7.2~7.4。加人指示剂,充分混勺,分装于有倒管的试管中。置于高压蒸汽灭菌器中,于 115 C灭菌 20 min。贮存于冷暗处备用:B2.2伊红美兰培养基
B2.2.1成分
蛋白陈
磷酸氢二钾
蒸馏水
2%伊红水溶液
0. 5%美兰水溶液
B2-2.2储备培养基的制法
20 ~30 g
1 000 ml.
B2. 2. 2. 1 先将琼脂加到 900 ml. 蒸增水中,加热游解,然后加入磷酸氯二钾及蛋白游,混勾使溶解,再以粪增水补足至 1 000 mL ,调 I 为 7. 2~7. 4,B2.2.2.2趋热用脱脂棉或绒布过滤,再加人乳糖,混勾后,定量分装于烧瓶内,置于高压热沉灭菌器中,以115(灭菌20 min。贮存于冷暗处备用。2.2.3平血培养基的制法
B2.2.3.1将已制备的培养基加热融化。B2.2.3.2根据烧瓶内培养基的容量,用灭菌吸管按比例吸取-定量的已灭菌的2%伊红水溶液及一定量已灭菌的0.5%美兰水溶液加人已融化的储备培非基内,并充分混勾<防止产生气泡)。立即将此种培养基适堪倾人已灭荫的空平血内待其冷凝后,备用。B2.3乳糖蛋白陈培养液
B2.3.1成分
蛋白藤
牛肉膏
氮化钠
1.6%溴甲酪紫乙醇溶液
B2. 3- 2制法
1 000 ml.
将蛋白陈,牛肉查、乳糖及郭化钠加热溶解于 1 000 mL 蒸馏水中,调整 pH 为 7. 2 ~~7. 4。 加人1.6%漠甲酚紫乙醇溶被1mL,充分混勾,分装于有倒管的试管中。置于高压蒸汽灭菌器中,以115C火菌荫 20 min。存于冷暗处备用。B2.4草兰氏架色液
B2.4.1结晶紫染色液
结晶紫
95%乙醇
1%草酸锌水溶液
GB 18466—2001
将结晶紫溶于乙醇中,然后与草酸铵水溶液混合。B2. 4. 2革兰氏碘液
碘化钾
蒸馏水
将碘与碘化钾先进行混合,加入蒸饷水少许,充分振摇,待完全溶解,再加人蒸俺水至300mL。B2.4.3脱色被:95%乙醇。
B2.4.4沙黄复染被
95%乙醇
蒸馅水
将沙黄溶于乙醇中,然后用蒸馏水稀释。B2.5染色法
B2.5.1将涂片在火焰上固定.滴加结晶紫染色液,染色1min,水洗。B2.5. 2滴加革兰氏碘被,作用 1 min,水洗。B2.5.3滴加95%乙醇脱色,约305,水洗。B2.5.4滴加复染液,复染1min,水洗,待干,镜检。B2.6染色结果
革兰氏附性菌呈紫色,革兰氏阴性菌呈红色。注:亦可用1:10稀辉的石炭酸复红染色渡作复染液.复染时间为105。B3检验程序
B3.1采样方法Www.bzxZ.net
用来水器或其他灭菌容器来取污水样100mL,放人灭菌瓶内,如果是经过加氯消毒处理的污水,需加1.5%硫代硫酸钠溶液5mL中和余氯。B3.2多管发酵法
B3.2.1初发酵实验:将原液作1:10、1:100、1:1000稀释,依次吸取11000、1:100、1:10及原液各1mL,分别注人装有10ml.乳糖胆盐培养内装小发酵管的试管中,将已接种的四支发酵管置于44(恒温培养箱内培养24h。
注:接种血为 10 ml. 时,可用与接种危相等的双料乳糖胆盐培养体。B3.2.2平板分离:取经培养24h后产酸产气,以及只产酸不产气的发酵管中培养液,分别划线接种伊红美蓝培养基上,置37C恒温培养箱内培养1824h,挑选符合下列特征的菌落,进行涂片,革兰氏染色,镜检。
伊红美蓝培养基上的菌落色洋:深紫黑色,具有金属光泽的菌落:紫黑色,不带或略带金属光泽的菌落+淡紫红色,中心色较深的菌落。B3.2.3复发酵实验:上述涂片镜检的菌落,如为革兰氏阴性无芽孢杆菌.再挑取该菌落接种于乳糖发酵管中(内有倒管),置于41C恒温培养箱中培养24h,有产酸产气者即证实有粪大肠菌群存在,按阳性管数查表。
GB 18466—2001
视其水质污染程度,决定稀释度和接种量。例如,污染较轻可接种总量11.11 mL,如污染严重可接种总量 0. 111 1 mL
表 B1粪大肠菌群检素表
(接种总量 1. 111 mL)
接种样品盘.mL
B4检验结果报告
类大肠菌群,MPN/L
23 000
96 000
238 000
>238 000
接种水样总量同表B1,检验结果可直接查表,得出龚大肠菌群数(MPN值)如接种水样总量比表1大10 倍(11.11 mL),检验结果为查表所得 MPN 值除以 10。时C
(标准的附录)
医疗机构亏泥中装大肠菌值的检验方法C1 仪器和设备
C1.1高压蒸汽灭菌器。
C1.2干燥灭菌箱。
C1.3培养箱:37C。
C1.4恒温水浴箱.
C1.5 电炉。
C1.6天平。
C1.7 灭菌平血。
C1.8灭菌刻度啵管。
C2培养基和试剂
C2. 1 乳糖-胆盐培养基:同附录 B2. 1。C2.2伊红美兰培养基:同附录 B2. 2.C2. 3乳糖蛋白陈培养液:同附录 B2. 3。C2.4革兰氏染色液:同附录 B2. 4。C3检验程序
GB18466—2001
C3. 1初发醇试验:按图 C1 所示将污泥释,分别将污泥样品接种于盛有 10 mL 乳糖胆盐培养液的试管中(内有小倒管)。再将已接种的四支试管置于 44C恒温培养籍中,培养24 h。泥100g
无菌水100mL
污视 1g? 加到
内有小例替的
发酶替中
电0.2mL(相当
污妮0. 1g)加
到内有小侧管
的发酵管中
取 1 mL(相当
行泥 0. 01 g>如加
到内有小倒管
的发醇悼中
污泥的稀释和接种示意图
无湖水
取 D. 1 m[<相当
光0. 001g)加
到内有小倒自
的发醇替中
C3. 2平板分离 经 24 h 培养后,将产酸产气及只产酸不产气的发酵管培养液分别划线接种于伊红美兰培养基上。置于 37 C恒温培养箱中培养18~24 h。挑选符合下列特征的菌落,进行涂片,革兰氏染色,镜检。
伊红美兰培养基上的菌落色译:深紫黑色,县有金属光泽的菌落:紫黑色,不带或略带金属光泽的菌落;淡紫红色,中心色较深的菌落。C3.3复发试验:上述涂片镜检的菌落如为革兰氏阴性无芽孢杆菌,则挑取该菌落的另一部分再接种于内有倒管的乳糖发酵管中,置于 44 C恒温箱培养 24 h。有产酸产气者即证实有囊大肠菌群存在。表C2粪大肠菌值检索表
(接种总量1.111g)
接种总盘.
粪大肠
接种总
C4检验结果报告
GB 18466—2001
表C2(完)
根据经证实的粪大肠菌群阳性管数,按表 C2批告粪大肠菌值。附录D
(标准的附录)
医疗机构污水及污泥中沙门民茜的检验D1仪器和设备
D11高压蒸汽灭菌器。
D1.2 干燥灭菌箱。
D1.3培养箱。
D1.4恒温水浴箱。
D1.5 电炉。
D1.6天平。
D1.7灭菌平血。
D1.8火菌刻度吸管。
D2培养基和试剂
1亚酸盐(SF)增菌液
D2.1.1成分
胰蛋白陈(或多价陈)
磷酸氢二钠(NaHPO,)
磷酸二氢钠(NaH,P),)
亚硒酸氢钠
D2. 1-2制咨
1 000 mL.
翼大肠
除亚硒酸氨钠外,将以1:各成分放丁蒸馏水中,加热溶化。再加人亚硒酸氢钠,待完个溶解后,调整pH 对 7. 0~7. 1。分装,于流通蒸汽灭菌器中灭菌 15 min 备用D2. 2 SS 培养基
D2. 2. 1 基础培养基
D2.2.1.1成分
牛肉膏
兰号胆盐
蒸馏水
D2.2.1.2制法
GB 18466—2001
1 000 ml.
将牛肉膏、示陈和胆盐溶解于400mL蒸馏水中,将琼脂加入600mL蒸焰水中,煮沸使其溶解,再将一者混合,121 (高压灭菌 15 min,保存备用。D2. 2- 2完全培养基
D2.2.2.1成分
基础培养基
柠酸钠
硫代硫酸钠
10%柠檬酸铁溶液
1%中性红溶液
0. 1%煌绿溶液
D2. 2, 2. 2 制法
1 000 mL
加热溶化基础培养基,按比例加人上述染色液以外的各成分,充分混合均勾,调整μH为7.0,加人中性红和煌绿溶液·倾注平板。注:制好的培养基宜当日使用,或保存于体箱内于 18 h 内用。煌绿溶疫配好后应在10 天以内使用。D2.3亚硫酸琼脂(BS)
D2.3.1成分
蛋白陈
牛肉膏
葡萄糖
硫酸亚铁
磷酸氢二钠
柠酸铋铵
亚硫酸钠
蒸馏水
D2. 3.2制法
18~20g
1 000 ml
将前面5种成分溶解于300mL蒸馏水中;将柠檬酸铋铵和亚硫酸钠另用50ml.蒸馏水溶解;将琼脂于600ml.蒸馅水中煮沸济解,冷至80C。将前三种溶液混合,补充蒸馏水至1000ml,调整pH为7.5,加0.5%煌绿水溶液5ml..摇勺。冷至50~55(.倾注平皿。生:此培养基不放高压灭菌。应在临用前-天制备,贮存丁室溢暗处.超过18h不亢仙用。D2.4三糖铁琼脂(TSI)
D2.4.1成分
蛋白陈
牛肉音
葡萄糖
氯化钠
硫酸亚铁铵
硫代硫酸钳
蒸馏水
D2.4.2制法
GB 18466-20D1
1 000 ml.
将除琼脂和酚红以外的各成分溶解于蒸馏水中,调pH为7.4。加入琼脂,加热煮沸,再加人0.2%酚红水溶液 12. 5 ml,据勾。分装试管,装量宜多些,以便得到较高的底层。121 C高压灭菌 15 min。放置高层斜面备用。
D2.4.3沙门氏菌属诊断血清
D3检测程序
1D3.1样品处理利增菌
污水:取250mL污水,用无菌纱布或脱脂棉进行初滤,然后再用滤膜进行抽滤。将韧后的纱布或脱脂棉和滤膜.放人到盛有100ml.左有的单倍SF增菌液的三角烧瓶中进行增菌培养。置于37C恒温培养箱,培养24h。
污泌:用灭菌匙称取污泥30g·放人灭菌穿器内加人300ml,火菌水,充分混勾制成1110混悬液。吸取1.述1:[(混总液1U0mL加十:100ml.双料亚牺酸盐(SF)增菌液内,置于37C恒温培养箱培养 24 lt。
D3-2板分离
取上述增菌培养液,分别接种5S板和135板,置于37(恒温培养箱培养24~48h。观察各平板上生长的菌落特征。
D3.3挑选函落
携取在SS板上.呈光色透明或中间有黑心、直径1~2mm的菌游;挑取在BS平板上呈黑色有金风光辫的菌落或绿色的菌落,
每个平板最少姚取5个以上可疑肠道病原菌菌落,转种三糖铁培养基中、置于37恒温培养箱中,培养 18~-24 h。
D3.4生化试验皮血清学检验
在二糖轶培养基中,如不发酵乳糖,发酵葡数糖产酸产气或只产酸不产气。般血牛硫化氧,有动力者,先与沙门氏^F群(多价血消作玻璃片凝集,凡与多价()血清凝集者,再与()因广血清集,以确定其所属群别,然后用H因子血清·确定血清型。双向菌株应证实两相的H抗原,有Vi抗原的菌型(伤寒和丙型副伤寒沙门氏菌)应用V因子血清检套。
小提示:此标准内容仅展示完整标准里的部分截取内容,若需要完整标准请到上方自行免费下载完整标准文档。