首页 > 其他行业标准 > FZ/T 92081-2014板簧加压摇架
FZ/T 92081-2014

基本信息

标准号: FZ/T 92081-2014

中文名称:板簧加压摇架

标准类别:其他行业标准

英文名称:Spinning leaf spring pendulum arms

标准状态:现行

发布日期:2014-05-06

实施日期:2014-10-01

出版语种:简体中文

下载格式:.pdf .zip

相关标签: 加压

标准分类号

标准ICS号:纺织和皮革技术>>纺织机械>>59.120.10纺纱、加捻和卷曲变形机械

中标分类号:纺织>>纺织机械与器具>>W93纺部机械与器具

关联标准

出版信息

出版社:中国标准出版社

书号:155066·2-27152

页数:12页

标准价格:16.0

出版日期:2014-10-01

相关单位信息

起草人:李瑞芬、俞宏图、唐国新、石正新、王霄、崔群海、张玉红

起草单位:常德纺织机械有限公司、常州市同和纺织机械制造有限公司、国家纺织机械质量监督检验中心、常德市恒天纺织机械有限公司、台州恒生纺机有限公司、合肥鹏通电子科技有限公司

归口单位:全国纺织机械与附件标准化技术委员会纺纱、染整机械分技术委员会(SAC/TC 215/SC 1)

提出单位:中国纺织工业联合会

发布部门:中华人民共和国工业和信息化部

主管部门:全国纺织机械与附件标准化技术委员会纺纱、染整机械分技术委员会(SAC/TC 215/SC 1)

标准简介

本标准规定了板簧加压摇架的分类和标记、要求、试验方法、检验规则、标志、包装、运输和贮存。 本标准适用于环锭纺的细纱机、粗纱机的板簧加压摇架。
本标准按照GB/T1.1—2009给出的规则起草。
本标准由中国纺织工业联合会提出。
本标准由全国纺织机械与附件标准化技术委员会纺纱、染整机械分技术委员会(SAC/TC215/SC1)归口。
本标准起草单位:常德纺织机械有限公司、常州市同和纺织机械制造有限公司、国家纺织机械质量监督检验中心、常德市恒天纺织机械有限公司、台州恒生纺机有限公司、合肥鹏通电子科技有限公司。
本标准主要起草人:李瑞芬、俞宏图、唐国新、石正新、王霄、崔群海、张玉红。
下列文件对于本文件的应用是必不可少的。凡是注日期的引用文件,仅注日期的版本适用于本文件。凡是不注日期的引用文件,其最新版本(包括所有的修改单)适用于本文件。
GB/T191 包装储运图示标志
FZ/T90001 纺织机械产品包装

标准图片预览

FZ/T 92081-2014板簧加压摇架
FZ/T 92081-2014板簧加压摇架
FZ/T 92081-2014板簧加压摇架
FZ/T 92081-2014板簧加压摇架
FZ/T 92081-2014板簧加压摇架

标准内容

ICS59.120.10
中华人民共和国纺织行业标准
FZ/T92081-2014
板簧加压摇架
Spinningleaf springpendulumarms2014-05-06发布
中华人民共和国工业和信息化部发布
2014-10-01实施
中华人民共和国纺织
行业标准
板簧加压摇架
FZ/T92081—2014
中国标准出版社出版发行
北京市朝阳区和平里西街甲2号(100029)北京市西城区三里河北街16号(100045)网址www.spc.net.cn
总编室:(010)64275323
发行中心:(010)51780235
读者服务部:(010)68523946
中国标准出版社秦皇岛印刷厂印刷各地新华书店经销
开本880×1230
印张0.75
字数18千字
2014年7月第一版2014年7月第一次印刷书号:155066·2-27152定价
如有印装差错
告由本社发行中心调换
版权专有下载标准就来标准下载网
侵权必究
举报电话:(010)68510107
本标准按照GB/T1.1一2009给出的规则起草。本标准由中国纺织工业联合会提出。FZ/T92081-2014
本标准由全国纺织机械与附件标准化技术委员会纺纱、染整机械分技术委员会(SAC/TC215)SC1)归口。
本标准起草单位:常德纺织机械有限公司、常州市同和纺织机械制造有限公司、国家纺织机械质量监督检验中心、常德市恒天纺织机械有限公司、台州恒生纺机有限公司、合肥鹏通电子科技有限公司。本标准主要起草人:李瑞芬、俞宏图、唐国新、石正新、王霄、崔群海、张玉红。I
1范围
板簧加压摇
FZ/T92081—2014
本标准规定了板簧加压摇架(以下简称“摇架”)的分类和标记、要求、试验方法、检验规则、标志、包装、运输和存。
本标准适用于环锭纺的细纱机、粗纱机的板簧加压摇架。2
规范性引用文件
下列文件对于本文件的应用是必不可少的。凡是注日期的引用文件,仅注日期的版本适用于本文件。凡是不注日期的引用文件,其最新版本(包括所有的修改单)适用于本文件。GB/T191包装储运图示标志
FZ/T90001
3分类和标记
纺织机械产品包装
按用途分为细纱摇架和粗纱摇架。3.2
标记内容
标记依次包含以下内容:
板簧加压摇架FZ/T92081-YJB
擎生型代号
牵伸型式代号
前后下罗拉最大中心距
类别代号
加压杆型式代号
产品名称及标准号
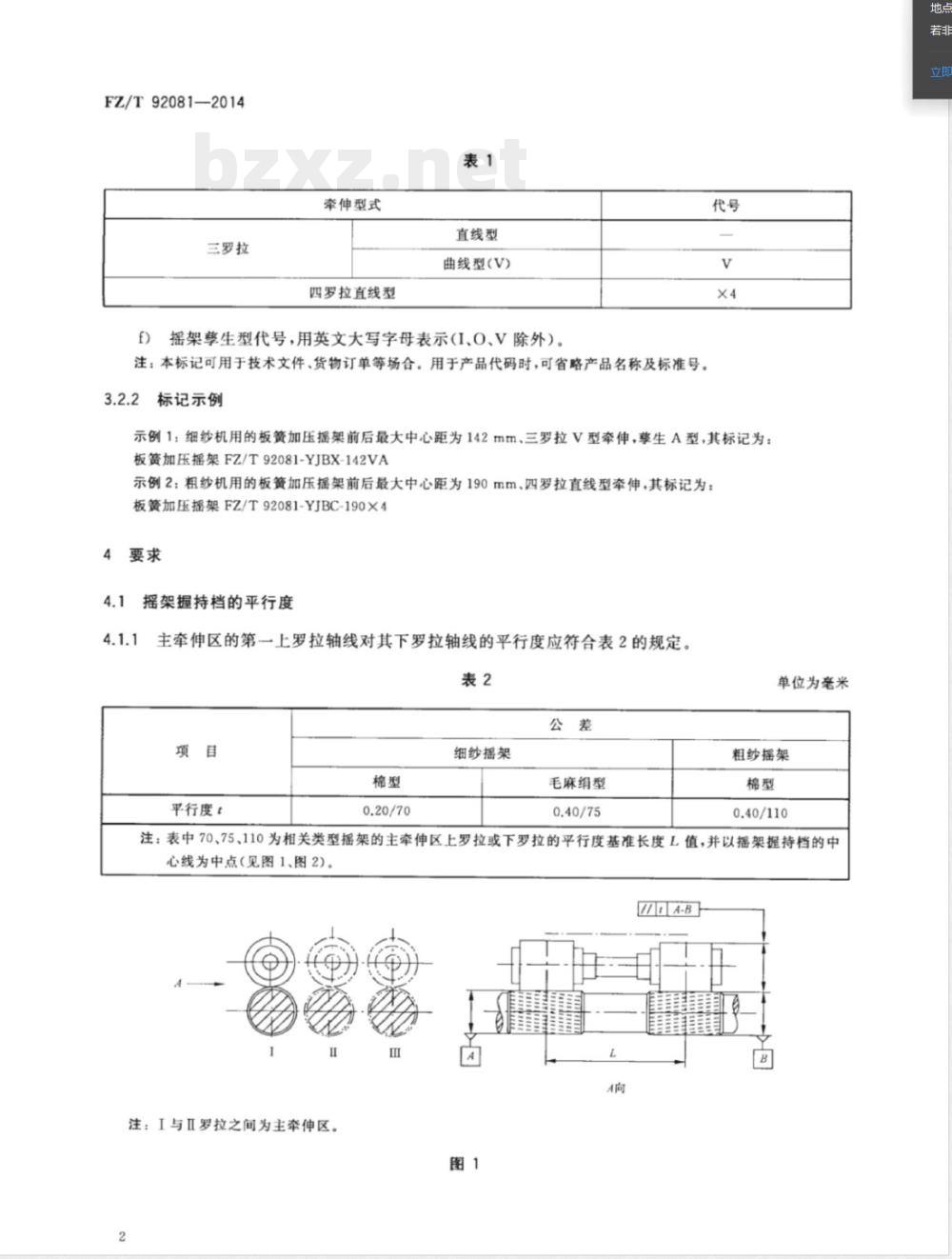
产品名称及标准号,为“板簧加压摇架FZ/T92081”;加压杆型式代号,板簧式加压杆用中文大写字母“YJB”表示;类别代号,用中文大写字母“X”表示细纱摇架、用“C”表示粗纱摇架;前后下罗拉最大中心距,用阿拉伯数字表示,单位为毫米;牵伸型式代号,见表1;
FZ/T92081—2014
三罗拉
牵伸型式
四罗拉直线型
直线型
曲线型(V)
摇架擎生型代号,用英文大写字母表示(I、O、V除外)。f)
注:本标记可用于技术文件、货物订单等场合。用于产品代码时,可省略产品名称及标准号。3.2.2
标记示例
示例1:细纱机用的板簧加压播架前后最大中心距为142mm、三罗拉V型牵伸,尊生A型,其标记为;板簧加压摇架FZ/T92081-YJBX-142VA示例2:粗纱机用的板簧加压摇架前后最大中心距为190mm、四罗拉直线型牵伸,其标记为:板簧加压摇架FZ/T92081-YJBC-190×44
摇架握持档的平行度
主牵伸区的第一上罗拉轴线对其下罗拉轴线的平行度应符合表2的规定。表2
平行度:
细纱摇架
毛麻绢型
单位为毫米
粗纱摇架
注:表中70、75、110为相关类型播架的主牵伸区上罗拉或下罗拉的平行度基准长度L值,并以摇架握持档的中心线为中点(见图1、图2)。
四A-B
注:I与Ⅱ罗拉之间为主牵伸区。2
注:Ⅱ与Ⅲ罗拉之间为主牵伸区。4.1.2
FZ/T92081—2014
主牵伸区的第二上罗拉轴线对第一上罗拉轴线的平行度应符合表3的规定。表3
平行度t
细纱摇架
毛麻绢型
单位为旁米
粗纱摇架
注:表中70、75、110为相关类型播架的主牵伸区上罗拉或下罗拉的平行度基准长度L值,并以摇架操持档的中心线为中点(见图3)。
4.1.3其余各上罗拉轴线对主牵伸区的第一上罗拉轴线的平行度应符合表4的规定。表4
平行度:
细纱摇架
毛麻绢型
单位为毫米
粗纱摇架
注:表中70、75、110为相关类型摇架的主牵伸区上罗拉或下罗拉的平行度基准长度L值,并以掘架握持档的中心线为中点(见图4)。
FZ/T92C81--2014
成套摇架加压压力
成套摇架加压压力应符合表5的规定。项目
·F为在规定工作位置时,摇架加压名义值。4.3成套摇架卸压力
成套摇架卸压力应符合表6的规定。项目
卸压力
摇架制造质量
细纱摇架
细纱摇架
摇架不应有缺件及因制造原因引起的损坏件。摇架锁紧机构应自锁可靠、稳定。摇架夹簧握持力不大于45N。
福架各压力档标识应清晰。
极限偏差
毛麻绢型
毛麻绢型
粗纱摇架
单位为牛顿
粗纱摇架
4.5摇架外观质量
FZ/T92081—2014
摇架的外露表面应光滑,无毛刺、锈蚀、镀层(或涂层)露底、伤痕和色泽明显差异等缺陷。5试验方法
5.1摇架安装在测试台上,按产品说明书的要求配置上罗拉,上罗拉的握持档直径精度等级不低于h7级,两胶辊的同轴度不大于0.02mm。按测试台的下罗拉参数调节上罗拉隔距,将摇架的工作压力调至最大值,开机运转时间不少于30s后进行平行度和卸压力的检验。5.2摇架主牵伸区的第一上罗拉轴线对其下罗拉轴线的平行度(4.1.1),用平行度量规进行测量,平行度误差为百分表1与2的示值差。I与Ⅱ罗拉之间为主牵伸区的测量见图5a),Ⅱ与Ⅲ罗拉之间为主牵伸区的测量见图5b)。
说明:
1、2-
一百分表
5.3摇架主牵伸区的第
量。用平行度量规测量见图
测量如图6b)所示
说明:
1、2-
杠杆百分表。
行度量规或游标卡尺测
用游标卡尺测量时,分别
的差值,即为立
5.4其余上罗拉轴线对主牵伸区第一上罗拉轴线的平行度(4.1.3),用游标卡尺分别测量图7中所示的5
FZ/T92081—2014
1,、,、,、。、、.“长度值,其各区对应长度的差值即为平行度误差。的测量见图7a),Ⅱ与罗拉之间为主牵伸区的测量见图7b)a)
I与Ⅱ罗拉之间为主牵伸区
5.5成套摇架加压压力(4.2),用弹簧拉压试验机或摇架测力仪测量(上罗拉按摇架设计要求配置)。5.6成套摇架卸压力(4.3),将摇架各档压力调至最小值,用测力计测量,见图8。图8
5.7摇架锁紧机构(4.4.2),用不大于30N的力向上拉手柄,不发生意外释压现象。5.8摇架夹簧握持力(4.4.3),在上罗拉握持档两侧的轴颈处挂两根拉绳,用测力计或码吊重测量见图9a)。其力(P)的方向与握持座顶面垂直,码吊重时握持座顶面呈水平位置,见图9b)。a)
5.9其余项目,感官检验。
检验规则
型式检验
在下列情况之一时,应进行型式检验:a)
新产品投产鉴定时;
结构、工艺、材料有较大改变时;产品停产两年以上,恢复生产时;正常生产定期或积累定的产量时;第三方进行质量检验时。
检验项目:第4章。
出厂检验
产品经生产企业的质量检验部门检验,并附有质量合格证。检验项目:第4章。
抽样方法和判定规则
检验样本采取随机抽样,样品数量50套,检验项目及合格率见表7。表7
检验项目
主牵伸区第一上罗拉轴线对下罗拉轴线的平行度主牵伸区第二上罗拉轴线对第一上罗拉轴线的平行度其他上罗拉轴线对主牵伸区第一上罗拉轴线的平行度成套掘架卸压力
成套摇架加压压力
摇架的缺损件
摇架自锁机构
播架夹簧握持力
摇架各压力档标识
摇架外观质量
标准章条号
样品数量
FZ/T92081-2014
合格率
6.3.2样本经检验,成套和单项合格率均达到本标准的规定,则判定该样本符合标准要求。反之,判定该样本不符合标准要求。
6.4其他
用户在安装、调整过程中,发现产品有不符合本标准要求时,由生产企业会同用户共同处理。地点
FZ/T92C81-2C14
7标志
摇架上标识产品标记和企业标志。7.2
包装储运图示标志按GB/T191的规定包装、运输及贮存
8.1产品包装应符合FZ/T90001的规定,包装箱内附有合格证和说明书。8.2产品在运输过程中,包装箱按规定的朝向安置,不得倾倒或改变方向。8.3产品自出厂之日起,在良好的防雨、通风贮存条件下,包装箱内的零件防锈、防潮有效期自出厂之日起一年。
版权专有
侵权必究
书号:155066·2-27152
FZ/T92081-2014
定价:
小提示:此标准内容仅展示完整标准里的部分截取内容,若需要完整标准请到上方自行免费下载完整标准文档。