首页 > 其他行业标准 > FZ/T 94056-2010数字化簇绒地毯织机
FZ/T 94056-2010

基本信息

标准号: FZ/T 94056-2010

中文名称:数字化簇绒地毯织机

标准类别:其他行业标准

英文名称:Digital tufting carpet knitting machines

标准状态:现行

发布日期:2010-08-16

实施日期:2010-12-01

出版语种:简体中文

下载格式:.pdf .zip

相关标签: 数字化 地毯 织机

标准分类号

标准ICS号:纺织和皮革技术>>纺织机械>>59.120.30织机、织造机器

中标分类号:纺织>>纺织机械与器具>>W94织部机械与器具

关联标准

出版信息

出版社:中国标准出版社

页数:12页

标准价格:16.0

出版日期:2010-12-01

相关单位信息

起草人:孙以泽、孟婥、窦秀峰、孙志军、徐洋、宋奎新、栾淑英

起草单位:东华大学、浙江东方星月地毯产业有限公司、义乌高远地毯有限公司

归口单位:全国纺织机械与附件标准化技术委员会

提出单位:中国纺织工业协会

发布部门:中华人民共和国工业和信息化部

主管部门:全国纺织机械与附件标准化技术委员会

标准简介

本标准规定了数字化簇绒地毯织机的产品分类与主要技术参数、要求、试验方法、检验规则以及标志、包装、运输与贮存。 本标准适用于以600den~5000den的合成纤维、羊毛、羊毛混纺纤维等为绒头原料,将纱线刺入底布形成割绒、圈绒、割绒和圈绒组合的数字化簇绒地毯织机。
本标准由中国纺织工业协会提出。
本标准由全国纺织机械与附件标准化技术委员会归口。
本标准由东华大学负责起草,浙江东方星月地毯产业有限公司、义乌高远地毯有限公司参加起草。
本标准主要起草人:孙以泽、孟婥、窦秀峰、孙志军、徐洋、宋奎新、栾淑英。
下列文件中的条款通过本标准的引用而成为本标准的条款。凡是注日期的引用文件,其随后所有的修改单(不包括勘误的内容)或修订版均不适用于本标准,然而,鼓励根据本标准达成协议的各方研究是否可使用这些文件的最新版本。凡是不注日期的引用文件,其最新版本适用于本标准。
GB/T191 包装储运图示标志
GB755 旋转电机 定额和性能
GB5226.1—2002 机械安全 工业电气设备 第1部分:通用技术条件
GB/T7111.1 纺织机械噪声测试规范 第1部分:通用要求
GB/T7111.6 纺织机械噪声测试规范 第6部分:织造机械
GB/T11746—2008 簇绒地毯
FZ/T90001 纺织机械产品包装
FZ/T90074 纺织机械产品涂装
FZ/T90089.1 纺织机械铭牌 型式、尺寸及技术要求
FZ/T90089.2 纺织机械铭牌 内容

标准图片预览

FZ/T 94056-2010数字化簇绒地毯织机
FZ/T 94056-2010数字化簇绒地毯织机
FZ/T 94056-2010数字化簇绒地毯织机
FZ/T 94056-2010数字化簇绒地毯织机
FZ/T 94056-2010数字化簇绒地毯织机

标准内容

ICS59.120.30
中华人民共和国纺织行业标准
FZ/T94056—2010
数字化簇绒地毯织机
Digitaltuftingcarpetknittingmachines2010-08-16发布
中华人民共和国工业和信息化部发布
2010-12-01实施
本标准由中国纺织工业协会提出。前
本标准由全国纺织机械与附件标准化技术委员会归口。FZ/T94056—2010
本标准由东华大学负责起草,浙江东方星月地毯产业有限公司、义乌高远地毯有限公司参加起草。本标准主要起草人:孙以泽、孟媒、窦秀峰、孙志军、徐洋、宋奎新、栾淑英。1
1范围
数字化簇绒地毯织机
FZ/T94056—2010
本标准规定了数字化簇绒地毯织机的产品分类与主要技术参数、要求、试验方法、检验规则以及标志、包装、运输与贮存。
本标准适用于以600den~5000den的合成纤维、羊毛、羊毛混纺纤维等为绒头原料,将纱线刺入底布形成割绒、圈绒、割绒和圈绒组合的数字化簇绒地毯织机。2规范性引用文件
下列文件中的条款通过本标准的引用而成为本标准的条款。凡是注日期的引用文件,其随后所有的修改单(不包括勘误的内容)或修订版均不适用于本标准,然而,鼓励根据本标准达成协议的各方研究是否可使用这些文件的最新版本。凡是不注日期的引用文件,其最新版本适用于本标准。GB/T191包装储运图示标志
GB755旋转电机定额和性能
GB5226.1一2002机械安全工业电气设备第1部分:通用技术条件GB/T7111.1纺织机械噪声测试规范第1部分:通用要求6纺织机械噪声测试规范第6部分:织造机械GB/T7111.6
GB/T11746—2008簇绒地毯
FZ/T90001
FZ/T90074
纺织机械产品包装
纺织机械产品涂装
FZ/T90089.1纺织机械铭牌型式、尺寸及技术要求FZ/T90089.2纺织机械铭牌内容
3产品分类与主要技术特性
3.1产品代号
产品代号的编制示例见图1。
3.2主要技术参数
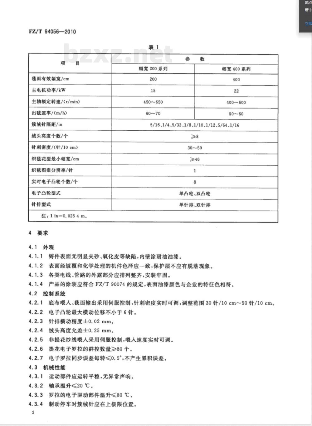
主要技术参数见表1。
幅宽,单位cm
一数字化
产品序号
簇绒地毯织机
-织机
设计单位名称
FZ/T94056—2010
毯面有效幅宽/cm
主电机功率/kW
主轴额定转速/(r/min)
出毯速率/(m/h)
筷绒针隔距/in
绒头高度个数/个
针刺密度/(针/10cm)
织毯花型最小幅宽/cmwwW.bzxz.Net
织毯图案分辨率/针
实时电子凸轮个数/个
电子凸轮型式
针排型式
注:1in=0.0254m。
4.1外观
幅宽200系列
450~650
幅宽400系列
400~600
5/16、1/4、5/32、1/8、1/10、1/12、5/64、1/16>8
单凸轮、双凸轮
单针排、双针排
铸件表面无明显夹砂、氧化皮等缺陷,内壁涂耐油油漆。4.1.1
表面经镀覆和化学处理的机件色泽应一致,保护层不应有脱落现象。4.1.2
各类电线、管路的外露部分应排列整齐,安装牢固。4.1.3
4.1.4产品的涂装应符合FZ/T90074的规定,表面油漆颜色与企业的特征色相符。4.2控制系统
底布喂入、毯面输出采用伺服控制,针刺密度实时可调,调整范围30针/10cm~50针/10cm。电子凸轮最大横动位移不小于6针。针排横动精度士0.02mm。
绒头高度允差土0.25mm。
非提花纱线喂人采用伺服控制,喂入速度实时可调。4.2.5
4.2.6提花电子罗拉的群控数量≥80个。4.2.7
电子罗拉同步误差每转≤0.5°,不产生累积误差。4.3机械性能
4.3.1运动部件应运转平稳,无异常声响。轴承温升≤20℃。
罗拉的电子驱动部件温升≤80℃。4.3.3
制动停车时筷绒针应在上极限位置。2
4.3.5机械效率>95%。
4.4功耗
FZ/T94056—2010
空车运转时主电机的输人功率幅宽200系列≤5kW,幅宽400系列≤6.5kW。4.5噪声
以额定转速运转时,整机声压级噪声<75dB(A)、声功率级噪声≤86dB(A)。4.6安全保护
4.6.1安全保护装置应齐全、可靠。4.6.2启动、制动灵敏,安全按钮按下后,机上任何启动按钮不能启动机器。4.6.3应有手持式控制器控制机器的启动、停车和点动。4.6.4
恒张力导纱罗拉应有自动保护开关,喂纱罗拉应有紧急保护开关。电气部分保护接地电路的连续性应符合GB5226.1一2002中19.2的规定。4.6.5
4.6.6电气部分的绝缘性应符合GB5226.1一2002中19.3的规定。4.6.7电气部分的耐压性能应符合GB5226.1一2002中19.4的规定。4.6.8电机的安全性能应符合GB755的有关规定。4.7
织物质量
织毯宽度与毯面有效幅宽之差≥50mm。4.7.1
4.7.2织毯绒头高度范围为2mm~16mm。5试验方法
5.14.1.4按FZ/T90074的有关规定检测。5.24.2.2在控制台显示屏幕上观察。5.34.2.3用游标卡尺检测。
5.44.2.4按GB/T11746—2008中6.2.12的规定检测。5.54.2.7用颜色笔在每排电子罗拉上划条直线,自测每排电子罗拉连续运转时有无明显同步误差,随机停车后,用游标卡尺检测,重复随机停车检测3次。5.64.3.2在整机运行2h后,用精度不低于0.5℃的温度计在轴承座表面检测。5.74.3.3在整机运行2h后,用精度不低于0.5℃的温度计在罗拉的电子驱动部件表面检测。5.84.3.5按式(1)计算:
式中:
机械效率,%;
T—开机时间,单位为小时(h);T\—因机械、电器故障引起的停机时间,单位为小时(h)。5.94.4用单相或三相功率表检测。5.104.5按GB/T7111.1和GB/T7111.6的有关规定检测。5.114.6.5用接地电阻测试仪检测。5.124.6.6用500V兆欧表检测。
5.134.6.7用耐压试验仪检测。
5.144.6.8按GB755的有关规定检测。5.154.7.1用钢卷尺检测。
FZ/T94056—2010
64.7.2按GB/T11746—2008中6.2.12的规定检测。5.17买
其余用目测法、手感法和耳听法检测。5.18
空车运行试验
试验条件:
电源电压为(380士38)V,频率为(50士1)Hz;b)
试验转速为额定转速;
空车运行2h后进行。
检验项目:4.1、4.2.1~4.2.3、4.2.6、4.2.7、4.3~4.6。5.18.2
工作负荷试验
5.19.1试验条件:
电源按5.18.1a)的规定;
工作转速、工作环境按簇绒地毯织造工艺规定;b)
在使用厂正常运行一个月后进行。c)
检验项目:4.2.4、4.2.5、4.3、4.5~4.7。5.19.22
6检验规则
6.1检验分类
检验分为出厂检验和型式检验。6.2出厂检验
6.2.1每台产品应经制造方质量检验部门按本标准的规定检验合格后才能出厂,并附有制造方质检部门开具的产品合格证。
6.2.2检验项目:4.1~4.6。
6.3型式检验
6.3.1产品有下列情况之一时进行型式检验:a)新产品或老产品转厂生产的试制定型鉴定;b)
正式生产后,产品的结构、材料、工艺有较大改变,可能影响产品性能时;出厂检验结果与上次型式检验有较大差异时;c)
产品停产一年以上,恢复生产时;d)
国家有关部门提出进行型式试验要求时。6.3.2检验项目:第4章全部内容。6.4判定规则
出厂检验和型式检验项目不符合本标准要求时,允许修复至合格。6.5其他
使用方在安装、调试过程中发现不符合本标准时,由制造方负责会同使用方协商处理。标志、包装、运输、败存
7.1标志
7.1.1产品包装储运的图示标志应符合GB/T191的规定。7.1.2产品铭牌按FZ/T90089.1和FZ/T90089.2的规定。7.2包装
产品包装按FZ/T90001的规定。
7.3运输
FZ/T94056—2010
产品在运输过程中,应按规定的起吊位置起吊;包装箱应按规定的朝向安置,不得倾斜或改变方向。7.4贮存
产品出厂后,在有良好防雨、防腐蚀及通风的贮存条件下,包装箱内的机件防潮、防锈自出厂日起有效期为一年。
FZ/T94056-2010
中华人民共和国纺织
行业标准
数字化簇绒地毯织机
FZ/T94056—2010
中国标准出版社出版发行
北京复兴门外三里河北街16号
邮政编码:100045
网址www.spc.net.cn
电话:68523946
68517548
中国标准出版社秦皇岛印刷厂印刷各地新华书店经销
开本880×12301/16
2010年11月第一版
5字数10千字
印张0.75
2010年11月第一次印刷
书号:155066·2-21309
如有印装差错
定价16.00元
由本社发行中心调换
版权专有
侵权必究
举报电话:(010)68533533
小提示:此标准内容仅展示完整标准里的部分截取内容,若需要完整标准请到上方自行免费下载完整标准文档。