首页 > 其他行业标准 > YS/T 222-2010碲锭
YS/T 222-2010

基本信息

标准号: YS/T 222-2010

中文名称:碲锭

标准类别:其他行业标准

英文名称:Tellurium ingots

标准状态:现行

发布日期:2010-11-22

实施日期:2011-03-01

出版语种:简体中文

下载格式:.pdf .zip

标准分类号

标准ICS号:冶金>>有色金属产品>>77.150.99其他有色金属产品

中标分类号:冶金>>有色金属及其合金产品>>H62重金属及其合金

关联标准

替代情况:替代YS/T 222-1996

采标情况:ΓОСТ 17614-1980 MOD

出版信息

出版社:中国标准出版社

页数:8页

标准价格:14.0

出版日期:2011-03-01

相关单位信息

起草人:谭仪文、范元俊、徐永斌、周松林、姜晴、王文录、翦爱民、陈迎武

起草单位:株洲冶炼集团股份有限公司

归口单位:全国有色金属标准化技术委员会

提出单位:全国有色金属标准化技术委员会

发布部门:中华人民共和国工业和信息化部

主管部门:全国有色金属标准化技术委员会

标准简介

本标准规定了碲锭的要求、试验方法、检验规则和标志、包装、运输、贮存及质量证明书与合同(或订货单)内容。 本标准适用于由有色金属冶炼过程中所得含碲的阳极泥、烟灰及其他物料,经湿法冶金处理生产的碲锭。
本标准修改采用俄罗斯标准ΓОСТ17614—1980《工业碲技术条件》,与ΓОСТ17614—1980相比,主要差异如下:
———本标准Te9999、Te9995牌号中规定的杂质元素增加了铋、砷、镁;
———本标准铜、铝、铁、钠、硫杂质元素限量严于俄罗斯标准,其余杂质元素含量与其相当;
———本标准所含杂质元素总量比ΓОСТ17614相应牌号所含的杂质元素总量低。
本标准代替YS/T222—1996《碲锭》。与YS/T222—1996《碲锭》比较,本标准主要变化如下:
———将产品牌号由Te-1、Te-2、Te-3改为Te9999、Te9995、Te99;
———将Te9995牌号中的Cu由0.003%调至0.002%,将S含量由0.005%改为0.004%,将Se含量由0.02%改为0.015%;
———对碲锭的组批进行了修订;
———增加了生产样取、制样方法。
本标准由全国有色金属标准化技术委员会提出并归口。
本标准由株洲冶炼集团股份有限公司负责起草。
本标准由阳谷祥光铜业有限公司参加起草。
本标准主要起草人:谭仪文、范元俊、徐永斌、周松林、姜晴、王文录、翦爱民、陈迎武。
本标准所代替标准的历次版本发布情况为:
———YS/T222—1996;
———YS/T222—1994;
———GB1476—1979。
下列文件对于本文件的应用是必不可少的。凡是注日期的引用文件,仅注日期的版本适用于本文件。凡是不注日期的引用文件,其最新版本(包括所有的修改单)适用于本文件。
GB/T8170—2008 数值修约规则与极限数值的表示和判定
YS/T227(所有部分) 碲化学分析方法

标准图片预览

YS/T 222-2010碲锭
YS/T 222-2010碲锭
YS/T 222-2010碲锭
YS/T 222-2010碲锭
YS/T 222-2010碲锭

标准内容

ICS-77.150.99
中华人民共和国有色金属行业标准YS/T 222—2010
代替YS/T222—1996
2010-11-22发布
Tellurium ingots
2011-03-01实施
中华人民共和国工业和信息化部发布
YS/T222—2010
本标准修改采用俄罗斯标准FOCT17614—1980《工业碲技术条件》,与IOCT17614—1980相比,主要差异如下:
本标准Te9999、Te9995牌号中规定的杂质元素增加了铋、砷、镁;本标准铜、铝、铁、钠、硫杂质元素限量严于俄罗斯标准,其余杂质元素含量与其相当;本标准所含杂质元素总量比TOCT17614相应牌号所含的杂质元素总量低。本标准代替YS/T222一1996《碲链》。与YS/T222一1996《锭》比较,本标准主要变化如下,将产品牌号由Te-1、Te-2、Te-3改为Te9999、Te9995、Te99;一将Te9995牌号中的Cu由0.003%调至0.002%,将S含量由0.005%改为0.004%,将Se含量由0.02%改为0.015%;
对碲锭的组批进行了修订;
增加了生产样取、制样方法。
本标准由全国有色金属标准化技术委员会提出并归口。本标准由株洲冶炼集团股份有限公司负责起草。本标准由阳谷祥光铜业有限公司参加起草。本标准主要起草人:谭仪文、范元俊、徐永斌、周松林、姜晴、王文录、剪爱民、陈迎武。本标准所代替标准的历次版本发布情况为:-YS/T222—1996
YS/T222—1994;
GB1476—1979。
1范围
YS/T222—2010
本标准规定了碲锭的要求、试验方法、检验规则和标志、包装、运输、贮存及质量证明书与合同(或订货单)内容。
本标准适用于由有色金属冶炼过程中所得含碲的阳极泥、烟灰及其他物料,经湿法冶金处理生产的碲锭。
2规范性引用文件
下列文件对于本文件的应用是必不可少的。凡是注日期的引用文件,仅注日期的版本适用于本文件。凡是不注日期的引用文件,其最新版本(包括所有的修改单)适用于本文件。GB/T8170—2008数值修约规则与极限数值的表示和判定YS/T227(所有部分)
碲化学分析方法
3要求
3.1产品分类
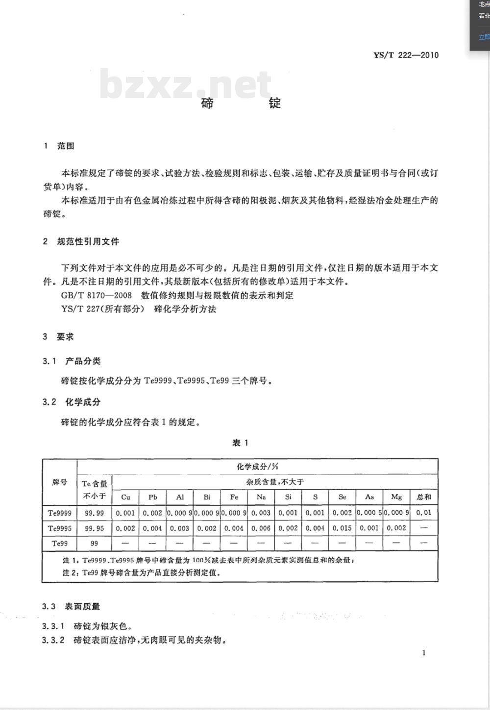
碲锭按化学成分分为Te9999、Te9995、Te99三个牌号。3.2化学成分
碲锭的化学成分应符合表1的规定。表1
化学成分/%
Te9999
Te9995
Te含量
不小于
杂质含量,不大于www.bzxz.net
0.0020.00090.00090.00090.0030.004
10.00050.0009
注1:Te9999、Te9995牌号中碲含量为100%减去表中所列杂质元素实测值总和的余量;注2:Te99牌号碲含量为产品直接分析测定值。3.3表面质量
碲锭为银灰色。
3.3.2碲锭表面应洁净,无肉眼可见的夹杂物。0.001
YS/T222--2010
3.4物理规格
碲锭呈长方梯形,锭重为1kg~5kg。3.5其他
需方如对锭的化学成分、表面质量和物理规格等有其他要求时,由供需双方商定。4试验方法
4.1确锭的化学成分仲裁分析方法按YS/T227的规定进行。4.2碲锭的质量用称量法检验。
4.3碲锭的表面质量用目测法检验。5检验规则
5.1检查与验收
5.1.1碲锭应由供方技术监督部门进行检验,保证产品质量符合本标准或合同(或订货单)的规定,并填写质量证明书。
5.1.2需方可对收到的产品按本标准的规定进行检验,如检验结果与本标准或合同(或订货单)的规定不符时,应在收到产品之日起30天内向供方提出,由供需双方协商解决。如需仲裁,仲裁取样在需方由供需双方共同进行。
5.2组批
锭应成批提交检验。同一生产周期析出并熔铸的碲锭为一检验批,批重不予规定。5.3检验项目
每批碲锭应进行化学成分、表面质量的检验。5.4取样和制样
5.4.1生产样的取样和制样
5.4.1.1供方用于化学分析的碲锭试样可以从浇铸时的液态金属中采取。在每埚铸完第一块碲锭后,将样模置于塘瓷盘中接取碲液,样模内液面应稍低于模口。盛液样模应平稳放置,慢慢冷却。每批试样不少于2块。
5.4.1.2将碲试样放在专用的台板上,用不锈钢小锤敲去样锭的上表面和底部,保留中间部分。5.4.1.3将中间部分放人不锈钢冲钵中捣碎,再用不锈钢研钵磨碎至不大于0.25mm。将制备好的试样缩分成两份,每份试样重量不少于30g,分别用塑料瓶装好、盖严,一份供分析检验,一份妥善保存六个月备查。
5.4.2化学成分的仲裁取样和制样5.4.2.1按批次产品总锭数的20%随机抽样,但不少于2锭。在每块样锭表面对角线的中点及距两端点各四分之一处钻取,用10mm~15mm的钻头钻取试样。钻样时先弃去布点处0.5mm~1mm深的表皮钻屑,钻取深度不小于锭厚的三分之二,钻速以钻屑不氧化为宜。5.4.2.2将取得的试样用不锈钢研钵研碎,混匀后缩分至不少于100g,用磁铁除尽加工时带人的铁质,再用玛瑙研钵继续研磨至粒度不大于0.25mm。分三份,每份不少于30g,加封后,一份用于仲裁2
分析,另外两份供需双方各保存份。5.5检验结果判定
YS/T222—2010
5.5.1碲锭杂质元素实测结果的修约和修约后数值的判定分别按GB/T8170中第3章和4.3.3的规定进行。
5.5.2碲锭的化学成分分析结果与本标准的规定不符时,按批判不合格。5.5.3碲锭的表面质量的检验结果与本标准的规定不符时,按锭判不合格。6包装、标志、运输、贮存、质量证明书6.1标志
包装箱或铁桶上应标出:供方名称、产品名称、批号、净重及锭数、生产日期,并有防震、轻放字样或标志。
6.2包装
碲锭用防湿包装纸包装或真空包装后,置于包装箱或铁桶内,用碎纸等塞紧。每箱(桶)只允许装同一批号的碲锭,每箱(桶)净重不大于30kg。6.3运输
包装箱(或铁桶)在运输过程中,要仔细操作,摆放整齐,避免其受到碰撞,且应注意防潮保护。6.4贮存
碲锭应贮存于干燥、凉爽、无腐蚀性气体的环境中。6.5质量证明书
每批碲锭应附有质量证明书,注明:供方名称和商标;
产品名称和牌号;
c)批号;
净重和件数;
分析检验结果和技术监督部门印记;e)
本标准编号;
出厂日期。
7合同(或订货单)内容
订购本标准所列材料的合同(或订货单)内应包括下列内容:a)产品名称;
产品牌号;
锭重、化学成分及表面质量的特殊要求;c)
产品数量;
本标准编号;
其他需要协商或增加的标准以外要求的内容。…A
YS/T222-2010
中华人民共和国有色金属
行业标准
YS/T222—2010
中国标准出版社出版发行
北京复兴门外三里河北街16号
邮政编码:100045
网址www.spc.net.cn
电话:6852394668517548
中国标准出版社秦皇岛印刷厂印刷各地新华书店经销
开本880×12301/16
印张0.5字数8千字
2011年1月第一版
2011年1月第一次印刷
书号:155066·2-21504
告:.由本社发行中心调换
如有印装差错
版权专有1
侵权必究
举报电话:(010)68533533
小提示:此标准内容仅展示完整标准里的部分截取内容,若需要完整标准请到上方自行免费下载完整标准文档。