首页 > 国家标准(GB) > GB 5749-1985 生活饮用水卫生标准
GB 5749-1985

基本信息

标准号: GB 5749-1985

中文名称:生活饮用水卫生标准

标准类别:国家标准(GB)

英文名称: Sanitary standard for drinking water

标准状态:已作废

发布日期:1985-08-01

实施日期:1986-10-01

作废日期:2007-07-01

出版语种:简体中文

下载格式:.rar.pdf

下载大小:1578975

相关标签: 生活 饮用水 卫生标准

标准分类号

标准ICS号:环保、保健与安全>>>>13.060.20饮用水

中标分类号:医药、卫生、劳动保护>>卫生>>C51环境卫生

关联标准

替代情况:被GB 5749-2006代替

出版信息

出版社:中国标准出版社

书号:15169.4628

页数:5页

标准价格:8.0 元

出版日期:2005-03-24

相关单位信息

复审日期:2004-10-14

起草单位:中国预防医学中心卫生研究所

归口单位:卫生部

发布部门:中华人民共和国国家质量监督检验检疫总局

主管部门:卫生部

标准简介

为贯彻“预防为主”的方针,向居民供应符合卫生要求的生活饮用水,保障人民的身体健康,特制订本标准。 GB 5749-1985 生活饮用水卫生标准 GB5749-1985 标准下载解压密码:www.bzxz.net

标准图片预览

GB 5749-1985 生活饮用水卫生标准
GB 5749-1985 生活饮用水卫生标准
GB 5749-1985 生活饮用水卫生标准
GB 5749-1985 生活饮用水卫生标准
GB 5749-1985 生活饮用水卫生标准

标准内容

1总则
中华人民共和国国家标准
生活饮用水卫生标准
Sanitary standard for drinking waterGB5749—1985
1.1为贯彻“预防为主”的方针,向居民供应符合卫生要求的生活饮用水,保障人民的身体健康,特制订本标准。1.2本标准由供水单位和规划设计等有关单位负责执行。各级卫生防疫站、环境卫生监测站负责监督和检查执行情况。在新建、扩建、改建集中式给水时,供水单位的主管部门必须会同卫生、环境保护,规划、城建和水利等单位共同研究用水规划,确定水源选择、水源防护和工程设计方案,认真审查,设计,做好竣工验收,经卫生防疫站同意后,方可投入使用。
分散式给水的水源选择、水质鉴定、卫生防护和经常管理,由供水所在地的乡、镇政府委派当地有关单位研究决定。各级公安、规划、卫生、环境保护等单位必须协同供水单位,按标准规定的防护地带要求,做好水源保护工作,防止污染。1.3本标准适用于城乡供生活饮用的集中式给水(包括各单位自备的生活饮用水)和分散式给水。
2水质标准和卫生要求
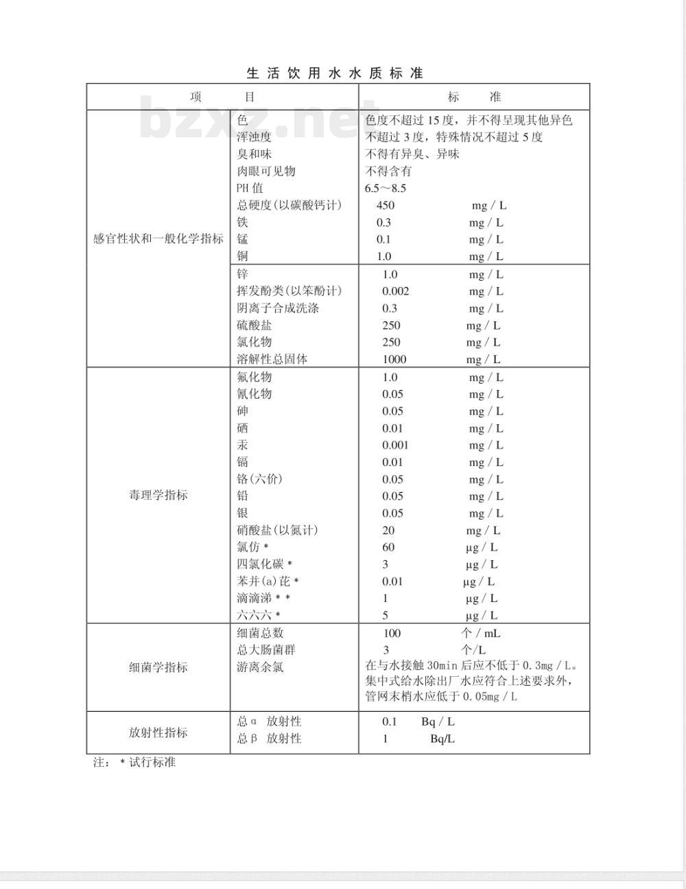
2.1生活饮用水水质,不应超过下表所规定的限量。项
感官性状和一般化学指标
毒理学指标
细菌学指标
放射性指标
注:*试行标准
生活饮用
月水水质标准
浑浊度
臭和味
肉眼可见物
总硬度(以碳酸钙计)
挥发酚类(以笨酚计)
阴离子合成洗涤
硫酸盐
氯化物
溶解性总固体
氟化物
氰化物
铬(六价)
硝酸盐(以氮计)
氯仿*
四氯化碳*
苯并(a)芘*
滴滴涕**
六六六*
细菌总数
总大肠菌群
游离余氯
总α放射性
总β放射性
色度不超过15度,并不得呈现其他异色不超过3度,特殊情况不超过5度不得有异臭、异味
不得含有
mg / L
mg / L
mg / L
mg / L
mg / L
mg / L
mg / L
mg / L
mg / L
mg / L
μg/ L免费标准bzxz.net
μg/ L
μg/ L
μg/ L
个/mL
在与水接触30min后应不低于0.3mg/L。集中式给水除出厂水应符合上述要求外,管网未梢水应低于0.05mg/L
Bq / L
2.2集中式给水,除应根据需要具备必要的净化处理设备外,不论其水源是地面水或地下水,均应有消毒实施。取地下水直接供入管网的一次配水井,必要时,还应有除砂、防浑浊设施。
有关蓄水、配水和输水等设备必须严密。且不得与排水设施直接相连,防止倒虹吸。用水单位自建的各类贮水设备要加以防护,定期清洗和消毒,防止污染2.3与水接触的给水设备所用原材料及净水剂,均不得污染水质。新材料和净水剂均需经过省、市、自治区卫生厅(局)审批,并报卫生部备案。2.4各单位自备的生活饮用水供水系统,严禁与城、镇供水系统连接。否则,责任由连接管道的用水单位承担。2.5集中式给水单位,应不断加强对取水、净化、蓄水、配水和输水等设备的管理,建立行之有效的放水,清洗、消毒和检修等制度及操作规程,以保证供水质量。新设备、新管网投产前或旧设备、旧管网修复后,必须严格进行冲洗、消毒,经检验浑浊度、细菌、肉眼可见物等指标合格后方可正式通水。2.6直接从事供水工作的人员,必须建立健康档案,定期进行体检,每年不少于一次。如发现有传染病患者或健康带菌者,应立即调离工作岗位。2.7分散式给水应加强卫生管理,建立必要的卫生制度,采取切实可行的措施,做好经常维护和管理工作。
3水源选择
3.1新建水厂的水源选择,应根据城乡远、近期规划,历年来的水质、水文和水文地质资料,取水点及附近地区的卫生状况,同时考虑到地方病等因素,从卫生、经济、技术、水资源等多方面进行综合评价,选择水质良好、水量充沛、便于防护的水源。宜优先选用地下水,取水点应设在城镇和工矿企业的上游。3.2作为生活饮用水水源的水质,应符合下列要求。3.2.1若只经过加氯消毒即供作生活饮用的水源水,总大肠菌群平均每升不得超过1000个,经过净化处理及加氯消毒后供作生活饮用的水源水,总大肠菌群平均每升不得超过10000个。
3.2.2水源水的感官性状和一般化学指标经净化处理后,应符合本标准2.1条的规定。
分散式给水水源的水质,应尽量符合本标准2.1条的规定。3.2.3水源水的毒理学和放射性指标,必须符合本标准2.1条的规定。3.2.4在高氟区或地方性甲状腺肿地区,应分别选用含氟、含碘量适宜的水源水。否则应根据需要,采取预防措施。3.2.5水源水中如含有本标准2.1条中未列入的有害物质时,按TJ36一79《工业企业设计卫生标准》有关的要求执行。3.3若遇有不得不选用超过上述某项指标的水作为生活饮用水水源时,应取得省、市、自治区卫生厅(局)的同意,并应以不影响健康为原则,根据其超过程度,与有关部门共同研究,采用适当的处理方法,在限定的期间使处理后的水质符合本标准的要求。
水源卫生防护
生活饮用水的水源,必须设置卫生防护地带。4.2集中式给水水源卫生防护地带的规定如下。4.2.1地面水
4.2.1.1取水点周围半径100m的水域内,严禁捕捞、停靠船只、游泳和从事可能污染水源的任何活动,并由供水单位设置明显的范围标志和严禁事项的告示牌,4.2.1.2取水点上游1000m至下游100m的水域,不得排入工业废水和生活污水,其沿岸防护范围内不得堆放废渣,不得设立有害化学物品仓库、堆栈或装卸垃圾、粪便和有毒物品的码头,不得使用工业废水或生活污水灌溉及施用持久性或剧毒的农药,不得从事放牧等有可能污染该段水域水质的活动。供生活饮用的水库和湖泊,应根据不同情况的需要,将取水点周围部分水域或整个水域及其沿岸划为卫生防护地带,并按上述要求执行。受潮汐影响的河流取水点上下游及其沿岸防护范围,由供水单位会同卫生防疫站、环境卫生监测站根据具体情况研究确定。4.2.1.3以河流为给水水源的集中式给水,由供水单位会同卫生、环境保护等部门,根据实际需要可把取水点上游1000m以外的一定范围河段划为水源保护区,严格控制上游污染物排放量。排放污水时应符合TJ36一79《工业企业设计卫生标准》和GB3838一83《地面水环境质量标准》的有关要求以保证取水点的水质符合饮用水水源水质要求。
4.2.1.4水生产区的范围应明确划定并设立明显标志,在生产区外围不小于10m范围内不得设置生活居住区和修建禽畜饲养场、渗水厕所、渗水坑,不得堆放垃圾、粪便、废渣或铺设污水渠道,应保持良好的卫生状况和绿化。单独设立的泵站、沉淀池和清水池的外围不小于10m的区域内,其卫生要求与水厂生产区相同。
4.2.2地下水
4.2.2.1取水构筑物的防护范围,应根据水文地质条件、取水构筑物的形式和附近地区的卫生状况进行确定,其防护措施与地面水的水厂生产区要求相同。4.2.2.2在单井或井群的影响半径范围内,不得使用工业废水或生活污水灌溉和施用持久性或剧毒的农药,不得修建渗水厕所、渗水坑、堆放废渣或铺设污水渠道,并不得从事破坏深层上层的活动。如取水层在水井影响半径内不露出地面或取水层与地面水没有互相补充关系时,可根据具体情况设置较小的防护范围。取水构筑物的防护范围,影响半径的范围以及岩溶地区地下水的水源卫生防护应由供水部门同规划设计、水文地质、卫生、环境保护等部门研究确定。4.2.2.3在水厂生产区的范围内,应按地面水水厂生产区的要求执行。4.3分散式给水水源的卫生防护地带,以地面水为水源时参照本标准4.2.1.1和4.2.1.2的规定,以地下水为水源时,水井周围30m的范围内,不得设置渗水厕所、渗水坑、粪坑、垃圾堆和废渣堆等污染源,并建立卫生检查制度。4.4集中式给水水源卫生防护地带的范围和具体规定,由供水单位提出,并与卫生、环境保护,公安等部门商议后,报当地人民政府批准公布,书面通知有关单位遵守执行,并在防护地带设置固定的告示牌。对于不符合本标准规定的集中式给水水源的卫生防护地带,由供水单位会同卫生、环境保护、公安等部门提出改造规划,报当地人民政府批准后,责成有关单位限期完成。
分散式给水水源的卫生防护要求由当地卫生防疫站、环境卫生监测站提出,由使用单位执行。
4.5为保护地下水源,人工回灌的水质,原则上应符合本标准2.1条的规定。工业废水和生活污水不得排入渗坑或渗井。5水质检验
5.1水质的检验方法,应按GB5750一85《生活饮用水标准检验法》执行。并由卫生防疫站、环境卫生监测站负责进行分析质量监督和评价。5.2城镇的集中式给水单位,必须建立水质检验室,负责检验水源水、净化构筑物出水、出厂水和管网水的水质。有自备给水的大、中型企业,应配备专(兼)职人员,负责本单位的水质检验工作。其他单位的自备给水,应由其主管部门责成有关单位或报请上级指定有关单位负责本行业,本系统的水质检验。分散式给水及农村集中式给水的水质,应由当地卫生防疫站、环境卫生监测站根据需要进行检验。
5.3检验生活饮用水的水质,应在水源、出厂水和居民经常用水点采样。5.3.1城镇的集中式给水的水质检验采样点数,一般应按供水人口每两万人设一个点计算。供水人口超过一百万时,按上述比例计算出的采样点数可酌量减少,人口在二十万以下时,应酌量增加。在全部采样点中应有一定的点数,选在水源、出厂水、水质易受污染的地点、管网末梢和管网系统陈旧部分等,每一采样点,每月采样检验应不少于两次,有条件时可适当增加次数,检验项目在一般情况下,细菌学指标和感官性状指标列为必检项目,其他指标可根据当地水质情况和需要选定。采样点和检验项目,应由供水单位与当地卫生防疫站、环境卫生监测站共同研究确定。对水源水、出厂水和部分有代表性的管网未梢水,每月进行一次全分析。
自备给水和农村集中式给水水质检验的采样点数、采样次数和检验项目,可根据具体情况参照上述要求确定。以上水质检验的结果,应定期报送当地卫生防疫站、环境卫生监测站审查、存档。
5.3.2分散式给水水质的检验次数和项目,可根据需要决定。5.3.3卫生防疫站、环境卫生监测站应对水源水、出厂水和居民经常用水点进行定期监测。
5.4选择水源时的水质鉴定,应检验本标准2.1条、生活饮用水水质标准规定的指标和该水源可能受某种成分污染的有关项目。附录A
本标准用词说明
(补充件)
A.1对本标准条文执行严格程度的用词,采用以下写法,A.1.1表示很严格,非这样做不可的用词:正面词一般采用“必须”,反面词一般采用“严禁”。A.1.2表示严格,在正常情况下均应这样做的用词:正面词一般采用“应”,反面词一般采用“不应”或“不得”。A.1.3表示充许稍有选择,在条件许可时,首先应这样做的用词:正面词一般采用“宜”或“一般”,反面词一般采用“不宜”。附加说明:
本标准由中华人民共和国卫生部提出。本标准由《生活饮用水卫生标准》修订组负责起草。本标准主要起草人王子石、秦钰惠、郑乃彤、潘长庆、张明。本标准由中华人民共和国卫生部负责管理,一般技术性问题由中国预防医学科学院环境卫生监测所负责解释。
自本标准实施之日起,TJ20一76《生活饮用水卫生标准(试行)》作废。
小提示:此标准内容仅展示完整标准里的部分截取内容,若需要完整标准请到上方自行免费下载完整标准文档。