首页 > 国家标准(GB) > GB/T 5586-1998 电触头材料基本性能试验方法
GB/T 5586-1998

基本信息

标准号: GB/T 5586-1998

中文名称:电触头材料基本性能试验方法

标准类别:国家标准(GB)

英文名称: Test methods for basic properties of electrical contact materials

标准状态:现行

发布日期:1998-01-20

实施日期:1998-10-01

出版语种:简体中文

下载格式:.rar.pdf

下载大小:342416

相关标签: 电触头 材料 性能 试验 方法

标准分类号

标准ICS号:电气工程>>电工器件>>29.120.20连接装置

中标分类号:电工>>电工材料和通用零件>>K14电工合金零件

关联标准

替代情况:GB 5586-1985

采标情况:≈ISO ≈IEC ≈ASTM

出版信息

出版社:中国标准出版社

书号:155066.1-15235

页数:平装16开, 页数:11, 字数:17千字

标准价格:10.0 元

出版日期:2004-04-04

相关单位信息

首发日期:1985-11-20

复审日期:2004-10-14

起草单位:桂林电器所

归口单位:全国电工合金标准化技术委员会

发布部门:国家技术监督局

主管部门:中国电器工业协会

标准简介

本标准规定了电触头材料密度、硬度、体积电阻率、电导率和抗弯强度试验方法。本标准适用于各种电触头材料基本性能的测量。 GB/T 5586-1998 电触头材料基本性能试验方法 GB/T5586-1998 标准下载解压密码:www.bzxz.net

标准图片预览

GB/T 5586-1998 电触头材料基本性能试验方法
GB/T 5586-1998 电触头材料基本性能试验方法
GB/T 5586-1998 电触头材料基本性能试验方法
GB/T 5586-1998 电触头材料基本性能试验方法
GB/T 5586-1998 电触头材料基本性能试验方法

标准内容

GB/T5586—1998
GB5586—85电触头材料基本性能试验方法》自1986年实施以来,对指导我国电触头材料的生产和使用,提高和稳定产品质量,起了重要的作用。随着电触头材料的发展,品种规格的增多以及测试技术水平的提高,该标准已不适应前我国电触头材料的技术发展水平.因此,本标准对GB5586-85进行厂修订。
对GB5586一85进行修订时,保留了经过多年实践证明适用的硬度试验方法,电阻率测量方法和抗弯强度测量方法,只对个别不合理条文进行适当的修改,对密度测量方法,捌掉不适用的网托测量方法,保留金属吊丝测量方法,增加小体积电触头材料密度测量方法;此外,还增加了电导率测基方法。电触头材料基本性能试验方法,目前尚无国际标准,本标准在修订时参考了ISO、IEC、ASTM等标推中相近的专项标准。
本标泄包含,范围、引用标准,密度测量硬度试验、体积电阻率测量、电导率测量和抗弯强度测量。本标摊从实施之日起,同时代替GB5586—85。本标准由中华人民共和国机械工业部提出。本标准由机被工业部挂林电器科学研究所归口。本标准由机楼工业部桂林电器科学研究所负责起草。本标准主要起草人;谢忠光、王力平。1范围
中华人民共和国国家标准
电触头材料基本性能试验方法
Test methods for esentel
porperty of electric contact materialGB/T5586—1998
代替 GB 5586—85
本标准规定了电触头材料密度,硬度、体积电阻率,电导率和抗弯强度试验方法。本标准适用于各种电触头材料基本性能的测量。2引用标准
下列标准所包含的条文,通过在本标准中引用而构为本标准的条文。本标准出版时,所示版本均为有效。所有标准都会被修订,使用本标准的各方应探讨使用下列标准最新版本的可能性。GB231-81金属布氏硬度试验方法GB4340—84金属维氏硬度试验方法GB5030—85金属小负荷维氏硬度试验方法3密度测量
3.1密度测量原理
密度测量的基本原理是阿基米德定律,即浸在液体里的物体所受到的浮力大小等于该物体所排开的液体的重量。
3.2测量仪器和材料
3.2.1精密天平
称量在10及以内,充许质量称量误差为土0.1mg称量准10g以上,允许质量称量精确度为±0.001%。
3.2.2睿器
容器一般选用烧杯,其大小应选择适当,当样品浸入液体中时液面上升高度要求小于2.5mm。3.2.3比重瓶
选用容积为10mL的比重瓶。
3.2.4液体
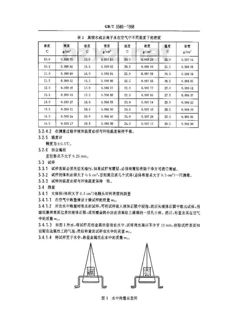
3.2.4.1测量液体用蒸缩水或去离子水,其在空气中不同温度下的密度见表1。国察技术监督局1998-01-20批准1998-10-01实施
0. 999 65
0. 999 60
心. 999 49
0. 999 43
0. 999 24
GB/T 5586—1998
表 1蒸熘水或去离子水在空气中不同温度下的密度度
0. 998 94
0. 998 68
3.2.4.2在测量过程中液体温度必须与环境温度保持平衡。3.2.5温度计
精度为士0.5℃。
3.2.6细金属丝
直径要求不大于0.25mm。
3.3试样
0. 998 20
0. 998 10
0. 997 77
0. 997 65
0. 997 42
0. 997 29
0. 997 17
3.3.1试样表面必额光洁无油污,如果试样有覆层,必须将覆层清除干净方可进行测量。密度
0. 997 04
0. 996 91
0. 906 78
0.99号 65
0. 995 94
n99580
3.3.2试样的体积必须大于0.5cm,否则就应该几个试样(总体积要求大于0.5cm)一同测量。3.3.3试样的温度必须与环境温度保持致。3.4测量
3.4.1大体积(体积大于0.5cm)电触头材料密度的测量3.4.1.1在空气中称量清洁+燥试样的质量mo。3.4.1.2对在水中称量时吸水的试样,可将试样放入液体石腊中没泡,然后从液体石腊中取出试样,用滤纸擦掉表面过多的液体石腊;或用益的办法在表面涂上薄薄的一层凡士林。然后,称量出其在空气中的质量mi。
3.4.1.3如图1所示,将试样用细金属丝悬挂在水中,试样离水面应不少于10mm+排除试样表面和沾附在金属丝上的气泡,然后称量出试样在水中的质量㎡2。3.4.1.4将试样置于水中,称量金属丝在水中的质量m3。图1水中称量示意图
3.4.1.5测量液体的温度t。
3.4.1.6结果与计算
不吸水试样的密度按公式(1)计算:GB/T 5586—1998
吸水试样的密度按公式(2)计算
(1),(2)式中:
1)——试样的密度,g/cm\;
D。——液体在温度t时的密度,g/cmm--试样在空气中的质量,g;
mo-(mg-m)
m, -(mz -m,)
m吸水试样经防水处理后在空气中的质量,g;m2--试样在水中的质量(含金属丝),gms——金属丝在水中的质量,g。计算结果取小数点后一位数。
3.4.2小体积(体积小于或等于0.5cm2)电触头材料密度的测量3.4.2.1在空气中称量清洁干燥试样的质量mc。()
3.4.2.2对在水中称量时吸水的试样,按3.4.1.2的方法进行处理,然后,称量出其在空气中的质量m1a
3.4.2.3称量灌满液体的比重瓶的质量mz。3.4.2.4将试样装入灌满液体的比重瓶中,先排除试样表面的气泡,然后称量其质量ma。3. 4.2. 5测量液体的温度 t。
3. 4. 2. 6结果与计算
不吸水试样的密度按公式(3)计算:ma
吸水试样的密度按公式(4)计算:ma
mi + m2
(3)、(4)式中:
试样的密度,s/cm\;
液体在温度:时的密度,g/cm;De
试样在空气中的质量,g;
-吸水试样经防水处理后在空气中的质量,*mt
mz—灌满液体的比重瓶的质量,g;m—放入试样并灌满液体的比重瓶的质量,8。计算结果小数点后二位数。
4硬度试验
4.1试验原理
4.1.1布氏硬度试验原理
GB/T 5586—1998
用定直径的钢球,以相应的试验力压入试样表面,经规定保持时间后,卸除试验力,测量试样表面的压痕直径。布氏硬度值是试验力除以压痕球形表面积所得的商,用公式(5)计算:HBS=
武中,HBS—布氏硬度,MPat
F—试验力,N;
D—钢球直径,mm
d—乐痕罕均直径,mm免费标准bzxz.net
4.1.2维氏硬度试验原理
DD-/D-)
将一个相对面夹角为136°的止四棱角体金刚石乐头以选定的试验力压入试拌表面,保持规定的时间后,卸除试验力,测量压痕两对角线长度。维氏硬度值是试验力除以压痕表面积所得的商,用公式(6)计算:
HV=1.8544岁
式中:HV维氏额度,MPa
F试验力,N;
d—压痕对角线平均值,mm。
4.2试验装置
4.2.1布氏硬度计、压头及正痕测量装置应符合GB231的要求。4.2.2维氏硬度计、压头及压痕测量装置应符合GB5030或GB4340的要求。4.3试样
4.3.1试拌的试验面及背面应是光滑平面,不允许有毛刺,不允许有油污等外来污染。-(6)
4.3.2试验面表面粗糙度必须保证压痕能榜确地测量,一般试验面的表面粗糙度:布氏硬度试验R,≤0.8u维氏硬度试验R0.2um,
4.3.3试样或试验层厚度不应小于压痕深度的10倍。试验后,试样背面不应出现可见变形痕迹。4.4试验
4. 4. 1 试样支撑面、压头表面及试台面应溝洁,试样应稳固地放胃于试台上,在试验过程中不允许发生位移和振动。
4.4.2试验时应均句平稳地加入试验力,不允许有冲击和需动。试验力作用方向应与试验面垂直。4.4.3施加试验力的时问为2~85.保持时间为(30±2)s。4.4.4布氏硬度试样,正痕中心距试样边缘的距离不应小于压痕直径的2.5倍,相邻压痕中心距离不应小十压痕直径的4倍。
4.4.5维氏硬度试样,压痕中心距试样边缘或相邻压痕中心的距离不应小丁压痕对角线的5倍。4. 4.6卸除试验力后,布长硬度压痕直径应在0.24 D~0.6 D之间。4.4.7布氏硬度应在两相互乘直方向测量压痕直径,压痕两直径最人差不应超过较小直径的2%。4.4.8维氏硬度应测量两对角线长度,其长度之差不应超过短对角线长度的5%。4.5结果与计节
布氏硬度值用压痕两直径的算术平均值计算,维硬度值用压痕对角线平均值计算。试验结果取小数点后二位数
5体积电阻率测量
5.1测量原理
GB/T 5586—1998
5.1.1体积电阻率为单位长度与单位截面积的导体的电阻,其公式表示如下:p
式中:p试样体积电阻率,μn·cmtR-试样的电阻值.:
A—--试样乎均横截面积.cm;
L——试样长度,cm.
5.1.2电阻率测量采用双臂电桥的基本原理,测量电路如图2所示。R
G检流计:A-安培表;RI、R2——电桥比较替电阻:R;、R.电桥比率臂电阻;R一可变电阻;R一试样电阻,R标准电阻;E稳流电源;K—闸刀开关图2双臂电桥电路图
5.2测量仪器及夹具
5.2.1精度为万分之五的双电桥及与其匹配的检流计、光电放大器。5.2.2阻值为0.001n精度不低于0.01级的标准电阻。5.2.3806A的滑线电阻或相应的可变电阻箱。+(7)
5.2.4专用测量夹具:测量50mm×10mmXhmm条状试样专用夹具如图3所示,测基线材或带材专用夹具如图4所示。
1—压紧螺母:2—上支架:3—电位端子:4—试样5—电流端子;6—底座;7—螺母;8—螺杆图 350 mm×10mm×h mm试样夹具示意图5.3试
5.3.1条状试样
GB/T 5586—1998
1—底座;2—螺钉;3试样;4电位端子5—电流端子;6—压紧螺钉
图4线带材试样夹具示意图
5.3.1.1试样尺寸为50mm×10mm×hmm(合金内氧化法银金属氧化物试样厚度取产品半成品板材的厚度,其他电触头产品试样厚度取4mm),横截面积尺寸偏差不应超过其平均值1%,端面行度不应大于0.1。
5.3.2线带材试样
5.3.2.1线材和带材的试样长度应大于或等于300mm,沿计量长度任何位置横截面积不应大于其平均值的3%,
5.3.2.2试样在两电位端之间测量长度上的电阻值不应小于100u。5.3.3试样表面不允许有裂纹或其他缺陷,不允许有氧化、油污等污染,粗糙度R.应小于3.2um。5.4测量
5.4.1测量试样两电位端及其中间三点的宽度、厚度或直径,准确到0.01mm,试样横截面积用三点所测数据的算术平均值计算。
5.4.2测量两电位端之间的距离,其精度为土0.1%。5.4.3试样在夹具中固定后,试样与两电流、电位端必须接触良好。5.4.4工作电流的选用不应使被测试样发热,在保证测量灵敏度的前提下,宜选用最小T作电流。5.4.5为消除接触电势的影响,应在电流正,反方问分别测量电阻,并取其平均值。5.4.6反复测量试样三次,取三次测量的算术平均值为所测电阻值。5.5结果与计算
电阻率按公式(8)计算:
式中:@—试样体积电阻率.ml·cm,R,——试样电阻值+mp;
A——试样平均横截面积,cm;
L-试样两电位端间距离,cm。
计算结果取小数点后二位数。
6电导率测量
6.1测量原理
电导率的测量方法是祸流法。涡流法是利用交流电桥平衡原理进行测量,其电路图如图5所示,GB/T5586-1998
5交流电桥电路图
当具有一定频率的探测线圈(测试探头)放在金屏块上,线圈电磁场就在金属表面感生涡流,涡流大小与被测金属导电性有关,祸流磁场(感生磁场)反作用于探测线圈,使探测线圈的磁场减弱,金属的导电性不同,减弱程度也不一样,探测线圖磁场的变化势必破坏电桥的平衡,当重新调节(2时,可使电桥达到新的平衡。如果把的量值同金属导电率联系起来,就可以从C,的转角分度上直接读出经过预先校准的电导率绝对值。
6.2测量仪器
涡流导电仪,测量范围(5~62)MS/m,仪器精度士1%。6.3试样
6.3.1试样尺寸,厚度不应小于1mm,圆形直径不应小于10mm,矩形边长不应小于10mm×10 mm。
6.3.2试样表面应平整,不允许有油污或氧化层(除银金属氧化物外),若有氧化层必须用细砂纸磨掉并擦拭干净。
6.3.3试样不能含铁磁性物质。
6.4测量
6.4.1用标准块对仪器高,低值反复校正2~3次。6.4.2将操头放在待测试样表面,转动分度盘使电表指针至零位,从分度盘上读取试样的电导率。6.4.3在试样表面不部位测量3~5点。6.5结果与计算
测量结果取算术平均值,并取小数点后二位数。7抗弯强度测量
7.1测量原
抗弯强度测量的基本源理是测量试样在受跨距中央的负荷缓慢作用下发生断裂时的最大弯曲应7.2测量仪器和夹具
7.2.1材料试验机:示值误差不应大丁士1%。7.2.2抗弯夹具(如图6所示)跨距为(25士0.2)mm,承截柱直径为(3±0.1)mm,并由具有不低于700维氏硬度值的淬火钢或硬质合金制得。7.3试样要求
7.3.1试样整个断面硬度成均勾。7.3.2试样尺寸为50mm×10mm×4mm,在长度方向尺寸偏差不应大于0.1mm。7.3.3试样不允许有变形、曲、掉边或其他表面缺陷。7.4测量
7.4.1测最试样两支承点间的距离,准确到0,01mm。7.4.2测量试样两支承点及中点的宽度和原度,准确到0.01mm,横截面积用三点所测数据的算术平均值计算。
7.4.3将试样按50mm×10mm面平稳地放置在支承滚柱上,使试样纵向轴线垂直于滚柱的纵轴,然GB/T 5586—1998
后缓慢面平稳地在两个支承滚柱中间施圳负荷,真至折断。从开始施加负荷到试样被破坏所带时间不应少于 10。
7.5 结果与计算
抗弯强度按公式(9)计算:
式中:ou抗弯强度,N/mm\
F—试样破坏时所施的负,N,
3—试祥宽度,mm
h-试祥厚度,mm,
L-两支承点之间的距离,mm。
测量结果取小数点后二位数。
+ +**+*++*+*+++.++++++++++*+( 9)图6抗弯夹具示意图
小提示:此标准内容仅展示完整标准里的部分截取内容,若需要完整标准请到上方自行免费下载完整标准文档。