首页 > 国家标准(GB) > GB/T 16580-1996 D201大孔强碱性苯乙烯系阴离子交换树脂
GB/T 16580-1996

基本信息

标准号: GB/T 16580-1996

中文名称:D201大孔强碱性苯乙烯系阴离子交换树脂

标准类别:国家标准(GB)

标准状态:现行

发布日期:1996-10-25

实施日期:1997-05-01

出版语种:简体中文

下载格式:.rar.pdf

下载大小:115090

相关标签: 大孔 碱性 苯乙烯 阴离子 交换 树脂

标准分类号

标准ICS号:橡胶和塑料工业>>塑料>>83.080.10热固性塑料

中标分类号:化工>>合成材料>>G32合成树脂、塑料

关联标准

出版信息

出版社:中国标准出版社

书号:155066.1-13678

页数:平装16开, 页数:6, 字数:6千字

标准价格:8.0 元

出版日期:1997-05-01

相关单位信息

首发日期:1996-10-25

复审日期:2004-10-14

起草单位:杭州争光化工集团公司

归口单位:全国塑料标准化技术委员会

发布部门:国家技术监督局

主管部门:中国石油和化学工业协会

标准简介

本标准规定了D201大孔强碱性苯乙烯系阴离子交换树脂的要求、试验方法、检验规则及标志、包装、运输、贮存等。本标准适用于以季胺基为主要活性基团的D201大孔强碱性苯乙烯系阴离子交换树脂。 GB/T 16580-1996 D201大孔强碱性苯乙烯系阴离子交换树脂 GB/T16580-1996 标准下载解压密码:www.bzxz.net

标准图片预览

GB/T 16580-1996 D201大孔强碱性苯乙烯系阴离子交换树脂
GB/T 16580-1996 D201大孔强碱性苯乙烯系阴离子交换树脂
GB/T 16580-1996 D201大孔强碱性苯乙烯系阴离子交换树脂
GB/T 16580-1996 D201大孔强碱性苯乙烯系阴离子交换树脂

标准内容

GB/T 16580-1996
本标准由中华人民共和国化学工业部提出。言
本标准由全国塑料标准化技术委员会塑料树脂产品分会(TC15/SC4)归口。本标准起草单位:杭州争光化工集团公司。本标准主要起草人:吴崇志、卢莉英、王莺1028
1范围
中华人民共和国国家标准
D201大孔强碱性苯乙烯系
阴离子交换树脂
D201 macroporous strongly basic styrene typeanion exchange resins
GB/T16580-1996
本标准规定了D201大孔强碱性苯乙烯系阴离子交换树脂的要求、试验方法、检验规则及标志、包装、运输、贮存等。
本标准适用于以季胺基为主要活性基团的D201大孔强碱性苯乙烯系阴离子交换树脂,包括粒径为0.315mm~1.25mm的D201通用树脂、粒径为0.45mm~0.90mm的D20i-MB混床专用树脂,粒径为 0. 45 mm~~~1.25mm的D201-FC浮床专用树脂及粒径为 0. 63mm~~1.25 mm的 D201-SC双层床专用树脂。
2引用标准
下列标准所包含的条文,通过在本标准中引用而构成为本标准的条文。本标准出版时,所示版本均为有效。所有标准都会被修订,使用本标准的各方应探讨使用下列标准最新版本的可能性。GB/T1631--83离子交换树脂产品分类、命名及型号GB/T5475—85离子交换树脂取样方法GB/T5476—1996离子交换树脂预处理方法GB/T5757--86离子交换树脂含水量测定方法GB/T 5758-86
离子交换树脂粒度分布测定方法GB/T 8330—87
GB/T 8331--87
离子交换树脂湿真密度测定方法离子交换树脂湿视密度测定方法GB/T 11992---89
GB/T 12598—90
3技术要求
3.1分类与命名
氟型强碱性阴离子交换树脂交换容量测定方法离子交换树脂渗磨圆球率、磨后圆球率的测定D201、D201-MB、D201-FC、D201-SC大孔强碱性苯乙烯系阴离子交换树脂的型号编制参照GB/T 1631。MB代表混床专用、FC代表浮床专用、SC代表双层床专用。3.2外观
乳白色至淡黄色球状不透明颗粒。3.3出厂型式
氯型。
3.4理化性能
国家技术监督局1996-10-25批准1997-05-01实施
GB/T 16580-1996
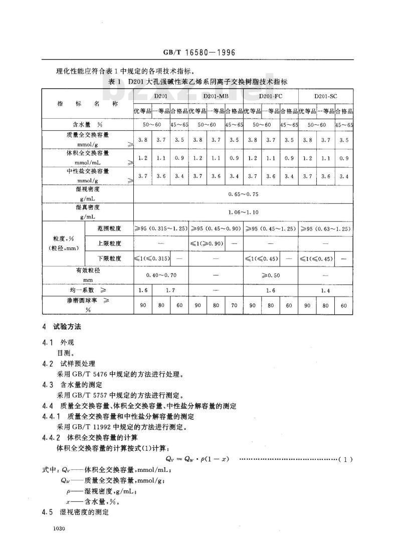
理化性能应符合表1中规定的各项技术指标。表1D201大孔强碱性苯乙烯系阴离子交换树脂技术指标指
含水量%
质量全交换容量
mmol/g
体积全交换容量
mmol/ml
中性盐交换容量
mmol/g
湿视密度
湿真密度
范围粒度
粒度,%
(粒径mm)
上限粒度
下限粒度
有效粒径
均一系数≥
渗磨圆球率≥
4试验方法
4.1外观
目测。
4.2试样预处理
D201-MB
D201-FC
优等品一等品合格品优等品一等品合格品优等品D201-SC
等品合格品优等品一等品合格品50~~60
0.65~0.75
1.06~1.10
≥95 (0.315~1.25)≥95 (0.45~0.90)≤1(≥0.90)
1(≤0.315)
0.40~0.70
采用GB/T5476中规定的方法进行处理。4.3含水量的测定
采用GB/T5757中规定的方法进行测定。80
4.4质量全交换容量、体积全交换容量、中性盐分解容量的测定4.4.1质量全交换容量和中性盐分解容量的测定采用GB/T11992中规定的方法进行测定。4.4.2体积全交换容量的计算
体积全交换容量的计算按式(1)计算:Qy Qw· p(1 — )
式中:Qv-体积全交换容量,mmol/mL;Qw—一质量全交换容量,mmol/g;o
-湿视密度,g/mL;
含水量,%。下载标准就来标准下载网
4.5湿视密度的测定
≥95 (0. 45~1. 25)
≥95 (0. 63~1. 25)
≤1(≤0. 45)
≤1(0.45)
GB/T16580---1996
采用GB/T8331中规定的方法进行测定。4.6湿真密度的测定
采用GB/T8330中规定的方法进行测定。4.7粒度的测定
4.7.1D201树脂的粒度测定
采用GB/T5758中规定的方法进行测定,其中上限粒径为1.25mm,下限粒径为0.315mm。4.7.2D201-MB树脂的粒度测定
采用GB/T5758中规定的方法进行测定,其中上限粒径为0.90mm,下限粒径为0.45mm。4.7.3D201-FC树脂的粒度测定
采用GB/T5758中规定的方法进行测定,其中上限粒径为1.25mm,下限粒径为0.45mm。4.7.4D201-SC树脂的粒度测定
采用GB/T5758中规定的方法进行测定,其中上限粒径为1.25mm,下限粒径为0.63mm。4.8有效粒径和均一系数的测定
采用GB/T5758中规定的方法进行测定。4.9渗磨圆球率的测定
采用原样,不经筛分按GB/T12598中规定的渗磨圆球率方法进行测定。5检验规则
5.1产品以每釜为一批。
5.2采样按GB/T5475的规定进行取样。5.3每批产品必须由生产厂的质量检验部门进行检验,并保证出厂的所有产品达到本标准规定的各项技术要求,并附有质量检验报告单。5.4本标准3.2外观和3.4表中,含水量、质量全交换容量、体积全交换容量、中性盐分解容量、湿视密度、D201的下限粒度、D201-MB的上限粒度、D201-FC的下限粒度、D201-SC的下限粒度、渗磨圆球率为出厂检验项目;湿真密度、范围粒度、有效粒径和均一系数为抽检项目,每月至少抽检一次。型式检验按GB1.3—88中6.6.1规定进行。5.5使用单位如需对所收到的产品进行检验,应按本标准规定进行。如需复验,应在收到产品三个月内向生产厂提出。
5.6检验结果如有某项技术要求不符合本标准规定时,应重新自该批产品中两倍量的包装件中取样进行复验,以复验结果定等级。
5.7当供需双方对产品质量发生异议时,由双方协商解决或请法定质量监督检验部门进行仲裁。6标志、包装、运输、贮存
每一包装件上应有清晰、牢固的标志,标明产品名称、型号、净重、生产厂名和本标准号。产品应包装在内衬塑料袋的容器或编织袋中,每一包装件上应附有合格证。合格证应标明等级、批号和生产日期。
本系列产品由于含有一定水分,为不影响产品质量,在运输和贮存过程中,应保持在5℃~40℃的环境中,并注意不使树脂失水。在通风良好的室内贮存期为两年,超过贮存期可按本标准规定进行复验,若复验结果符合本标准要求,仍可使用。
本产品为非危险品。
小提示:此标准内容仅展示完整标准里的部分截取内容,若需要完整标准请到上方自行免费下载完整标准文档。