首页 > 国家标准(GB) > GB/T 16750.2-1997 潜油电泵机组 技术条件
GB/T 16750.2-1997

基本信息

标准号: GB/T 16750.2-1997

中文名称:潜油电泵机组 技术条件

标准类别:国家标准(GB)

标准状态:已作废

发布日期:1997-03-04

实施日期:1997-09-01

作废日期:2009-03-01

出版语种:简体中文

下载格式:.rar.pdf

下载大小:435816

相关标签: 潜油 电泵 机组 技术

标准分类号

标准ICS号:石油及相关技术>>石油和天然气工业设备>>75.180.10勘探和钻采设备

中标分类号:石油>>石油勘探、开发、集输设备>>E92石油钻采设备与仪器

关联标准

替代情况:替代SY 5167.2-1987;被GB/T 16750-2008代替

出版信息

页数:15页

标准价格:13.0 元

相关单位信息

首发日期:1997-03-04

复审日期:2004-10-14

起草单位:大庆石油管理局、胜利油田管

归口单位:全国石油钻采设备和工具标准化技术委员会

发布部门:中国石油天然气集团公司

主管部门:中国石油天然气集团公司

标准简介

GB/T 16750.2-1997 潜油电泵机组 技术条件 GB/T16750.2-1997 标准下载解压密码:www.bzxz.net

标准图片预览

GB/T 16750.2-1997 潜油电泵机组 技术条件
GB/T 16750.2-1997 潜油电泵机组 技术条件
GB/T 16750.2-1997 潜油电泵机组 技术条件
GB/T 16750.2-1997 潜油电泵机组 技术条件
GB/T 16750.2-1997 潜油电泵机组 技术条件

标准内容

GB/T16750.2---1997
本标准是在原中华人民共和国石油工业部标准SY5167.2--87《潜油电泵技术条件》基础上进行制定的。
本标准在起草过程中,保留了原SY5167.2—87中经实践证明既符合我国实际需要又不妨碍国际交流的内容;还根据近年来国内外新技术的发展,对标准中的技术要求和性能参数做了适当调整与充实。
技术条件》。
本标准是系列标准《潜油电泵机组》的第二部分,《潜油电泵机组本标准自生效之日起代替SY5167.2—87《潜油电泵技术条件》。本标准的附录A是提示的附录。
本标准出全国石油钻采设备和工具标准化技术委员会提出并归口。本标准起草单位:大庆石油管理局潜油电泵技术服务公司、胜利石油管理局无杆采油泵公司。本标准主要起草人:郝惠欣、候运光、梅思杰、白广文、唐录。131
中华人民共和国国家标准
潜油电泵机组技术条件
Electrical submersible pump
-Technical specifications
GB/T 16750.2--- 1997
本标准规定了油井用潜油电泵机组(以下简称潜油电泵)包括潜油电机(简称电机)、电机保护器(简称保护器)、油气分离器(简称分离器)、潜油泵(简称泵)、潜油电缆(简称电缆)、控制柜、变压器的技术要求、装配要求及标志、包装和储存。本标准适用于陆上油田使用的潜油电泵机组的设计、制造和验收,海上油田使用的潜油电泵机组亦可参照使用。
2引用标准
下列标所包含的条文,通过在本标准中引用而构成为本标准的条文。本标准出版时,所示版本均为有效。所有标准都会被修订,使用本标准的各方应探讨使用下列标准最新版本的可能性。GB191--90包装储运图示标志
GB3797一89电控设备第二部分:装有电子器件的电控设备GB/T6451一1995三相油浸式电力变压器技术参数和要求GB/T16750.1—1997潜油电泵机组型式、基本参数和连接尺寸GB/T16750.3--1997潜油电泵机组试验方法3技术要求
3.1整机要求
3.1.1潜油电泵应符合本标准的要求,并按规定程序批准的产品图样和技术文件制造。3.1.2潜油电泵的连接尺寸应符合GB/T16750.1中的规定。3.1.3工作方式为连续工作制。
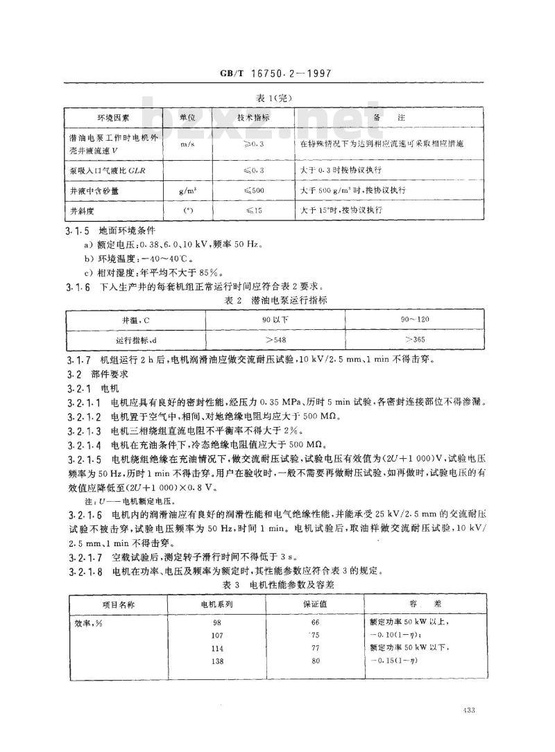
井下工作条件见表1。
表1井下工作条件
环境因素
泵工作点温度
并底静压力
泵吸入口井液粘度
含水量
国家技术监督局1997-03-04批准432
技术指标
50,90,120,150
12.20,25,35
大于35MPa时按协议执行
当井液粘度大于7mm2/s时的流量、扬程、输入率要校正,校正系数可参考附录A(提示的附录)1997-09-01实施
环境因素
潜油电泵工作时电机外
壳井液流速√
泵吸人口气液比GLR
并液中含砂量
井斜度
3.1.5地面环境条件
GB/T 16750.2-1997
表1(完)
技术指标
a)额定电压:0.38、6.0.10kV,频率50Hz。b)环境温度:-40~40℃。
c)相对湿度:年平均不大于85%。备
,在特殊情况下为达到应流速可采取相应措施大于0.3时按协议执行
大于500g/m2时,按协议执行
大于15\时,按协议执行
3.1.6下入生产井的每套机组正常运行时间应符合表2要求表2潜油电泵运行指标
井温,C
运行指标,d
90以下
90~-120
3.1.7机组运行2h后,电机润滑油应做交流耐压试验,10kV/2.5mm、1min不得击穿。3.2部件要求
3.2.1电机
3.2.1.1电机应具有良好的密封性能,经压力0.35MPa、历时5min试验,各密封连接部位不得渗漏。电机置于空气中,相间、对地绝缘电阻均应大于500MQ3.2.1.2
3.2.1.3电机三相绕组直流电阻不平衡率不得大于2%。电机在充油条件下,冷态绝缘电阻值应大于500M2。3.2.1.4
3.2.1.5电机绕组绝缘在充油情况下,做交流耐压试验,试验电压有效值为(2U+1000)V,试验电压频率为50Hz,历时1min不得击穿。用户在验收时,一般不需要再做耐压试验,如再做时,试验电压的有效值应降低至(2U+1000)×0.8V。注:U电机额定电压。
3.2.1.6电机内的润滑油应有良好的润滑性能和电气绝缘性能,并能承受25kV/2.5mm的交流耐压试验不被击穿,试验电压频率为50Hz,时间1min。电机试验后,取油样做交流耐压试验,10kV/2.5mm、1min不得击穿。
3.2.1.7空载试验后,测定转子滑行时间不得低于3s。3.2.1.8电机在功率、电压及频率为额定时.其性能参数应符合表3的规定。表3电机性能参数及容差
项目名称
效率,%
电机系列
保证值
额定功率50kW以上,
0.10(1n);
额定功率50kW以下,
项目名称
功率因数
堵转转矩倍数
最大转矩倍数
转差率,%
堵转电流倍数
GB/T16750.2-1997
表3(完)
电机系列
保证值
(1--cosg)/6
最小:0.02
最大0.07
电机允许做泵负载法测试,规定排量点的性能指标也应符合表3规定。3.2.1.9电机温升应符合表4的规定。表4
绝缘等级
电机绕组充许温度,
电机温度限值
3.2.1.10电机超速试验后,应无永久性变形和妨碍电机正常运行的其他缺陷差
3.2.1.11当三相电压平衡时,电机三相空载电流中任一相与三相平均值的偏差的绝对值应不大于相平均值的10%。
3.2.1.12电机运行期间电压和频率的偏差a)电压与额定值的偏差不得超过士5%(频率为额定时)。b)频率与额定值的偏差不得超过土1%(电压为额定时)。c)电压、频率同时发生偏差(两者偏差分别不超过士5%和士1%),若两者偏差均为正值,两者之和不得超过6%;两指偏差均为负值或分别为正与负值时两者绝对值之和不得超过5%。3.2.1.13当用户提出要求时,电机可安装井下压力、温度监测装置。3.2.1.14单节电机绕组绝缘电阻在热状态时或温升试验后应不低于15M2,串联电机不应低于7.5 MQ。
GB/T16750.2—1997
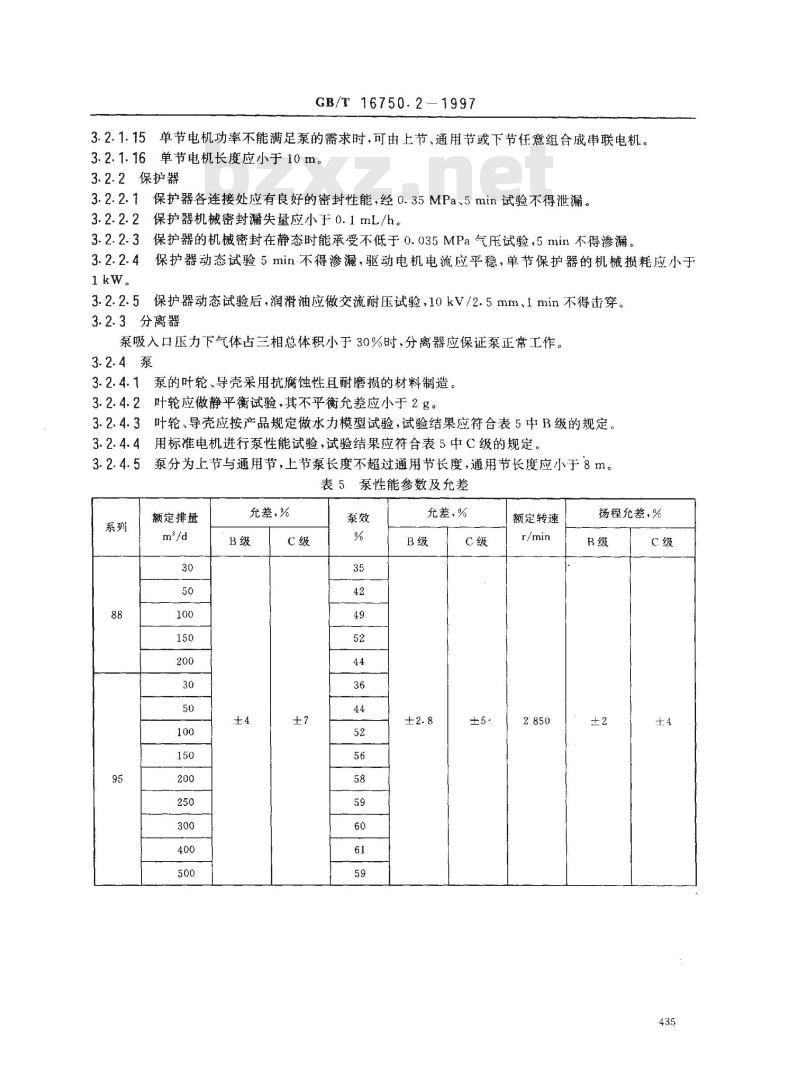
3.2.1.15单节电机功率不能满足泵的需求时,可由上节、通用节或下节任意组合成串联电机。3.2.1.16单节电机长度应小于10m。3.2.2保护器
3.2.2.1保护器各连接处应有良好的密封性能,经0.35MPa、5min试验不得泄漏。3.2.2.2保护器机械密封漏失量应小于0.1mL/h。3.2.2.3保护器的机械密封在静态时能承受不低于0.035MPa气压试验,5min不得渗漏。保护器动态试验5min不得渗漏,驱动电机电流应平稳,单节保护器的机械损耗应小于3.2.2.41
1kw。
3.2.2.5保护器动态试验后,润滑油应做交流耐压试验,10kV/2.5mm、1min不得击穿。3.2.3分离器
泵吸入口压力下气体占三相总体积小于30%时,分离器应保证泵正常工作。3.2.4泵
3.2.4.1泵的叶轮、导壳采用抗腐蚀性且耐磨损的材料制造。3.2.4.2叶轮应做静平衡试验,其不平衡允差应小于2g。3.2.4.3叶轮、导壳应按产品规定做水力模型试验,试验结果应符合表5中B级的规定。3.2.4.4
用标准电机进行泵性能试验,试验结果应符合表5中C级的规定,3.2.4.5泵分为上节与通用节,上节泵长度不超过通用节长度,通用节长度应小于8m。表5泵性能参数及允差
额定排量
允差,%
允差,%
额定转速
扬程允差,%
额定排量
3.2.5电缆
充差,%
GB/T 16750.2--1997
表5(完)
允差、%
额定转速
扬程充差,路
3.2.5.1电缆应选用耐酸、碱、盐和油,性能优良的绝缘材料制造;电缆应采用镀锌钢带、不锈钢带或乃尔钢带铠装
3.2.5.2电缆技术指标应符合表6规定表6电缆技术指标
电缆工
作电压
绝缘电阻
Ma·km
PP绝缘
≥2000
EPR绝缘
≥800
注:PP绝缘
EPR绝缘
直流电阻
不平衡率
长度公差直流泄漏
聚丙烯材料作主绝缘;
15 μA
乙丙橡胶材料作主绝缘。
工频耐压
不击穿
11 kV、
不击穿
导体标
称截面
20C时导体直流电阻
不镀锡
GB/T 16750.2--1997
3.2.5.3电缆焊口应平整牢固,无铠带开裂、脱扣现象,铠装后的宽度、厚度应符合GB/T16750.11997中表13规定。
3.2.5.4电缆由电力电缆和引接电缆两部分组成,引接电缆的长度超出泵出口不得小于2m。3.2.5.5带电缆头的引接电缆在与动力电缆连接前,测量其绝缘电阻值PP绝缘应大于1000MS、EPR绝缘应大于800Mα。
.3.2.5.6电缆头密封性能试验在50℃或90℃的水中进行,试验压力0.3MPa,持续5min,不得泄漏3.2.5.7电缆芯线尺寸公差符合下列规定:圆导线:土1%标称直径。
镀锡导线:t标称直径(d≤4mm)t类标称直径(d>4 mm)。
3.2.5.8电缆头浸在电机润滑油中,分别做相间、相对地交流耐压试验,试验电压为2倍的电机最高1作电压加1kV,频率50Hz持续1min不得击穿。3.2.5.9电力电缆、电缆头应模拟油井温度、压力做高温高压短样检查试验,其绝缘电阻应大于PP绝缘1000Mα、EPR绝缘500M2。整盘电缆应做90℃水常压试验,持续2h,其绝缘电阻应大于PP绝缘1.000M2·km、EPR绝缘500MQ·km。3.2.5.10电缆绝缘层、护套层应做机械物理性能试验,技术指标应符合表7、表8、表9、表10的规定。电缆绝缘层、护套层标称厚度及公差应符合表11的规定。3.2.5.11
3.2.5.12动力电缆应做4h高电压试验,电压为3U。(U。——相电压),不得击穿。表7乙丙橡胶、交联聚乙烯技术指标指
老化前
抗张强度
断裂伸长率
老化后
老化条件
抗张强度
断裂伸长率免费标准bzxz.net
热延伸试验
试验条件
载荷下伸长率
中间值min
中间值min
变化率max
变化率 max
空气温度
载荷时间
机械应力
冷却后永久变形
耐油试验(采用20号机油)
试验条件
抗张强度
断裂伸长率
变化率max
变化率max
注:F1在井温小于等于120℃使用。单位
E2在并温120℃以上,150℃及以下使用。E1
135±2
250±3
乙丙橡胶
聚乙烯
135±2
135±2
250±3
121±2
121±2
老化前
抗张强度
断裂伸长率
老化后
老化条件
抗张强度
断裂伸长率
GB/T 16750.2--1997
聚丙烯(包括改性聚丙烯)技术指标项
氧化诱导期,200C铜
电性能
体积电阻系数,20 C
变化率max
变化率 x
介质损耗角正切(tgo)50Hz或1MHz介电常数50Hz或1MHz
击穿强度,室温
熔融指数
脆化温度
高温压力试验
试验温度
试验时间
压痕深度
表9丁腈橡胶及丁腈聚氟乙烯复合物护套技术指标项
老化前
抗张强度
断裂伸长率
老化后
老化条件
抗张强度
断裂伸长率
变化率max
变化率max
耐油试验(采用20号机油)
试验条件
抗张强度
断裂伸长率
变化率max
变化率max
丁腈橡胶
100±2
121±2
135±2
丁腈聚氯乙烯复合物
121±2
121-+2
电缆类型
引接电缆
扁电缆
圆电缆
GB/T 16750.2-—1997
乙丙橡胶护套技术指标
100%伸长时(定伸)的抗张强度
老化前
抗张强度
断裂伸长率
老化后
老化条件
抗张强度
断裂伸长率
耐油试验(采用20号机油)
试验条件
抗张强度
断裂伸长率
变化率max
变化率max
变化率max
变化率max
表11绝缘层、护套层标称厚度及公差规格
绝缘层
标称值?
厚度平均值
最薄处厚度
≥0. 98 - 0. 1
内护套
标称值
注:扁电缆内护套层材料采用铅时,标称厚度为1.0mm。3.2.6变压器
3.2.6.1变压器性能应符合表12的规定。公
厚度平均值
最薄处厚度
≥0.80 -- 0.2
绕组间、对地绝缘电阻:
高压对中压、低压、地
中压对低压、地
低压对地
直流电阻三相不平衡度
电压变比偏差
额定电流下的实际阻抗电压
外施耐压
感应耐压
空载电流
空载损耗
负载损耗
温升试验
油顶层温升
绕组平均温升
绝缘油介电强度
运行前
运行后
密封性能
不击穿
不击穿
不泄漏
注:规定值见GB/T6451。
GB/T 16750.2-1997
变压器技术指标
规定值+30
规定值+15
《规定值·15
3.2.6.2变压器二次绕组应按GB/T16750.1-1997中9.3规定执行(用户有特殊要求时,可与生产厂协商)。
3.2.6.3变压器二次绕组中星点不接地。3.2.7控制柜
3.2.7.1控制柜应符合GB3797-89中第3章的规定。3.2.7.2控制柜应具备下列功能:a)电机单相运行、过流和短路保护;b)负载电流自动记录;
c)欠载自动停机和延时自动重新起动;d)手动与自动操作;
e)能与共底温度、压力监测装置配套。3.2.7.3控制柜主,控制电路应做50Hz耐压试验,1min不击穿,试验电压有效值为2倍额定电加1000V。
3.2.7.4控制柜主电路相间及对地绝缘电阻应大于500M2。3.2.7.5控制柜控制电路对箱体的绝缘电阻应大于2M2。3.2.7.6控制柜三相电流显示误差不得大于5%。控制柜的高、低压区应隔离,控制析上应有明显的“高压危险”字样和标记。3.2.7.7
GB/T16750.2—1997
3.2.7.8电流记录仪要求圆盘式,其走纸机构为非电力驱动式(用户有特殊要求,可按要求制作)。3.2.8装配
3.2.8.1机组装配后应水平放置,对轴加不大于表13的力矩,盘轴轻松,无阻滞现象。表13轴扭矩限值
分离器
保护器
泵、分离器装配检验合格后应采取防锈、防腐蚀措施。机组壳体防护
电机、保护器,泵、分离器装配合格后,将壳体外露金属表面喷涂防锈漆或其他防腐蚀处理。试验方法和检验规则
试验方法应按GB/T16750.3规定执行。4.1潜油电泵应经制造厂质量检验部门检验合格后方可出厂。4.2出厂检验
4.2.1电机
a)绕组在实际冷状态下直流电阻的测定;b)绕组对机壳及绕组相互间绝缘电阻的测定;c)空载试验;
d)转子滑行时间的测定;
e)耐电压试验;
f)润滑油耐电压试验;
g)密封试验。
4.2.2保护器
a)密封试验;
b)动态运行试验;
c)润滑油耐电压试验。
4.2.3分离器
与机组配套试验。
泵工作范围内的扬程、流量和轴功率的测定。4.2.5电缆
a)外表铠装质量检查;
b)电缆长度;
c)实际冷状态下直流电阻的测定;d)电缆线芯对地和相互间绝缘电阻的测定;e)直流泄漏试验;
f)电缆头密封试验。
4.2.6变压器
a)外观检查;
b)线圈直流电阻的测定;
c)绝缘电阻的测定;
d)电压比测量及电压矢量关系校定;441
e)绝缘油介电强度试验;
)外施电压试验;
g)感应电压试验;
h)空载损耗与空载电流试验;
i)负载损耗与阻抗电压试验;
i)变压器的密封试验。
4.2.7控制柜
a)外观检查;
b)绝缘电阻的测定;
c)耐电压试验;
d)模拟运行试验。
GB/T 16750.2—1997
4.3凡有下列情况之一者,应进行型式检验:a)新产品试制完成时;
b)潜油电泵单机、整机设计或工艺、材料变更足以引起某些性能发生变化时;c)当出」检验结果与以前进行型式检验结果发生不可容许的偏差时;d)成批生产的潜油电泵机组定期的抽试。4.4型式检验项目
型式检验项目包括全部出厂检验项目再加试以下项目。4.4.1电机
a)超速试验;
b)堵转试验;
c)温升试验;
d)最大转矩试验;
e)效率、功率因数及转差率的测定。4.4.2泵
a)运转试验;
b)性能试验。
4.4.3分离器
、液体分离性能试验。
4.4.4电缆
a)高温高压试验;
b)绝缘层、护套层机械性能试验;c)4h高电压试验;
d)工频耐电压试验;
e)电缆芯线外径的检测;
f)绝缘层、护套层厚度的检测。4.4.5变压器
a)温升试验;
b)冲击试验。
4.4.6潜油电泵型式检验抽样采用随机抽样。当产品批量范围50台以下时,样本数n=2;51~500台时n=3;501~1200台时n=5。合格判定数A.为0,不合格判定数R。为1。5标志、包装和储存
5.1标志
小提示:此标准内容仅展示完整标准里的部分截取内容,若需要完整标准请到上方自行免费下载完整标准文档。