首页 > 国家标准(GB) > GB/T 16765-1997 颗粒饲料通用技术条件
GB/T 16765-1997

基本信息

标准号: GB/T 16765-1997

中文名称:颗粒饲料通用技术条件

标准类别:国家标准(GB)

标准状态:现行

发布日期:1997-03-31

实施日期:1997-10-01

出版语种:简体中文

下载格式:.rar.pdf

下载大小:99138

相关标签: 颗粒饲料 通用 技术

标准分类号

标准ICS号:农业>>65.120饲料

中标分类号:农业、林业>>畜牧>>B46畜禽饲料与添加剂

关联标准

采标情况:ASAE S269.4,NEQ

出版信息

出版社:中国标准出版社

页数:平装16开, 页数:6, 字数:6千字

标准价格:8.0 元

出版日期:1997-10-01

相关单位信息

首发日期:1997-03-31

复审日期:2004-10-14

起草单位:无锡轻工大学

归口单位:全国饲料工业标准化技术委员会

发布部门:国家技术监督局

主管部门:国家标准化管理委员会

标准简介

本标准规定了肉鸡、蛋鸭、仔猪、兔颗粒饲料加工质量的主要指标。本标准适用于加工、销售的肉鸡、蛋鸭、仔猪、兔颗粒饲料。 GB/T 16765-1997 颗粒饲料通用技术条件 GB/T16765-1997 标准下载解压密码:www.bzxz.net

标准图片预览

GB/T 16765-1997 颗粒饲料通用技术条件
GB/T 16765-1997 颗粒饲料通用技术条件
GB/T 16765-1997 颗粒饲料通用技术条件
GB/T 16765-1997 颗粒饲料通用技术条件

标准内容

GB/T 16765--1997
颗粒饲料通用技术条件是评价畜禽颗粒饲料加工质量的依据,它不仅可以反映颗粒的物理质量,还可评价制粒系统工作的优劣。
本标准中粉化率测定方法采用了美国农业工程学会标准ASAES269.4《饼块饲料、颗粒饲料和碎粒饲料的定义及其比重、耐久性和含水量的测定方法》中5.2的规定。本标准由中华人民共和国国内贸易部提出。本标准由全国饲料工业标准化技术委员会归口。本标准起草单位:无锡轻工大学、北京市饲料研究所。本标准主要起草人:盛亚白、程宏典、谢正军、盛红。28
1范围
中华人民共和国国家标准
颗粒饲料通用技术条件
General specification for feed pellets本标准规定了肉鸡、蛋鸭、仔猪、兔颗粒饲料加工质量的主要指标。本标准适用于加工、销售的肉鸡、蛋鸭、仔猪、兔颗粒饲料。引用标准
GB/T 16765-1997
下列标准所包含的条文,通过在本标中引用而构成为本标准的条文。本标准出版时,所示版本均为有效。所有标准都会被修订,使用本标准的各方应探讨使用下列标准最新版本的可能性。GB/T6004-85试验筛用金属丝编织方孔网GB6435-86饲料水分的测定方法
GB10647—89饲料工业通用术语
GB10648--93饲料标签
GB13078--91饲料卫生标准
GB/T14699.1-93饲料采样方法
3定义
本标准采用下列定义。
3.1含粉率
颗粒饲料中所含粉料(2.0mm筛下物)质量占其总质量的百分比。3.2粉化率
见GB10647。
4技术要求
4.1感官性状
颗粒色泽均匀,无发霉变质及异膜。4.2水分
按相应的配合饲料标准执行。
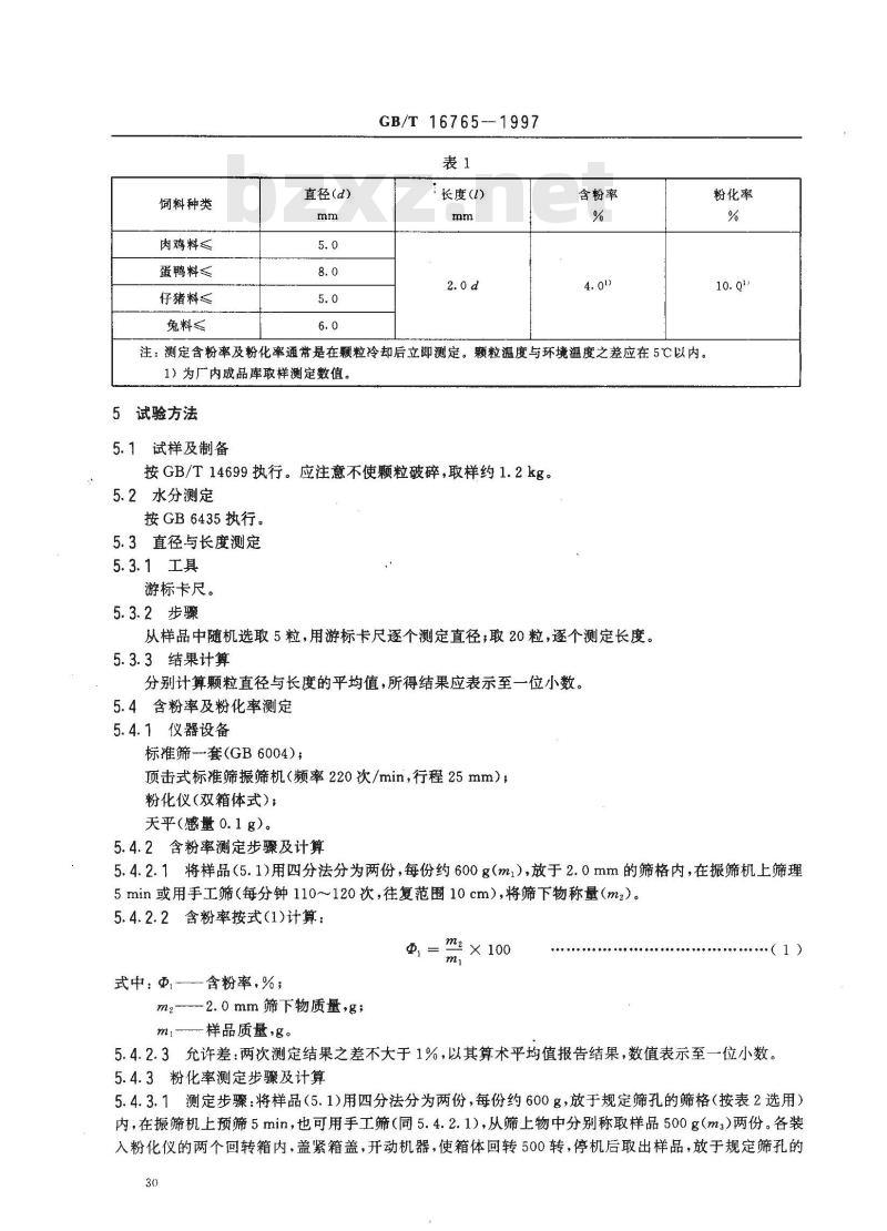
4.3加工指标(见表1)
4.4卫生指标
按GB13078规定执行。
国家技术监督局1997-03-31批准1997-10-01实施
饲料种类
肉鸡料
蛋鸭料
仔猪料》
兔料》
直径(d)
GB/T 16765--1997
1长度()
含粉率
注:测定含粉率及粉化率通常是在颗粒冷却后立即测定。颗粒温度与环境温度之差应在5℃以内1)为厂内成品库取样测定数值。5试验方法
5.1试样及制备
按GB/T14699执行。应注意不使颗粒破碎,取样约1.2kg。5.2水分测定
按GB6435执行。
5.3直径与长度测定
5.3.1工具
游标卡尺。
5.3.2步骤wwW.bzxz.Net
从样品中随机选取5粒,用游标卡尺逐个测定直径;取20粒,逐个测定长度。5.3.3结果计算
分别计算颗粒直径与长度的平均值,所得结果应表示至一位小数。5.4含粉率及粉化率测定
5.4.1仪器设备
标准筛一套(GB6004);
顶击式标准筛振筛机(频率220次/min,行程25mm);粉化仪(双箱体式);
天平(感量0.1g)。
5.4.2含粉率测定步骤及计算
粉化率
5.4.2.1将样品(5.1)用四分法分为两份,每份约600g(ml),放于2.0mm的筛格内,在振筛机上筛理5min或用手工筛(每分钟110~120次,往复范围10cm),将筛下物称量(m2)。5.4.2.2含粉率按式(1)计算:
m2×100
式中;Φ-—含粉率,%;
m2-—2.0mm筛下物质量,g;
m-样品质量,g。
5.4.2.3允许差:两次测定结果之差不大于1%,以其算术平均值报告结果,数值表示至一位小数。5.4.3粉化率测定步骤及计算
5.4.3.1测定步骤:将样品(5.1)用四分法分为两份,每份约600g,放于规定筛孔的筛格(按表2选用)内,在振筛机上预筛5min,也可用手工筛(同5.4.2.1),从筛上物中分别称取样品500g(m3)两份。各装入粉化仪的两个回转箱内,盖紧箱盖,开动机器,使箱体回转500转,停机后取出样品,放于规定筛孔的30
GB/T 16765—1997
筛格内(见表2),在振筛机上筛理5min,或用手工筛(同5.4.2.1),将筛下物称量(m)(如同时需测含粉率则可在预筛时,用2.0mm及规定筛孔的筛格相叠使用)。表2不同颗粒直径规定用筛孔尺寸颗粒直径
筛孔尺寸
粉化率按式(2)计算:
式中:Φ2
粉化率,%;
回转后筛下物质量,&;
回转前样品质量,8。
m×100
·(2)
5.4.3.3允许差:两次测定结果之差不大于1%,以其算术平均值报告结果,数值表示至一位小数。6监测与仲裁判定各项指标合格与否的分析允许误差规定6.1水分
按相应配合饲料标准执行。
6.2含粉率及粉化率判定合格界限含粉率及粉化率判定合格界限见表3。表3含粉率及粉化率判定合格的界限项
含粉率
粉化率
标准规定值
分析允许误差
(绝对误差)
注:表中分析允许误差为不同实验室,不同操作者试验结果之间差值。7检验规则
感官性状、水分、直径、长度、含粉率、粉化率为出厂检验项目。判定合格的界限
7.2在保证产品质量的前提下,生产厂可以根据工艺、设备、原料等变化情况,自行确定出厂检验的批量。
8判定规则
对判定产品是否合格的指标,如检验中有项指标不符合标准,应重新取样复验,复验结果中有项不合格者即判定为不合格。
9标签、包装、运输、贮存
9.1标签
按GB10648执行
9.2包装、运输、贮存
按相应配合饲料国家标准或行业标准执行。31
小提示:此标准内容仅展示完整标准里的部分截取内容,若需要完整标准请到上方自行免费下载完整标准文档。