首页 > 国家标准(GB) > GB/T 16908-1997 机械振动轴与配合件平衡的键准则
GB/T 16908-1997

基本信息

标准号: GB/T 16908-1997

中文名称:机械振动轴与配合件平衡的键准则

标准类别:国家标准(GB)

标准状态:现行

发布日期:1997-07-04

实施日期:1997-01-02

出版语种:简体中文

下载格式:.rar.pdf

下载大小:493970

相关标签: 机械振动 配合 平衡 准则

标准分类号

标准ICS号:机械系统和通用件>>轴和联轴器>>21.120.30键和键槽、花键

中标分类号:机械>>机械综合>>J04基础标准与通用方法

关联标准

采标情况:idt ISO 8821:1989

出版信息

出版社:中国标准出版社

书号:155066.1-14351

页数:平装16开, 页数:17, 字数:27千字

标准价格:13.0 元

出版日期:2004-04-11

相关单位信息

首发日期:1997-07-04

复审日期:2004-10-14

起草单位:机械部长春试验机研究所

归口单位:全国机械振动与冲击标准化技术委员会

发布部门:国家技术监督局

主管部门:国家标准化管理委员会

标准简介

本标准规定了有键组件的各个零件(轴或转子、配合件)平衡的单一准则,旨在使所有被平衡的零件具有适配性,以便它们在组装后能满足该组件综合的平衡和(或)振动允差。本标准适用于在平衡机上、在转子自身的机架上或在现场的转子的平衡,也适用于测量带键槽转子(不装配合件)的剩余不平衡量和振动烈度。 GB/T 16908-1997 机械振动轴与配合件平衡的键准则 GB/T16908-1997 标准下载解压密码:www.bzxz.net

标准图片预览

GB/T 16908-1997 机械振动轴与配合件平衡的键准则
GB/T 16908-1997 机械振动轴与配合件平衡的键准则
GB/T 16908-1997 机械振动轴与配合件平衡的键准则
GB/T 16908-1997 机械振动轴与配合件平衡的键准则
GB/T 16908-1997 机械振动轴与配合件平衡的键准则

标准内容

GB/T16908—1997
本标准等同采用国际标准ISO8821:1989《机械振动轴与配合件平衡的键准则》。本标准的层次划分、编写方法和技术内容完全与ISO8821一致,并符合(GB/T1.11993和GB/T1.22—1993的规定。
本标准统一了全国键联接的轴与轴的配合件平衡的键准则,并使键准则完全与国际标准接轨。在采用国际标准制定本标准的过程中,对ISO8821做了以下微小的编辑性修改:a)ISO8821第2章“用标准”中所引用的国际标准已转化成我国标准,因而本标准第2章\引用标准”中直接引用了与之相对应的我国标准;b)国际标准附录E中列出的参考国际标推,均已经转化成我国标准。故本标准附录E(提示的随录)中列出的标准自录为与ISO8821附录E中所列国际标准相对应的我国标准日录,但在转化过程中我国标准的数目与国际标准不是一一对应,有的一项国际标准可能要对应2项3项我国标准本标准的附录A、附录B、附录 C、附录D和附录E均为提示的附录。本标准由中华人民共和国机械工业部提出。本标准由全国机械振动与冲击标准化技术委员会归口。本标准负责起草单位:机械工业部长春试验机研究所。参加起草单位:上海申克试验机有限公司、北京青云航空仪表公司、中国人民解放军空军孝感试验检测设备厂、天水红山试验机厂。本标准主要起草人:王学智、庞伟、马家福、余林东、将国华。412
GB/T16908—1997
ISO前言
ISO(国际标准化组织)是由各国标准化团体(ISO成员团体)组成的世界性的联合会,制定国际标准的工作通常出ISO的技术委员会完成。各成员团体若对某技术委员会已确立的标准项目感兴趣均有权参加该委员会的工作。与IS)保持联系的各国际组织(宫方的或非官方的)也可参加有关二作。在电工技术标准化方面ISO与国际电工委员会(IEC)保持密切合作关系。由技术委员会正式通过的国际标准草案在被ISO理事会批准为国际标准之前,提交各成员团体表决。根据ISO程序,国际标准需取得至少75%参加表决的成员团体的同意才能正式通过。国际标准ISC)8821由国际标准化组织1SO/TC108\机械振动与冲击”技术委员会制定。本国际标准的附录A、附录I3、附录C、附录D和附录E仅供参考。1.3
GB/T16908-1997
对于轴或转子和用键与其联接的配合件的平衡目前有三种方法,即“键准则”:一全键准则;
半键准则,
无键准则。
将转子及其配合件在装配好以后进行平衡常常是不可能的或是不经济的,因此,要将它们分开平衡。对转了和配合件分别规定合适的平衡允差,以便将它们用合适的键联接到一起时,其组件将会满足所要求的平衡允差和振动烈度。然而,若平衡轴或转子采用的键准卿与平衡配合件的准则不相同时·完全可能使组件的平衡误差超过许用剩余不平衡量。本标准旨在统一全国使用的键准则。当推广使用后,将形成轴或转子和配合件的适配性以便它们能由不同的供应厂商来平衡,而且,在组装以后能满足该组件的平衡和(或)振动允差。414
1范围
中华人民共和国国家标准
机械振动
轴与配合件平衡的键准
Mechanical vibration --- BalancingShaft and fitment key conventionGB/T 16908
idt 1So 8821:1989www.bzxz.net
1.1本标准规定了有键组件的各个零件(辅或转子、配含件)平衡的单准则,在使所有被平衡的令件具有适配性,以便它们在组装后能满足该组件综合的平衡和(或)振动允差。1.2本标准要求在平衡有键组件的各个零件时使用半键,以避免采用全键或无键准则时所产生的平衡误差。
1.3本标准适用于在平衡机上、在转子自身的机架上或在现场的转子的平衡,也适用于测量带键槽转了(不装配合件)的剩余不平衡量和振动烈度。1.4虽然本标准备图中示出的都是与轴的轴线平行安装的等截面的矩形或正方形平键,但本标准也适用于安装在锥形轴上的键、半圆键、楔键、销和其他特殊的键。在定义中概述的半键准则的原则和其他各章的具体应用也适用于其他诸如特殊形状和配置的特殊键。1.5本标准包括了实施细则(见附录A)和将来采用半键准则时过渡时期的细则(见附录13)。2引用标准
下列标准所包含的条文,通过在本标准中引用而构成为本标准的条文。本标准出版时,所示版本均为有效。所有标准都会被修订,使用本标准的各方应探讨使用下列标准最新版本的可能性。GB/T6444—1995机械振动平衡术语(eqvISO1925:1990)3定义
本标准使用了GB/T6444中的术语和定义,同时采用下列定义。3.1配合件
本身无轴必须要安装到:个轴或心轴上才能测定其不平衡量的零件。例如各种联轴器、皮带轮、泵的叶轮、鼓风机风扇和砂轮等。注:当配合件安装在带轴颈的轴上时即成为转子(也可参见GB/T64441995中4.1有关\转子”的定义)。这不仪是一-平衡心轴而且是本身已成为转子的电枢的轴仲。为避免配合件与转子之间的混淆,本标准以下仪使用术语“配合件”和“轴”,后者可以代表任一种轴,例如:平衡心轴,电枢轴、轮轴和泵轴等,3.2键;全键
用于阻止配合件与其匹配的零件(通常为一根轴)之问转动的锁定元件。注
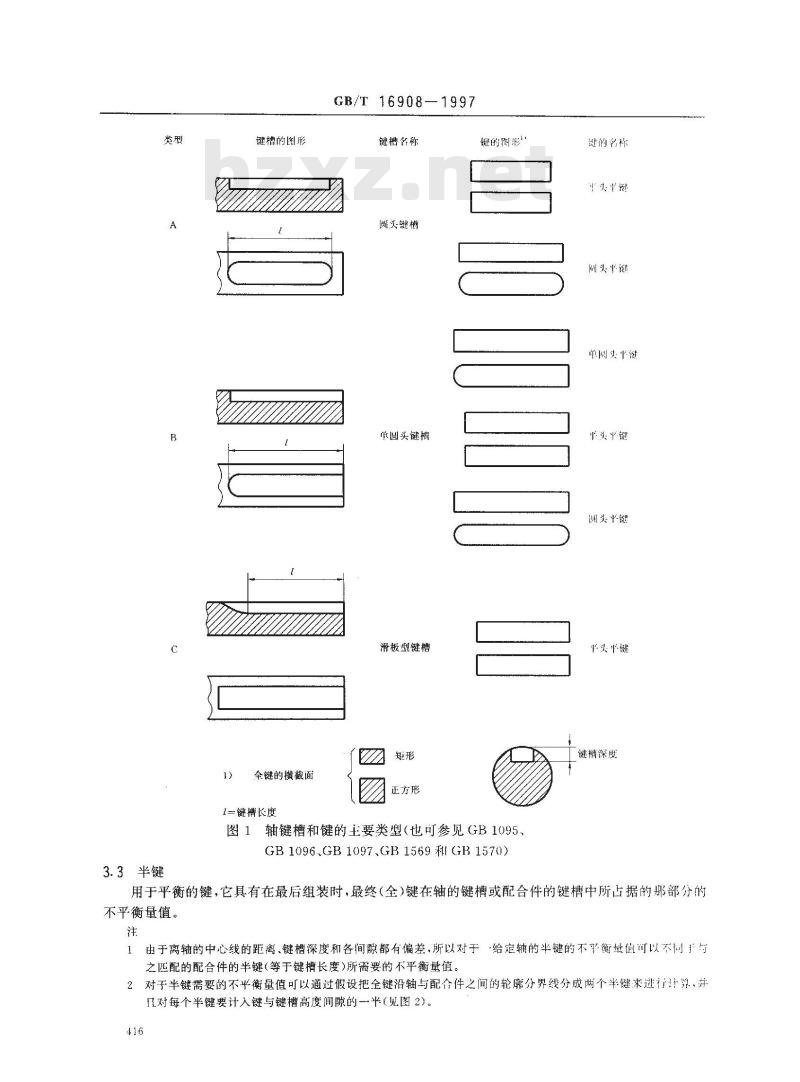
1山于全键是用在最终的组件里,故也常常称为最终组合键。2图1示出了各种类型键和键槽的图形。国家技术监督局1997-07-04批准1997-12-01实施
3.3半键
键槽的图形
全键的横截面
[—键长度
GB/T16908
—1997
键槽名称
圆头键槽
单圆头键槽
滑板型键槽
正方形
键的图形
轴键槽和键的主要类型(也可参见GB1095、GB 1096.GB 1097GB 1569 科 GB 1570)键的名称
喇头平
单岗头平键
中头平
圆头平键
键深度
用于平衡的键,它具有在最后组装时,最终(全)键在轴的键槽或配合件的键槽中所占据的邮部分的不平衡量值。
由于离轴的中心线的距离、键槽深度和各间隙都有偏差,所以对于-给定轴的半键的不平衡址值可以不同扩与之匹配的配合件的半键(等于键槽长度)所需要的不平衡量值。对于半键需要的不平衡量值可以通过假设把全键沿轴与配合件之间的轮廊分界线分成两个半键来进行计筑,并2
且对每个半键要计入键与键槽高度间隙的一半(见图2)。416
4半键准则
GB/T 16908-1997
配合件用的半键
的半谜
图2仿轮廓形半键组
4.1说明
半键准则要求:当平衡无配合件的轴时,在其键槽中要使用半键。当在个无键槽的平衡心轨来平衡配合件时,要使用补偿的半键。若该心轴有键槽,则参见A2.2中规定的可供选择的两种方法,该卡键重心的轴向位置宜与最终组件4全键重心的轴向位暨相同(见图C2)。采用半键准则将为键联接的轴和配合件的平衡提供-个统一的方法。它将消除平衡误差和困采用不相同的键准则而产生的过大的剩余不平衡量和(或)机器的振动,目避免在组件中产生内弯矩(这可能由于在平衡过程叶使用全键所致)。4.2标识
4.2.7平衡以后,在靠近键槽的轴端应标上英文字母H的永久性标记,以表明该平衡采用了十段准则。建议永久性标记使用金属印模或振动刻印器标注,也可使用永久性的或擦不掉的印记。若轴上用于标记的太小,则可标注在键槽的底面。4.2.2平衡以后,在配合件的靠近键槽的那个端面应标上英文字母H的永久性标记,以表明该下衡来用了半键谁则。当把配合件安装到轴二时该字母应是明显可见的。建议永久性标记使用金属印模或最动刻印器标注,也可使用永久性的或擦不掉的印记。4.2.3当平衡个替换的轴或配合件时,而其已知的匹配冬件尚未采用半键准则平衡.侧允许采用租!应的键准则来平衡该特殊的零件。在这种特殊情况下,两个零件均应以所用键准则相应的鉴别学呼按下列情况做出水久性标记:
a)用全键准则平衡的零件应靠近键槽标上字母F;b)采用无键准则平衡的零件应靠近键槽标上字母N。4.2.4如果所采用的键准则不致习产生混淆的话,在轴和配合件.上做的标记字母H可以省略5实施
原始冬件和加工冬件的所有制造广均应执行平衡的半键准则,并应对新生产的转子和配合件遂手标字伊H。
鼓励将便用中的设备在首次维修平衡操作过程中转换到半键准则,在轴和配合件工做出定确的你识,并在任何情况下,均应标上标记。附录1给片了过渡附期的对策。
A1实施日期
GB/T 16908—1997
附录A
(提示的附录)
半键准则的实施建议
为避免所使用的键准则在制造广和用户之间造成混乱,建议本标准自发布之日起平件后实施A2半键的要求
A2.1对于轴的键槽要求使用半键。A2.2对于带有单个键槽的配合件,必须满足下列要求之一~:a)在心轴上没有键槽时,使用个半键;b)在心轴上有两个互成180°相同的键槽时,使用个全键和一个与其长度相等的半键;c)在心轴上有单个键槽时,使用-一个半键(用于平衡心轴)和一个全键(用于平衡心轴与配合件的组件)。
使用上述要求中a>或b)的心轴结构较佳,因为它们自身是平衡的。1
2平衡心轴宜与所要模拟的轴具有相同的直径公差。在心轴上也要具有校止平面以供不平衡基的校正、转位平衡和偏置之用。
A2.3特殊的键,如半圆键、钩头键或楔键等要求单独进行考虑。A2.4若-个全键随着轴-起发货,其长度是清楚的,则配合件的正确的半键就可以确定(见(4)。如果轴在发货时不带任何键,则平衡轴时初始所用的半键的长度就假定与轴键槽的长度相同(见图1.尺寸,
A2.5平衡用的卡键应采用与最终键密度相同的材料制作。除另有特殊规定外,可假定最终键是钢制的国此,半键也宣是钢制的。
A2.6建议使用玻璃纤维胶带等一些引入不平衡量极小的方法,把半键固定在轴应有的位留,们是还要防止半键从键槽中偶然分离。A3例外情况
A3.1若一个轴或配合件具有两个互成180°相同的键槽,并在最终组件里使用两个键,则允许不带任何键平衡,这亦满足半键谁则的要求。若两个键槽不相同或不是在互成180°的位置,则需要用两个半键来平衡轴、用另外两个半键来平衡配合件。A3.2若某组件的振动允差足够大,即使改变键准则也不致超差,或若某一制造厂只有有限儿个用户,他们不要求通过其他部门进行轴修理或从其他来源更换轴,则允许保留与半键准则不一致的键准则,但是.所有的轴宜相应地都要标上标记。A3.3些联轴器不适合采用半键准则.是因为它们在制造厂平衡时其内孔中还尚未加工出键槽。联轴器的用户通常都是按照他们的要求扩大孔径并加工键槽而不再重新平衡。倘若最终键的长度与键槽的长度大致树等,该方法就基本符合半键准则。A4对待以往键准则的办法
当半键准则实施以后,那些在本标准执行之前生产的轴和配合件仍将存在许多年。当这样老的(未标记的)轴和配合件需要重新平衡,而又没有可重新平衡的与其匹配的冬件时.则必须知道其匹配的(不118
GB/T 169081997
在于头的)零件过去是采用何种键准则来平衡的。在本标准实施后现有的零件必须按相同的键准则承新平衡(并标记)香则秉新平衡工作很有可能产生不良后果。为有助」确是那些匹配的(不在于头的)零件过去被中衡时所采用的键准则,丧1列出「理除协准化组织(IS())的备P(积极)成员和(观察)成员国在过去所采用的键准则裴AI
澳大利业
奥地利
比和时
捷克斯落伐克
匈牙利
意大利
翌西哥
罗玛尼亚
瑞上:
(纽织)
(CSITS)
(AFNOR)
(MSZH)
(JISC)
(SABS)
(ANSI)
金批界以往惯用的键准则
使用的轴键准则
不使用
不使用
不使用
不使用
不使用
不使用
全键(大约从1965年起)
不使用
不使用
不使用
不使用
不使用
不使用
全键(自1978年1月1月起大多数电机使用;其他旋转机械未确定)不使用
1978年1月1H以前为半键,以后为全键半键
凡未注明起始日期的,假定除所列出的方法外以前末未采用任何键准则。出于欧洲协调的作用,能够假定许多欧洲国家白1978年1月「且起就山经采用了仓键准则。附录B
(提示的附录)
半键准则的过渡对策
生产键联接的轴和(或)配合件的制造)宜尚拟有他们零件和组件库存的所有已知的单位和个人通告本标准的实施日期,并提出要采用的过渡对策真到把现有的库存用尽为正。推荐的过渡措施好下:B7.1存储在制造厂成品库中的以及销售者或用已经按半键准则平衡的所有的轴和配合件。在发货GB/T 16908--1997
和(或)使用之前都应该按4.2标上宁每H。如果尚未做过这样的平衡,此时他们应该接半键准则重新平衡并且做出标记。
B1.2对于不适合按半键准则重新平衡的场含,要把成品库中的所有轴和配合件按4.2的规定,依据对它们平衡时所采用的键准则全都标上相应的标记。B2过渡期间,在制造厂完全转换成半键准则之前,他们可以向用广提供不采用半键准则平诞的新零件或组件。制造厂应该用相应的标识字母标记这些零件(或组件)。用产有选择按半键准则重新平衡它们的自用,但经做了这样的选择,用户就要把原来标注的键准则的标记及时改换成半键准则的标记。B3将使用中的轴和配合件转换到半键准则时.在首次重新平衡操作过程中要包括标注符合4.2规定的正确的标记。
附录℃
(提示的附求)
制造半键的具体考虑方法
C1仿形半键
当把图2所示的轴和配合件用的两个半键放在-一起时,它们具有的外形尺寸和质量与轴和配合件的最终组件所要使用的全键相同。但是,象这样的仿形半键制造起来是相当品贵的,而且对了平衡单件或小批量的轴或配合件也是完全不现实的。C2轴用的非仿形半键
T.厂实际应用中常常使用小于理想尺寸的半键,如近似等于最终键半个高度或半个长度的键(参见图(1到(3)。半长键较好,因为它比半高键容易制造,而三提供广比半高键还接近理想仿形半键的不衡量值。实际托,对丁具有正方形横截面的键,将其切至最终键的全部质量48%的半长键,通常具有的不平衡董值将在理想半键的2%以内。若轴与配合件的键槽深度不相同(就GB1095、GB1096、GB1097.GB1569和GB1570中描述的带有矩形横截面的键而言),则上述的近似方法不再适用。取而代之,轴用的半长键的质量,对于宽度直到8mm的键宜是(最终)全键的45%;而对了较宽的键宜是54%。按此百分数制造的键,其不平衡量值-般将在理想值的2%以内。
以上确定的百分数用于挠性转子平衡使用的半键,可能不够精确。配等件用附平假
切削掉的材:
图C1半高键组
GB/T 16908--1997
图C2半长键(仅供轴用),其重心位最终红件中全键重心的同-横问平面内
配合件
下长诞
图(3平衡配合件用的半长键
C3配合件用的非仿形半键
对于小批量生产,通常使用非仿形半高键。为补偿切掉的靠着轴的那…部分形体。这奖键的长度宜超过最终键(正方形横截面)长度的4%。对于符合GB1095、GB1096GB1097、GB1569租(G170期定的键不需要这样做,因为这些标准规定的配合件的键槽具有足够的间隙容许嵌人连与配个件的润槽!有相同长度的半高键并产生适当的不平衡量值。对于大批生产,使用如图C3所示的单长键可能是比较有效的。这类键叫用螺固焦在十衡心箍上对称两键槽的其中-个键槽中以保持其轴向位置。在平衡过程中必须把配合件轴向定位」缝阅位置。
C4半键的长度
对给轴径,键的长度尚未普遍标准化。轴和配合件通常由不同的制造严提供,都不知道!的键槽长度。在这种情况下,其规则是:每个制造厂使用的半键都是以最终组件的键将变件据其链槽金长为假设条件,来适当地确定其尺寸(见A2.4)。轴和配合件的装配偶尔会遇到轴的键梢比配合件的键槽长的情况。为避免下较短的配台件的槽用半键重新平衡轴,或者基于较长的轴键川非键重新平衡配合件.可选用下列两种为法之a)阶梯键,加工成具有两个不间高度截面的键以适应翰和靶合件中不同的键槽长度(员(:)b)均长键,出全高键切牟轴和配合件键槽的中均长度而构成的键(见图(5和图(6)。配合件
GB/T 16908.--1997
短配合件用的阶梯(最终)键
tk键槽长度
=配合件的长度
la键的平均长度
lk +-t
在理想位置上短配合件用的均长(最终)键填充的
未填充的
配合件
图C6与轴端齐平安装,产生平衡误差的短配合件用的均长(最终)键均长键理想的轴向安装位置是在轴的键槽矩形部分的中心并要把配合件对准键的中心安装(见图C5)。
然而,把配合件安装在理想的位置是不太可能的。通常可以把配合件与轴端齐平安装,如图C6所示。
图C6示出的安装方法引入了两种平衡误差:即,因为键上标注“填充的”那部分应该放留在标注“来填充的”位置而雨产生的偶不平衡;以及由于键上标注“填充的”那部分所在的位置比其应该放在标注“未填充的”位置时离开轴的中心线距离较大而产牛的准静不平衡。为评估这些误差的显著性必须把它们转换到图C8所示的轴的校止平面「和校正平面Ⅱ中。在大多数情况下这些误差都是可以忽略的422
GB/T16908—1997
如果配合件的键槽比轴的键槽长.则必须以轴键槽为基准用半键来平衡配合件,势:·种乃法是做成一个阶梯键,其上平键填充配合件键槽的全长·其下半键填充长度较短的辅键槽。C5由半键产生的平衡误差
由于存在键槽设计间隙、加工充差和相对于理想形状或位置的偏差.所以半键可能产生中衡误基(和由其产生的过大的剩余不平衡量)。图(7用图解说明了这些误差中的某些误差,该图示出了需链和键槽的轴与配合件的组件分别在静止和工作状态键的位性的横截面图。图示的爷间隙容诈键行稍微的倾斜。当设定轴与配合件各自的平衡允差时,必须把这些误差和别的平衡误差都号德进去静止状态
1作状态
轴的转动方间
图(7静止和工作状态键的位置
必须注意:靠近轴端产生的准静平衡误亲当转换到与其邻近的轴的校正平而时通常要增川其影哪在图C8中示出的轴的例了就说明了这·点。对于平面1(邻近的校正平面)该误差增加的比为:,而对于平面Ⅱ(较远的校正面)其变化的比率为&/。图C8键产尘的准静平衡误差向轴(转子)的校正平而中转换间隔很近的两个平面所产生的偶不平衡误差,例如图C6中的那些误差,通常以两偶不平御说差半面的问距与轴上两校正平面的间距之比在轴的各校正平面中转换成较小的不平衡量值C6键槽端部的形状
见图C9和图C10。
小提示:此标准内容仅展示完整标准里的部分截取内容,若需要完整标准请到上方自行免费下载完整标准文档。