首页 > 国家标准(GB) > GB/T 17390-1998 潜油电泵拆卸报告的编写
GB/T 17390-1998

基本信息

标准号: GB/T 17390-1998

中文名称:潜油电泵拆卸报告的编写

标准类别:国家标准(GB)

标准状态:现行

发布日期:1998-05-18

实施日期:1999-02-01

出版语种:简体中文

下载格式:.rar.pdf

下载大小:367353

相关标签: 潜油 电泵 拆卸 报告 编写

标准分类号

标准ICS号:石油及相关技术>>石油和天然气工业设备>>75.180.10勘探和钻采设备

中标分类号:石油>>石油勘探、开发、集输设备>>E92石油钻采设备与仪器

关联标准

采标情况:≡API RP 11S1-95

出版信息

出版社:中国标准出版社

书号:155066.1-15325

页数:平装16开, 页数:11, 字数:16千字

标准价格:10.0 元

出版日期:2004-04-12

相关单位信息

首发日期:1998-05-18

复审日期:2004-10-14

起草单位:胜利石油管理局无杆采油泵公司

归口单位:全国石油钻采设备和工具标准化技术委员会

发布部门:国家质量技术监督局

主管部门:中国石油天然气集团公司

标准简介

本标准规定了潜油电泵拆卸报告的内容及编写格式。本标准适用于潜油电泵的拆检、修理和设备管理。 GB/T 17390-1998 潜油电泵拆卸报告的编写 GB/T17390-1998 标准下载解压密码:www.bzxz.net

标准图片预览

GB/T 17390-1998 潜油电泵拆卸报告的编写
GB/T 17390-1998 潜油电泵拆卸报告的编写
GB/T 17390-1998 潜油电泵拆卸报告的编写
GB/T 17390-1998 潜油电泵拆卸报告的编写
GB/T 17390-1998 潜油电泵拆卸报告的编写

标准内容

GB/T17390-1998
本标准等同采用美国石油学会标准APIRP11S1《电动潜油泵拆卸报告推荐作法》第二版(1995年1月1日)。其技术内容相同,编写方法完全相对应,仅有编辑性修改为:1.将APIRP11S1中表右上方的\API电动潜油泵拆卸报告”改为表题“潜油电泵拆御综合报告”,并置于表的上方居中位置。
2.为便于使用,将APIRP11S1表中某些项目与待填写的空白分开,如油田/油区/其他、安装日期、制造厂、产油量等。
3.为了标准的使用方便,增加了“范围”第一章,而将标准的技术内容归为第二章并增加了标题。4.将计量单位一律改为我国的法定计量单位。本标准为首次发布,自1999年2月1日起实施。本标准由中国石油天燃气总公司提出。本标准由全国石油钻采设备和工具标准化委员会归口。本标准由胜利石油管理局无杆采油泵公司负责起草。本标准起草人:严锡梁。
GB/T17390—1998
API前言
本推荐作法属美国石油学会采油设备标准化委员会管理。本推荐作法包括电动潜油泵拆卸报告的推荐表格。本标准自印在封面上的日期起生效,但可自分发之日起自行采用。760
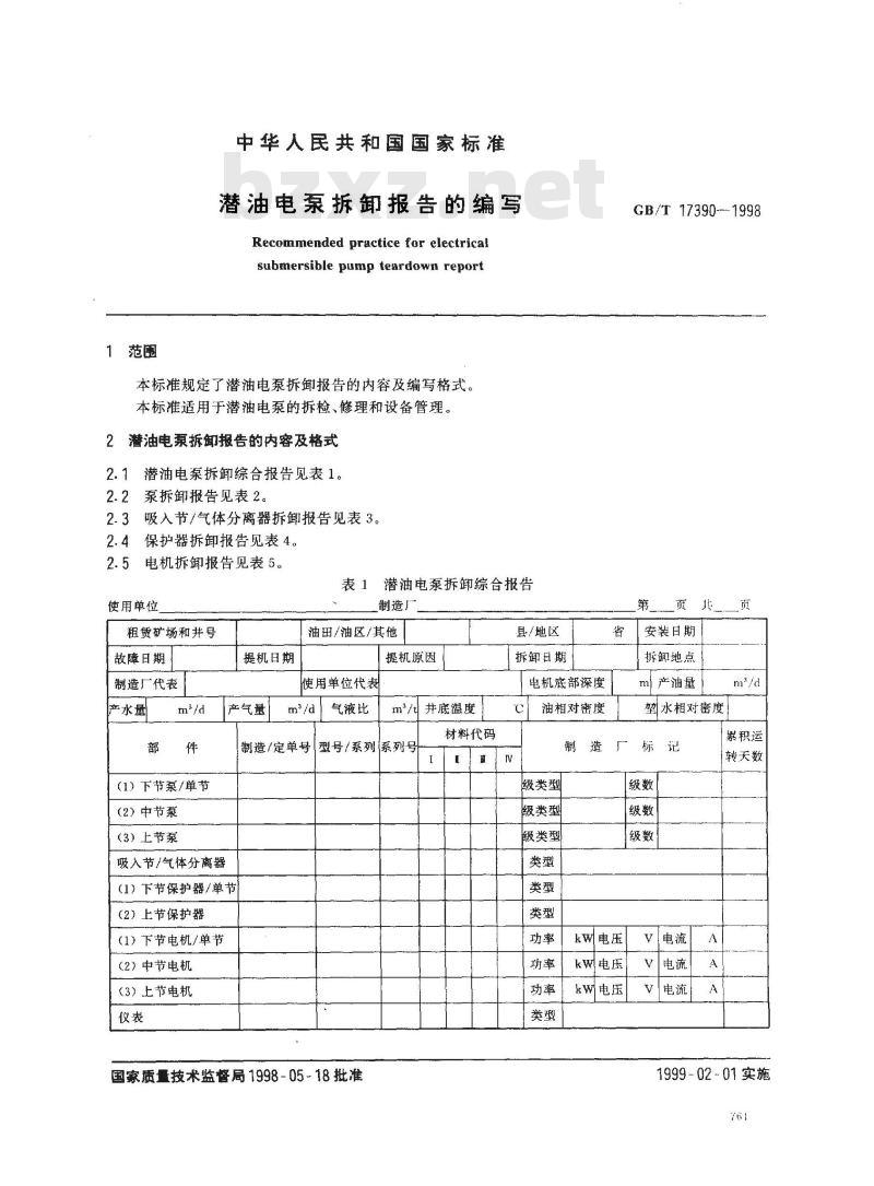
中华人民共和国国家标准
潜油电泵拆卸报告的编写
Recommended practicefar electricalsubmersible pump teardown report本标准规定了潜油电泵拆御报告的内容及编写格式。本标准适用于潜油电泵的拆检、修理和设备管理。2潜油电泵拆报告的内容及格式
2.1潜油电泵拆卸综合报告见表1。2.2泵拆卸报告见表2。
2.3吸入节/气体分离器拆卸报告见表3。保护器拆卸报告见表4。
电机拆卸报告见表5。
表1潜油电泵拆卸综合报告
使用单位
租赁矿场和井号
故障日期
制造厂代表
产水量
(1)下节泵/单节
(2)中节泵
(3)上节泵
提机日期
产气量
制造厂
油田/油区/其他
提机原因
使用单位代表
m3/d|气液比
制造/定单号
吸入节/气体分离器
(1)下节保护器/单节
(2)上节保护器
(1)下节电机/单节
(2)中节电机
(3)上节电机
m/l井底温度
型号/系列系列号
国家质量技术监督局1998-05-18批准T
材料代码
县/地区
拆御日期
电机底部深度
油相对密度
制造厂
级类型
级类型
级类型
GB/T 17390--1998
安装日期
拆卸地点
ml产油量
垫水相对密度
kw电压
kw电压
kw电压
累积运
转天数
1999-02-01实施
使用单位
材料/涂层
专用材料代码
含成橡胶
GB/T17390—1998
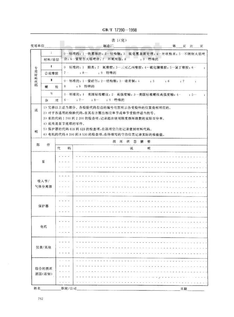
表1(完)
制造厂
0--标准的;1-铁素体的:2-结构钢;3硫化氢表面处理;4—片状粉末;5不锈钢火焰喷涂;6蒙耐尔火焰喷涂;7环氧树脂;8;9.-特殊的
标准的;1腈类;2·氟橡胶;3-三元乙内橡胶;4--硫化腈橡胶;5--氯丁橡胶;6 8
;9、特殊的
0标的;1-蒙耐尔;2-结构钢;3-硅青铜;48
:9特殊的
-标准的;1
美国标准螺纹;2
高强度轴;3---
美国标准螺纹高强度轴;1
;9特殊的
1)完善以上适当部分。各检验代码右边的编号与图所示各受捡件的位置是相对应的。2)对于各适用的检验代码,在其右方圈出相应单节或串节受检件适当的号。3)录的代码1700到2200的检查项,记录超出使用限度损坏级数的实际百分率,4)底座是泵节底部的零件。
5)保护器的代码618到623的检查项,在该项空自处记录密封材料代码。6)电机的代码8200到8530的检查项,在待填写的空白位置记录实际的检验值。件
吸入节!
气体分离器
保护器
仪表/其他
综合的损坏
原因(若知)
职别/公司
租赁矿场
11420泵级磨损可忽略
1430泵级磨损轻微
租赁矿场
GB/T 17390--1998
泵拆卸报告
1000外表损坏可忽略
1010外表损坏中等程度
1020外表损坏严重
1030接合处倒转松开
1040外壳外径腐蚀可忽略
1050外壳外径腐蚀中等程度
1060外壳外径腐蚀严重
1070外壳外径结垢可忽略
1080外壳外径结垢严重
1090泵轴转动好
1100泵轴转动困难
1110泵轴被卡住
1120泵轴极度松旷
1130花键好
1140花键扭曲或剪断
1150底座衬套好
1160底座衬套极度磨损
1170底座腐蚀可忽略
1180底座腐蚀中等程度
1190底座腐蚀严重
1231570非金属叶轮毂开裂
1440泵级磨损中等程度
[1450级磨损严重
1460泵顶部泵级磨损
1470泵中部泵级磨损
1480泵底部泵级磨损
1490泵级畅通
1500泵级局部堵塞
1510泵级全部堵塞
1520泵级砂堵
1530泵级水垢堵塞
1540其他物堵塞泵级
(备注)
[1550导壳O型圈好
1560导壳0型圈脆化
131580非金属叶轮毂毁坏
1590非金属叶轮扭曲
1600导壳自转
131610泵级间橡胶轴承好
提机日期
1200底座畅通
1210底座局部堵塞
1220底座全部堵塞
1230底座砂堵
1240底座水垢堵塞
1250其他物堵塞底座(备注)
1260排出头畅通
1270排出头局部堵塞
1280排出头全部堵塞
1290排出头砂堵
1300排出头水垢堵塞
1310其他物堵塞排出头(备注)1320排出头腐蚀可忽略
1330排出头腐蚀中等程度
1340排出头腐蚀严重
1350键槽/键好
1360键槽/键损坏
1370泵级研磨磨损
1380泵级下摊磨损
1390泵级上推磨损
1400泵级多级径向偏心磨摄
1410泵级多级径向均匀磨损
提机日期
32300下止推垫好
32310下止推垫磨损变薄
32320下止推垫磨损损坏
2330下止推垫自转
2340下止推垫脆化
1620泵级间橡胶轴承脆化
31630泵级间橡胶轴承松弛
1640泵级间橡胶膨胀
31650泵级间橡胶磨损
31660泵级间橡胶衬套好
1670泵级间橡胶衬套磨损
1680泵级间橡胶衬套腐蚀
17_%叶轮磨损超出使用范圈
3二%导壳磨损超出使用范围
二%叶轮磨损超出使用范围
%导壳磨损超出使用范围
%叶轮磨损超出使用范围
一%导壳磨损超出使用范围
32350上止推垫好
32360上止推垫磨损变薄
32370上止推垫磨摄损坏
2380上止推垫自转
2390上止推垫脆化
2400轴好
[2410轴断
2420轴扭曲
2430轴磨损(备注)
2440外壳内径腐蚀可忽略
2450外壳内径腐蚀中等程度
2460外壳内径腐蚀严重
租赁矿场
4050头部畅通
4060头部局部堵塞
4070头部全部堵塞
4080头部砂堵
分离器
4090头部水垢堵塞
4100其他堵塞头部(备注)
4110头部腐蚀可忽略
4120头部腐蚀中等程度
4130头部腐蚀严重
4140分流尧好
4150分流壳偏心磨损
4160分流壳研磨可忽略
4170分流壳研磨中等程度
4180分流壳研磨严重
租赁矿场
GB/T 17390--1998
吸入节/气体分离器拆卸报告
吸入节
3000外表损坏可忽略
3010外表损坏中等程度
3020外表损坏严重
3030接合处倒转松开
3040外壳外径腐蚀可忽略
3050外壳外径腐蚀中等程度
3060外壳外径腐蚀严重
3070外壳外径结垢很少
3080外壳外径结垢严重
3090轴转动好
3100轴转动困难
3110轴卡件
3120轴断
3130轴扭转
3140轴磨损(备注)
3150轴顶部游隙过大
3160轴底部游隙过大
4190分流壳畅通
提机日期
4200分流壳局部堵塞
4210分流壳全部堵塞
4220分流壳砂堵
4230分流壳水垢堵塞
4240其他物堵塞换向器(备注)4250键槽/键好
4260键槽/键损坏
4270分离室好
14280分离室研磨磨损
4290分离室侵蚀
4300分离室损坏(备注)
提机H期
3170花键好
3180花键扭曲或剪断
3190吸入口衬套好
3200吸入口衬套极度的磨损
3210吸入口畅通
3220吸入口局部堵塞
3230吸人口全部堵寒
3240吸人口砂堵
3250吸人口水垢堵寨
3260其他物堵塞吸入口(备注)3270吸入口腐蚀可忽略
3280吸入口腐蚀中等程度
3290吸入口腐蚀严重
气体分离器
1000外壳内径腐蚀可忽略
4010外壳内径腐蚀中等程度
4020外壳内径腐蚀严重
4030头部衬套好
40.10头部衬套磨损
第页共
4310分离级磨损可忽略
4320分离级显示研磨磨损
4330分离级显示下推磨损
4340分离级显示上推磨揽
4350分离级显示偏心磨损
4360分离级畅通
4370分离级局部堵塞
4380分离级全部堵塞
4390分离级砂堵
4400分离级水垢堵塞
4410其他物堵塞分离级(备注)4420导轮自转
租赁矿场
5320止推轴承磨摄可忽略
5330止推轴承磨损中等程度
5340止推轴承磨损严重
5350止推轴承巴氏合金融化
5360止推轴承巴氏合金分离
5370止推轴承不正确旋转
5380止推轴承滑面负载不勺
5390上止推环磨损可忽略
5400上止推环磨损中等程度
5410上止推环磨损严重
5420轴腐蚀可忽略
5430上密封装置以上的轴腐蚀
租赁矿场
GB/T17390—1998
表4保护器拆卸报告
5000外表损坏可忽略
5010外表损坏值得注意(备注)5020焊缝好
5030焊缝裂摄
5040外壳腐蚀可忽略
5050外壳腐蚀中等程度
5060外壳腐蚀严重
5070密封室耐压试验好
提机日期
125170轴花键好
5080密封室耐压试验失效(备注)1|25090轴伸合适
5100轴伸大于标准值
5110轴伸小于标准值
5120轴转动好
5130轴转动困难
5140轴卡住
5150轴断
5160轴扭曲
5600底座村套好
5610底座衬套过大
15620中密封卡住
5630中密封泄漏
5640中密封静面松疏
提机期
5650中密封静面碎裂/龟裂
5660中密封静面移位
5440上密封装置至中密封装置
之间的轴腐蚀
护】5450中密封装置至底部密封装5670中密封静面有不均匀痕迹
5680中密封0型圈泄漏
5690中密封波纹管硬化
5700中密封动面磨损
5710中密封动面碎裂/龟裂
5720中密封体衬套好
5730中密封体衬套过大
5740上密封卡住
置之间的轴腐蚀
5460下密封装置以下的轴腐蚀
5470上密封装叠处轴损坏
5480中密封装置处轴损坏
5490下密封装置处轴损坏
5500下密封卡住
5510下密封泄漏
5520下密封静面松疏
5530下密封静面碎裂/龟裂
5540下密封静面移位
5550下密封静面有不平滑痕迹
5560下密封O型圈泄漏
5570下密封波纹管硬化
5580下密封动面磨损
5590下密封动面碎裂/龟裂
5750上密封泄漏
5760上密封静面松疏
5770上密封静面碎裂/龟裂
5780上密封静面移位
5790上密封静面有不均匀痕迹
5800上密封0型圈泄漏
5810上密封波纹管硬化
5820上密封动面磨损
5830上密封动面碎裂/龟裂
5840头部村套好
5850头部衬套过大
1|25860密封体0型圈好
5870密封体上部O型圈损
5880密封体下部0型圈损
5180轴花键损坏
5190头部型圈装置好
5200头部○型圈槽损坏
5210头部()型圈损坏(备注)5220底座0型圈装置好
5230底座0型圈槽损坏
5240底座(型圈损坏(备注)
5250油滤清器畅通
5260油滤清器脏污
5270油滤清器内为乳状液
5280油滤清器堵塞
5290止推动环好
5300止推动环裂纹
5310止推动环显示向上推
5890联接螺栓好
5900联接螺栓下部弯曲
5910联接螺栓上部弯曲
5920井液进入轴承表面
5930胶囊好
5940胶囊脆化(备注)
5950胶囊气压试验失效(备注)5960静压试验好
25970静压试验失效
25980动态压力试验好
5990动态压力试验失效
126000呼吸管好
6010呼吸管腐蚀穿
126020下段油清洁
6030下段油不清洁Www.bzxZ.net
6040下段油液乳化
6050下段呈现井液
6060中段油清洁
6070中段油不清洁
6080中段油液乳化
6090中段呈现井液
6100下段油清洁
6110下段油不清洁
6120下段油液乳化
26130下段呈现井液
6140泄油阀好
6150泄油阀被撞开
6160泄油阀被撞封闭
6170泄油阀耐压试验失效
租矿场
租赁矿场
GB/T 17390—1998
表4(完)
提机日期
表5电机拆卸报告
井号。
7000外表没有损坏
7010外表损坏(备注)
7020外壳弯曲
7030外壳腐蚀可忽略
7040外壳腐蚀中等程度
7050外壳腐蚀严重
7060外壳结垢
7070仪表外壳腐蚀可忽略
7080仪表外壳腐蚀中等程度
7090仪表外壳腐蚀严重
7100仪表外壳与底座结合处腐蚀7110定子至底座的接缝腐蚀
7120底座的接缝焊锡融化
7130耐压试验无渗漏
7140耐压试验在注油阀渗漏
在下列代码旁标出密封类型
618上密封动环1
619上密封静环|2
620中密封动环3
621中密封静环
622下密封动环
提机日期
下密封静环
7250电机轴好
7260电机轴卡住
7270电机轴断裂
7280电机轴花键扭曲
碳化硅
压花陶瓷
顾客确定的
7290推力盘磨损可忽略
7300推力盘磨损中等程度
7310推力盘磨损严重
7320推力轴承磨损可忽略
7330推力轴承磨损中等程度
7340推力轴承磨损严重
7350推力轴承不正确旋转
237360推力轴承巴氏合金脏污
7370电机头/底座与机体联接牢固213
7380电机头与机体退离
7150附压试验在终端接线座渗漏17160耐压试验在电机头渗漏
7170耐压试验在底座渗漏
7180无任何烧损痕迹
7190外壳顶端有烧损痕迹
7200外壳底端有烧损痕迹
7210电机油色清澈
7220电机油色不清澈
7230电机油呈现乳化状
7240电机油内进入地下水
7390电机底座与机体退离
7400电机0型圈好
7410电机(型圈脆化
7420电机O型圈槽好
7430电机型圈损坏
7440油滤清器滤网清洁
7450油滤清器滤网脏污
7460油滤清器滤网的油有乳状液7470油滤清器滤网堵塞
租赁矿场
7180铁芯傻蚀可忽略
7490铁芯侵蚀显著
7500铜锡合金的侵蚀忽略
7510铜锡合金侵蚀严重
7520绝缘块好
7530绝缘块相问损坏
7540绝缘块接地
7550绝缘块变形
7560引接线好
7570引接线断路
7580引接线相间烧穿
7590引接线相对地烧穿
7600引接线脆化
7610插入式电缆头
7620绕包式电缆头
7630润滑油性能好
7640润滑油性能变坏
7650下导轴套好
7660下导轴套偏心磨损
7670下导轴套中等程度损坏
7680下导轴套跳火损伤
7690电机头好
GB/T 17390-1998
表5(完))
提机日期
1237800金属轴承轴套好
7810金属轴承轴套极度磨损
7820非金属轴承轴套好
8120键槽/键好
8130键槽/键损坏
8140机温正常
7830非金属轴承轴套极度磨损112|318150机温过高T123
8160定子应烘干
7840轴承好
7850轴承外径极度磨损
7860轴承内径极度磨损
7870非金属轴承好
7880非金属轴承外径极度磨损
1237890非金属轴承内径极度磨损1123[2|37900止推垫圈好
2|37910止推垫圈脆化
[237920止推垫圈磨损
237930转子好
7940转子硅钢片呈黑色
7950转子端环呈黑色
7960其他污染转子
7970转子与定子磨擦
7980定子没有烧损
7990定子明显烧损(备注)
[1238000定子槽被烧
8010定子上部和线圈烧损
7700电机头电缆接线座孔划伤123|8020定子下部和线圈烧损7710电机头电缆接线座孔坑蚀1|2|3|8030定子附件接头烧损1238040仪表好
7720电机头密封孔好
7730电机头密封孔侵蚀
7740有很小的磨损金属粒
7750有磨碎迹象的金属粒
7760上导轴套好
7770上导轴套偏心磨损
7780上导轴套中等程度磨损
7790上导轴套跳火损坏
8050仪表损坏
8060仪表线圈断路
8070仪表线圈接地
1238080铜叠片磨损可忽
8090铜叠片极度磨损
2138100钢叠片磨损可忽略
1238110钢叠片极度磨损
9000硫化氢
9010砂
补充资料
9020腐蚀性盐类
9030一氧化碳
9040乳化问题
9050其他
9100防腐剂
9110防垢剂
9120破乳剂
9130酸
9140蒸汽
9150热油处理
9160其他
8170定子应重绕
8200电机AB相电阻
8210电机BC相电阻
8220电机CA相电阻
8230A相对地绝缘电附
8210B相对地绝缘电阻
1|2|38250C相对地绝缘电阻
1238300电机AB相电阻
8310电机BC相电阻
1|213]
8320电机CA相电阻
8330A相对地绝缘电阻
8340B租对地绝缘电阻
835OC相对地绝缘电阻
8400电机AB相电阻
8410电机BC相电阻
8420电机CA柏电阻
8430A朴对地绝缘电阻
8440B相对地绝缘电阻
12|3,8450C相对地绝缘电阳
1238510耐压强度试验指标
8520耐压强度试验指标
38530耐压强度试验指标
用广规定的资料
(查对适当的方框)
小提示:此标准内容仅展示完整标准里的部分截取内容,若需要完整标准请到上方自行免费下载完整标准文档。