首页 > 国家标准(GB) > GB/T 17638-1998 土工合成材料短纤针刺非织造土工布
GB/T 17638-1998

基本信息

标准号: GB/T 17638-1998

中文名称:土工合成材料短纤针刺非织造土工布

标准类别:国家标准(GB)

标准状态:现行

发布日期:1998-01-02

实施日期:1999-03-01

出版语种:简体中文

下载格式:.rar.pdf

下载大小:227713

相关标签: 土工 合成 材料 针刺 非织造 土工布

标准分类号

标准ICS号:纺织和皮革技术>>纺织产品>>59.080.70土工布

中标分类号:纺织>>纺织制品>>W59其他纺织制品

关联标准

出版信息

出版社:中国标准出版社

页数:6页

标准价格:10.0 元

相关单位信息

首发日期:1998-12-24

复审日期:2004-10-14

起草单位:中国纺织科学研究院

归口单位:全国纺织品标准化技术委员会

发布部门:中华人民共和国国家质量监督检验检疫总局

主管部门:中国纺织工业协会

标准简介

本标准规定了短纤针刺非织造土工布的产品分类、规格、代号、技术要求及品质评定、试验方法、检验规则、包装、标志、贮运等。本标准适用于合成短纤维为原料、干法成网经针刺加固而成的短纤针刺非织造土工布,短纤针刺复合土工布等其他类似产品可参照采用。 GB/T 17638-1998 土工合成材料短纤针刺非织造土工布 GB/T17638-1998 标准下载解压密码:www.bzxz.net

标准图片预览

GB/T 17638-1998 土工合成材料短纤针刺非织造土工布
GB/T 17638-1998 土工合成材料短纤针刺非织造土工布
GB/T 17638-1998 土工合成材料短纤针刺非织造土工布
GB/T 17638-1998 土工合成材料短纤针刺非织造土工布
GB/T 17638-1998 土工合成材料短纤针刺非织造土工布

标准内容

GB/T 17638—1998
土工合成材料是指用于岩土工程和土木工程的聚合物材料或聚合物工程材料,广泛应用于水利、堤坝、筑路、机场、建筑、环保等许多领域。短纤针刺非织造土工布是土工合成材料中的主要产品之一,在工程中可起过滤、排水、隔离、防护、加强等作用。本标准是土工合成材料系列产品标准之一,是短纤针刺非织造土工布产品的生产技术规范及供货条件,也是工程建设中选料的指导性文件。本标准为首次发布。
本标准由国家纺织工业局提出。本标准由全国纺织品标准化技术委员会产业用纺织品分会归口。本标准由中国纺织科学研究院负责起草,由湖南省湘维有限公司、吉林德奥工业用呢有限公司、宜兴市非织造布厂、上海工业用呢厂、上海石化实验厂、德州丙纶厂、北京华表无纺布厂、成都无纺布二厂、天津荣方达无纺制品有限公司协作起草。本标准主要起草人:王睿谦、王宝军、宋湛华、朱杏媛、郭悦。197
1范围
中华人民共和国国家标准
土工合成材料
短纤针刺非织造土工布
Geosynthetics--Synthetic staplefibers needlepunched nonwoven geotextilesGB/T 17638-1998
本标准规定了短纤针刺非织造土工布的产品分类、规格、代号、技术要求及品质评定、试验方法、检验规则、包装、标志、贮运等。本标准适用于合成短纤维为原料、干法成网经针刺加固而成的短纤针刺非织造土工布,短纤针刺复合土工布等其他类似产品可参照采用。2引用标准
下列标准所包含的条文,通过在本标准中引用而构成为本标准的条文。本标准出版时,所示版本均为有效。所有标准都会被修订,使用本标准的各方应探讨使用下列标准最新版本的可能性。纺织品织物拉伸性能第1部分:断裂强力和断裂伸长率的测定GB/T3923.1—1997
条样法
GB/T 4667—1995
机织物幅宽的测定
土工布的取样和试样准备
GB/T 13760—1992
GB/T 13761--1992
GB/T 13762--1992
GB/T 13763—1992
土工布厚度的测定
土工布单位面积质量的测定方法土工布梯形撕破强力的试验方法GB/T 14799—1993
土工布孔径测定方法干筛法
GB/T 14800-1993
GB/T 15788—1995
土工布顶破强力试验方法
土工布拉伸试验方法宽条样法
GB/T 15789-1995
土工布透水性测定方法
GB/T 16989—1995
GB/T 176301998
GB/T 17631—1998
土工布接头/接缝断裂强度的测定土工布及其有关产品动态穿孔试验落锥法土工布及其有关产品抗氧化性能的试验方法GB/T 17632—1998
土工布及其有关产品抗酸、碱液性能的试验方法GB/T 17633—1998
土工布及其有关产品.平面内水流量的测定土工布及其有关产品有效孔径的测定湿筛法GB/T 17634—1998
GB/T17635.1—1998土工布及其有关产品摩擦特性的测定第1部分:直接剪切试验
土工布及其有关产品抗磨损性能的测定砂布/滑块法GB/T 176361998
GB/T 17637—1998
土工布及其有关产品
ISO4892.2:1994塑料试验室光照方法国家质量技术监督局1998-12-24批准198
拉伸蠕变和拉伸蠕变断裂性能的测定第2部分:氙弧灯法
1999-03-01实施
3产品分类、规格及代号
3.1产品分类及品种
GB/T 17638—1998
短纤针刺非织造土工布按原料分为涤纶、丙纶、维纶、乙纶等针刺非织造土工布;按结构分为普通型和复合型等。
短纤针刺非织造土工布的品种由生产部门根据市场需求设计。3.2产品规格
产品主要规格以单位面积质量和幅宽表示,推荐系列如下:单位面积质量(g/m2):100、150、200、250、300、350、400、450、500、600、800等;幅宽(m):2.0、2.5、3.0、3.5、4.0、4.5、5.0、5.5、6.0等。特殊需要可根据要求设计。
3.3产品代号
短纤针刺非织造土工布的代号表示如下:SNG(/C)/C-/
(1)(2)(3)(4)(5)
SNG(/C)短纤针刺非织造土工布(C表示复合型),在不致混滑时,可以省略,(1)纤维代号:PET涤纶、PP--丙纶、PA-一锦纶、PV--维纶、PE一乙纶,涤纶可以省略;混合纤维须将各纤维组分都表示出来,中间以“/\隔开;(2)成品单位面积质量,以克/平方米(g/m*)为单位表示;(3)复合型产品中短纤针刺非织造土工布的单位面积质量,以克/乎·方米(g/m2)为单位表示,非复合型产品空缺:
(4)幅宽,以米(m)为单位表示,(5)生产部门编号:可表达产品更明确的特点、功能、品种、序列等。例:SNG250-6涤纶针刺非织造土工布,单位面积质量250g/m2,幅宽6m。SNG/CPET/PP700/300-4涤丙针刺复合土工布,单位面积质量700g/m2,其中涤丙针刺非织造土工布单位面积质量300g/m2,幅宽4m。4技术要求及品质评定
4.1短纤针刺非织造土工布的技术要求分为内在质量和外观质量,内在质量要求按4.3规定,外观质量要求按4.4规定。
4.2短纤针刺非织造土工布的质量以卷(段)为单位评定,内在质量和外观质量均达要求的为合格,否则为不合格。
4.3内在质量评定
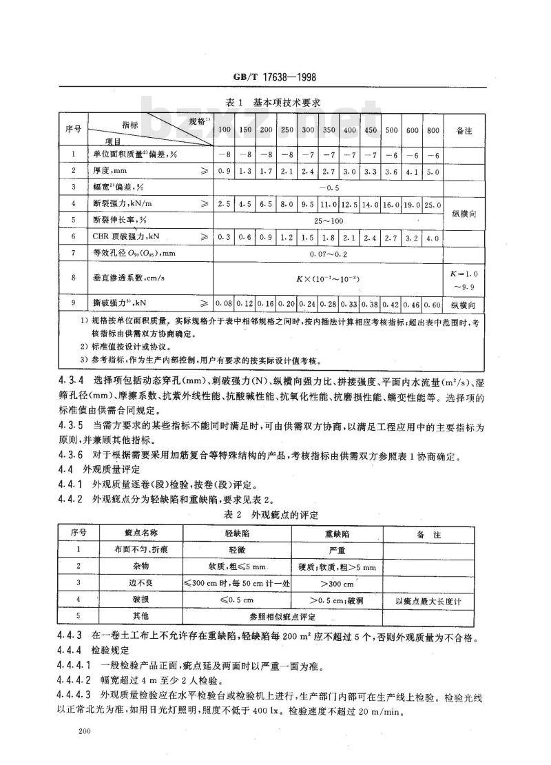
4.3.1内在质量指标分批试验,按批评定。4.3.2内在质量分为基本项和选择项。基本项包含的项目都是考核项;选择项包含的项目为可选项,可根据合同需要而定,但一经选定,则也成为考核项,不得随意更改。基本项和选择项中的选定项全部达到要求的,内在质量为合格,否则为不合格。4.3.3基本项的要求列于表1,其标准值为生产控制性指标,对于合同另有要求的,则以合同规定作为考核指标。
单位面积质量偏差,%
厚度,mm
幅宽\偏差,%
断裂强力,kN/m
断裂伸长率,%
CBR 顶破强力,kN
等效孔径Ogo(O95),mm
垂直渗透系数,cm/s
撕破强力3\,kN
规格\)
GB/T 17638—1998
表1基本项技术要求
≥0.91.31.72.12.42.7
3.013.33.6
≥2.54.56.58.09.511.0|12.514.016.0/19.025.025~100
≥0.30.60.91.21.51.82.12.4|2.73.24.00.07~0.2
K×(10-1~10-3)
≥0. 08|0.120.160. 20|0. 240. 280. 330.380. 420. 460.60备注
纵横向
纵横向
1)规格按单位面积质量。实际规格介于表中相邻规格之间时,按内插法计算相应考核指标;超出表中范围时,考核指标由供需双方协商确定。
2)标准值按设计或协议。
3)参考指标,作为生产内部控制,用户有要求的按实际设计值考核。4.3.4选择项包括动态穿孔(mm)、刺破强力(N)、纵横向强力比、拼接强度、平面内水流量(m2/s)、湿筛孔径(mm)、摩擦系数、抗紫外线性能、抗酸碱性能、抗氧化性能、抗磨损性能、蠕变性能等。选择项的标准值由供需合同规定。
4.3.5当需方要求的某些指标不能同时满足时,可由供需双方协商,以满足工程应用中的主要指标为原则,并兼顾其他指标。
4.3.6对于根据需要采用加筋复合等特殊结构的产品,考核指标由供需双方参照表1协商确定。4.4外观质量评定
4.4.1外观质量逐卷(段)检验,按卷(段)评定。4.4.2外观疵点分为轻缺陷和重缺陷,要求见表2。表 2外观疵点的评定
窥点名称
布面不匀、折痕
边不良
轻缺陷
软质,粗≤5mm
≤300cm时,每50cm计一处
重缺陷
硬质;软质,粗>5mm
>300cm
>0.5cm;破洞
参照相似疵点评定
以疵点最大长度计
4.4.3在一卷土工布上不允许存在重缺陷,轻缺陷每200m2应不超过5个,否则外观质量为不合格。4.4.4检验规定
4.4.4.1一般检验产品正面,疵点延及两面时以严重一面为准。4.4.4.2幅宽超过4m至少2人检验。4.4.4.3外观质量检验应在水平检验台或检验机上进行,生产部门内部可在生产线上检验。检验光线以正常北光为准,如用日光灯照明,照度不低于400lx。检验速度不超过20m/min。200
5试验方法
5.1幅宽测定:参照GB/T4667执行。5.2厚度测定:按GB/T.13761执行。GB/T 17638—1998
5.3单位面积质量测定:按GB/T13762执行。5.4断裂强伸度测定:按GB/T15788执行,工厂内部检验可参照GB/T3923.1进行。5.5撕破强力测定:按GB/T13763执行。5.6CBR顶破强力测定:按GB/T14800执行。5.7等效孔径测定:按GB/T14799执行,湿筛法孔径按GB/T17634测定。5.8垂直渗透系数测定:分别按GB/T15789和GB/T13761测定透水率和2kPa时的厚度,按式(1)计算渗透系数。
渗透系数(cm/s)二透水率(1/s)×厚度(cm)平面内水流量按GB/T17633测定。5.9动态穿孔(落锥)性能测定:按GB/T17630执行。5.10摩擦系数测定:按GB/T17635.1执行。5.11抗磨损性能测定:按GB/T17636执行。5.12抗氧化性能测定:按GB/T17631执行。5.13抗酸碱性能测定:按GB/T17632执行。1
5.14刺破强力测定:参照GB/T14800进行,但技术条件为:顶杆(平头)直径8mm,夹样环内径45mm,试验速度300mm/min。
5.15螺变性能测定:按GB/T17637执行。5.16接头/接缝断裂强度测定:按GB/T16989执行。5.17抗紫外线测定:参照ISO4892.2测定,通常测定光照前后强力保持率,试验时间可根据需要选定,如150.300、500h。
6检验规则
6.1分批规定
工厂内部检验以同一班次生产的同一规格的产品为一批,批量较小时可累计100卷为一批,但一周产量仍不满100卷时,则以一周内产量为一批,交付验收的产品应以同一品种、同一规格、同一工艺的一个交货批划分检验批。
6.2采样要求
内在质量的测定以批为单位,每批产品随机抽取2%~3%,但不少于2卷,采样及试验准备按GB/T 13760进行。
6.3检验项目
6.3.1出厂检验:每批产品出厂前,须经检验,检验合格方能出厂,检验项目包括外观质量和表1内在质量中的基本项1~5项。
6.3.2型式检验:型式检验包括外观质量、内在质量中的基本项和选择项中的选定项,型式检验通常在以下情形时进行:
a)新产品鉴定前;
b)产品的原料、结构、生产工艺等有重大改变时;c)正常生产每年进行一次,
d)产品停产后再次恢复生产时:e)出厂检验结果与前一次型式检验有较大差异时,201
f)出现重大质量事故时;
GB/T17638—1998
g)产品交付验收、质量仲裁、国家对产品监督抽查时;h)其他必要的情况下。
6.4检验结果的判定
检验结果的判定按第4章规定进行。检验批内在质量指标的检验结果以所采取样品平均结果表示。6.5复验规定
6.5.1交付验收、质量鉴定、质量仲裁、质量抽查等检验按复验规定,但双方另有协议的不受此限。6.5.2产品交货后,收货方应立即验收,如验收发现问题,应在双方规定的期限内(一般为-个月)向生产厂提出复验,如逾期不验收或没有提出复验要求时,应立即按付货方检验结果收货。6.5.3对验收结果有异议时,双方可会同复验或提请双方同意的仲裁检验机构进行检验,复验结果即为最终结果,复验费用由责任方承担。6.5.4内在质量的复验,抽取检验批批量的1%~~2%作为检验样品,但不少于3卷。检验结果按4.3规定,如经检验发现问题,可重新在该批产品中抽取相同数量样品,对不合格项进行复验,并以全部抽取样品的检验结果平均值作为复验结果。复验一次为准,复验合格者作全批合格,否则作全批不合格处理。6.5.5外观质量的复验,抽取检验批批量的5%~10%作为检验样品,但不少于10卷,每卷产品的评定按4.4进行,所检验产品不合格品率在10%以内,作全批合格,但实际查出的不合格品由生产厂负责调换;当不合格品率超过10%时,该批产品作不合格或退货处理。7包装、标志、运输与贮存Www.bzxZ.net
7.1包装
7.1.1短纤针刺非织造土工布按定长成卷包装。定长值根据产品规格或有关各方协商确定。7.1.2产品的拼接率应在15%以内,拼接产品每卷总长度应为7.1.1定长值加1m以上,每100m允许拼接2段,或由供需双方协商确定。7.1.3长度在30m以下的小段产品可单独成包,作零头处理。7.1.4产品包装应保证不散落、不破损、不沾污。用户有特殊要求的,供需双方协商确定。7.2标志
7.2.1每段产品应有产品标牌,内容包括:产品名称、规格、品质、长度、生产厂名、生产日期、检验责任章等。
7.2.2每个包装单元明显位置应刷标志或挂标志牌,注明商标、产品名称、代号、品质、长度、执行标准号、生产厂名、生产日期、毛重、净重等。7.3运输与贮存
7.3.1产品在运输、贮存中不得沾污、雨淋、破损,不得长期曦晒和直立。7.3.2产品应放置在干燥处,周围不得有酸、碱等腐蚀性介质,注意防潮、防火。202
小提示:此标准内容仅展示完整标准里的部分截取内容,若需要完整标准请到上方自行免费下载完整标准文档。