首页 > 国家标准(GB) > GB 1014-1986 大扁圆头半空心铆钉
GB 1014-1986

基本信息

标准号: GB 1014-1986

中文名称:大扁圆头半空心铆钉

标准类别:国家标准(GB)

标准状态:现行

发布日期:1986-07-02

实施日期:1987-06-01

出版语种:简体中文

下载格式:.rar.pdf

下载大小:53378

相关标签: 扁圆 半空 铆钉

标准分类号

标准ICS号:机械系统和通用件>>紧固件>>21.060.40铆钉

中标分类号:机械>>通用零部件>>J13紧固件

关联标准

替代情况:GB 1014-1976

出版信息

页数:2页

标准价格:8.0 元

相关单位信息

首发日期:1967-12-30

复审日期:2004-10-14

起草单位:机械委标准所

归口单位:全国紧固件标准化技术委员会

发布部门:中国机械工业联合会

主管部门:中国机械工业联合会

标准简介

本标准规定了公称直径d=2~8mm的大扁圆头半空心铆钉。 GB 1014-1986 大扁圆头半空心铆钉 GB1014-1986 标准下载解压密码:www.bzxz.net

标准图片预览

GB 1014-1986 大扁圆头半空心铆钉
GB 1014-1986 大扁圆头半空心铆钉

标准内容

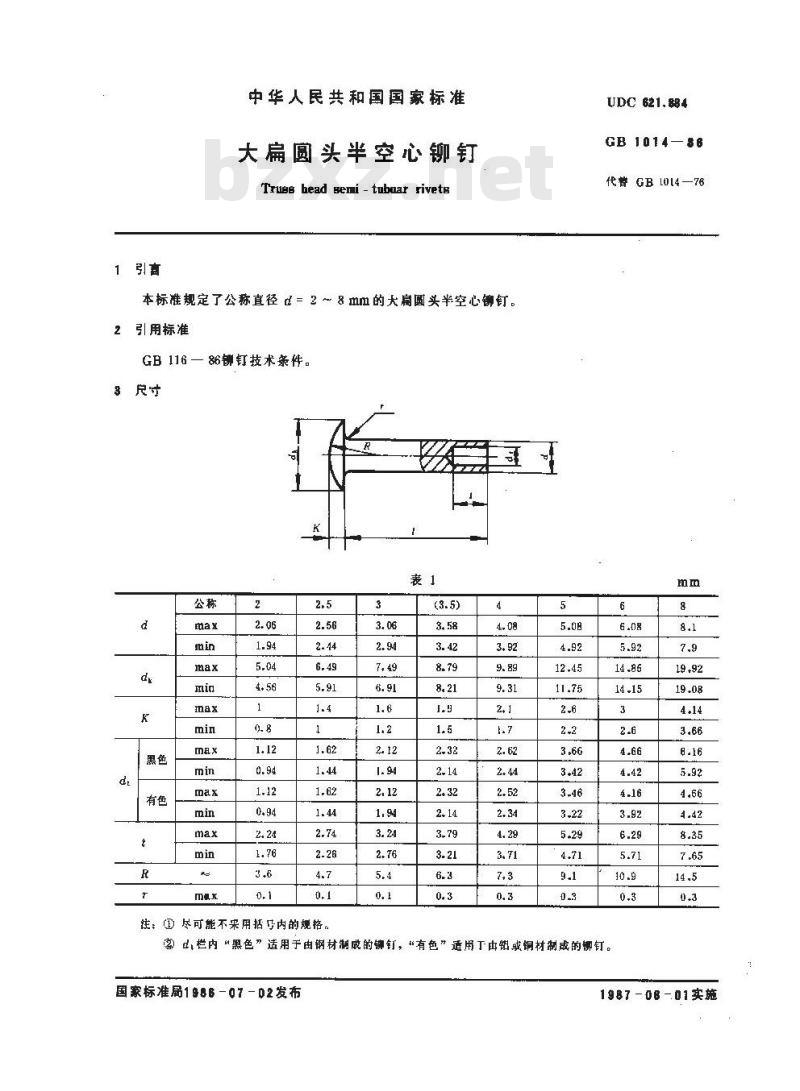
中华人民共和国国家标准
大扁圆头半空心铆钉
Tru head Bemi -tubaar rivets本标准规定了公称直径 d = 2 ~ 8 mm的大扇圆头半空心铆钉。2引用标准
GB 116 一 86铆钉技术条件。
3尺守
注:①尽可能不采用括内的规格。3
UDC 621.884此内容来自标准下载网
GB 1014—86
代替 GB LO14—76
②d,栏内“黑色”适用于由钢材制成的铆钉,“有色”适用丁由铅或铜材制或的柳钉。国家标准局1986 -07 -02发布
1987-08-01实施
注,尽可能不采用括号内的娩格。4技术条件按GB 116—86规定
5标记
GB 1014—a6
公称直径d±5mm、公称长度t=30mm、材料为ML2、不经表面处理的大扇圆头半空心铆钉的标记示例:
铆钉GB 1014 — 86 — 5 × 30附加说明:
本标准由中华人民共和国机械工业部提出,由机械工业部标准化研究所归口。本标准由机械工业部标准化研究所负贵起草,沈阳标准件工业公司及上海市标准件公司参加起草。
小提示:此标准内容仅展示完整标准里的部分截取内容,若需要完整标准请到上方自行免费下载完整标准文档。