标准号: GB/T 2045-1980
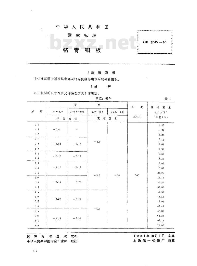
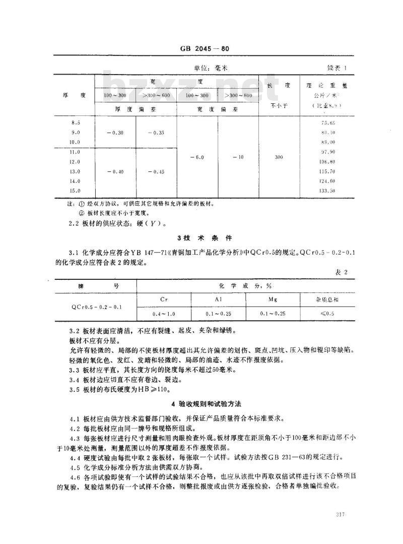
中文名称:铬青铜板
标准类别:国家标准(GB)
标准状态:已作废
发布日期:1980-11-11
实施日期:1981-10-01
作废日期:2008-12-01
出版语种:简体中文
下载格式:.rar.pdf
下载大小:59588
相关标签: 青铜
标准ICS号:冶金>>有色金属>>77.120.10铝和铝合金
中标分类号:冶金>>有色金属及其合金产品>>H62重金属及其合金
出版社:中国标准出版社
页数:3页
标准价格:8.0 元
出版日期:1981-10-01
首发日期:1980-11-11
复审日期:2004-10-14
起草单位:上海第一铜带厂
归口单位:全国有色金属标准化技术委员会
提出单位:中华人民共和国冶金工业部
发布部门:国家标准总局
主管部门:中国有色金属工业协会


