首页 > 国家标准(GB) > GB 6109.4-1988 漆包圆绕组线 第4部分:直焊性聚氨酯漆包圆铜线
GB 6109.4-1988

基本信息

标准号: GB 6109.4-1988

中文名称:漆包圆绕组线 第4部分:直焊性聚氨酯漆包圆铜线

标准类别:国家标准(GB)

标准状态:已作废

发布日期:1988-06-11

实施日期:1989-01-01

作废日期:2008-12-01

出版语种:简体中文

下载格式:.rar.pdf

下载大小:188365

相关标签: 包圆 绕组 聚氨酯 铜线

标准分类号

标准ICS号:电气工程>>电线和电缆>>29.060.10电线

中标分类号:电工>>电工材料和通用零件>>K12带绝缘层电线

关联标准

替代情况:替代GB 6109.4-1985;被GB/T 6109.4-2008代替

采标情况:IEC 317-4-1970,EQV

出版信息

出版社:中国标准出版社

页数:7页

标准价格:12.0 元

出版日期:1989-01-01

相关单位信息

首发日期:1985-06-17

复审日期:2004-10-14

起草人:刘兴泰,张志昌、

起草单位:上海电缆研究所

归口单位:上海电缆研究所

提出单位:中华人民共和国机械工业部

发布部门:国家机械工业联合会

主管部门:中国电器工业协会

标准简介

本标准适用于直焊性聚氨酯漆包圆铜铙组线,简称聚氨酯漆包圆铜线。 GB 6109.4-1988 漆包圆绕组线 第4部分:直焊性聚氨酯漆包圆铜线 GB6109.4-1988 标准下载解压密码:www.bzxz.net

标准图片预览

GB 6109.4-1988 漆包圆绕组线 第4部分:直焊性聚氨酯漆包圆铜线
GB 6109.4-1988 漆包圆绕组线 第4部分:直焊性聚氨酯漆包圆铜线
GB 6109.4-1988 漆包圆绕组线 第4部分:直焊性聚氨酯漆包圆铜线
GB 6109.4-1988 漆包圆绕组线 第4部分:直焊性聚氨酯漆包圆铜线
GB 6109.4-1988 漆包圆绕组线 第4部分:直焊性聚氨酯漆包圆铜线

标准内容

中华人民共和国国家标准
漆包圆绕组线
第4部分:直焊性聚氨酯漆包圆铜线Enamelled round windingwircsPart 4:Self-fluxlag polynrethane emamelled round copper wires本标准等效采用国际标准1EC317—4(1970)《自焊漆包圆铜线》1适用范围
1.1本标准适用于直焊性聚氨酯漆包匾铜绕组线,简称聚氨酯漆包圆铜线。1.2本标准必须与GB6109.1《漆包圆绕组线一般规定》一起使用。2使用特性
2.1本产品具有直焊性能。
2.2本产品具有高频下低tgi的特性。3型号
聚氨酯漆包圆铜线的型号如表「规定。型
、规格
薄漆膜聚氨酯漆包圆铜线
厚漆膜聚氨能漆包网铜线
特厚漆膜聚氨酯漆包圆铜线
聚氮醋漆包底铜线的1标称直径成符合GB6109.1的规定,其范围为:1 级和 2 级:0.018 ~2.500 mm
GB 6109.4 -88
代警GB6109.4—85
3级:0.040~0.450mm,其中标称直径在0.040-0.71mm以内的晟大外径应符合表2规定。表2
称直径
技术要求
最大外松
技术要求应符合表3规定。
标称直径
国家机械工业委员会19-5—23批准级
最大外径
标称直径
最人外松
1989 - 01 - 0f实施
项月名称
导休尺寸
绝缘厚度
漆包线最大外轻
伸长率
回弹性
柔韧性和附着性
急拉断
剥离扭较
热冲击
软化击穿
耐溶剂
击穿电压
案温下
高温下
漆膜连续性
耐热性
耐冷冻剂
焊锡性
热粘合和凝剂粘合
介质损失角正切
耐含水变压器油
高温失效
GB 6109 .4--88
技术要求
符合GB6109.1第6条规定
符合G B 6109.1第 7条规定
符合GBB109,1第8条和本标准
表2规定
符合GB6109.1第9条规定
符合GB6109.1第1条规定
符合GB6109.1第11条规定
符合本标准第5.2.1条规定
符合本标准巢5.2.2条规定
符合本标准第5.2.规定
符合本标准第5.2.4条规定
符合本标准第5.3条规定
符合本标准第5.4条规定
符合本标准第5.5条规定
符合GB6109.1第12条规定
符合GB6109.1第13条规定和
本标准第6.7条规定
在考虑中
符合GB6109.1第14条和本标准
第5.8条规定
在考孝虑中
不适用
符会本标准第5.6条规定
不适用
符合本标准第5.9条规定
在孝虑中
不适用
在考虑中
符合GB6109.1第17条规定
试验型式
试验方法
GB4074-2
GB 4074.3
GB 4074.4
GB 4074.6
GB 4071.3
GB 4074.8
GB 4074.9
GB 4074.11
GB 4074.13
GB 4074.14
GE 4074.15
GB 4074.17
GB4074.20
本标准第6.2条
G日 4074.21
GB4074.26
GB 4074.22
GB 4074,23此内容来自标准下载网
GB4074.25
日力脸查
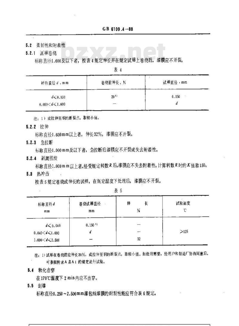
5.2柔韧性和附着性
5.2.1邀棒卷绕
GB 6109 .4-88
标称直径1.600及以下者,按表4规定伸长并在规定试棒上卷绕后,漆膜应不开裂。表4
标称直径d,m
0.050注:1)或拉伸至铜的断裂点,取较小值。5.2.2拉伸
卷绕前伸长,%
标称直径1.600mm以上者,伸长32%,漆膜应不开裂。5.2.3急拉断
标称直径1.000mm及以下者,急拉断后漆膜应不开裂或失去附着性。5,2.4剥离扭绞
试直径:mm
标称直径1.000mm以上者,经受规定转数R后,漆膜应不失去附着性,计算转数R时的K值取150。5.3热冲击
按表5规定卷绕或伸长的试样,在规定温度下处理后,漆膜应不开裂。表5
标称直径d
0.0401;600卷绕试捧直径
试验温度
注:1)试样在卷绕前应伸长20%,或拉伸至铜的断裂点,取较小值。如使用需要,经用户和制造厂协商同意后,可参照附录A 表A丨的规定进行试验。5.4软化击穿
在170℃温度下2而in内应不击穿。5.5刮漆
标称直径0.250~2.500mm漆包线漆膜的耐刮性能应符合表6规定。标称
刮破力
三次试验中
最小刮破力
G8 6108 .4 88
三次试验中
刮破力
最小刮破力
刮破力
三次试验中
最小刮破力
刮破力
2.2409.30
2.50010.00
三次试验中
最小刮破力
三次试验中
刮破力
最小刮破力
5.6焊试验
GB 6108.468
5.6.1 标称直径0.100mm及以下的漆包线试样,浸人温度为375± 5C的焊锡槽中 2 s后,镀锡线表面应平滑,无针孔及漆膜残渣。5.6.2标称直径0.100mm以上的漆包线试样,浸人温度为375±5℃的焊锡中规定时间r后,镀锡线表面应平滑,无针孔及漆膜残渣。时间了按下式计算,最少为3s:t=k.d
式中:d—试样标称直径,mm
k——常数,1级取10,2级、3级取15。5.7击穿电压
5.7.1标称直径0.040~0.100mm的特厚漆膜聚酯漆包圆铜线,用圆棒法试验,其击穿电压应符合表7规定。
标称直径
最小击穿电压(有效值)
标称直径
最小击穿电压(有效值)
标称直径
小击穿电压(有效值)
注,如用户与制造厂协商同意,也可以用扭法进行击穿电压试验。击穿电压值由用户与制造!协商确定。5.7.2标称直径0.112~0,450mm的特厚漆膜聚氨酯漆包圆铜线,用扭绞法试验,其击穿电压应符合表8规定。
标称直径
最小击穿电压(有效值)
5.8漆膜连续性
标称直径
最小击穿电压(有效值)
标称直径
最小击穿电压(有效值)
标称直径0.040~0.450mm的特厚漆膜聚氨酯漆包圆铜线,每30m长度内的针孔数应符合表9规定。
标称直径d
0.040GB #109.4—88
每30m内的针孔数
如经用户和制造厂协商同意,也可以用0.2%食盐水按6.条规定进行试验,其针孔数应不超过表10规定或另行协商。
有效长度内的针孔数
标称直径d
0.018<0.500
5.9介质损失角正切(tgd)
在约1MHz下tg 应不大于300×10-*。6试验
6.1产品应按表3规定试验。
6.2盐水试验
绝缘厚度
取试样一根,先在125±3C温度下保温10min,在不经受任何拉伸和弯曲的情况下,然后浸人浓度为0.2%的食盐水中。食盐水中应先滴入适量的3%酚酸酒精溶液指示剂。试验时,溶液接正极,试样接负极,施加12V直流电压,检查加电压|min内试样上所产生的针孔数,0.063mm及以下的漆包线,取长约1.5m试样,浸人食盐水中的长度为1m。0.063mm以上的漆包线,取长约6m试样,浸人食盐水中的长度为5m。
标称直径4
0. 0400. 1600.2501.0001.600GB6109.488
附录A
热冲击试样的要求
(参考件)
卷绕试棒直径
注:1)试样在卷绕前应伸长20%,或拉伸至铜的断裂点,取较小值。谢加说明:
本标准由上海电缆研究所归口。本标准由上海电缆研究所等负责起草本标准起草人刘兴泰、张志昌。伸长
试验温度
小提示:此标准内容仅展示完整标准里的部分截取内容,若需要完整标准请到上方自行免费下载完整标准文档。