首页 > 国家标准(GB) > GB 6109.10-1990 漆包圆绕组线 第10部分:180级聚酯亚胺/聚酰胺 复合漆包铜圆线
GB 6109.10-1990

基本信息

标准号: GB 6109.10-1990

中文名称:漆包圆绕组线 第10部分:180级聚酯亚胺/聚酰胺 复合漆包铜圆线

标准类别:国家标准(GB)

标准状态:已作废

发布日期:1990-01-02

实施日期:1991-08-01

作废日期:2008-12-01

出版语种:简体中文

下载格式:.rar.pdf

下载大小:145982

相关标签: 包圆 绕组 聚酯 亚胺 聚酰胺 复合 漆包 铜圆

标准分类号

标准ICS号:电气工程>>电线和电缆>>29.060.10电线

中标分类号:电工>>电工材料和通用零件>>K12带绝缘层电线

关联标准

替代情况:被GB/T 6109.12-2008代替

采标情况:=IEC 317-22-88

出版信息

出版社:中国标准出版社

页数:5页

标准价格:8.0 元

出版日期:1991-08-01

相关单位信息

首发日期:1990-12-07

复审日期:2004-10-14

起草单位:上海电缆研究所

归口单位:全国电线电缆标准化技术委员会

发布部门:国家技术监督局

主管部门:中国电器工业协会

标准简介

本标准规定了180级聚酯亚胺/聚酰胺复合漆包铜圆线品种、规格、技术要求及检验。本标准适用于180级聚酯亚胺/聚酰胺复合漆包铜圆线。 GB 6109.10-1990 漆包圆绕组线 第10部分:180级聚酯亚胺/聚酰胺 复合漆包铜圆线 GB6109.10-1990 标准下载解压密码:www.bzxz.net

标准图片预览

GB 6109.10-1990 漆包圆绕组线 第10部分:180级聚酯亚胺/聚酰胺 复合漆包铜圆线
GB 6109.10-1990 漆包圆绕组线 第10部分:180级聚酯亚胺/聚酰胺 复合漆包铜圆线
GB 6109.10-1990 漆包圆绕组线 第10部分:180级聚酯亚胺/聚酰胺 复合漆包铜圆线
GB 6109.10-1990 漆包圆绕组线 第10部分:180级聚酯亚胺/聚酰胺 复合漆包铜圆线
GB 6109.10-1990 漆包圆绕组线 第10部分:180级聚酯亚胺/聚酰胺 复合漆包铜圆线

标准内容

中华人民共和国国家标准
漆包圆绕组线
第10部分:180级聚酯亚胺/聚酰胺复合漆包铜圆线
Enanrelled round winding wiresPart 10 ,Polyester (imide)cnamelled roundcopper wires overcoated withpolyamide,class 180
GB 6109.10—90
本标准等效采用国际电工委员会IFC317-22(1988)α特种绕组线规范第22部分180级聚酯亚胺/聚胺复合漆包铜圆线》。
1主题范酮与适用范围
本标准规定了180级聚酯业胺/酰胺复合漆包铜国线品种、规格,技术要求及检验。本标准适用于180级聚酯亚胺/案酰胺复合漆包铜圆线(简称聚酯亚胺/聚酰胺复合漆包铜圆线)。本标准应与 GB 6109. 1 一起使用。2使用特性
2.1产品具有较高热冲击性能及较小的表面摩擦系数。2.2产品的热级为180级。
3型号
聚酯亚胺/聚酰胺复合漆包铜圆线的型号如表1所示。表1
Q(ZY/X)-1/180
Q(ZY/X)-2/180
Q(ZI/X)-3/180
180级薄漆膜聚酯亚胺/案酰胺复合漆包铜圆线180级厚漆膜骤酯亚胺/聚酰胺复合漆包铜圆线180级特厚漆膜聚酯亚胺/衰酰胺复合漆包铜线聚酯亚胺/聚酰胺复合漆包铜圆线的规格应符台GB6109.1的规定,其范围为:1 级: 0. 050~~3. 150 mm;
2级:0.050~5.000mm
3级:0.250~1.600 mm
国家技术监督局19901107批准
1991-08-01实施
5技术要求
技术要求应符合表2的规定。
项日名称
导体尺寸
漆膜厚度
漆包线最大外径
伸长率
回弹性
柔韧性和附着性
圆棒卷绕
急拉断
剥离扭绞
热冲街
软化击穿
耐溶剂
击穿电压
率温下
高温下
漆膜连续性
耐热性
耐冷冻剂
焊镊性
热粘合或溶剂粘合
介质报失角正切
耐含水变压器油
高温头效\
表面质量
注:1)此项技术要求,现在考虑中。5. 2柔闭性和附着性
5.2. 1圆棒卷绕
GB 6109.10
技术要求
符合GB6109.1第6条规定
符合 GB 6109. 1 第 7 条规定
符合 GB 6109. 1 第 8 条规定
符合GB6109.1第9条规定
符合GB 6109. 1 第 10 条规定
符合 GB 6109. 1 第 11 条规楚符合本标准第5.2.1条规定
符合本标准第 5. 2. 2 条规定
符合本标准第 5. 2.3 条规定
符合本际准第5.2.4条规定
符合本标准第 5.3 条规定
符合本标准第 5, 4 条规定
符合本标准第 5. 5 条规定
符合GB6109.1第12条规定
符合CB 6109.1第13条规定
符合本标准第5. 6 条规定
符合 GB 6109. 1 第 14 条规定符合本标准第 5. 7 条规定
不适用
不适用
不适用
不适用
不适用
不适用
符合(B6109,1第15条规定
符合G6109.1第17条规定
试验类型
试验方法
GB 4074.3
GB 4074. 4
GB 4074.8
GB 4074 :11
GB 4074.13
GB 4074. 14
GB 4074, 16
GB 4074. 17
GB4074.20
GB 4074. 21
目力检变
日力捡查
GB 6109.10—90
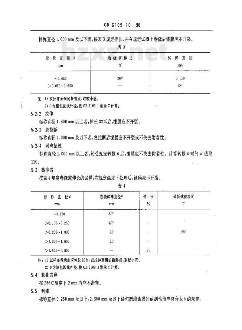
标直径1.600mm及以下者,按表3规定伸长,并在规定试摔上卷绕后漆膜应不开裂。表3
标称直径d
>0. 050~1. 600
注:1)或拉伸至铜的断裂点,取较小值,卷绕前伸长
2)D为漆包圆线外径,按GB6109.1附录C计算5.2.2拉伸
标称直径1.600mm以上者,伸长32%后,漆膜应不开裂,5.2.3急拉断
标称直径1.000mm及以下者,急拉断后漆膜应不开裂或不失去附着性,5.2.4剥离扭绞
试直径
标称直径1. 000mm以上者,经受规定转数R后,漆膜应不失去附着性。计算转数R时的K值取110。
5.3热冲击
按表4规定卷绕或伸长的试样,在规定温度下处理后,漆膜应不开裂。表4
标称直径
>0. 160~0. 250
>0. 250~1. 000
>1.000~1.600
>1. 600~ 5. 000
卷绕试棒直径3
注:1)试样在卷绕前应伸长20%,或拉伸至铜的断裂点,取较小值。2) D 为漆包圆线外径,按 GB 6109. 1 附录 C计算。5.4软化击穿
在265℃温度下2min内应不击穿
5.5刮漆
最低试验温度
标称直径0.250mm及以上,2.500mm及以下漆包圆线漆膜的耐刮性能应符合表5的规定。标称直径
最小的
刮破力
GB 6109.10—90
三次试验
中最小
刮破力
最小的
刮破力
注:介于相邻标称直径间的中间规格,取较大标称直径的相应数值。5.6高温击穿电压
三次试验
中最小
刮破力
最小的
刮破力
试样在180℃温度下的击穿电压应符合表6规定。此项试验在用户要求时才进行级
三次试验
中最小
刮破力
标称直径
0. 100~心, 112
>0. 112--0. 125
>0. 125~0. 140
0. 140~0. 160
0. 160--0. 180
>0,180~0.200Www.bzxZ.net
2>0.200~0.224
>0. 224~0. 250
>0, 250~~0. 280
>0. 280~0. 315
≥0. 315~0. 355
>0. 355~0. 400
>0. 400~0. 450
0. 450~0, 500
0.500~0.560
20. 560-0. 630
0. 630~0. 710
>0. 710~0. 800
>0.800-~0.900
>0. 900~2. 500
2>2. 500~-5. 000
5.7耐热性
GB 6109.10—90
最小击穿电压(有效俏),V
:1700
按照GB4074.21规定的方法,对未浸溃的线样进行试验,20000h外推寿命的相应温度应不低于180℃,在最低试验温度时的测试寿命应不少于5 000 h。当用户要求时,制造厂应提供辣包线符合谢热性要求的证据。注:① 20 000 1外推寿命的耐热性要求题指末浸溃的线样,而且不是作为绝缘系统的个部分。②漆包线是否推荐用于相应温度指数的摄氏温度,这取决于包括设备类型在内的许多因素。6检验
产品应按表2规定检验。
附加说明:
本标准由中华人民共和国机械电子工业部提出。本标准由机械电子工业部上海电缆研究所归口。本标准由机械电子工业部上海电缆研究所负责起草。本标雅主要起草人骆春其。
小提示:此标准内容仅展示完整标准里的部分截取内容,若需要完整标准请到上方自行免费下载完整标准文档。