首页 > 国家标准(GB) > GB/T 6282-1986 25-1000MHz陆地移动通信网通过用户线接入公用通信网的接口参数
GB/T 6282-1986

基本信息

标准号: GB/T 6282-1986

中文名称:25-1000MHz陆地移动通信网通过用户线接入公用通信网的接口参数

标准类别:国家标准(GB)

标准状态:现行

发布日期:1986-04-14

实施日期:1987-04-01

出版语种:简体中文

下载格式:.rar.pdf

下载大小:62142

相关标签: 陆地 移动 通信网 通过 接入 公用 接口 参数

标准分类号

标准ICS号:33.060.50

中标分类号:通信、广播>>通信网>>M14通信网传输系统接口

关联标准

出版信息

页数:3页

标准价格:8.0 元

相关单位信息

首发日期:1986-04-14

复审日期:2004-10-14

起草单位:电信传输所

归口单位:信息产业部(通信)

发布部门:国家标准局

主管部门:信息产业部(通信)

标准简介

本标准系规定我国小容量移动通信电话网,通过用户线接入公用通信网的接口标准。本标准既适用于步进制交换局的接口,亦适用于纵横制交换局、程控交换局的接口指标。 GB/T 6282-1986 25-1000MHz陆地移动通信网通过用户线接入公用通信网的接口参数 GB/T6282-1986 标准下载解压密码:www.bzxz.net

标准图片预览

GB/T 6282-1986 25-1000MHz陆地移动通信网通过用户线接入公用通信网的接口参数
GB/T 6282-1986 25-1000MHz陆地移动通信网通过用户线接入公用通信网的接口参数
GB/T 6282-1986 25-1000MHz陆地移动通信网通过用户线接入公用通信网的接口参数

标准内容

中华人民共和国国家标准
25~1000MHz陆地移动通信网通过用户线接入公用通信网的接口参数Interface parameters of the 25 to 100oMHzland m obile telecommunication net workconnecting to public telecommunicationnet work through subscriber linesUDC 621.395.74
GB 6282-86
本标准系规定我国小容量移动通信电话网,通过用户线接人公用通信网的接口标准。本标准既适用于步进制交换局的接口,亦适用于纵横制交换局、程控交换局的接口指标。音频特性
音频带宽Www.bzxZ.net
300~3400Hz或300 ~3000Hz 。
1.2音频响应
相对于800Hz的幅度衰耗变化范围如下:300~400 Hz
400~2400Hz
2400~3000 Hz或
24 00 ~ 3400 Hz
音频阻抗
-2.2dB至+6.5dB。
-2.2dB至+6.3dB。
-2.2dB至+6.5dB。
输人、输出阻抗:6002(平衡)回波损耗:
300~600Hz
600~3000Hz
大于15dB。
大于20dB。
或600~3400Hz
1.4谐波失真
谐波失真系数应不超过10%。
2话音质量
话音质量的表示方法
移动通信网内的话音质量以音频带内的信噪比(一信号+失真+噪音_)来表示。噪音
2.2质量指标
音频带内的信噪比大于或等于29dB(标准测试音测试)。3移动通信网内的净衰耗
移动用户至公用通信网接口处的净衰耗标称值为4.5dB。国家标准局1986-04-14发布
1987~04-01实施
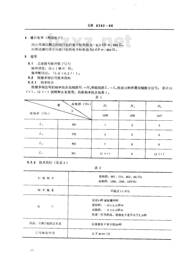
接口电平(测试电平)
GB 6282—86
向公用通信网方向接口处的电半标称值为-4.5dBm/6002。向移动通信网方向接口处的电平标称值为0dBm/600。信号
直流拨号脉冲数字信号
脉冲速度:10±1脉冲秒。
脉冲断续比:(1.6±0.2):1、5.2按键多频信号技术指标
5.2.1频率组合
按键多频信号的频率组合高频群H,~H,和低频群L,~L。组成12种所需双频数字信号,其中11(*)、12(#)供特种业务使用,具体频率组合如表1。表1
低频群(Hz)
2技术指标(见表2)
标准频率
频率偏差
谐波、调引起的总失真
信号极限时长
高频群(Hz)
11(*)
低频群:697、770、852、941Hz高频群:1209、1336、1477Hz
不超过±1.8%
在有3dB 衰耗缓冲时
低频群:-10±5.5dBm
高频群:-9±5.5dBm
组成一信号的高、低频电平差不大于5.5dB比基波电半至少低20dB
大于40ms/位
12()
6铃流
GB6282—86
6.1铃流为25±3Hz正弦波,谐波失真系数小于或等于10%,输出电压为90±15V。6.2振铃采用5秒断续,即1秒送,4秒断,断续时间偏差不超过±10%。7信号音
7.1信号音源为450±25Hz正弦波,谐波失真系数小于或等于10%。各种信号音断续时间偏差不超过土10%。7.22
7.3信号音种类及结构
7.3.1拨号音:通知主叫用户可以拨号,连续信号音。7.3.2回铃音:表示被叫用户处于被振铃状态。5秒断续信号音,即1秒送,4秒断。忙音:表示本次接续遇到通路忙、机线忙或用户忙。0.7秒断续,即0.35秒送,0.35秒断。7.3.3
附加说明:
本标准由中华人民共和国邮电部提出,由邮电部电信传输研究所归口。本标准由邮电部电信传输研究所负责起草。本标准主要起草人陈霞生、王玉贤、鲍春喜。393
小提示:此标准内容仅展示完整标准里的部分截取内容,若需要完整标准请到上方自行免费下载完整标准文档。