首页 > 国家标准(GB) > GB/T 6988.6-1993 控制系统功能表图的绘制
GB/T 6988.6-1993

基本信息

标准号: GB/T 6988.6-1993

中文名称:控制系统功能表图的绘制

标准类别:国家标准(GB)

标准状态:已作废

发布日期:1993-04-20

实施日期:1994-03-01

作废日期:2008-11-01

出版语种:简体中文

下载格式:.rar.pdf

下载大小:769173

相关标签: 控制系统 绘制

标准分类号

标准ICS号:电气工程>>29.020电气工程综合

中标分类号:电工>>电工综合>>K04基础标准与通用方法

关联标准

替代情况:替代GB 6988.6-1986;被GB/T 21654-2008代替

采标情况:IEC 848-1888

出版信息

出版社:中国标准出版社

书号:155066.1-10269

页数:平装16开, 页数:33, 字数:64千字

标准价格:17.0 元

出版日期:1994-02-01

相关单位信息

首发日期:1986-11-18

复审日期:2004-10-14

起草人:韦建华、杨芙、徐悫、徐铁生、郑甲寅

起草单位:机电部机械标准化所

归口单位:全国电气信息结构、文件编制和图形符号标准化技术委员会

提出单位:全国电气图形符号标准化技术委员会

发布部门:国家技术监督局

主管部门:国家标准化管理委员会

标准简介

本标准规定了绘制描述控制系统的功能和特性的表图的方法(其中包括必要的图形符号及其使用规则)。本标准适用于绘制电气控制系统的功能表图,也适用于气功、液压和机械等非电控制系统或系统的某些部分。本标准规定的方法与实现工艺过程所采用的技术无关,可作为工程领域中不同技术学科之间的交流工具。注: 上述方法是研究异步事件协调的佩特里网(Petri nets)在工业中的应用。采用这种方法可以从总体入手,通过逐步降低描述层次而提高描述的详细程度,最终揭示控制系统的全部细节。 GB/T 6988.6-1993 控制系统功能表图的绘制 GB/T6988.6-1993 标准下载解压密码:www.bzxz.net

标准图片预览

GB/T 6988.6-1993 控制系统功能表图的绘制
GB/T 6988.6-1993 控制系统功能表图的绘制
GB/T 6988.6-1993 控制系统功能表图的绘制
GB/T 6988.6-1993 控制系统功能表图的绘制
GB/T 6988.6-1993 控制系统功能表图的绘制

标准内容

中华人民共和国国家标准
控制系统功能表图的绘制
Preparation of function charts for control systems本标准等效采用国际标准1EC848(1988)《控制系统功能表图的绘制》。1主题内容与适用范围
GB/T6988.6-—93
代替 GB 6988.6—86
本标准规定了绘制描述控制系统的功能和特性的表图的方法(其中包括必要的图形符号及其使用规则)。
本标准适用于绘制电气控制系统的功能表图,也适用于气动、液压和机械等非电控制系统或系统的某些部分。
本标准规定的方法与实现工艺过程所采用的技术无关,可作为工程领域中不同技术学科之间的交流工具。
注:上述方法是研究异步事件协调的佩持里网(Petri nets)在工业中的应用。采用这种方法可以从总体入手,通过逐步降低描述层次而提高描述的详细程度,最终揭示控制系统的全部细节。:2 引用标准
GB1526信息处理数据流程图、程序流程图、系统流程图、程序网络图和系统资源图的文件编制符号及约定
GB2900.34电工名调术语电气传动及其自动控制3通则
3.1控制系统的描述
研制一个过程控制系统的第一步是使设计人员了解该过程的详细情况,但是仅用文字很难准确地描述复杂的、包括在几种可能的顺序与并行的动作间进行选择的控制动作。通常,图示法较容易理解,但是一方面很难找到一种为各种专业人员都可掌握的图示法,另一方面也很难找到适用于表示每一种功能的图形符号。
因此,在本标准中采用图形符号与文字叙述相结合的表示方法。这种表示法应能对系统过程及其控制作总体性描述并能描述所用零部件的技术性能面不考虑具体工艺实现过程。
本标准规定的功能表图,应能精确地描述一个过程的输入(条件)与输出(动作)之间的关系,并能全面描述该过程。
在本标准中,把过程循环分解为若干清晰的连续的步(稳定状态),步与步以转换分隔。当满足进入下一步的转换条件的过程信号出现时即标志这一步终止。这样,步不能重叠。在步的持续时间以内,动作可以开始、持续或完成使过程循环分解得到的步越多,描述得越精确。3.2控制、施控和被控系统
为了给一个系统绘制清晰、明确的功能表图,必须确切地规定系统的界限及其功能表图的范围。因为纯功能的描述并不提供系统的实际界限或内部结构的任何细节,所以只能通过在假定的界限上对输国豪技术监督局1993-04-20批准1994-03-01实施
入和输出作理想描述才能够得到。GB/T 6988.6-93
根据GB2900.34,控制系统可以分为被控系统和施控系统两个相互依赖的部分:被控系统,包括执行实际过程的操作设备;a.
施控系统,接收来自操作者、被控过程等的信号并向被控系统发出命令的设备。b.
图1示出了系统的划分,表明了系统中各功能表图的界限。根据这个划分,可以绘制三张功能表图,用于不同的用途,描述不同的关系。反债信号
胰缓随控系现
操作控制台
控制系统
整个控制系统
功能衰图的界限
陈势统
反馈信号
施控系统功能
表图的界限
敲控系统
口 被控系统功能
表图的界限
图1控制系统划分示例
3.2.1被控系统功能表图
被控系统功能表图的界限上所示的输入条件包括施控系统发出的命令和输入过程流程的(变化的)参数。输出包括送往施控系统的反馈信号和在过程流程上执行的使之具有其他(理想的)特性的动作。该表图描述过程设备的功能,表明它要响应哪些命令,返国哪些信号和执行哪些动作。它由过程设计者绘制并可作为详细设计过程设备和绘制施控系统功能表图的基础。3.2.2施控系统功能表图
施控系统功能表图的界限上所示的输入条件包括操作者或可能存在的前级施控系统发出的命令以及被控系统的反馈信号。输出包括送往操作者或前级施控系统的反馈信号和对被控系统发出的命令。该表图描述了控制设备的功能,表明它将接收哪些信号,发出哪些命令及产生哪些另外的信号。它由设计者根据其对过程的了解来绘制(例如通过上述被控系统功能表图),并作为详细设计控制设备的基础。在大部分情况下,这种功能表图足以描述单的控制系统。3.2.3控制系统功能表图
整个控制系统功能表图的界限上所示的输入条件包括操作者或前级施控系统发出的命令和输入过程流程的(变化的)参数。输出包括送往操作者或前级施控系统的反馈信号和在过程流程上执行的动作。这个功能表图不给出被控系统和控系统之间的相互影响的细节而把控制系统作为一一个整体来描述。它可用于控制系统的初步设计阶段并便于描述在一个过程的几个系统中负责协调的系统。下面两个图例可用于说明控制系统选定后,如何把它分解为被控系统与施控系统。在图2中,过程是从料到加工成半成品零件的切削,被控系统是机床,施控系统是数控设备。162
起动、停止,切削特性等
目测指示、报管灯等
GB/T 6988.6—93
控制系统=机加工系统
命令:移动、切削等
施控系统
二数控设备
反馈信号:位置、工作结束等
图2数控机床
在图3中,过程是变电和配电。
控制系统= 变压器和开关系统
电源通断、抽头转换
开关位置等
且测指示器、报警灯等
施控系统
=逻辑和
保护设备
命令:闭台高压或低压断
路器、起动冷却风机等
文馈信号:高压、低压测电压、祖度图3变电站中的配电
被控系统
=机床
被控系统
变压器
和开关设备
半成品零件+切漏
高压电源
若变电站配备一台变压器,被控系统包括变压器、高压和低压断路器、用于冷却的辅助设备等。施控系统包括与被控系统关联的逻辑与保护设备。如果变电站配备并联工作的两台变压器,则其中每一台都可视为个完整的子控制系统,此外还需要增加一个协调控制系统用于负荷的分配等。3.2.4分级表示
功能表图应能达到在工艺规格说明要求的不同的层次上表示,从高描述层次(宏表示,见图25)到非常详细的描述层次,在此层次上所有基本命令和信号都根据采用的工艺技术全部表示出来。4功能表图的一般规定
-个功能表图由下列一组符号定义:a.
转换,
有向连线,用以连接步和转换。163
GB/T 6988.6—93
如果这些符号以规定的方式组合,就得到了一个静态表示。这种表示方法也可与控制过程的进展相对应,使其具有动态特性。
静态表示是带解释的,意味着:a.每一步可与一或多个命令或动作相对应,b。每一转换必须与一个转换条件相对应。由此体现了该表图的功能特性。4. 1步
为了描述控制系统、施控系统和被控系统的各种稳定状态,采用了“步”这一概念。一个步表示了所研究系统的一个不变行为的特征,见表1中的1.1和1.2。表1
中国o
步,一般符号
注:①矩形的长宽比是任意的,推荐采用正方形②为了便于识别,步必加标注,如用字母数字。一般符号上部中央的星号在具体步中应用规定的标号代替
例步2
初始步注同1.1
例,初始步1
例:步3,标明它是活动的
4.1.1活动步和非活动步,初始步在其个绑庭时,个步可以是活动的或非活动的,一系列活动步决定了所研究系统的状态。步的活动状态可用二进制逻辑变量“X*\的逻辑值1表示,步的非活动状态可用二进谢逻辑变量“X*\的逻辑催0.表示(星“必须用相应步的标号代替)因此步的符号可以用存储元件的符号作逻辑上的描述。
当一个步是活动的时候,发出相关的命令或执行相关的动作。在此状态下,施控系统仅响应于有关下一个转换条伴或允许命令条件的值号。控制过程开始除段与初始状态相对应的活动步,称为“初始步”。它们表征了施控系统的初始行为,见表1中的1.3和1.4。
当步在控制过程的特定阶段处于活动状态时,可在该步符号中加一圆点以示区别,此圆点不属于步的符号仅用于说明,见表1中的1.5。4.1.2与步相关的命令(动作)
在控制系统中命令通常产生动作,动作可以导致稳定状态。一个活动的步可以:
GB/T 6988.6—93
a.当功能表图描述一个施控系统时,,发出一个或多个命令,b。
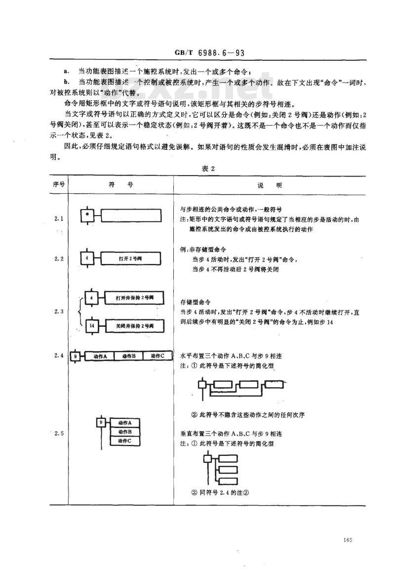
当功能表图描述个控制或被控系统时,产生一个或多个动作。故在下文出现“命令”一词时,对被控系统则以“动作\代替。命令用矩形框中的文字或符号语句说明,该矩形框与其相关的步符号相连。当文字或符号语句以正确的方式定义时,它可以区分是命令(例如:关闭2号阀)还是动作(例如:2号阀关闭),甚至可以表示一个稳定状态(例如:2号阀开着)。这既不是一个命令也不是一个动作而仅指示一个状态,见表2。
因此,必须仔细规定语句格式以避免误解。如果对语句的性质会发生混时,必须在表图中加注说明。
打开2号阀
打开并保持 2号间
关闭并保持2号阀
[H动作A动作B
动作C
动作A
动作B
动作C
与步相连的公共命令或动作,一般符号注:矩形中的文字语句或符号语句规定了当相应的步是活动的时,由施控系统发出的命令或由被控系统执行的动作例:非存储型命令
当步4活动时,发出“打开2号阀”命令,当步4不再活动后2号阀将关闭
存储型命令
当步4活动时,发出打开2号阀”命令,步4不活动时继续打开,直到后续步中有明显的“关闭2号阀的命令为止,例如步14水平布置三个动作A.B.C与步9相连注:①此符号是下述符号的简化型②此符号不隐含这些动作之间的任何次序垂直布置三个动作A、B.C与步9相连注:①此符号是下述符号的简化型②同符号2.4的注②
GB/T 6988.6-93
当与之相关的步活动时,发出一个命令,当该步不再活动时,命令将会a.终止;
b..保持其状态。
在情况a中,命令是非存储型的。在情况b中,命令是存储型的。一个存储的命令只有在被其后续的步确切地清除(复位)时,才会终止。因此,陈述命令的语句应清楚地说明该命令是存储型的还是非存储型的。4.1.3示例
在一张描述施控系统的功能表图中,可能出现下述命令:a。“置2号阀于半开位置”
在相关的步是活动的期间里,命令是保持的,当相关的步不再活动了以后,命令将终止。由该步的不再活动引起2号阀状态的变化,即状态“2号阀关着”必须在下一步说明。如用有明确规定的相反命令的命令,例如“打开2号阀”(相反命令是“关闭2号阀”)代替“置2号阀于半开位置”,则即使在下一步不明确指明它的状态,也可以假定它的状态是由其相反命令决定的状态,在此为“2号阀关着”。见表2中的2.2。该命令是非存储型的。b.“打开并保持2号阀”
在相应步是活动的期间,发出“打开2号阀的命令,该命令将保持直至遇到相反的命令。存储型命令的相反命令也是存储型的。可以在发出命令“打开并保持2号阀”的步与“关闭并保持2号阀”的步之间的某步加上状态指示\2号阀开着”,以强调“2号阀是开着的”这-事实。通常,在显示出状态之前,有必要对该状态进行校验。这可以通过把状态校验反馈信号插入有该状态显示的步之前的转换条件中实现。关于校验反馈信号的说明见第5章。本条所述的这类命令称作公共命令。它们表明在控制过程的各个相应的步中所发出的命令,但没有交待在这些步的持续时间内命令的内部时间信息。每一步的持续时间由步之间的转换的实现确定。公共命令与公共转换条件可以对控制过程的时间作一般性描述。在第5章中的详细命令和详细转换条件将提供关于时间的较精确的描述。如果几个命令或动作与同一步相连,这些命令或动作可以作水乎布置也可作垂直布置,见表2中的2.4和2.5。
4.2转换
为了描述沿着有向连线所发生的活动状态的逐步进展,采用转换这一概念。转换用加在所涉及的步符号之间与有向连线垂直的短划线表示,见表3。表3
连线步到转换
,连线转换到步
动合触点\a”闭合与
《动新触点“b”闭合或
动合慰点*c\闭合)
带有有向连线及相关转换条件的转换符号注:星号“*”必须用相关转换条件说明代替,例如用文字、布尔表达式或用图形符号
相关的转换条件用文字语句表示序号
a-(b+c)
4.2.1使能转换和转换的实现
GB/T 6988.6-93
续表3Www.bzxZ.net
用布尔表达式表示
用标准图形符号表示
如果通过有向连线连接到转换符号的所有直接前级步都是活动步,该转换为“使能转换”,否则该转换为“非使能转换”。
如果转换是使能转换,并且与之相关的转换条件为真,则发生“转换的实现”。转换的实现同时导致由有向连线连接到相应转换符号上的全部直接后续步活动,而直接前级步不再活动。图4和图5说明了这些概念。
转换条件为真或为假
非使能转换
不管相关的转换条件为其或
为假,因为步10不活动,所以
步10一11的转换是非使能转换
使能转换
转换条件为假
因为相关的转换条件是
假的,所以步1011的转接
虽是使能的,但不能被实现
实现转换
转换条件为真
因为相关的转换条件是真的,
所以步10—11的转换被实现
图4由一个前级步导致的非使能、使能和实现转换167
GB/T 6988.6-93
中自电
转换条件
为真或为假
非使能转换
不管相关的转换条件为真或为假,因步9不是活动的,所以转换非使能、转换条件为假
使能转换
因为相关的转换条件为假,
尽管转换是使能的,也不能实现转换条件为真
实现转换
因为相关的转换条
件为真,所以转换被实现
图5多个前级步导致的非使能、使能和实现转换为了表示转换的同步性质,图5中采用了GB1526第10.2.2.5条中规定的水平双线符号。4.2.2转换条件
所谓转换条件是指与每个转换相关的逻辑命题,它可以是真的,也可以是假的。如果存在一个相应的逻辑变量,则当转换条件为真时,它等于1,而当转换条件为假时,它等于0。转换条件可以采用三种方式表示,即:文字语句;
b.布尔表达式;
图形符号,分别见表3中的3.2、3.3、3.4和3.5。c
4.3有向连线
步之间的进展采用有向连线表示,它将步连接到转换并将转换连接到步,见表4。表4
有向连线,从上到下进展
有向连线,从下到上进展
有向连线是垂直的或水平的。为了使图面更清晰,个别情况下也可用斜线。按习惯进展的方向总是从上到下或从左到右,如果不遵守上述习惯必须加箭头,必要时,为了更易于理解也可加箭头。仅当垂直线和水平线之间没有内在联系时,才允许它们交叉。但是,当连线与同一个进展相关时不允许交叉,见图6。如果有向连线必须中断(如在复杂的图中或几张图纸上表示时),应指出下一步的编号和该步所在168
的页数,见图7。
图6避免交叉的连线
4.4符号连接规则
GB/T 6988.6—93
图7转换到第13页第83步的进展
对每个所涉及的序列一定要用“步一转换”和“转换一步”两种形式的交替来说明,即:a。两个步不能直接相连,必须用一个转换开;b。两个转换不能直接相连,必须用一个步隔开。4.5进展规则
4.5.1初始状态
初始状态由初始步表征,它们由操作开始时活动的步表示。每张表图至少应有一个初始步。4.5.2转换的实现
个转换或者是使能的,或者是非使能的。当所有与相关的转换符号相连的直接前级步都是活动的时,转换是使能的,否则是非使能的。个转换能实现的条件是:
a。它是使能的;
它的相关的转换条件为真。
4.5.3活动步的进展
转换实现的同时使直接后续的步进入活动状态和直接前级步进入不活动状态。4.5.4转换的同时实现
水乎双线可以乘表示必须同时实现的转换(例如图8中步13—14与步29-—30的转换)假如这些转换要分别地表示,为了使表图布局清晰,可用一一个星号和互相引用的标号一起给这个转换作标记。
图8转换的同进实现
4.5.5在步的激活期间,如果到下1·x25
一步的转换条件为真,步的活动情况29
\a·x13
GB/T6988.6—93
如果在运行中,一一个步被激活并且在激活期间以内到下一步的转换条件为真例如图9中的步14,根据第4.5.2条的规定,到下一步的转换将因为它是非使能的而无法实现。3.
\d\的上升沿
“”的上升沿
素转换13
表转换14 —15
“d”的上升沿
μd”的上升沿
*d”的上升沿
图9在步激活期间,如果到下一步的转换条件为真,步的活动情况4.5.6同时使一步活动与不活动
若在运行中,同时使一步活动与不活动,则活动状态优先。4.5.7转换的实现时间与步的徽活时间转换的实现时间从理论上说可以任意短,但不等于零。在实际中,这一时间由实施系统所采用的工艺所决定。同样的,步的激活时间也是如此。4.6基本结构
表图的进展可以用下述基本结构表示。4.6.1单序列
单序列是法一串相继激活的步组成的。在此结构中,每一步后紧接一个转换且每个转换只由一个步使能。
图10单序列示例
GB/T 6988.6—93
图11选择序列开始示例
图10是一个单序列的例子。只当步3处于活动状态(X3一1)并且与转换相关的逻辑转换条件c为真(c=1)时,才会发生从步3到步4的进展。当步4处于活动状态(X4=1),转换条件“d为真(d=1)时,转换的实现导致步5的激活和步4的不再活动。4.6.2选择序列
4.6.2.1选择序列的开始(分支)在几个序列进行选择时,用与进展数目相同的转换符号在水平线之下表示,此时不允许有公共转换符号在水平线之上出现。
图11是一个选择序列开始的示例。如果步5处于活动状态并且转换条件\e”为真(e一1),则发生从步5到步6的进展;如果步5处于活动状态并且转换条件*f\为真(f一1),则发生从步5到步8的进展。注:为了只选择一个序列,必须使与这些序列相关的转换条件互斥,即在同一时间只有一个转换条件为真。对序列进行选择的优先饮序可在注明转换条件时规定见图12。[
图12在步5之后的选择序列示例,由转换条件的注释规定171
4.6.2.2选择序列的结束(合并)GB/T 6988.6--93
几个序列会合到一个公共序列时,用与需要重新组合在一起的相同数目的转换符号在水平线之上表示,此时不充许有公共转换符号在水平线之下出现。宝理
图13选择序列结束示例
图13是选择序列结束的示例。若步7处于活动状态并且转换条件\h为真(h=1),则发生从步7到步10的进展,如果步9处于活动状态并且转换条件“j\为真(j一1),则发生从步9到步10的进展。4.6.3并行序列
4.6.3.1并行序列的开始(分支)当转换的实现导致几个序列同时激活时,这些序列称为并行序列。各个序列在同时激活以后,活动步的进展将是独立的。在表示并行的水平双线之上只允许有一个公共转换符号。图14是并行序列开始的示例,只有当步11处于活动状态并且与公共转换相关的转换条件“b”为真(b=1),才发生从步11到步12与步14等的进展。4.6.3.2并行序列的结束(会合)为使几个序列同时结束,采用如下结构。在表示并行的水平双线之下只允许有一个公共转换条件并行序列结束的完整符号包括转换符号本身和水平双线。并行序列的分支与会合可以在段或者几段上实现,见图16。
图14并行序列开始的示例
图15并行序列结束的示例
图15是并行序列结束的示例,只有直接连在水平双线之上的所有步都处于活动状态,即步13、步15等都处于活动状态,并且与公共转换相关的转换条件\d”为真(d一1)时,才会发生从步13步15等到步16的进展。
图17是用功能表图表示的循环示例,其中既有选择序列,又有并行序列。172
小提示:此标准内容仅展示完整标准里的部分截取内容,若需要完整标准请到上方自行免费下载完整标准文档。