首页 > 国家标准(GB) > GB/T 7731.16-1999 钨铁化学分析方法 火焰原子吸收光谱法测定锰量
GB/T 7731.16-1999

基本信息

标准号: GB/T 7731.16-1999

中文名称:钨铁化学分析方法 火焰原子吸收光谱法测定锰量

标准类别:国家标准(GB)

标准状态:已作废

发布日期:1999-11-01

实施日期:2000-08-01

作废日期:2008-02-01

出版语种:简体中文

下载格式:.rar.pdf

下载大小:102817

相关标签: 钨铁 化学分析 方法 火焰 原子 吸收光谱 锰量

标准分类号

标准ICS号:冶金>>77.100铁合金

中标分类号:冶金>>金属化学分析方法>>H11钢铁与铁合金分析方法

关联标准

替代情况:被GB/T7731.2-2007替代

采标情况:≠JIS G1316-1998

出版信息

出版社:中国标准出版社

书号:155066.1-16709

页数:6页

标准价格:8.0 元

出版日期:2004-04-05

相关单位信息

复审日期:2004-10-14

起草人:唐华应、王学元

起草单位:峨眉铁合金(集团)股份有限公司

归口单位:冶金工业信息标准研究院

提出单位:国家冶金工业局

发布部门:国家质量技术监督局

主管部门:中国钢铁工业协会

标准简介

本标准规定了火焰原子吸收光谱法测定锰量。本标准适用于钨铁中锰量的测定。测定范围:0.05%~0.70%。 GB/T 7731.16-1999 钨铁化学分析方法 火焰原子吸收光谱法测定锰量 GB/T7731.16-1999 标准下载解压密码:www.bzxz.net

标准图片预览

GB/T 7731.16-1999 钨铁化学分析方法 火焰原子吸收光谱法测定锰量
GB/T 7731.16-1999 钨铁化学分析方法 火焰原子吸收光谱法测定锰量
GB/T 7731.16-1999 钨铁化学分析方法 火焰原子吸收光谱法测定锰量
GB/T 7731.16-1999 钨铁化学分析方法 火焰原子吸收光谱法测定锰量
GB/T 7731.16-1999 钨铁化学分析方法 火焰原子吸收光谱法测定锰量

标准内容

GB/T 7731. 16
本标准非等效采用日本工业标准JISG1316:1998《钨铁化学分析方法》第9章“锰量的测定方法原子吸收法”。在试料的分解方面,本标准采用草酸-过氧化氢分解试料,加入二氯化锶消除硅的干扰。GB/T7731《钨铁化学分析方法》总标题下,包括若干独立部分,本标准为第16部分。本标准的附录A是提示的附录。
本标准由国家治金工业局提出。本标准由冶金工业信息标准研究院归口。本标准起草单位:峨眉铁合金(集团)股份有限公司。本标准主要起草人:唐华应、王学元。174
中华人民共和国国家标准
钨铁化学分析方法
火焰原子吸收光谱法测定锰量
Methods for chemical analysis of ferrotungsten-The flame atomic absorption spectrometric method forthe determination of manganese content本标准规定了火焰原子吸收光谱法测定锰量。本标准适用于钨铁中锰量的测定。测定范围:0.05%~0.70%。2方法提要此内容来自标准下载网
GB/T7731.16-1999
试样用草酸-过氧化氢分解,在一定酸度下,二氯化锶存在时,于原子吸收光谱仪,波长279.5nm处,用空气-乙炔火焰,锰空心阴极灯作光源,测量其吸光度。3试剂
3.1金属钨粉(固体,锰含量应小于0.005%)。3.2草酸(固体)。
3.3盐酸(o=1.19g/mL)。
3.4盐酸(1+1)。
3.5盐酸(2+98)。
3.6过氧化氢(p=1.13g/ml.)。
3.7二氯化锶溶液(50g/L):称取50g六水合二氯化锶,用适量水溶解,以水稀释至1000mL。3.8铁溶液:称取5.00名高纯铁(锰含量应小于0.005%)于500mL锥形瓶中,加入20ml.盐酸(3.3)、150mL水,加热溶解完全。转入500mL容量瓶中,用水稀释至刻度,混匀。此溶液1mL含10.0 mgFe3+
3.9锰标准溶液:
3.9.1称取1.5824g预先在105~110C烘至恒量且保存在干燥器中的高纯MnO2(99.99%以上)于500mL烧杯中,加入20mL盐酸(3.3),加热溶解,蒸发至近干。用盐酸(3.5)溶解后,冷却至室温。移入1000mL容量瓶中,以盐酸(3.5)稀释至刻度,混勾。此溶液1mL含1.000mg锰。3.9.2分取25.00mL锰标准溶液(3.9.1)于500mL容量瓶中,用水稀释至刻度,此溶液1mL含50.00μg锰。
4仪器
原子吸收光谱仪,备有空气-乙炔燃烧器,锰空心阴极灯。空气、乙炔气体要足够纯净以提供稳定清国家质量技术监督局1999-11-01批准2000-08-01实施
澈的贫燃火焰。
GB/T 7731. 16—1999
所用原子吸收光谱仪应达到下列指标:4.1精密度的最低要求
用最高浓度的校准溶液,测量10次吸光度,并计算其吸光度平均值和标准偏差。该标准偏差应不超过该吸光度平均值的1.0%。
用最低浓度的校准溶液(不是零校准溶液),测量10次吸光度,并计算其标准偏差。该标准偏差应不超过最高浓度校准溶液的平均吸光度值的0.5%。4.2特征浓度
本标准锰的特征浓度应小于0.10μg/mL。4.3检出限
本标准锰的检出限应小于0.05ug/mL。4.4校准曲线的线性
校准曲线按浓度等分为五段,最高段的吸光度差值与最低段的吸光度差值之比不应小于0.8。4.5WFX-1D型仪器的工作条件参数见附录A(提示的附录)。5试样
试样应通过0.088mm筛孔。
6分析步骤
6.1试料量
按表1称取试样。
表1 试料量
锰量,%
0.05~0.30
≥>0.30~0.70
6.2空白试验
试料量g
称取近似于试料量中钨量的金属钨粉(3.1)并移取近似于试料量中铁量的铁溶液(3.8),随同试料做空白试验。
6.3测定
6.3.1将试料(6.1)置于250mL锥形瓶中,加人3~5mL水、2g草酸(3.2)、8ml.过氧化氢(3.6),低温加热使试样溶解完全,取下。6.3.2加入5mL盐酸(3.4)、50mL水,加热溶解盐类,加入5mL二氯化锶溶液(3.7)。冷却至室温,移入200mL容量瓶中,用水稀释至刻度,混匀。6.3.3将溶液(6.3.2)干过滤或取上清液在原子吸收光谱仪上.波长279.5nm处,用空气-乙炔火焰,以水调零,测量其吸光度。将试样溶液的吸光度减去随同试样空白溶液的吸光度,从校准曲线上查出锰的浓度(μg/mL)。
6.4校准曲线的绘制
6.4.1按空白试验(6.2)称取相应量的金属钨粉(3.1)和移取相应量的铁溶液(3.8)各六份分别置于250mL锥形瓶中,依次加入0.00、3.00、6.00、9.00、12.00、15.00mL锰标准溶液(3.9),以下按6.3.1置于250mL锥形瓶中,以后的步骤按6.3.2及6.3.3进行。6.4.2校准曲线系列每一溶液的吸光度减去零浓度溶液的吸光度,为锰校准曲线系列溶液的净吸光度,以锰浓度(pg/ml)为横坐标,净吸光度为纵坐标,绘制校准曲线。176
7分析结果的计算
按式(1)计算锰的百分含量:
式中:c—
GB/T7731.16—1999
Mn(%):
(c-c)f v
mg×10
自校准曲线上查得的试样溶液中锰的浓度,μg/mL;自校准曲线上查得的随同试样空白溶液中锰的浓度,g/mL,稀释倍数;
V最终测量试样溶液的体积,ml
试料量,。
允许差
实验室之间分析结果的差值应不大于表2所列的允许差。表2允许差
0. 05~0. 15
>0. 15 ~0. 40
>0.40~0.70
允许差
GB/T7731.16-1999
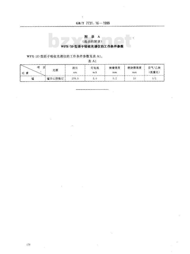
附录A
(提示的附录)
WFX-1D型原子吸收光谱仪的工作条件参数WFX-ID型原子吸收光谱仪的工作条件参数见表A1。表A1
锰空心阴极灯
灯电流
狭缝宽度
燃烧器高度
空气/乙炔
(流量比)
小提示:此标准内容仅展示完整标准里的部分截取内容,若需要完整标准请到上方自行免费下载完整标准文档。