首页 > 国家标准(GB) > GB/T 14014-1992 蚕丝,合成纤维筛网
GB/T 14014-1992

基本信息

标准号: GB/T 14014-1992

中文名称:蚕丝,合成纤维筛网

标准类别:国家标准(GB)

标准状态:已作废

发布日期:1992-12-10

实施日期:1993-08-01

作废日期:2009-08-01

出版语种:简体中文

下载格式:.rar.pdf

下载大小:343616

相关标签: 蚕丝 合成纤维 筛网

标准分类号

标准ICS号:66.067.3

中标分类号:纺织>>丝纺织>>W43丝和丝交制品

关联标准

替代情况:替代GB 2014-1980;GBn 90-1980;GBn 91-1980;GBn 92-1980;GBn 93-1980;被GB/T 14014-2008代替

出版信息

出版社:中国标准出版社

书号:155066.1-9657

页数:平装16开, 页数:13, 字数:26千字

标准价格:12.0 元

出版日期:1993-08-01

相关单位信息

首发日期:1992-12-10

复审日期:2004-10-14

起草人:王梅章、徐显聪、何秉武、周水根

起草单位:上海丝织公司、上海筛网厂

归口单位:全国纺织品标准化技术委员会

提出单位:纺织工业部科技发展司

发布部门:国家技术监督局

主管部门:中国纺织工业协会

标准简介

本标准规定了蚕丝、合成纤维筛网的产品分类、技术要求、试验方法、检验规则、标志、包装与贮存。本标准适用于评定蚕丝、合成纤维、合成纤维与其他纤维交织筛网的品质。 GB/T 14014-1992 蚕丝,合成纤维筛网 GB/T14014-1992 标准下载解压密码:www.bzxz.net

标准图片预览

GB/T 14014-1992 蚕丝,合成纤维筛网
GB/T 14014-1992 蚕丝,合成纤维筛网
GB/T 14014-1992 蚕丝,合成纤维筛网
GB/T 14014-1992 蚕丝,合成纤维筛网
GB/T 14014-1992 蚕丝,合成纤维筛网

标准内容

中华人民共和国国家标准
蚕丝、合成纤维筛网
Silk and synthetic fiber boltting cloth1主题内容与适用范围
GB/T 14014-92
代替GB2014-80
GBn 90~~93--80
本标准规定了蚕丝、合成纤维筛网的产品分类、技术要求、试验方法、检验规则、标志、包装与贮存。本标准适用于评定蚕丝、合成纤维、合成纤维与其他纤维交织筛网的品质。2
引用标准
评定沾色用灰色样卡
GB 251
GB2828逐批检查计数抽样程序及抽样表(适用于连续批的检查)GB3923
机织物断裂强力和断裂伸长的测定(条样法)GB4666机织物长度的测定
GB 4667
机织物幅宽的测定
GB4668机织物密度的测定
3产品分类
蚕丝、合成纤维筛网的产品分类由使用原料和织物组织组合决定。型号见表1。表1
筛网分类
织物组织及代号
原料类别及代号
蚕丝C
锦纶丝了
涤纶丝D
锦纶、蚕丝JC
4技术要求
4.1技术要求项目
全绞纱组织
半绞纱组织
方平组织
平纹组织
常规织机片梭织机
蚕丝、合成纤维筛网的技术要求包括织物的幅宽、密度、断裂强力、断裂伸长率、外观疵点五个项目。外观疵点为外观品质,其余为内在品质。4.2分等规定
4.2.1蚕丝、合成纤维筛网的等级分为一等品、二等品。低于二等品的为不合格品。4.2.2蚕丝、合成纤维筛网的评等以匹为单位。断裂强力、断裂伸长率按批评等。密度、幅宽、外观瘫点按匹评等,筛网的等级以内在品质和外观品质中最低一项评定。国家技术监督局 1992-12-10批准34
1993-08-01实施
GB/T 14014—92
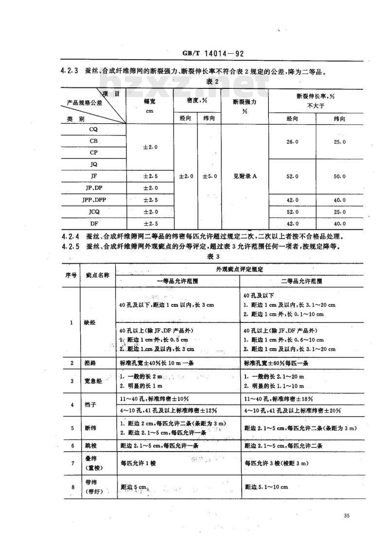
4.2.3蚕丝、合成纤维筛网的断裂强力、断裂伸长率不符合表2规定的公差,降为二等品。表2
产品规格公差
JP、DP
JPP、DPP
密度,%wwW.bzxz.Net
断裂强力
见附录A
断裂伸长率,%
不大于
4.2.4蚕丝、合成纤维筛网二等品的纬密每匹允许超过规定二次,二次以上者按不合格品处理。4.2.5蚕丝、合成纤维筛网外观点的分等评定,超过表3允许范翻任何一项者,按规定降等。表3
疵点名称
宽愈经
(梭)
(带纤)
一等品允许范圈
40孔及以下,距边1cm以内,长3cm40孔以上(除JF、DF产品外)
距边1cm外;长0.5c
.2. 照边1.cm 及以内,长 3. cim标准孔宽士40%长10m一条
1.一般的长 2m3,。!
2.明显的长1m
11~40孔,标准纬密±10%
外观概点评定规定
二等品允许范围
40 孔及以下
1.距边1cm及以内,长3.1~20 cm
2.距边1cm外,长0.1~10cm
40孔以上(除JF、DF产品外)
1. 距边1 cm外,长 0. 6~10 cm2. 距边1 cm及以内,长 3. 1~20 cm标准孔宽士60%每匹一条
1. -般的长 2. 1~20 m
2.明显的长1.1~10m
11~40孔,标准纬密士18%
4~10孔,41孔及以上标准纬密±12%1.距边2cm,每匹允许二条(条距为3m)2.距边2.1~5cm,每匹允许一条
距边2.1~5 cm,每匹允许一条
每匹允许1梭
距边5.cm*
4~10孔,41孔及以上标准纬密士20%距边 2. 1~5 cm;每匹允许二条(条距为 3 m)距边2.1~5cm,每匹允许二条
每远允许3校(梭距3m)
距边.5.1~10.cm
戴点名称
纬线糙块、
爆纬(塌
经纬缺股
锈渍、油
溃、箍渍、
综丝溃、溃
GB/T 14014-- 92
续表3
外观藏点评定规定
一等品允许范画
1.粗达纬线3倍,长3cm,每米2只2.粗达纬线4~5倍,长1cm,每米2只18孔及以下,5孔
19~30孔:10孔
31~40孔,15孔
41-~80孔:20孔
81孔以上:25孔
错经不允许,错纬每匹一处,织长为5cm内1.二根以上经线缺二分之一长10cm2.二根以上纬线缺二分之一每匹1校1. 20 cm 内5梭
2.20cm内严重的1梭
1.未破到内幅,长5cm
2、破到内幅不允许
深浅程度按GB251甲3级
不允许
注:①距边均指内边。
二等品充许范画
1.粗达纬线3假,长3cm,每米3~6只2. 达纬线 4 5倍,长1 cm,每米 3~5只18我及以下:6~10孔
1930孔:1120孔
31-40孔16-30孔
4180孔:21-40孔
81孔以上:2650孔
1.错经:每匹1~2处
2.错纬:每匹2~~3处,每处织长为5~10cm1. 二根以上经线缺二分之一,长 10. 1~30 cm2。根以上纬线缺二分之一,每匹23梭1. 20 cm 内 610梭
2. 20 cm 内严量的 2~5 校
1. 淋破到内幅,长 5.1~~10 cm2.磁到内幅,长5cm
深浅程度按 GB251中3级以下
每匹有二处
②序号10\精”,凡破坏一一个组织感作一孔。4.2.6表3中二等品允许范围的疵点(箱路、罐经、伤痕除外)可以标,平均每10m允许标疵一次,标症间距不得小于5m,每一标瓶,放尺10cm。5试验方法
5.7长度试验
5.1.1长度试验方法1按GB4666进行,并作为仲裁方法。5.1.2长度试验方法2按检验台上计长器实际长度记录。5.2幅宽试验
5.2.1幅宽试验方法1按GB4667进行,并作为仲裁方法。5.2.2幅宽试验方法2
5.2.2.1试验用具。米制量尺,精确至0.1cm。5.2.2.2试验方法。钢卷尺实测,测量幅宽每匹以距离相等测五次的算术平均值为依据。5.3密度试验
按GB4668中的附录A进行。
5.4断裂强力试验
GB/T 14014-92
按GB3923中断裂强力测定方法进行5.5断裂伸长率测试
按GB3923中断裂伸长率的测定方法进行。5.6外观疵点检验
5.6.1外观点检验条件
5.6.1.1外观疵点检验在经向检验台上进行。5.6.1.2检验台台面应黑色光滑。5.6.1.3光源采用天然北光,照度为320~5001x。也可采用二支40W加罩的日光灯,距离台面70cm高,应避免阳光。
5.6.2外观点检验方法
5.6.2.1筛网的外观品质应通匹进行检验。5.6.2.2检验员位于检验台前面,其眼睛距离筛网中心为 40~50 cm。5.6.2.3幅宽133cm及以下一人检验,超过133cm二人检验。6检验规则
6.1出厂检验
6.1.1按本标准技术要求的全部项目和试验方法进行。6.1.2幅宽、密度、外观疵点按批逐匹检验。断裂强力、断裂伸长率按批抽样检验。6.1.3组批与抽样
6.1.3.1同一任务单或同一合同号为同检查批。6.1.3.2抽样采用GB2828中次抽样方案。断裂强力、断裂伸长率按特殊检查水平S-2规定抽取。样本单位应从检查批中随机抽取。6.1.3.3试样要具有代表性,无影响试验结果的外观疵点,试样可以在每匹筛网的任意部位剪取。6.2验收
6.2.1工厂根据出厂检验结果定等交货时,收货方应及时按本标准进行验收,收货方如不验收,应按交货方检验结果收货。
6.2.2.验收的组批与抽样,按6.1.3条执行。6.2.3幅宽、密度、外观概点的抽样采用 GB 2828一次抽样方案,按一般检查水平II规定抽取,样本单位应从检查批中随机抽取。
6.2.4判定规则
批合格、不合格的判定按GB2828次抽样方案中AQL值为4.0的规定执行。6. 3 复验
6. 3. 1 对检验结果有疑义时,可申请复验,复验以一次为准。6.3.2复验按本标准技术要求和试验方法进行。6.3.3复验具体项目,全检或抽检由工广与收货方议定。6.3.4组批与抽样、判定规则按6.1.3,6.2.3,6.2.4条执行。6.3.5复验费用由贵任方负责。
7标志、包装与贮存
7.1标志
7.1.1标志要求明确、清晰,便于识别。GB/T 14014--92
7.1.2成品出厂每匹筛网应附有品质合格证。内容包括商标、品名、型号、规格、等级、生产厂名、幅宽、匹长、生产日期、生产匹号、标疵次数、检验员代号、标准的代号、编号、名称印章。7.1.3每匹筛网一端应有商标标记,外套印有商标的塑料袋。7.2包装
7.2.1筛网包装应保证成品品质不受损伤,便于贮存和运输7.2.2筛网成品包装有卷装和折叠二种形式,以匹为单位,门幅127 cm 及以下以圆管卷装,127 cm 以上根据用户要求进行包装。
7.2.3装运外地的筛网用纸箱包装。7.2.4蚕丝筛网出厂成品回潮率不超过13%。7.2.5匹长规定:各种规格10~50m为整匹,3~9.9m为短尺,3m以下作零料处理。7.3贮存
7.3.1筛网不宜受潮,也不宜在强烈阳光下晒,贮存筛网的仓库,应保持干燥,通风良好,每匹应平放,堆放在垫仓板上面,不能贴墙,以免受潮变质。8其他
对标准中要求另有协议或合同者,可按协议或合同执行。38
孔/cm
GB/T 14014--92
附录A
筛网型号、规格及有关物理性能(补充件)
根/cm
断裂强力,N/5cmX20cm2
不小于
孔/cm
GB/T 14014-92
续表A1
根/cm
断裂强力,N/5cm×20cm
不小于
孔/cm
GB/T 14014—92
续表A1
根/cm
断裂强力,N/5cm×20cm
不小于
孔/cm
GB/T 1401492
续表A1
根/cm
断裂强力,N/5cmX×20cm
不小于
GB/T 14014—92
附录B
一次正常检查抽样方案
(补充件)
本规定为GB2828有关内容的摘录,B1抽样数量和结果判定按表B1。表B1
一般检查水平
91~150
151~280
281~500
501~1200
1 201~3 200
3 201~10 000
10001~35000
批量,
样本大小,
合格判定数;
R。—不合格判定数;
一使用衡头下面第一个抽样方案;使用箭头上面第一个抽样方案。c1
AQL为4. 0
附录C
外观疵点说明
(参考件)
特殊检查水平 S-2
AQL 为 4. 0
缺经:经丝因外力或某种因紊的影响而断裂或缺股,在织物上表现为缺少经丝。路:沿网面经向呈现一条或几条位置不变,经丝不缺,但向两边挤压的稀密不勾的直条。宽急经:网面上显出浮宽状的经丝称宽经,显出陷入或收紧的经丝称急经,档子,纬丝密度突然减少或增加所造成的横档,称档子。C4
断纬:网面全幅内缺少一段纬丝称断纬。跳梭:网面局部出现纬丝脱离组织,不规地浮在表面的疵点称跳梭。叠纬(重梭):在同一梭口内,织入二根以上纬丝称叠纬(重梭)。R
GB/T14014—92
C8带纬(带纤):织造中将多余纬丝织入网面造成的疵点。C9纬丝糙块、塌纬(塌纤):织入的纬丝上有长结、毛丝、扭纬、糙类,称纬丝糙块;由于纤子脱圈织入网面,皇现二根以上片断的重叠纬丝。C10糙:织物经丝和纬丝组织点被破坏,网面显示并列经浮点和纬浮点现象称为糙。C11错经错纬:经纬丝原料搞错或条份不符合工艺规定织入成品,造成网面显出经向直条和纬向横档称错经错纬。
C12经纬缺股:多根并捻的经纬丝,在准备工序或在织造时,断了其中一根或一根以上造成网面显出一条较细的经、纬丝称经纬缺股。C13缩纬:在织造时,因纤子退卷张力不匀,在网面上纬丝呈卷曲状,称缩纬。C14
破边:筛网边幅破裂称破边。
锈渍:网面上有黄褐色各种形状的锈渍。油渍:网面上呈现油污渍。
箱溃:网面上呈现灰褐色污渍。箍未洗清或停机时间过长引起箍锈。综丝渍:网面上呈现黄色污渍。渍经:经丝沾上油污渍造成网面上经丝方向有线状的污渍。C16伤痕:受到外物摩擦或轧损,使网面起毛或有擦伤痕迹的称伤痕。附录D
筛网孔宽和有效筛滤面积参考值(参考件)
本附录提供了筛网各种规格的孔宽参考值和有效筛滤面积参考值,为用户在选择筛网规格时参考。D1筛网孔宽参考值,筛网有效筛滤面积参考值见表D1。44
孔/cm
(参考值)
GB/T 14014—92
有效筛滤面积
(参考值)
孔/cm
(参考值)
0:331
.1.950
有效筛滤面积
(参考值)
小提示:此标准内容仅展示完整标准里的部分截取内容,若需要完整标准请到上方自行免费下载完整标准文档。