首页 > 国家标准(GB) > GB/T 12853-2001 连续波磁控管空白详细规范
GB/T 12853-2001

基本信息

标准号: GB/T 12853-2001

中文名称:连续波磁控管空白详细规范

标准类别:国家标准(GB)

标准状态:现行

发布日期:1991-04-02

实施日期:2002-05-01

出版语种:简体中文

下载格式:.rar.pdf

下载大小:208393

相关标签: 连续 磁控管 空白 详细 规范

标准分类号

标准ICS号:电子学>>31.100电子管

中标分类号:电子元器件与信息技术>>电真空器件>>L37微波管

关联标准

替代情况:GB/T 12853-1991

采标情况:IEC 102导则-1989,≠ BS EN 136002-1996,≠

出版信息

出版社:中国标准出版社

书号:155066.1-18198

页数:平装16开, 页数:9, 字数:14千字

标准价格:10.0 元

出版日期:2004-04-10

相关单位信息

首发日期:1991-04-28

复审日期:2004-10-14

起草单位:机电部772厂

归口单位:全国电真空器件标准化技术委员会

发布部门:中华人民共和国国家质量监督检验检疫总局

主管部门:信息产业部(电子)

标准简介

本空白详细规范规定了连续波磁控管详细规范的编制原则、格式和基本内容。本空白详细规范与GB/T 12852-2001《磁控管总规范》一起使用。 GB/T 12853-2001 连续波磁控管空白详细规范 GB/T12853-2001 标准下载解压密码:www.bzxz.net

标准图片预览

GB/T 12853-2001 连续波磁控管空白详细规范
GB/T 12853-2001 连续波磁控管空白详细规范
GB/T 12853-2001 连续波磁控管空白详细规范
GB/T 12853-2001 连续波磁控管空白详细规范
GB/T 12853-2001 连续波磁控管空白详细规范

标准内容

GB/T12853—2001
本标准是对GB/T12853一1991《连续波磁控管空白详细规范》的修订,对原标准中不适用的部分进行了适当修订,对电参数和环境适应性进行了较多补充。本标准是根据国际电工委员会IEC102导则《电子元器件质量评定规范的结构》(电子元器件的鉴定批准及能力批准)(1989年版)的规定,非等效采用了欧洲标准BSEN136002:1996《微波加热或炊用连续波磁控管空白详细规范》的格式和内容,电性能、物理性能和环境性能均比原规范有较大的增补。本标准应与GB/T12852一2001《磁控管总规范》一起使用。本标准由中华人民共和国信息产业部提出。本标准由全国电真空器件标准化技术委员会归口。本标准起草单位:国光电子管厂。本标准主要起草人:夏英、王学良、马田庆、张朋。本标准1991年4月首次发布。
中华人民共和国国家标准
连续波磁控管空白详细规范
Blank detail specification forcontinuouswavemagnetrons
GB/T12853—2001
代替GB/T12853—1991
本空白详细规范规定了连续波磁控管详细规范的编制原则、格式和基本内容。本空白详细规范与GB/T12852—2001《磁控管总规范》起使用。详细规范首页的说明(见表1)
详细规范首页方括号中的数字应与下列给出的说明相符合。详细规范的识别
[1]]授权起草详细规范的标准机构名称。同时要说明从何处可得到详细规范。[2]IECQ的详细规范编号及发布号。1国家总规范的编号及发布号。
[4]详细规范的编号、发布日期及其他必要的资料。磁控管的识别
[5]磁控管的型号及简述。
典型结构的说明(如适用)。
外形图(可在详细规范的附录中给出)。[
[8]用途、使用分类和质量评定水平。[9]供各种管型相互比较的最主要性能的参考数据,使得在磁控管的各型号间更容易比较。必要时应包括注意事项。
[在方括号内给出的内容供指导规范制定者使用,而不包括在详细规范内。][整个空白详细规范中,当特性或额定值适用时,*表示在详细规范中应填入的值。中华人民共和国国家质量监督检验检疫总局2001-11-05批准2002-05-01实施
发布详细规范的国家标准机构名称:评定连续波磁控管质量的根据:磁控管的型号及简述:
机械说明
日见附录*
外形图
GB/T12853—2001
1空白详细规范首页
IECQ详细规范编号、版本号和
(或)日期
详细规范编号
简略说明
典型结构说明:
质量评定类别wwW.bzxz.Net
质量评定水平:
参考数据
4绝对额定值
GB/T12853—2001
详细规范中的最大或最小值是基于GB/T5839规定的值,在任何使用条件下都不允许任何一项超过或两项同时达到绝对额定值,如果超过此值,则磁控管的使用可靠性将会受到损害。为了不超过绝对额定值,设计者有责任利用安全系数为每个额定值确定一个平均设计值和绝对额定值,从而使磁控管在任何电源电压变化、负载变化及由于设备制造能力的变化条件下都不会超过绝对额定值。最大额定值与最小额定值是指该额定值的最大绝对值与最小绝对值而不考虑其正或负。绝对额定值见表2。表2绝对额定值
阴极预热时间
热丝电压或电流
热丝浪涌电流
阳极平均电流
阳极峰值电流(若适用)
阳极峰值电压
失配负载的电压驻波比
5参数(不作检验用)
5.1—般参数和机械参数
a)结构;
b)制造图样;
c)质量;
d)安装位置和附件;
e)输能方式;
f)冷却方式及条件;
g)规定测试点的最高温度;
h)冲击和振动的绝对最大额定值(如适用);i)环境气压;
i)贮存和工作时环境温度。
5.2电参数
a)频率范围;
b)输出功率:
c)阳极电压(规定平均电流和工作比);d)热丝电压与热丝电流曲线(如适用);e)热丝冷态电阻(如适用);
f)特性曲线(如适用)。
6标志
最小值
最大值
除表1中[7]栏和GB/T12852一2001的2.4所给出的内容外,其他特定标志应在本章规定。7订货资料
除非另有规定,订货合同至少应包括以下内容:a)型号及名称;
b)详细规范编号;
c)其他。
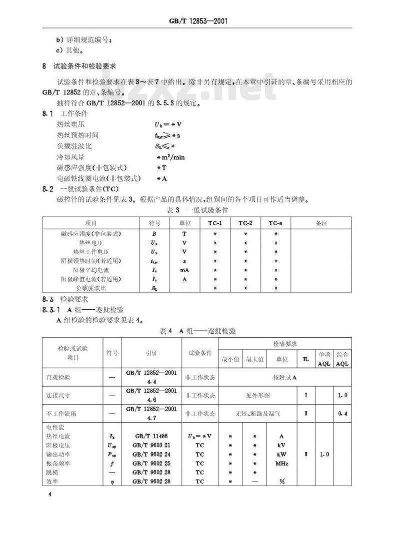
8试验条件和检验要求
GB/T12853—2001
试验条件和检验要求在表3~表7中给出。除非另有规定,在本章中引证的章、条编号采用相应的GB/T12852的章、条编号。
抽样符合GB/T12852—2001的3.5.3的规定。8.1工作条件
热丝电压
热丝预热时间
负载驻波比
冷却风量
磁感应强度(非包装式)
电磁铁线圈电流(非包装式)
一般试验条件(TC)
try≥*s
*m\/min
磁控管的试验条件见表3。根据产品的具体情况,组别间的各个项目可作适当调整。表3
《一般试验条件
磁感应强度(非包装式)
热丝电压
热丝工作电压
阴极预热时间(若适用)
阳极平均电流
阳极峰值电流(若适用)
负载驻波比
8.3检验要求
8.3.1A组-
逐批检验
A组检验的检验要求见表4。
检验或试验
直观检验
连接尺寸
不工作缺陷
电性能
热丝电流
阳极电压
输出功率
振荡频率
表4A组-
GB/T12852-—2001
GB/T12852—2001
GB/T12852—2001
GB/T11486
GB/T960321
GB/T960224
GB/T960225
GB/T960228
GB/T960228
逐批检验
试验条件
非工作状态
非工作状态
非工作状态
最小值
最大值
检验要求
按附录A
见外形图
无短、断路及漏气
8.3.2B组——逐批检验
B组检验的检验要求见表5。
检验或试验
一般尺寸
(非互换性的尺寸)
频率推移系数
频率温度系数
频率牵引系数
微波泄漏功率
GB/T12853—2001
表5B组——逐批检验
试验条件
最小值
GB/T12852—2001
de/ara
8.3.3C组——周期检验
GJB3311
方法303
GJB3311
方法111
GJB3311
方法110
GB9602216
C组检验的检验要求见表6。
非工作状态
检验或试验
热丝通断试验(D)
玻璃、陶瓷封接试验
机械性能
标志的耐久性试验
电极引线强度试验
环境适应性
高温试验
低温试验
振动试验
恒定湿热试验
寿命试验(D)
寿命终止标准
输出功率
振荡频率
GB/T12852—2001
GB/T12852—2001
GJB616—1988中2002
GB/T2423.29
GB/T2423.2
GB/T2423.1
GB/T2423.10
GB/T2423.3
GB/T9602—1988中22
GB/T9602—1998中25
周期检验
试验条件
非工作状态
按规定
按规定
最大值
见外形图
最小值
检验要求
MHz/℃
mw/cm2
检验要求
最大值
热丝电流符合
A组的要求
单项AQL
8.4包装检验
包装检验的检验要求见表了。
检验或试验
直观和尺寸检验
功能检验
自由跌落试验
振动试验
注:D
GB/T12853—2001
表7包装检验
GJB921—19904.5.2
GB/T4857.5
GB/T4857.10
破坏性试验;
一试验周期,单位:月;
一样品数;
一合格判定数。
9鉴定批准检验
试验条件
最小值
检验要求
最大值
按GJB921—1990表1中序号1、4、5、6、7、8要求。*
包装箱不得损坏,不得
有影响装箱效果的错位现象;
磁控管不应有机械损伤
当要求时,所需试验项目应在详细规范中加以规定(只供鉴定批准用)。附加资料(不作检验用)
a)防护资料;
b)安装要求;
c)冷却要求;
d)特殊调整要求和开关要求;
e)其他要求。
小提示:此标准内容仅展示完整标准里的部分截取内容,若需要完整标准请到上方自行免费下载完整标准文档。