首页 > 国家标准(GB) > GB/T 10090-1988 圆柱齿轮减速器基本参数
GB/T 10090-1988

基本信息

标准号: GB/T 10090-1988

中文名称:圆柱齿轮减速器基本参数

标准类别:国家标准(GB)

标准状态:已作废

发布日期:1988-01-02

实施日期:1989-10-01

作废日期:2007-09-29

出版语种:简体中文

下载格式:.rar.pdf

下载大小:139643

相关标签: 圆柱齿轮 减速器 基本参数

标准分类号

标准ICS号:机械系统和通用件>>21.200齿轮及齿轮传动

中标分类号:机械>>通用零部件>>J17齿轮与齿轮传动

关联标准

替代情况:调整为JB/T 9050.4-2006

出版信息

出版社:中国标准出版社

页数:平装16开, 页数:5, 字数:6千字

标准价格:8.0 元

相关单位信息

复审日期:2004-10-14

起草单位:西安重型机械研究所

归口单位:中国机械工业联合会

发布部门:国家技术监督局

主管部门:中国机械工业联合会

标准简介

本标准规定了圆柱齿轮减速器基本参数。本标准适用于通用外啮合圆柱齿轮减速器。 GB/T 10090-1988 圆柱齿轮减速器基本参数 GB/T10090-1988 标准下载解压密码:www.bzxz.net

标准图片预览

GB/T 10090-1988 圆柱齿轮减速器基本参数
GB/T 10090-1988 圆柱齿轮减速器基本参数
GB/T 10090-1988 圆柱齿轮减速器基本参数

标准内容

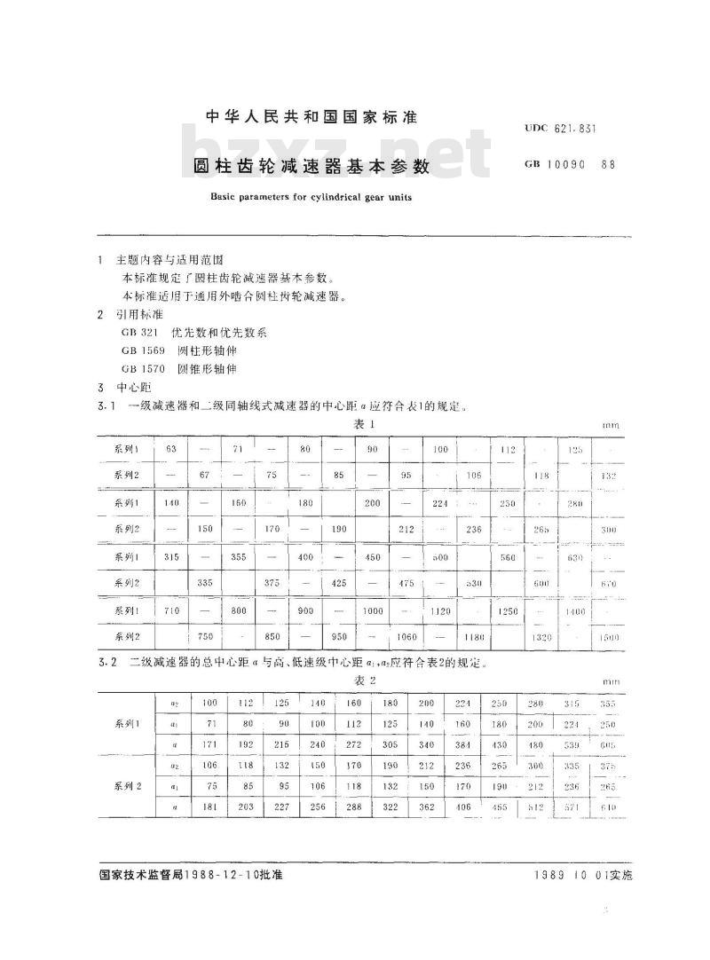
中华人民共和国国家标准
圆柱齿轮减速器基本参数
Basic parameters for cylindrical gear units主题内容与适用范围免费标准bzxz.net
本标准规定了圆柱齿轮减速器基本参数。本标准适月于通用外啮合圆柱齿轮减速器。引用标准
GB 321
优先数和优先数系
GB1569
圆柱形轴伸
GB1570
3中心距
圆锥形轴伸
一级减速器和二级同轴线式减速器的中心距α应符合表1的规定,表1
系列1
系列2
系列1
系列2
系列!
系列2
系列1
系列2
二级减速器的总中心距与高、低速级中心距ai2应符合表2的规定。表2
系列1
系列2
国家技术监督局1988-12-10批准140
UDC 621.831
GB10090
19891001实施
系列1
系刻?
GB10090--·88
续表2
600!
级减速器的总中心距与高、中、低速级中心距a.化应符合表3的规定,表3
系列!
系列2
系列1
系列2
,丧【~表3中的数值.优先选用系列「江:
②1表1~表3中的数值不够选用时,允许系列1按R20,系列2按R40/2派生系列传动比
-一级减速器公称传动比应符合表的规定表
级减速器的公称传动比1应符合表5的规定。表5
三级减速器的公称传动比1应符含表6的规定。2.21
GB 10090-88
4.4减速器的实际传动比与公称传动比的相对偏差三级减速器15%。
减速器的齿轮齿宽系数应符合表7规定。45
-级减速器
注: b :
一该齿轮刷传动中心距;
整时,应问上按2,5,8,0取整数。0.35
1A3%;两级减速器
一个斜街轮的作齿宽,,”
工作齿宽,对子人字齿轮(双斜齿轮)为6减速器的输入、输山轴中心高应按GB321R20,R40选取,优先按R20选取。7减速器的输入、输出轴轴伸尺寸应符合GB1569与GB1570。附加说明:
本标准由机械电子工业部提出。本标准由郑州机械研究所归口。本标准由西安重型机械研究所负责起草。本标准起草参加单位:第二重型机器厂东方汽轮机厂、北京起重运输机械研究所、洛阳矿山机械研究所、洛阳矿山机械)、第重型机器厂、上海起重运输机械厂。本标准主要起草人「培、何晓舟、郑凯。自本标准实施之日起,原机械工业部部标准JB716—65作废。
小提示:此标准内容仅展示完整标准里的部分截取内容,若需要完整标准请到上方自行免费下载完整标准文档。