首页 > 国家标准(GB) > GB 10191-1988 电子设备用固定电容器 第16部分:空白详细规范: 金属化聚丙烯膜介质直流固定电容器 评定水平E(可供认证用)
GB 10191-1988

基本信息

标准号: GB 10191-1988

中文名称:电子设备用固定电容器 第16部分:空白详细规范: 金属化聚丙烯膜介质直流固定电容器 评定水平E(可供认证用)

标准类别:国家标准(GB)

标准状态:现行

发布日期:1988-10-20

实施日期:1989-08-01

出版语种:简体中文

下载格式:.rar.pdf

下载大小:232506

相关标签: 电子设备 固定 电容器 空白 详细 规范 金属化 聚丙烯 介质 直流 评定 水平 可供 认证

标准分类号

标准ICS号:电子学>>电容器>>31.060.30纸介电容器和塑料膜电容器

中标分类号:电子元器件与信息技术>>电子元件>>L11电容器

关联标准

采标情况:≡IEC 384-16-1-1982 QC 301201

出版信息

出版社:中国标准出版社

页数:10页

标准价格:15.0 元

相关单位信息

首发日期:1988-12-22

复审日期:2004-10-14

起草人:邓国强,张海芳

起草单位:国营七一五厂和电子工业部标准化研究所

归口单位:全国电子设备用阻容件标准化技术委员会

发布部门:中华人民共和国电子工业部

主管部门:信息产业部(电子)

标准简介

空白详细规范是分规范的一种补充性文件,并包括详细规范的格式、编排和最少内容的要求。不遵守这些要求的详细规范,不认为是符合电子器件质量评定体系要求的标准。 GB 10191-1988 电子设备用固定电容器 第16部分:空白详细规范: 金属化聚丙烯膜介质直流固定电容器 评定水平E(可供认证用) GB10191-1988 标准下载解压密码:www.bzxz.net

标准图片预览

GB 10191-1988 电子设备用固定电容器 第16部分:空白详细规范: 金属化聚丙烯膜介质直流固定电容器 评定水平E(可供认证用)
GB 10191-1988 电子设备用固定电容器 第16部分:空白详细规范: 金属化聚丙烯膜介质直流固定电容器 评定水平E(可供认证用)
GB 10191-1988 电子设备用固定电容器 第16部分:空白详细规范: 金属化聚丙烯膜介质直流固定电容器 评定水平E(可供认证用)
GB 10191-1988 电子设备用固定电容器 第16部分:空白详细规范: 金属化聚丙烯膜介质直流固定电容器 评定水平E(可供认证用)
GB 10191-1988 电子设备用固定电容器 第16部分:空白详细规范: 金属化聚丙烯膜介质直流固定电容器 评定水平E(可供认证用)

标准内容

中华人民共和国国家标准
电子设备用固定电容器
第16部分:空白详细规范:金属化聚丙烯膜介质直流固定电容器
评定水平E
Fixcd capaciters for use in electronic equipmentPart 16 :Blank detail spcification : Fixedmetallized polypropylene film dielectricd. c. capatitors
Assessmenit level E
(可供认证用)
空白详细规范
GB 10191—88
IEC 384-16-1
QC301201
空户详细规范是分规范的·-种补充性文件,并括详细规范的格式,编排和最少内容的要求。不遵守这些要求的详细规范,不认为是符合电子元器件质量评定体系要求的标准。制订详细规范时应考虑分规范1.4条的内容。首页括号内数字标注的位置上应填写下列相应内容:详细规范的识别:
[1]授权起草本详细规范的组织:正C或国家标准机构,L2]IEC和国家标准的详细规范编号、出版Ⅱ期以及国家体制需要的更多内容。[3_IFL! 和国家标准的总规范编号及其年代号,「4 IEC 和国家标准的空白详细规范编号。电容器的识别:
「5]该型号电容器的简述,
6]典型结构的简述(适用时)。注:当电穿器不是设计用于印制线路板时,详细规范的这个位置上应该明确地加以说明,[7]标有对立换性有重要影响的主要尺上的外形图,和/或引用国家或国际的外形方面的文件。另-种方法,可在详细规范的附录中给出这种图形。1 8 应用或应用组别和/或评定水平。注;详细规范中采用的个或儿个评定水甲,应从规范3.5.4款中选取这意味者如果试验的编组不变,几个评定水平可以共用个空白详细规范。9]最重要特性的考数据,以便在各种类型电容器之间进行比较。中华人民共和国电子工业部198%-10-20批准1989-08-01实施
国家技术监督局
电子元器件质母证定接:
1G13269386
GE: 384-[)
外形图:(见表1)
(第·角示图)
(在给是的尺寸范围内,允诈有其他形状)GB 10191—88
GB 10191
JEC 384 16 1
QC301201
金属化聚丙烯膜介质
直流固定电容器
评定水半:E
性能等级.
稳定性等级
按本详细规范鉴定合格的元器件的有效数据在合格产品一览表中给出。r.2.1
1一般数据
1.1荐的安装方法(应填入)
GB 10191—88
(见GB10190(IEC384-16)第1.4.2条)。1.2尺小
外壳岑标记
注:()当没有外壳号标记时,表 」可以省略,且尺寸应在表 2 中给出,并将表 2 变成表 1。②尺寸应按最大尺寸或按标有公差的标称尺寸给出、1.3额定值和特性
电容量范围
标称电容量的允许偏差
额定电压
类别电压(如适用)
气候类别
额定温度
损耗角正切
绝缘电阻
额定电压
类别电压·
标称电容量
(rF或μF)
如与额定电压不同。
1.4有关文件
GB 269386
总规范:
(见表2)
(见表2)
(见表2)
表 2电容量值利电压值与外壳号的关系外完号
外尧号
外壳号
6电子设备用固定电穿器:第1部分:总规范》(IEC 384—1)
外壳号
GB10190
分规范:(IEC384-—16)
“电子设备用固定电容器:第16部分:分规范:金属化聚丙烯膜介质直流固定电容器》
1.5标志
电容器和也装的标志应符合GB10190(IEC384-16)第1.6条的要求。往:元件和包装上的标志的细节,应在详细规范中完整地给出。1.6订货资料
订购本规范所包括的电容器的订货单,应该用一般文字或代号的形式至少列出下列内容a
标称电容晟!
标称电容量的允许编差;
额定直流电乐;
GB 10191—88
d.详细规范的编号和版本号以及品种标记;e.
性能和稳定性等级(如果必要时)。1.7放行批证明记录
要求或不要求
1.8附加内容(不作检验用)
1、9对总规范和(或)分规范中的规定而言、增加或提高的严酷度或要求。注,仅当必要时,才规定增加或提高要求。表3其他特性
此表用于规定增加的或比分规范的规定更严醋的特性。2检验要求
2.1程序
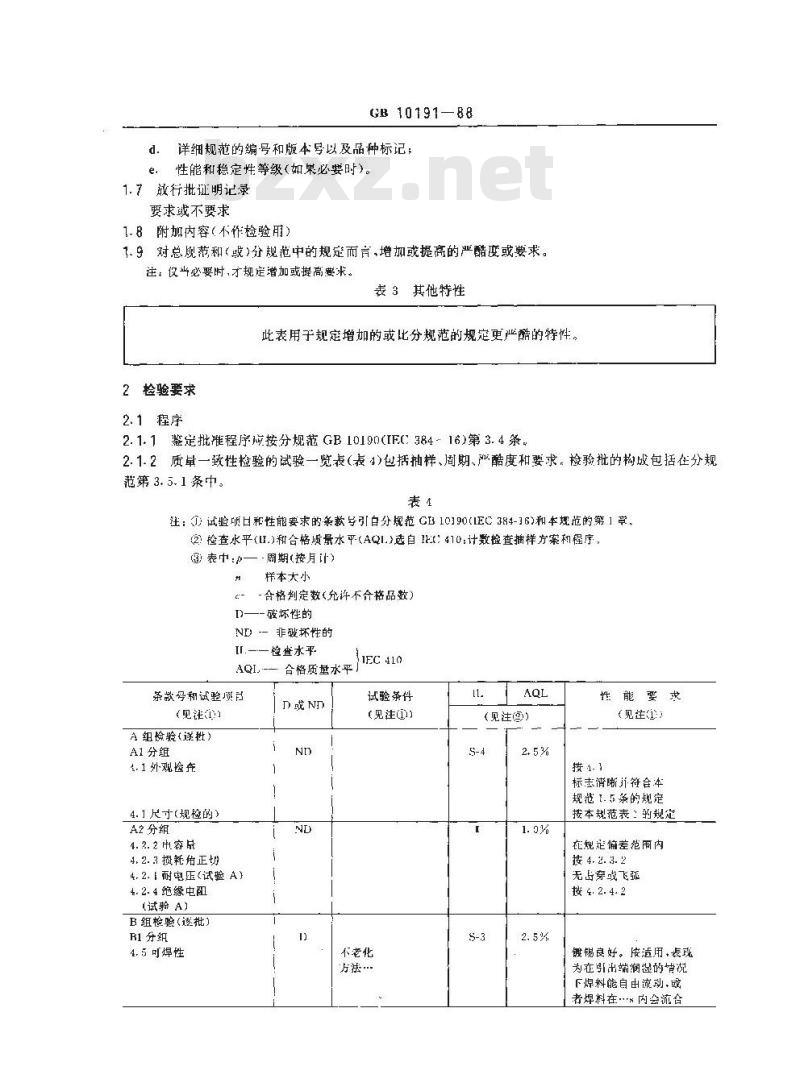
2.1.1鉴定批准程序应按分规范GB10190(IFC384-16)第3.4条。2.1.2质一致性检验的试验一览表(表4)包括抽样、周期、严酷度和要求,捡验批的构成包括在分规范第 3. 5.1 条中。
注: -周期(按月计)
样本太小
-合格判定数(允许不介格品数)I—-破坏性的
ND - 非破坏性的
条款号和试验顶所
(见注)
A组给验(逆批)
A1分组
生.1外观险奔
4.1尺寸(规检的)
A2分组
4.2.2中容品
4.2.3损耗正切
4. 2. 1耐电压(试验 A)
4.2.4绝缘电阻
(试薪 A)
B组检验(逐批)
R1分组
4.5可焊性
检查水平
合格质基水平
或 ND
TEC410
试验条件
(见注i)
不老化
(见注图)
性能爱求
(见注)
标志清晰符合本
规范1.5条的规定
按本规范表:规定
在规定偏差范用内
按 4. 2. 3. 2
无穿或飞
按4.2. 4. 2
镀锡良好。胺适用,表现
为在引出端润避的情况
下焊料能自由流动,或
者焊料在*内会流合www.bzxz.net
条款专和试验项月
(见注D)
C组检验
(周期)
C1A分组
C:1分组的部分样品
4.1尺寸
(详细的)
4.3.1初始测量
4.3引出端强度
4.4耐焊接热
4.4.2 最后测量
CIB分组
C1 分组其余样品
4.6.1初始测量
GB 10191—88
续表4
试验条件
(见注①)
样本大小和
合格判定数
(见注好)
电容量
损耗角正切
Ce.>1 μF:1 kHz
CRS1μF.10kHz
外观检查
方法·
外观检查
电容量
损耗角正切
电容量
横耗角正切
Cr.> 1 μF:1 kH2
Ce$1 μF10 kH
性能要求
(见注(1))
见详细规范
无可见损伤
无可见摄伤
标志清晰
/L::与 4. 3.1 条测基
值比较,
1.1级:#1%
1.2级:2%
2级:3%
tg3与4.3. 1条测量值
比较。其增量:
CslμF
1. 1 级,≤0. 001
1.2级:50.002
2级:0.004
C>1 rF:见详细规范
条款号和试验项目
(见注()
4.6温度快速变化
4.7振动
4. 7. 3最后检查
4.8硅撞(或冲击,见4.9)
4.9冲击(或碰撞,见4.8)
4. 8. 3 展后测基或
GB 10191—88
续表4
试验条件
(见注0)
Q.一下限类别温度
Q:= F:限炎别温度
5次循环
持续时间 tr30 min
外观检查
安装方法:见本规
范1.1条
程序 B4
频率范围·Hx
振幅 0. 75 mm 或加速
度 98 mm/s(取严酷度较
总持续时间:6 h
外观检查
安装方法:见本规池
碰掉次数次加速
度m/sa
脉冲持续时间ms
安装方法,见本规范
拥速度m/*
脉冲持续时间.-ms
外观捡查
损耗角正切
样本大小和
合格判定数
(见汪图)
性能要求
(见注(0))
无可见损伤
无可见提
无可见损物
AC/C:与 4. 6.
条测试信比较:
1.1级:≤1%
1.2级:32岁
2级:3%
1g价:可4. 6. 1 茶薇量伯
比较。其增量:
条款号和试验项目
(见注)
[分组
C1A和CIB分组的全部
4.10气候顺序
4.10.2下燃
1.10.3循环壶热,试
Db,第1个循环
4.10.4暴冷
4.10.5低气压
(如果详细规范有要求)
4.10.5.3中间测摄
4.10.6循环湿热·试验
Db,其余循环
4.10.6.2最后测鼠
GB 10191—88
续表4
试验杂件
(见注())
样本大小和
合格判定数
(见注)
绝缘电阻
温度:上限类别温度
持续时间;16 h
温度:下限类别温度持
续时间:21
大压力:B.5kPa
(85mbar)
外观查
外观检查
损耗角正切
性能要求
(注发)
CI μF:
1. 1 级:30. 001
.2级:36002
2级:20. 004
CμF:见详纸规范
24.2.4.2条中数值的
无永久性击穿,飞弧或
外壳的有害变形
无可见损怖
标志清晰
/C按适用,与4.4.2,
1.8.3或4.0.3条测量
值比较:
1.1级;21%
2级:5%
tgg,按适用,与1.3.1
条款卡和试验项目
(见注)
C2分组
4.11 稳态混热
4. 11. 1 始测量
4- 11. 3 最后测量
C3分组
4. 1. 2耐久性
GB 10191—88
续表4
试验条件
(现注)
样本人小和
合格判定数
(注)
绝缘电阻
电容些
报耗角正切
(在1kHz时)
外现检查
电容量
摄耗角正切
绝缘电阻
持续时间:
1级;2
性能要求
(见注0)
或4.6.1采测基值比
较.其增量:
GTμP:
1. 1 级:0. 0015
1.2级:3.0. 003
2,0.005
:见详细规范
≥4.2. 4.2茶中数值的
无可见报伤
标志清晰
2C/6;与4. 11.1条测量
模比较,
1.1级:21%
1.2级:3%
2级:5%
tgb:与 4. 11. 1 条测量
俺比较,其增量:
1级:0. 001
2级:.0.002
C>1μF:则洋细规范
4.2.1.2茶中数
值的50
条款好和试验项目
(见注(0)
4.12.1初始测基
4.12.5最后测量
C4分组
4. 2. 6 随温度而定的特性
(茹适)
4.13充电和放电
1.13.1初始测量
4. 13. 3 最后测基
CB 1019188
续表4
试验柔件
(见注の)
2级:1000 h
电容量
损耗角正切
r> μF:1 kHz
Cr.>1 μF:10 kHz
外观检查
电容量
损耗角正切
绝缘电阻
电容量
绝缘电阻
电容量
损耗角正切:
(>1 μF:1 kHz
Cr1 μF:1t kHz
充电持续时间.…
放电持续时间.
样木大小和
合格判定数
(现注)
性能要求
(克注()
无可见拟价
标点清晰
C:/C:与4.12.1条测暨
值比较,
1. 级:1%
1.2级:3%
2级;5岁
1g:与4.12.1条
测基值比较,其增量:
1级:50.002
2级:0.064
c1μ见洋细现范
4.2.4.2条十数值的
按4.2. 5
ZC/C: 与 4. 13. 1杀测过
值比较,
茶款琴和试验项目
(见注)
C5分纪
1. 2. 5 中感
(如适用)
附加说明:
D或ND
GB10191--88
续表4
试验条件
(见注)
祥本大小和
合格判定数
(见注@)
报耗角正切
绝缘电阻
本标准出国营七五!和出子工业部标准化所负责起草。本标准主要起总人邓国强,张海苏、蔡雅凤。性能要求
(见注门)
1.1级:1%
3级:5%
tgo,与j 4. 3. 1 条测量
值比较,其增章:
l μh:
1级:u.003
2级:0. 005
C1 F:无详细诞范
21. 2. 1. 2 条中数
值的50%
小提示:此标准内容仅展示完整标准里的部分截取内容,若需要完整标准请到上方自行免费下载完整标准文档。