首页 > 国家标准(GB) > GB 11035-1989 船用电双螺杆泵
GB 11035-1989

基本信息

标准号: GB 11035-1989

中文名称:船用电双螺杆泵

标准类别:国家标准(GB)

标准状态:已作废

发布日期:1989-03-31

实施日期:1990-01-01

作废日期:2008-09-01

出版语种:简体中文

下载格式:.rar.pdf

下载大小:432095

相关标签: 用电 螺杆泵

标准分类号

标准ICS号:造船和海上建筑物>>船舶和海上建筑物综合>>47.020.90船用通风、空气调节和供热系统

中标分类号:船舶>>船用主辅机>>U47舱室辅机

关联标准

替代情况:被GB/T 11035-2008代替

出版信息

出版社:中国标准出版社

页数:14页

标准价格:12.0 元

出版日期:1990-01-01

相关单位信息

首发日期:1989-03-31

复审日期:2004-10-14

起草人:李福夭

起草单位:上海船舶设计研究院

归口单位:全国船用机械标准化技术委员会

提出单位:中国船舶工业总公司标准化研究所

发布部门:中国船舶工业集团公司

主管部门:中国船舶工业集团公司

标准简介

本标准规定了船用电动双螺杆泵的产品分类、技术要求、试验方法、检验规则以及保证等。本标准适用于各种螺杆型线构成在船上作滑油泵、燃油泵、锅炉燃料喷油泵、货油泵、供水泵、消防泵、排水泵、压载泵、舱底泵、卫生泵以及输送化学品泵等的船用电动双螺杆泵。 GB 11035-1989 船用电双螺杆泵 GB11035-1989 标准下载解压密码:www.bzxz.net

标准图片预览

GB 11035-1989 船用电双螺杆泵
GB 11035-1989 船用电双螺杆泵
GB 11035-1989 船用电双螺杆泵
GB 11035-1989 船用电双螺杆泵
GB 11035-1989 船用电双螺杆泵

标准内容

UDC 621. 65T:629- 12
中华人民共和国国家标准
GB110$5-89
船用电动双螺杆泵
Marine electric twospindle screwpunp1989-03-31发布
国家技术监督局
1990-01-01实施
中华人民共和国国豪标准
船用电动双螺杆泵
Marine elecirlc two spludle sarew pumg1 主题内容与适用范显
+B1106585
本标准规定了船用电动双幅杆象的产品分类。数本要求,试验方供、检验规则以及保证等本标准用于各种巢杆壁线构盘在脂上作滑油泵,燃油泵,钢炉燃料喷润泵货前索、棋水系、消球余排水余.乐越系.舱底,卫生渠以及输化学品乘等的船用电动双频杆案,2引用标准
(iH265石油产品运动粘度测定法G+R69
船用法兰逆接尺寸和密封而
船用炼铁医兰
GD71船用等钢法兰
GB572薪用辞运兰
GJB150.16舰船比备的冲击试验
3产品分类
3. 1型式
3.1.下内轴承式:适用于增送润需指的清情被体。3.1.2外轴承式:齿用于输送强性、色机械杂质和非润滑性的流体,以及输送气商比站4的润合介质。
3.1.3带有加热或冷邦来套的外轴承式,适用于输送时需要加热或冷却的上述介质,3-2毕本季数
3.2.选,1.6,2.5,1.0,6.3,101625,40,63,10心,16,250和400m/5。3.2.2排力:0.4,0.8,1.6,2.5称4.0Mra,3.2.3净效上高度;4~-6 m,
对基些允许频迷气液合介质的双烁托乘术受此限制,3.2.4介质粘度:1.0×1U-1~0.1m/日3.2.5不同频托限学快感的各种所适用的基本率费:说受、能出压力、净吸上含度,转速、给入功率介质帖度和介质避度的供,制造厂应作出规定。3.2.6系推送油类介质时,其基本参数:流量,净吸上高度、循入功率和转速的值足措粘度为?.=>10-m/时的数值在输送其他介质时,系的上述基本壁数供应程合制造厂规定特度游近下的偿,它门取决于输举尔原的性阅、湿度、试验时的帮度范困和链出压乐,3.3型号
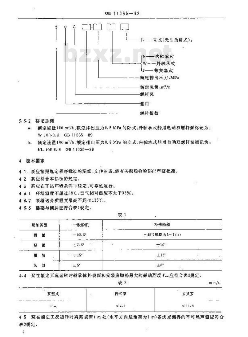
3.3.1型号中前面部分的教字和字母表家的名称字时后面的数字:新面的教字代衣额定流站(m\/h)、后面的散字代表敦定挪出压力(MPx);量后部分的字每表示泵的结构型式中国船能工业总公司19B81125批准80.施
3.3.2栋记示例
GB11035—9
:.立式(无1.为卧式)
——内轴承式
W—一外轴承式
带来式
一瓶定排出乐力,MPa
翻定流量m
螺杆泵
维干被件
额定近医Im/h.择出丘力心,自MPa的卧式、外轴承式用电动双螺杆系标记为:WJOn-0.EGB11035—R9
瓶定流量I帆m'/h.领定其山压力0.MPa的证式,内瓣承式船用电动双螺杆案标记为:NL100.心.GD 11035-89
4技本要求
4.1.泵应接照规定程序批准的图纸、文件制造。经有关船单检验部[:病查批准,4.2要应符合本标准的规定,
4.3夏应在下述环境条件下定,可靠地运行。4.1环境温度不超过础翠气相对湿展不大下5%。4.3.2系输送介质摄高量高不超过135个。播摆与机斜应符合表1规定。
势的类
一般射航航
殊超的
二46月期314:)
4.4系在额定工流运转时轴承体外表面和安装底脚如最大的嵌动烈度应符合表2规定,2
系型式
卧式率
文式衣
4.5系在额定工况运转时离系农而1m处!水平力向距地而为1m)各测点得的平均赚声值应符合表3规定,
某拍,功丰,w
噪产d(A)
GB 1103589
不超过所能H系列电护视
是的净位3()
4.6系的直机产出重及量心位置。系的实际压量与首制系量充许编差一5所4.7
案的整转方可从余输人抽端为顺时针。桌的安装方向,一-般要求为卧式的轴线与船肯居相半行。乘在额定院下实际流圾的分许编差应符会表4规定,表4
预超源盘,m/h
4.10除用产特殊要来外泵应带全回道安全阀车输送介质的粘度不人于7.5×10-m/时,安全阅的开启正力为额定排出压力的1.1~.1.13倍全回流乐力不应赶过新定排出压的1.5倍;马额定排出床小于或毫于0.5MPa时,全间放压为该排出玉力如.26 Ma。
4.17系的进出口法兰连接尺寸可据用产要求采用:GH6%,B670M571.GB672,米用其他法兰必须在们货合成中税明。
4.12余的吸人法兰面和排品法兰面之向的范离戒录中心线到上迷两法些面之间的距再允差应为=1%.
4. 13系的安装乎面到入[和排自心之间的距离允差应±1%、4.14
轴封外机械密封的漏泄益应不大于10./h境料密封不于6/离动抽承件表面退度不保妞选5,轴承温升不密过。泵主要零件的材样拟期系的炎塑及用途拉按表5规定选用,充许采用证明不降最材料性能并痛4. 16
定使关要求的其材料,
零注名积
动幅打
以动螺环
动频门燃旋
以动竭与定心
+动规雅
合气结物师域
会金超州制
不锅钧
快磁钢
合金结将制
不锈钢
GH 699
CFL: GC-2
3g CtMoal
1 Cr:8 N Ti
! CtJ8 N:9 y
GB3U?7
GA12:2
杆材地
ZOA19 4(GR 1:76)
零性名师
以动龈杆轴
螺析对套
同步齿轮
止推轴承
滑动辅承
不烯烟
陈慢纳快
优质磁案钢
合余站持部
工月制
谢青盘
妞你事
GD11035—89
203a10-1
IIF 3-54
QT50-5
ZHSi80-3
z9So 5-5-3
3.8 CrbfaAl
20S010-1
ZQA19-4
标准号
GA1220
GB1176
GE1176
GB 8077
GB1298
选用的材料应具有按验食格证哪,声则按其相应标准的规定进行现化试验;炼桐件应按炉进行化学元素分析,证明合格后方可愧用。,17铸件表面不允许有裂效,缩孔、该抢及其能影响所量的缺陷,允许在不降低骂度的情况下进行修关,但不允用截办法消除缺陷,有蜂窝离状气孔缺陷的将件不许补炼。18焊接件接整应火光尚金展面,尺应一针,焊接前不得有锈速拍垢等焊鞋不应有孔穴,来渣等缺陷:焊链边缘和顶啪应焊透。4.19等件、焊接件应消除内应力,录主要考件表面粗橙度应符合奶下规定:4.20
燥杆螺旋型面为R3.2m;
螺杆螺能外表面为;k,择1.6μm1等托爆旋底径表面为:,3.2 um1
媒杆封套内我表面或系体的内孔装面为:,3.2m:止推轴承摩部带国为,0.4
同步齿轮齿形表面为,2,1.61m。爆杆螺旋部分应符合如下规定:螺杆螺楚的螺臣允整不大于心,03UE螺杆螺施司吉轻上的域筛障再分差不大干0.经+螺托螺旋槽加工后应经过轴数面样板换克。单头螺恢的效爆托系,两衰燃托的螺献起部分装配时应成18。螺打的螺赖型面在装配时不得采用坐刀等降低型面糖度的探作力法。两根爆托装配后,相互啮合的蝴旋制面散应均勾。安全阅的闵和闷座应进行烘油密封性试登,在阅与阅坐内感注烘油,3mi内不应裤漏承学水压的季性在装配前虑进行水压试差:水压试验压力规定为系发全阅全回激压力将1,5,但不需于,6MPa!GB11035--89
b,试正时向入少于5min,其表回不再窄做满或日汗等现象.水长试龄前零件表面不得途球,d,不允汁用黄击,增衰等方法消除上述缺陷,允许用与零件相同成分的材料进行补焊,补炼后取新进行水压试验。
4.27案的所有掌件必添经验验合格,主要外购件、协作件必领有合情证书,4.28泵的所有零件在装配前必细情洗干净,举件表画不得有磁、锈础、变形等现象。4.29装配后的象用手盘动主动期托,应转动均匀和术卡准等现象,4.争绝试验合格后应除净内外表面的锈蚀,油油等.内部加上表面以防锈油骗外露加上表面染以硬化防锈油非加工表面喷欲耐离油速,必要时应打腻子,对铜整品可不作工逆处理。4.31大型泵和大型泵的主动频杆等大型零件,应没置吊环螺钉或泡吊孔等使于撒运。4.32联糖器应配助护甲.
5试验方法
5.1试验的取要求
5. 1. 1 试整介质
按聚的用逆可选用娜下介质,
*。0~5%么的满水;
粘度7.5×10·m的清沾油类
:心、其地介质、盟度或粘度允许响商范调应由供需双方协商决定。5.1.2试验时序待工况稳定后同时读出感论录所有仪表的值。5.1.3每个被参教的测最次收应不少于二次,取其平均。5-2试登研司
5.2.1试运转试改,
5.2.7.1试运转达验楚指装配后的泵在正式试验前进存的离合。主要检变录的装配恶量及系运行时的声响、弹声、报顾,询讨、商度.泄漏等5.2.1.2试运转试验空载跑合1n,然后按额定排出压力的四分之一避次升压,每次升压后运转时可不心于1心mi,谢节到额定工况运行至轴承盘度费定为止。试运转试验的总运行时间不每少于26.5.2.1.3试运转试验后,如泵拆卸感转移到另一试整装上时,试运转试酸应重新进行。5.2.2额定.T况性能试照趋指泵在额定转速、额定净数上高度和瓶定排尚压力下测量流量和输入功率慎。
5.2.3全他试验。
5.2.3-1全生能试验是指系运行在额足转速,翻定净吸上高度内下确足流母4.输入功率P,效率号与排出玉力即的关系,
5.2.32试验工况点的范围应从排出受路阅门全开到额定排出压力止,测试工况点本少于点。5.2.3.3给制2-Q.7-F.P-特性曲线.其中企压力P=十.5.2.4律源上商度试照。
5.2.4.1净股上高度试验足指象运行在翻定转连、鼠定排出出力下确定流量与饰收上商度为的关系,
5-2.4-2试验工点的范围应从报入管踏阀门全开到流量下降量达额定工记时流匠的3%上。5.2.4.3绘制-0特性曲载。
5.2.5安全网试验。
52.5.1安全网应在象额定工况下进行试验和调整,合格后加以封。5.2.5.2递渐关闭排出许路阅门.在超定的开自压力下安全闹应正确动作,试验应本少于三次GB11035
5.2.5.3完全关闭带出管路阅门,检查安全商金回流压归,5.2.6冻续运转试验、
5.2.6.1违续运转试验应在其他试验项日完毕后进行,在额定T.况下进续逐转的时间应符合如下现定
,一般船舶用系为200m
指殊船舶用亲为h
5.2.6.2试验期间不允许故障停车,试验期间不更换任何举件。5.2.6.3试验时观亲系运行情况,并每隔4b测开记录流量、排出压力、净脱上高度,转速和介质截度的依,
5. 2.B. 4试验前后所测再的额定工况下的流盘值,下降幅度应小于2%。5.2.6.5试验后应进行环检测整土要运动则领、部件的腾拟量,.5.2.7深声试险,
5.2.7.1一般异测其A计圾声压级,需时以在订货时说明测声压级噪声。5.2.7.2在望内测盘泵赚声时.酬点年行何反射体应大于1m5.2.7.3背量学声应比录噪声的读数低10B(A)以上;着系的噪声与背量集声的差慎6~101B(A))时,应接表6减去修正值若差值小于6B(A)时、应停止减其。表白wwW.bzxz.Net
的端产货
限产的产区短将
禁正位
5.2.7.4当电动机的噪尚商了噪尚时,应对也动机采取随等错施,快其符合5.2.7.3条规尝,5.2.7.5各测点的A尚级读数假,对照各测点的背录赚声按表6静正后,得出各测点的A声级测定值1.P,乎均声斥级L应按式(1>计算,Tapa = 10 I6 [
点数,1,2,*
》·测点总数:
第个牌点的A高设测定值业B(A)
当各测点测得的值相案不超过6A)时+可用算本平均值代替上式计算5.3动试抢
5.3.1白激振动试验
白激拒动是由录内部的剩余不平衡质量所引起的机恢摄动。试验的测点应选在恶抽承体外表而和安装店喇处,每个测点杨需测三个互相垂直方向的握动。5.3.2坏境振动试验
5.3.2.1坏境报动试验是操拟船舶的环境搬动,出泵机组的共摄点,考械泵的结构强魔,试验后泵应能正常运行,零件应不损坏。
5.3.2.2案应按照在船期上的固定方法固坐轰动试始台上.泵在不运转状态下进行试验,5.3.2.3试验必须在系的换向、间和垂直会十依饮进行。5.3.2.4系进行探变性抵动试验;企返幅为0.510.1mm,在4~J31z范再内均约变频,题率库以1IIz不连续同两改变,片在每-职率上持15*,若发现共振应记下共握额牢及片向。5-3.2.5变题试验时.案应布表7所示的报幅范用,按不连赞辨率间隔为1Hz.进行4~33H2的振动,每H
个坚或时向为5nain
GO11035-89
5.3.2.6有共银吋应在各共报点下共报2h;若无共报或消除共据后应在88Hz下进行2耐表试将,试验台的企拆幅应接表规定
超卡范田Hz
:E- 25
5.4冲未试险
最到台的会据,mm
0.75±0.1F
0. 25±0. 06
5.4.1外击试验仪在不运转状态下单机进行,专核象结构强度、度和连换听靠5.4. 2重要用逆的泵击试验按心JB J50. 16中的第3.10条的A缓短定进行,其他按B级对类越定.5.5固定倾料试验
5.5.1固定倾斜试验是考核系在固定烦斜状态下运轮时结构、连接和带能的可靠性,可代替考核系在摇拱、概斜状态下运行的可靠性。5.5.2试验台上案的并就废符合始下规定,卧试系-·般铅用系的轴绒保片水平,安装脚与水平面成20和案轴线与水平面成20两田
种特殊翁舶用泵则上送两种·布盗均为25°立式系,一般留舶用系的独线与水乎面底7心特殊船舶用泵则感所h
5.5.3试孕在额定T说下进行,历时30m,试验结果应存合生能要求,成整后系应能正情造行,受件应小拇坏,
5. 6测试制段
5.6.1各类试验用民仪表的容许系统误差应符台表8规定。表8
测定必效
的人致率
计更仪表的容许累既民些
5.6.2满试仪表应附每合格印均或出厂合格证.并按收表规定期限进行检查和校正:有拉验合括证。5.6.3随测盘。
5.日3.1步检验和抽查检验时函试仅表精度应不低干1链,出!检验时允许便消情度不低了1.5级的交表,
5.5-5.2采用容积法缺流时,计品路器应际有划度,其极限相对误差不人-10.5,测量时计量时间应不少于206
5. 6. 3. 3采用重过法到盘流时+衡器的率应量应小下被测重基的D, 5%5.6.3.4采用殊准节流将时应保减进人置的资流是稳定流。5.6.4压力翻盘,
GH11035
5.6.4.1型式检整和抽查检验时酬试表精虑应不低下1级,出厂检脸时允许快用精度不低乎.5级的收表。
5. B. 4. 2泵基准面规定师下;
卧式系以螺杆轴线水平面作基准面:实式泵以1/2螺打螺茶度处的冰平面作著准面。b.
5.6. 4.3系的全乐力P用相对于象基准面的排出口静压力A和吸入口正力西之整来表示,按式(2)计算。
F=---十X-)
= G G, + 9. B × I0-p(Za Z)MPa式中,C排出口洲得的压力值、MPa,一吸人口测得的压力慎(完表值为负),a,p-—试题介质的宿宽,kg/m
—排出压力测压点或效表中心至泵基准面的垂直范离,m;么:一进口乐力洲压点或促变中心至系基谁而的垂真距离,,当98×10-一%小于余乐力的1/10时,可塑略不(2)
.6.44测压货置准吸入管储和择出萨路的自费上臣离吸人口达兰和机出口法兰为2倍管径5.6.4.5测正乳度径为2~6mm或测玉孔处管径的1/10.收兰者之小值,长度应大于2倍孔径,测压礼应与管内壁垂,孔边嵌不应有毛刺5.合.4.6若果压力表,必选拆测定的力值为改去尽程的1/3~2/3。仪表前应装有通旋塞两或献动阻尼装置
测过正力大于大气压时,鹿排尽仪表与测乐孔之间携管内的空气,并充滤减体,测量压力小于无气时,接管内充许充气但不得存有滤件。5.6.5功率测母
5.6.5.1系的推入功率指电动机传到输入轴的功率,当有减速器耐应为减违器的输出抽传遵的功率,其值应通过泵的转速和担转力妞得出或由口如效率的电动机输入功率来确定减用专感器学方快,5.6.5.2大半支测现:
天平式测功计的取心应位于转轴的轴心载上;b。让量时额定工况泵的输入动来放在其量程范两的1/3以上c.不灵敏度是以微功计与脱高,电枢旋转时加负背能天平的脉盘平律位代发生格动时的小矩表示。当小筛长为0.074mm时,不灵散度极限如表9所示当力付不等于0.974mm时:负征拍成比例地减小或增加,
测置办率
75U1/mm
13,4R7
4. 49月 2
不可转癌下的容许不更效压板限,N-m1000-/mlm
1500a/mim
30001/min
计量扭转力矩时应用精度等级不艇于0.1%的杠扦式天平政带式关平测定作用于时上的小,长与杠托长应按误差不超过0.1计样.扭转式溯均计,
GB11035—89
计量时数定工况的泵输入功率应在其量范围的1/2以上:b.
定扭转力矩应在扭转轴不承受任何始的端况下进行!赖度座为+.5%。
5.6.5.4电攻率测功:
计算输出功率时产测盘试整用电动扭的搭入动率及电动机的效率;额定工说的值应在仪表量癌范因的20~95%内谢量电器数的仪表摘度不账于5级,互感器和分流器的箱度不解于0.2级,5.6.B转速量
试验故备在达不到额定转速的情况下允许在确差不超过1.5路的范图内进行试验.
若恨干试验条件,试验转建不符合额定转连,制造厂应给出计其公式将试验测得的性能数换算成额定转骤下的间。
转速可用转速表闪别测旺,轴转数自动计数计,测母单均频率测值和转差率等方法,测量精度符合5,G.非策规宠:
5. B. 7祖其测量,
应在系进口前不小于4借管径处副取!b.
得度计或温应传患器的谢量部分应直换漫入介质或放置博坐金测测简内,介质从随外流过,赖内黑欧物油充调
盘魔计的刻度应不大于1。
5.6.8粘度测量
应按GB265进行或提供试验介质的粘-混变化曲线;若附于试验条件+试介质的站度不符合5.1.1录规定制造厂应对各炎双螺杆系给出计算公比.将试验训得的性能数值换算求概定粘度下的值6检验规
6. 1 检验分类
泵应在工.厂试验合上进行试险,试验项月应符合表10规定,表10
试验项F
试转试验
定工说性脂试验
全性诺试
净吸上密度试验
安全闲试验
逆战运转式验
自敏拆动式险
型式性险
出厂龄
法气限港会介质不延行
达项口
环境板动试整
神击试险
固定恢料试照
拟式松验:
GB11035—89
读表10
快类豆
独式验
出一径险
特练丢液
型式检龄是对产品进行而考核所违行划各填试验的总称。有下列捐况之一时应进行型式放验:首制系:
转厂生产的试制定型鉴定:
正节生产时,产品有重大修政可能彩产品生能时,产品长期停产后,恢友生产时:出广捡验结果与上次型式检验有较大差异时!国家质量监督凯想报出进行型式检胞的恶求时,6.1.2出厂检验:
6.1.2.1成批出产的票除接6.2.1条进行抽试外,其余的象均按觉6.1条规定进行回!检,试验数提记录在工」转术份查部签字益单的试验数据单上。6. 1-2.2
6.1.3系的全部等,帮件及象的附属装世均出制造」技术检验部门接牢权准及有关技术文件进行检告些收,
6.1.4录成品验收按本标难热,定进行,为需距有关船期检验部门登收或有估们的产品运书知检验标记,
6.2拍样与纠指规则
6.2.1成批生产的系度按表11的规定任童抽表产品进行试验,抽查试验项月为:试运转试整,全性能试避和安拿限试验,
核产些,
抽竞检致整封-台
6.2.2抽查检病发现有不合括产品时应加倍拍试,如们有不合势产品时,整指采必须全进行试验。6.2.3泵在抽查艳验后应全部开检查,消除平件表面白现的轻效衡痕,如个别零件摄求严时应查明原内于以更换,必需时重新进行试验,6.3起定规则
6.3.1当试验转速和试验介质的粘度在允许退差范国内不符合颤定低时查将群得的各项长能数期境并到翻定工说下的数值,
6.3.2凹!检敌时只考核系尘题突将山压力、预定净双上高度、额定转速和额定介质粘度价况下的流量值,其与颤定流量的允案应符合表1规定。7标惠、包装、运输和产存
7.1标志
7.3.1每应在显部位固定标种,标牌应标明,o
制谐名你:
系的名称、型号:
商标;
GB11035—89
象的题定性能琴数:流址、排出压力、净吸上高度,转害和输入劲率;录的重量
产品出厂编号和制造日期;
质成等级标志,
每自系感在显见部位置定配尽商头的金更标志,指示主动燃打的转向。7.2包装与运
东试验后应世新油封和进行防领处理,泵吸入口,拌出口及其他孔应用益板挝住减堵塞,油过后的泵机组及辅助秘备固定在陷渐箱内止在运过程中世受须环,7.2.4系的专用工具和备件应案齿锈剂后加以包特.并随机定在箱内。7.2.5随机文件和图线应装在防测装内7. 延存
泵,学用工具和备件应放置在下燥的库册内,当存改期妞过油封有效期后应定期恼查油过情况,必要时应新润。
B其勉
8.1成年费位范围
8.1.1装配完造内配节机架或座及沿用电动机的录机组,特殊要求由供带双方商定。8.1.2辅助管路及附件,
8.1.3泵纤装必的专时1.兵
泵备件按表12规定·划需增碱应由供需效方抄商。淡12
点件名陈
随应文件
安金阴弹献
北减率封
填轻床扩的填料
清动轴术
止指劲事
李机组出广合格证·内寄包括:产M名积和型,
产品出号:
检验员、检验负丧人签字和公章;检验甘期,
使用说明书:
惊胃的出!试验效据单;
某些类州基有此结
小提示:此标准内容仅展示完整标准里的部分截取内容,若需要完整标准请到上方自行免费下载完整标准文档。