首页 > 国家标准(GB) > GB 12085.11-1989 光学和光学仪器环境试验方法 长霉
GB 12085.11-1989

基本信息

标准号: GB 12085.11-1989

中文名称:光学和光学仪器环境试验方法 长霉

标准类别:国家标准(GB)

标准状态:现行

发布日期:1989-01-02

实施日期:1990-08-01

出版语种:简体中文

下载格式:.rar.pdf

下载大小:228472

相关标签: 光学 光学仪器 环境 试验 方法 长霉

标准分类号

标准ICS号:计量学和测量、物理现象>>17.180光学和光学测量

中标分类号:仪器、仪表>>光学仪器>>N30光学仪器综合

关联标准

出版信息

出版社:中国标准出版社

页数:8页

标准价格:10.0 元

出版日期:1990-08-01

相关单位信息

首发日期:1989-12-29

复审日期:2004-10-14

起草单位:上海光学仪器所和贵阳光电技术研究所

归口单位:全国光学和光子学标准化技术委员会

提出单位:中华人民共和国机械电子工业部

发布部门:国家技术监督局

主管部门:中国机械工业联合会

标准简介

本标准规定了长霉试验用的菌种,试验条件、条件试验、试验程序及环境试验标记。本标准适用于光学仪器、装有光学零部件的仪器和光学零部件。本试验不用于常规生产检查。 GB 12085.11-1989 光学和光学仪器环境试验方法 长霉 GB12085.11-1989 标准下载解压密码:www.bzxz.net

标准图片预览

GB 12085.11-1989 光学和光学仪器环境试验方法 长霉
GB 12085.11-1989 光学和光学仪器环境试验方法 长霉
GB 12085.11-1989 光学和光学仪器环境试验方法 长霉
GB 12085.11-1989 光学和光学仪器环境试验方法 长霉
GB 12085.11-1989 光学和光学仪器环境试验方法 长霉

标准内容

UDC 8T.T.D8
中华人民共和国国家标准
GB 12085-1-12085-14—89
光学和光学仪器
环境试验方法
Optics and optical instruments Eovlronmnental test methods1989-1229发布
1990-08-01实施
苏技术监督局发布
中华人民共和国国象标准
光学和光学仪器
环境试验方法
OptiesandupticalinstrnmentsEnriromenlal.teytmethods-Mouldgrawth
主题内容与适用范围
GB12085.11-8
标店规定了长每试验用的菌种,试验条件、条件试验、试验程孕及环境试验标记。本标准泛用十光学义器、装有光学苯部件的仪器和光学零部件。本试验不用下带规尘产检查。
试验目的
研究交毒对试样的光学、化学,机械和电气的工作性能的影响询轻度,以及估价霉菌谢产物导致对事件的脑蚀稳衰。
引用标准
GB12085.1光学和光学皮器,环境试验方法术讲、试验范制4试验条件
4,1试验医
太标准准存下列10个菊种(见表1)为试验用南种,试验时,表1所列的所有菌和底同压混合使表1
国家技术监督尚1981-12-29批准黑日时
型的国
绿色木蛋
构青器
axprrgillus niger
aspergitlus. levns
aspergillls versiceler
trichorcrma irlde
penicilliunt Funirulosum
Deoic:lliunicilrinum
1990-06-01实款
GB12085.1189
法表1
paasilomyees
以毛壳推
cbaetouriunglobabuns
武curatiumonoghilum
t曲arpergilluxpenicilloiden(vitricolae由于菌种随时间的推移会出既变性,所以,本标准仅规定了试验用菌的种类,试整报告或相应的有关标准中应具体了出试验时所用菌和的具体名称和菌号。女果试验附时或关款准本标准疑定的阐种有所增减时,应在试验记录利试验告中作出详细说肌。42每菌孢了悬浮液
4.2.1喜商培衣
制备混合跑二是浮液用的菌种《按4,1条所述)要单灿池分别培养个适当的源脂质(究如:牙琼脂、铃费-渊翘踪或查氏培养基),培养期为14~21d,不趋过21d。每改制备佗了忌浮液帮必项使用新培养的菌种,每打开一支(只)菌种贝能各一次跑子感浮液4.2.2孢子尽浮液的制备
分别将含0.05%无毒湿润剂二辛基湾形避纳或十东基确酸讷的大蒸留水(或经软化处理的水)的水落液,10m上划人技本标准4.2.上冬倍养的各个函种的客养且中,用无菌的珀环或比粒自适的具仔细均将作以菌丝作面层上刮下来。划除不小心碰刮下来的惊脂闭,然后将跑于倒人袭有45m么水的无菌一们燃瓶中,再加人几颗无菌的固伍皮璃块,剧烈摇品,出确子从实的菌丝体上脱离出来并校产拍子团。用无菌的破端红维织物过滤,,以除去齿丝体的件片,再离心分离滤液女凌弃上层的洁液,将剥会物再尝浮小50mL水计再次分离,每个菌种如此更豆清洗三遍按表2规完的大机基溶被择择上清洗好的孢子盐浮液,使每一种独子最浮液达到象我升提浮液中含有的于数为1×10+2×10个2。注,1)凡4.2.2条中所情的水,灼为此种水落载,2)用;数室测定:
正亚一然会
止需酸
疏酸铁
化生分于式
Mg5..71l.0
微、e
娠能亚致
统能子
随腔毯
GB12485.1189
经表2
正学子改
FesO,-7H,0
ZnSo,7H0
Moso,.TH,o
机盐溶液仙用前应先宦于120℃的高压容器中茶满20mie,柔菌后用浓度c(VOH)为0.01mof/L的氢氧化钠落液调整其pH值。pH6.0-6.5化学试和的百分北纯度用原子吸收光谐本阅定,副备好的他子浮夜应分到检验其成活性。检验方法,分则将10种孢子总浮液的每种单独接种到菌有适当的琼脂介所的皮氏培养Ⅱ中,并立叫抗入历于路试样的培齐箱内班行培育,如果培养箱:试验的试样是用系菌市处理过的,则皮氏培养血成放到汽候案件与之完金帮同的另一只培养箱中培自,变一星期后,如买各菌种部没有生长,则认为用这此饱子所做的试验无效。要用重新培养的跑子制备新的混合挖了急浮液进行式验。4.2.3浓含迫于号添法的制条
提取广检龄跑了成活性的装种物以后,将等量的10种陷了忌沙液合在起,即获得浣合孢了些浮液。
无论是纯净的下忌浮被这是混合孢“总浮液都必须各的当天使压,不可存放到以后再用。4.8对照条
实势过属含泡了感浮液路试样在培养算或一候室中暴游期间,至少有二条对恩条与试样一起专放车能获得最生气候条性的守置上,杀菌剂处理过的试样试验时,可不月对照承付将分开单独圳养的检验扩:“或活件的皮院培养IE的霉菌上长情况用作对照。4.3.1对盗条能制备
对照条用大小山4.4条的试片相同的无菌的白色激派制作,试验前应先置于表所刻的营释液中漫。并品在空气二惊下。
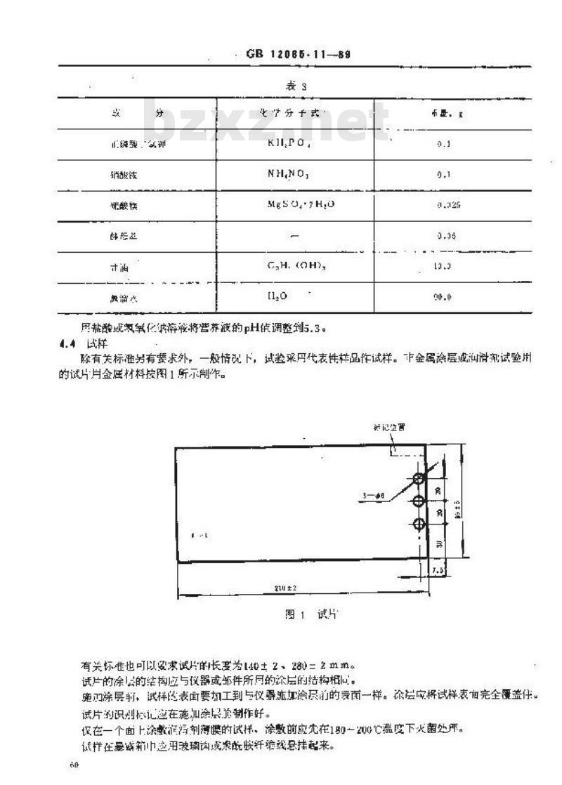
营养液必纳在制备对照条时配制,现配现用,保持群。对阻条必缅在使用的当大制各。漫对熙条用的营兼液按表3所列实公配制。消战
抚酸疾
GB1206611—B9
北学分子式
Mgso,7Ho
C,H.(OH),
用盐酸或氧氧化内溶疫将营养液的H使调整到5.3。司..试样
小是、
除有关标准另有费求外,一般情况下,试验乘月代表性栏品作试样。金属诊层业润滑剂试验用的试片月金压材料按图1所示制作。2u±3
有关标准也可以数求试片的长毫为140±2、280=2。试片的涂!的结拘应与仪器或部件所同的层的结构相回。魔叫涂层前,试样的表面要切工到与仪露症加渝尺的的最面一样。涂层底择试样表有完全覆盖任试片的识标记越在施加途累为制作好。在一个面上途数润将剂薄膜的试样,涂数前应先在1别一200C温度下火菌处库。试择在暴练箱应用浓璃均成必象配快纤维线急挂起来。.5碎养利气候些
GF 120E5.11-89
样经感染混合孢子悬夜后,放人舒合第5学规写的气族条性的培养箱或气候室串培有,养筑或气候室的温度应能调节全29F1℃,温度的波动范围×+0.5℃/h。培齐对成气恢室多领能防止主身和外界的水气的影响:并应改有随正在暴露期内箱(室内产生增压装管,
培养箱或气候室内应有端的控气盗通,如果有关标造要求有空气流通,则气流动的速追不得起送0.5m/s。
养箱或气恢家内的相对是度应保持在能%以上,可以屏竹人益同体折出的硫酸饱和落液布测试验箱底的书小法迪箱内对发保技在%以上,配制硫酸钾饱和溶疫的水用蒸谱水、去高「水成经数化处理过的水。
培辛拍载气候室境上的避结水不得商将到试拦上,起充许潮气在试样上凝结成水珠。交撑试栏的来具与试样的接触面积成尽量地小试栏在培养箱或气换室内应恢得相间的环境也荷和透气条性。有关准应航定记录试验箱(室)内血度和相对湿度的方法。5条件试验
系件试验方法85:长毒
条件试验方85长露的严酷专级按表4。表4
型库,
格对湖区,3
该样于的效,
试验程序
的预玛
·96 —
15 000 ± 3 000
除关标谁买有规完外,试样应用4.22条原逐的本洗净并挂起来脱1,循就后不得车试样上筒有任向学洗材料残悄(如布头改棉纱等),处召试样时不得在话样上留下于指印载其他主何方式的污势。途污方的试样,不必进行满洗,可在暴腾的卓接将问滑再瓮到试栏上。然后:用喷等器将滤合炮总浮喷射到试祥和双脱级条上,要确燃试样表面泡子数达到母平方重米范序内有15=3心00个,并且均每分右减样私对照纸条应在要种后1与m【n内效入培养箱或关室内育、试验箱应在试样升始培育前般据气候条准运转不少于4h。
如果试验的凸的不费求评价长的结票,虑且需求评价长出可能造或的度识用测早这器的性能,则应同时用一组少试样数用相等、类型相后的不接种独?的试样放在另一个气候:条件完会拍同的证差G
GB 12085+119
箱或气候室里最难,以区分激成试提损患的原因。6.2条性试验期间的活力
试验至第匕天,检查对照纸条知皮天培养I.I。如渠所有对阳纸条和(或)皮氏落养血上部不长每或长得很少,则试验无效,应重新进行试验。试验期间,牵七天打开-次培养箱或气候室的门,持续几砂钟,以更新空气。虽需结束时,对照纸条上的留应比试验至第七大时长得更茂感,否则试验大效,应重新连行试验。B.a恢复
试样在评价长每程度前不可进行清选,如果要进行魔蚀见度的比较,则可在评价长罚度后用利软布轻轻除去菌丝体。
8.4评价
试样长每程度的评价应在试验结束,试样丧面还末开始一遇前进行,长靠起度和级的评定参照表5。如要评价长毒造成的腐蚀损害,则在除去菌丝体后同末按种过孢子的试拦过行比较。6.5验收等缓
除有关标准另有现定外,如果试样上的长每程度小于或等于表5[的之级,则为验收合格。丧5
长申州级
现差基片的而积,%
≥10 ~ 30
30 70
社:【)率定该李级时在运当的阳照亮度放人50倍检查,7环境试验标记
蓝片上没有长率
诺隧或与限长博(轻液)
眼可见计出说断疾的好我的国落医实易见
量片成决地长册
:选用本标准中的条件试验克落版长每、严酷等级、工作状态1的标记为,GB 12U85.11-85-01-1
有关标准应包括的内容
E境试验坏:
试样的敌量:
试样的种类和试片的大小
GB 12086.1189
试拌在法养箱或气候室果的安放立产和非状态;提生试验用菌卵知基定菌种的单位:末接和过别了的试样的内容和数带;试脸箱中空气循以的要求
关于记求试险箱(室)的温度和相对湿度的妥求!初趋捡通的内容用港围
除6.1条规定以外的预处湿
除6.3第规以外的埃复:
最后检测的内穿和范图,
评价判据+
试验报告的内容利州。
AT麦牙琼脂培养基
新鲜麦牙汁
A2马龄薯培养基
乌伶密
散萄格(化学兜)免费标准bzxz.net
蒸馅水
A3查氏培养基
硝酸钠
正碗酸氢二但
硫酸镁
系化钾
酸业铁
能糖1
GB12085.71—89
附录A
凡种富用的培养基的配方
(登劳件)
1000mL
(NaNO,)
(K,HIO)
(MgSo.7H,0)
(F-SO,-7H,0)
蒸馏水
注:1)单独塔并否事:大曲每时,需兼用量为200g。附加说明:
本标准由中华人民共利国机械电子工业虾提出。化学纯
化学纯
化学沌
化学纯
亿学纯
化学纯
本标准由上海光学仪器研究历门非。本殊准由海光学仪器补究压和贵光电技术研究所共同负资起掌。64
小提示:此标准内容仅展示完整标准里的部分截取内容,若需要完整标准请到上方自行免费下载完整标准文档。